WeekendHobby.com


พี่ๆๆๆท่านใดมีวงจรการต่อกล่องเข้าเกียร์ 4WDLN111 บางครับ
danai0599
จาก danai0599
จันทร์ที่ , 28/5/2550
เวลา : 12:46

อ่าน = 796 ครั้ง
124.121.191.107
       พี่ๆๆๆท่านใดมีวงจรการต่อกล่องเข้าเกียร์ LN111 บางครับ( กล่องควบคุมมอเตอร์เข้าเกียร์4WD) ขอบคุณครับ

Since 22, Feb 2001 hit counter View My Stats  Truehits.net    วัน<%=WeekdayName(Weekday(Date))%>,<%=formatdatetime(date(),1)%> (Online <%=Application("OnlineUsers")%> คน)
   
   

คำตอบที่ 1
      



danai0599 จาก ปอนด์   อังคาร, 29/5/2550 เวลา : 15:36   


คำตอบที่ 2
       Please give me for your email address. I will send directly to you.



จาก Charoon 081-9402139   อังคาร, 29/5/2550 เวลา : 17:42   


คำตอบที่ 3
       ผมก็อยากได้เหมือนกันครับ เผอิญไปเอาเกียร์ 4wd ของ surf มาใส่แทนของเดิมแต่ไม่มีวงจรไฟฟ้าครับ ถ้าเป็นไปได้รบกวนส่งให้ผมด้วยครับ
tharintr@phuketproeng.com
ขอบคุณมากครับ



จาก ต้น 081-3044424   พุธ, 30/5/2550 เวลา : 10:58   


คำตอบที่ 4
       pon_0599@hotmail.com ขอบคุณครับ คุณCharoon



danai0599 จาก ปอนด์   พุธ, 30/5/2550 เวลา : 13:42   


คำตอบที่ 5
       ขอด้วยครับเห็นเวลาเข้าเกียร์ 4 ไฟโชว์บ้างไม่โชว์บ้าง ไม่รู้ว่าเป็นที่ระบบไฟ
r_somyos@thaiopticalgroup.com
ขอบคุณครับ



จาก y55   พุธ, 30/5/2550 เวลา : 13:52   


คำตอบที่ 6
       คต.4 ปอนด์ ไปหาช่างยศ เลยมีทุกวงจร 55555 แต่ไม่รู่ช่างยศ
มีวงจรโจรใต้หรือป่าวนะ เพราะแกรู้ไปหมด



verayutj จาก สบ.106   พุธ, 30/5/2550 เวลา : 16:00   


คำตอบที่ 7
       ท่านใดได้มาแล้ว เอามาลงวงจรมาลงโชว์กันบ้างนะครับ เผื่อใครจะได้เอาไปต่อใช้กันเอง



จาก ส้ม สะอื้น   พุธ, 30/5/2550 เวลา : 19:52   


คำตอบที่ 8
       Mr. Charoon,I need it too,I have problem also.my e-mail:sutinpa1@ksc.th.com MP:086-303-1725



จาก สุทินSR5   ศุกร์, 31/8/2550 เวลา : 23:00   


คำตอบที่ 9
       ผมขอด้วยครับ am_nart@hotmail.com ขอบคุณครับ คุณCharoon



จาก amnart   เสาร์, 1/9/2550 เวลา : 08:55   


คำตอบที่ 10
       ขอด้วยครับ somchai_mao@hotmail.com
ขอบคุณครับ



จาก M@O toc 429   เสาร์, 1/9/2550 เวลา : 11:58   


คำตอบที่ 11
       ผมรบกวนขอวงจรต่อกล่องยิง 4X4 ด้วยครับ
tnitithammanont@hotmail.com
ขอบคุณครับ



SA-KAI จาก SAKAI   จันทร์, 3/9/2550 เวลา : 03:45   


คำตอบที่ 12
       ผมขอด้วยคนครับ กำลังลื้อเกียร์พอดีเลยครับ
kritsada_kub ขอบคุณร่วงหน้าครับ



จาก อ้น   เสาร์, 22/9/2550 เวลา : 13:40   


คำตอบที่ 13
      
ผมขอด้วยคนครับกำลังรือเกียร์พอดีเกียร์มีปัญหาครับขอบคุณครับ
noy2510@hotmail.com



จาก เอก   อาทิตย์, 23/9/2550 เวลา : 00:08   


คำตอบที่ 14
       ขอบคุณล่วงหน้าครับ
nares_po@hotmail.com



จาก nares   อังคาร, 25/9/2550 เวลา : 09:52   


คำตอบที่ 15
       ขอโทษทีครับพิมไม่ครบ รบกวนอีกครั้ง
kritsada_kub@yahoo.co.th



จาก อ้น   อังคาร, 25/9/2550 เวลา : 14:32   


คำตอบที่ 16
       ขอด้วยคนอ่ะ พอดีเกียร์106พัง เลยไปเอาเกียร์ของ surf มาใส่แทน หาวงจรอยู่
suwit_wit@hotmail.com
ขอบคุณครับ



จาก 106   พุธ, 26/9/2550 เวลา : 02:02   


คำตอบที่ 17
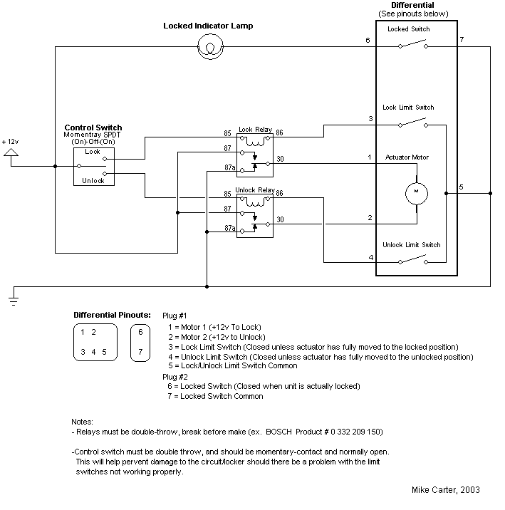
       เท่าที่หาวงจร 4wd Control ได้ ลอง Apply ดูครับ

http://www.weekendhobby.com/offroad/toyota/question.asp?id=26034&page=1

 แก้ไขเมื่อ : 5/7/2554 0:56:12





วงจร ควบคุม ดิฟล้อค แจ่มเลยครับ
จาก : เกียแดง & ซุปเปอร์เอมี(somdej) 5/7/2554 19:54:07 [223.204.196.186]

norn จาก norn   อังคาร, 5/7/2554 เวลา : 00:47   


คำตอบที่ 18
       พอได้มั้ย....





zchira จาก noum   อังคาร, 5/7/2554 เวลา : 18:33   


คำตอบที่ 19
       รับปรึกษา/แก้ปัญหา/เดินระบบใหม่ ระบบควบคุมการเข้าเกียร์ 4WD/ Dift lock ทั้งแบบใช้กล่องแท้ Toyota และ ใช้ Relay รับประกันผลงาน ยิงเข้า ปลดหลุด ชัวร์



rithirongb จาก 0817910956   พุธ, 6/7/2554 เวลา : 22:31   


      

เพื่อลดภาระของ ฐานข้อมูล ซึ่งมีขนาดใหญ่มาก เพราะเวบเปิดมากว่า 10 ปี
จึงทำให้เวบช้าลงมาก ทีมงานจึงขออนุญาต แปลงข้อมูลจาก ฐานข้อมูลหลักเป็น SHTML File
เพื่อลดภาระการทำงานของ ฐานข้อมูลหลักครับ การแปลงฐานข้อมูลนี้ จะทำให้กระทู้นี้
ไม่สามารถตอบคำถามได้อีกต่อไปครับ แต่จะสามารถค้นหาชื่อกระทู้ และ Link ตรงมาที่หน้านี้ได้เหมือนเดิมครับ

ด้วยความนับถืออย่างสูง ทีมงาน Weekendhobby.com


Convert on : 22/8/2011

Error processing SSI file