WeekendHobby.com
เครื่องมือในการใช้งาน website =>> สมัครสมาชิก | Login | Logout | เปลี่ยนไอคอนส่วนตัว | เกี่ยวกับเรา | ติดต่อโฆษณา         View stat by Truehits.net


กลุ่มยานไร้นักบิน (UAV CLUB)

จาก pong
IP:125.24.147.23

จันทร์ที่ , 13/8/2550
เวลา : 09:00

อ่านแล้ว = ครั้ง
 เก็บเข้ากระทู้ส่วนตัว
แจ้งตรวจสอบกระทู้
 แจ้งลบ
ส่งหาเพื่อน ส่งหาเพื่อน

       ขอเชิญร่วมกลุ่ม งานสร้าง UAV RC แลกเปลี่ยนความคิดเห็น และแสดงผลงาน


 แสดงความคิดเห็นย่อย แสดงความคิดเห็นย่อย

แจ้งเพื่อเก็บขึ้นกระทู้พิเศษ คลิ๊กที่นี่แจ้งเพื่อนำขึ้นกระทู้พิเศษ

คำตอบแบ่งหน้าละ 30 คำตอบ ขณะนี้คุณอยู่ที่หน้า 1 จาก >>> 1  2  

คำตอบที่ 1
       ตอนนี้ ชมรมหนองบัวลำภู กำลังสร้าง UAV RC



 แสดงความคิดเห็นย่อย แสดงความคิดเห็นย่อย

จาก pong 125.24.147.23 จันทร์, 13/8/2550 เวลา : 09:29  IP : 125.24.147.23   

edit แก้ไขคำตอบ   delete ลบคำตอบ 110181

คำตอบที่ 2
       ข้อมูลมีน้อยจัง ....
UAV RC ที่ว่านี้มี คุณสมบัติอย่างไรครับ ตอนนี้มีสมาชิกเยอะมั้ย มีโปรเจ็กอะไรบ้าง



 แสดงความคิดเห็นย่อย แสดงความคิดเห็นย่อย

จาก OT 125.25.191.243 จันทร์, 13/8/2550 เวลา : 15:12  IP : 125.25.191.243   

edit แก้ไขคำตอบ   delete ลบคำตอบ 110184

คำตอบที่ 3
       ขอร่วมแจมด้วยคนดิ





 แสดงความคิดเห็นย่อย แสดงความคิดเห็นย่อย

cartoon007 จาก จ่าอ้วน...บินตุ่ย 125.24.222.248 อังคาร, 14/8/2550 เวลา : 08:18  IP : 125.24.222.248   

edit แก้ไขคำตอบ   delete ลบคำตอบ 110205

คำตอบที่ 4
       ว่ารายละเอียดเลยครับท่าน pong
สนใจอยู่พอดีเลยครับ ต้องศึกษาเรื่องอะไร และจากที่ไหนบ้างครับ
ได้รับบริจาค GPS IQue 3600 มาตัวนึงใช้ประโยชน์กับภารนี้ได้มั๊ยครับ



 แสดงความคิดเห็นย่อย แสดงความคิดเห็นย่อย

จาก กบ TOT 203.113.0.200 อังคาร, 14/8/2550 เวลา : 08:57  IP : 203.113.0.200   

edit แก้ไขคำตอบ   delete ลบคำตอบ 110206

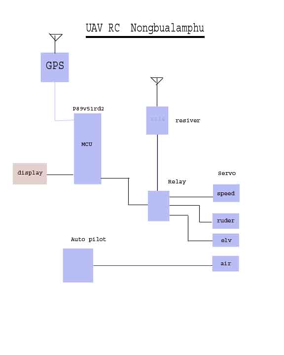
คำตอบที่ 5
       ไดอะแกรม ของเครื่อง





 แสดงความคิดเห็นย่อย แสดงความคิดเห็นย่อย

จาก pong 125.24.129.112 พฤหัสบดี, 16/8/2550 เวลา : 11:28  IP : 125.24.129.112   

edit แก้ไขคำตอบ   delete ลบคำตอบ 110284

คำตอบที่ 6
       GPS ที่ใช้ ราคา 3.400





 แสดงความคิดเห็นย่อย แสดงความคิดเห็นย่อย

จาก pong 125.24.129.112 พฤหัสบดี, 16/8/2550 เวลา : 11:32  IP : 125.24.129.112   

edit แก้ไขคำตอบ   delete ลบคำตอบ 110285

คำตอบที่ 7
       วันที่ 13 ทดสอบระบบนำทาง โดยถือเครื่อง เดินตาม ruder ทำงานได้ถูกต้อง (ยังไม่ขึ้นฟ้า)
วันที่ 14 ทดสอบ ระบบAuto pilot บินขึ้นปรากฏว่า เครื่องเอียงตลอด ทำให้ไม่สามารถรักษาการเอียงใด้เอง
ทำการปรับปรุงอีก
วันที่ 15 ทดสอบระบบแก้เอียงอีก บินไปไกลมาก จะควบคุมเองไม่ได้ ปรากฏว่า ตกน้ำครับ แย่เลย
จากการทดสอบคิดว่าจะต้องทำให้ระบบ Auto pilot ทำงานได้ดีก่อนที่จะให้ระบบนำทาง ทำงาน

จึงเป็นงานที่จะต้องอดทนทำAutopilot ให้จงใด้ เพราะเรามีงบสร้างน้อย ที่อื่นเขามีเงินมาก



 แสดงความคิดเห็นย่อย แสดงความคิดเห็นย่อย

จาก pong 125.24.129.112 พฤหัสบดี, 16/8/2550 เวลา : 11:46  IP : 125.24.129.112   

edit แก้ไขคำตอบ   delete ลบคำตอบ 110286

คำตอบที่ 8
       ท่านใดมีข้อเสนอแนะ Auto pilot ก็บอกด้วยครับ



 แสดงความคิดเห็นย่อย แสดงความคิดเห็นย่อย

จาก pong 125.24.129.112 พฤหัสบดี, 16/8/2550 เวลา : 11:50  IP : 125.24.129.112   

edit แก้ไขคำตอบ   delete ลบคำตอบ 110287

คำตอบที่ 9
       ดี ดี ดี ขอเป็นกำลังใจ ช่วยด้วยคน ความพยามเท่านั้นที่จะสำเร็จ.....





 แสดงความคิดเห็นย่อย แสดงความคิดเห็นย่อย

จาก ป.ปัต 125.25.181.141 พฤหัสบดี, 16/8/2550 เวลา : 12:32  IP : 125.25.181.141   

edit แก้ไขคำตอบ   delete ลบคำตอบ 110288

คำตอบที่ 10
       การแก้เอียง ซ้าย ขวา น่าใช้ไจโรได้ ไม่ทราบขาดตัดวัดความสูงหรือไม่ เพราะโปรแกรมต้องอ่าน-ปรับต่าความสูงตลอด



 แสดงความคิดเห็นย่อย แสดงความคิดเห็นย่อย

จาก ชานนท์ 124.120.71.190 พฤหัสบดี, 16/8/2550 เวลา : 16:32  IP : 124.120.71.190   

edit แก้ไขคำตอบ   delete ลบคำตอบ 110293

คำตอบที่ 11
       ผมทดลองตามไดอะแกรม ข้างล่างนี้ครับ ปรากฏว่าได้ผลเป็นที่น่าพอใจครับ IC ADSL202 หาซื้อได้ ที่ ETT ครั้บ เป็นตัว วัดความเอียง และวัดความเร่งครับ out put ออกมาเป็น พลัลซ์ duty cycle ขึ้นอยู่กับความเอียง ครับ





 แสดงความคิดเห็นย่อย แสดงความคิดเห็นย่อย

จาก OT 125.25.194.93 พฤหัสบดี, 16/8/2550 เวลา : 18:27  IP : 125.25.194.93   

edit แก้ไขคำตอบ   delete ลบคำตอบ 110296

คำตอบที่ 12
       ผมเคยทำแล้วครับ GPS Module สามารถบอกความสูงได้ แต่ความละเอียด ของความสูงยังไม่มาก





 แสดงความคิดเห็นย่อย แสดงความคิดเห็นย่อย

จาก OT 125.25.194.93 พฤหัสบดี, 16/8/2550 เวลา : 18:38  IP : 125.25.194.93   

edit แก้ไขคำตอบ   delete ลบคำตอบ 110297

คำตอบที่ 13
       ขอแจมนิดนึงครับ
ผมสงสัยว่าถ้าออกแบบรูปทรงให้มีจุด CG ต่ำๆและปีกมีมุมยกมากหน่อยแล้วจะช่วยให้การทรงตัวดีแทนการควบคุมด้วยอิเลกทรอนิกส์ได้หรือไม่



 แสดงความคิดเห็นย่อย แสดงความคิดเห็นย่อย

จาก Peterfly 125.25.222.105 พฤหัสบดี, 16/8/2550 เวลา : 21:32  IP : 125.25.222.105   

edit แก้ไขคำตอบ   delete ลบคำตอบ 110302

คำตอบที่ 14
      





 แสดงความคิดเห็นย่อย แสดงความคิดเห็นย่อย

จาก pong 125.24.130.51 ศุกร์, 17/8/2550 เวลา : 12:45  IP : 125.24.130.51   

edit แก้ไขคำตอบ   delete ลบคำตอบ 110306

คำตอบที่ 15
       อยากแจมด้วยจังแต่ตังไม่มีแต่ก้อมี Cy8C29466 เหลือสองตัวจะเอาไหมครับขายต่อตัวละร้อยเดียว




kkamwait@hotmail.com



 แสดงความคิดเห็นย่อย แสดงความคิดเห็นย่อย

จาก deedee 58.147.105.50 ศุกร์, 17/8/2550 เวลา : 17:49  IP : 58.147.105.50   

edit แก้ไขคำตอบ   delete ลบคำตอบ 110320

คำตอบที่ 16
       น่าสนใจมากครับ ผมรบกวนขอ บล๊อก ไดอะแกรม ที่ละเอียดกว่านี้ได้ไหมครับ จะลองไปศึกษา อะครับ

ขอบพระคุณเป็อย่างสูง



 แสดงความคิดเห็นย่อย แสดงความคิดเห็นย่อย

maxist จาก Maxist 203.158.4.155 อาทิตย์, 19/8/2550 เวลา : 11:18  IP : 203.158.4.155   

edit แก้ไขคำตอบ   delete ลบคำตอบ 110367

คำตอบที่ 17
       คุณ PONG ครับ หนีบ LCD ขึ้นไปด้วยเหรอครับ สงสัยจะหนักน่าดู
IC ADSL202 พอใช้ได้ครับ แต่ควรเพิ่มการปรับ gain จากวิทยุ หรือ ground control จะดีกว่าครับ ขอผมทดสอบ ตกไปสามลำแล้ว เจ้า GPS ก็ลาโลกไปแล้ว ADSL202 ไปสู่สุขติเช่นกัน

ปัญหาที่พบคือ เวลามีลมพัดกรรโชกแรงๆ เจ้า ADSL202 มันจะเดี้ยงไป ไม่สามารถวัดอะไรได้ สักพักนึงก็จะใช้ได้คืน
ปัญหาหลักจริงๆก็คือเรื่องเงิน และไม่รู้จะเอาไปใช้อะไร เพราะของกองทัพไทย ก็มีวิจัยอยู่แล้ว น่าจะมีการจัดแข่งขันแบบ open เพื่อจะได้มีการสร้างแบบมีจุดประสงค์ ^^




 แสดงความคิดเห็นย่อย แสดงความคิดเห็นย่อย

จาก 4Dproject.com 124.120.60.148 อาทิตย์, 19/8/2550 เวลา : 17:56  IP : 124.120.60.148   

edit แก้ไขคำตอบ   delete ลบคำตอบ 110372

คำตอบที่ 18
       ใครมี ic ADSL202 ขอรับบริจาค นะครับ



 แสดงความคิดเห็นย่อย แสดงความคิดเห็นย่อย

จาก pong 125.24.136.93 จันทร์, 20/8/2550 เวลา : 15:33  IP : 125.24.136.93   

edit แก้ไขคำตอบ   delete ลบคำตอบ 110392

คำตอบที่ 19
       สั่งซื้อจาก ETT นะครับ .... ของอย่างนี้ต้องลงทุนหน่อย
http://www.etteam.com/product/230001.html

ผมซื้อมาสองตัว ไว้วัดแกน Pich (หน้าหลัง) และ แกน Roll (ซ้ายขวา) ทดลองดูแล้ว การควบคุม แกน Roll ใช้งานได้ค่อข้างดี แต่ Pitch ยังมีปัญหา เมื่อมีความเร่งเข้ามา มันจะทำงานเพี้ยน ทางที่ดีควรจะหาทาง ส่งสัญญาณไปปรับเกนมันได้ ก็น่าจะดี อย่างที่คุณ 4Dproject ว่า



 แสดงความคิดเห็นย่อย แสดงความคิดเห็นย่อย

จาก OT 125.25.145.229 จันทร์, 20/8/2550 เวลา : 17:10  IP : 125.25.145.229   

edit แก้ไขคำตอบ   delete ลบคำตอบ 110394

คำตอบที่ 20
       สนใจมากเช่นกัน อัฟเดทเรื่อยๆนะครับ



 แสดงความคิดเห็นย่อย แสดงความคิดเห็นย่อย

จาก ชานนท์ 124.120.71.132 จันทร์, 20/8/2550 เวลา : 17:26  IP : 124.120.71.132   

edit แก้ไขคำตอบ   delete ลบคำตอบ 110395

คำตอบที่ 21
       ผมว่าบอร์ดใหญ่ไปนิดนึงอยากให้เปลี่ยนไปใช้ Board PIC หรือ ARM-7 ดีกว่าครับถ้าจะซื้อใหม่เพราะว่าราคาก้อพอๆกันแต่เวลา Simulate กับ Debug สองตระกลูที่ว่าจะมีต้นทุนที่ถูกกว่า ถ้าเป็นของ PIC เครื่อง In Circuit debuger ราคาถูกสุดประมาณที่ 1500 ส่วน ARM7 ประมาณ 2000 หรือไม่งั้นก้อเป็น AVR เลย 350 บาท

ส่วนจอ LCD เวลาบินจริงคงไม่ได้ติดตั้งใช่ไหมครับ



ผมส่งใจช่วยเสมอครับ



 แสดงความคิดเห็นย่อย แสดงความคิดเห็นย่อย

จาก deedee 58.147.105.25 จันทร์, 20/8/2550 เวลา : 21:12  IP : 58.147.105.25   

edit แก้ไขคำตอบ   delete ลบคำตอบ 110402

คำตอบที่ 22
       ผมว่าเรามาตั้งเป็น UAV CLUB กัน เป็นทางการเลยดีไหมครับ ... มีสมาชิก แลก MSN กัน ไว้แล้วนัดคุยกัน สัปดาห์ ละ 2 ครั้ง แลกเปลี่ยน ความคิดเห็นกัน
...ผมหวังถึงขนาดว่าเราจะสามารถสร้าง Low cost UAV กันได้ เอง..

คิดว่าไงกันบ้างครับ



 แสดงความคิดเห็นย่อย แสดงความคิดเห็นย่อย

จาก OT 125.25.205.131 อังคาร, 21/8/2550 เวลา : 09:48  IP : 125.25.205.131   

edit แก้ไขคำตอบ   delete ลบคำตอบ 110416

คำตอบที่ 23
       ดีครับ
PONG
till2002@hotmail.com




 แสดงความคิดเห็นย่อย แสดงความคิดเห็นย่อย

จาก pong 125.24.133.164 อังคาร, 21/8/2550 เวลา : 11:13  IP : 125.24.133.164   

edit แก้ไขคำตอบ   delete ลบคำตอบ 110421

คำตอบที่ 24
       คาดการณ์ราคา
GPS 3,400
mcu 500
Autopilot 1,500
speed 700
motor 600
servo 150x4 = 600
batt 1,250
reciver Esky 490
เครื่องบิน 800

total = 9,840



 แสดงความคิดเห็นย่อย แสดงความคิดเห็นย่อย

จาก pong 125.24.133.164 อังคาร, 21/8/2550 เวลา : 11:32  IP : 125.24.133.164   

edit แก้ไขคำตอบ   delete ลบคำตอบ 110423

คำตอบที่ 25
       ผมเข้าชมรมด้วยคนครับ
MSN and Email
kkamwait@hotmail.com



 แสดงความคิดเห็นย่อย แสดงความคิดเห็นย่อย

จาก deedee 58.147.105.83 อังคาร, 21/8/2550 เวลา : 21:18  IP : 58.147.105.83   

edit แก้ไขคำตอบ   delete ลบคำตอบ 110436

คำตอบที่ 26
       สู้ๆ คนไทยทำได้ครับ
1 ระบบ ของ ลำที่เห็น

>10 ล้านบาทไทยครับ





 แสดงความคิดเห็นย่อย แสดงความคิดเห็นย่อย

จาก momomomo 58.64.70.165 เสาร์, 25/8/2550 เวลา : 01:28  IP : 58.64.70.165   

edit แก้ไขคำตอบ   delete ลบคำตอบ 110521

คำตอบที่ 27
       ลำเล็กๆ น่าทำครับ แต่ยิ่งเล็ก ก็ยิ่งแพง และทำยากกว่าลำใหญ่ เพราะสถียรภาพในการบิน สู้ลำใหญ่ๆไม่ได้ จาก 10 ล้าน เราอาจจะทำให้เหลือ 20000 ก็ได้ ^^





 แสดงความคิดเห็นย่อย แสดงความคิดเห็นย่อย

จาก 4Dproject.com 124.120.62.219 เสาร์, 25/8/2550 เวลา : 02:58  IP : 124.120.62.219   

edit แก้ไขคำตอบ   delete ลบคำตอบ 110522

คำตอบที่ 28
       ที่ราคาแพงไม่ได้แพงจากค่าของหรอกครับ แพงมาจากค่าแรง ส่วนเทคโนโลยีก้อไม่ได้ต่างกับตามท้องตลาดมาก อาจจะมี Image Sensor พ่วงด้วย เลยทำให้ราคายิ่งเล็กยิ่งแพง



 แสดงความคิดเห็นย่อย แสดงความคิดเห็นย่อย

จาก deedee 117.47.50.218 เสาร์, 25/8/2550 เวลา : 10:23  IP : 117.47.50.218   

edit แก้ไขคำตอบ   delete ลบคำตอบ 110527

คำตอบที่ 29
       UAV ตัวข้างบนนั้น ทำไมเหมือน เจ้า Sogood ของผมเลย ไม่ได้ตั้งใจนะ แต่มันบังเอิญ
สำหรับเจ้า Sogood ตัวนี้ มีแรงบันดาลใจ มาจาก Solong (ลองหาดูใน web)

เริ่มจาก ยากหาอะไรเล่นเป็นงานอดิเรก..... เห็นเจ้า Solong ในเว็บแล้วอยาก ลองทำดูบ้าง ว่าความสามารถของเราจะทำได้มั้ย...

เริ่มจาก Sogoof J1 เมื่อปลายปีที่แล้ว ให้เพื่อนทำโครงสร้างให้ บินได้สอง ครั้ง รู้ข้อบกพร่อง ต่าง ๆ เอามาปรับปรุงเป็น Sogood J2 ซึ่งก็ยังมีข้อบกพร่อง อยู่ทำให้ J2 ต้องมี หลาย Version ตอนนี้ Version - แล้วครับ

Sogood ตอนนี้ แบบยังอยู่ใน โปรแกรม Inventor อยู่เลย ทำแต่แค่ปีก ตั้งใจว่าจะให้เสร็จภายในปีนี้ แต่ขึ้นอยู่กับไฟ ว่ามีไฟแรงแค่ใหน.. ไม่ได้คาดหวังอะไรมาก ทำไปเรื่อย ๆ ถือเป็นงานอะดีเรกครับ

Sogood Dev. step.

Sogood J1 : ขนาด 1/3 ของ ของจริง จุดประสงค์ในการทำ เพือทดสอบ การรับน้ำหนักของปีก ..ฝึกหัดบิน ตอนนี้เหลือแต่ปีกแล้ว..

Sogood J2: 1/2 ของ ตัวจริง ทำเพื่อทดสอบ ระบบ สื่อสาร ระบบควบคุมอัตโนมัติ บินครั้งแรก เมื่อ ปลายเดือน พค. ปรากฎว่าต้องแก้ใขโครงสร้างหลายอย่างกว่าจะอยู่ตัว
J2 V1 : แก้ใขปีกให้ใหญ่กว่า J2 เพื่อรับน้ำหนักได้ 1.1 กก
J2 v2 : -แก้ใขฐานล้อให้ มีข้างหน้า 2 ล้อ ข้างหลัง 1 ล้อ ให้ล้อข้างหน้ายกสูงขึ้นมา เพื่อให้หน้าเชิดขึ้น ล้อข้างหลัง ติดตรง กับ Ruder เพื่อให้เลี้ยวได้
-เปลี่ยนแกหาง จาก คาร์บอนไฟเบอร์ เป็น คันเบ็ด เพื่อให้แข็งแรงกว่าเดิม
- เปลี่ยนตำแหน่ง Servo ให้อยู่ในลำตัวเครื่องให้หมด เพื่อความปลอดภัยกรณีเกิดตก

J2.V3 แก้ใขลำต้วให้แคบลง และแข็งแรงขึ้น เพื่อลดความเสียหายขขณะตก เพิ่มคานตรง สปาร์ ให้ยาวขึ่น

J2 V4 : เพื่อพื้นที่ของ แอร่อน เพื่อให้ระบบควบคุมแนว Roll อัตโนมัติ ทำงานได้มีประสิทธิภาพมากขึ้น

Sogood 1 : ขนาดปีกยาว 4 เมตร กว่า (ตอนนี้อยู่ในจินตนาการอยู่) รับน้ำหนักได้ไม่ต่ำกว่า 4 กก. กำหนดการบินปลายปีนี้ (แต่ทั้งนี้ทั้งนั้น ก็ขึ้นอยู่กับอารมณ์ของคนประดิษฐ์ )






 แสดงความคิดเห็นย่อย แสดงความคิดเห็นย่อย

จาก OT 125.25.130.89 เสาร์, 25/8/2550 เวลา : 11:47  IP : 125.25.130.89   

edit แก้ไขคำตอบ   delete ลบคำตอบ 110529

คำตอบที่ 30
       ขอบคูณ

-ประหยัด กำแพงแสน ที่ทำ Sogood J1 ให้
-น้องจิน ที่ทำ โครง J2 V1 ให้
- พี่แจ๋ม ที่ทำการ บิน FF ให้ กับ J2
- คุณ ตุ้ย ร้าน RC ที่สนามบินน้ำ ที่แนะนำ ให้ใช้ คันเบ็ด ทำหาง แทน คาร์บอนไฟเบอร์

- คุณ มิ๊ก ร้าน RC to go ที่แนะนำสนามบินไก้ลบ้าน
- ตุณ เปี๊ยก และเพื่อน ที่คอยช่วยเหลือ ขณะทดสอบแต่ระครั้ง




 แสดงความคิดเห็นย่อย แสดงความคิดเห็นย่อย

จาก OT 125.25.195.136 เสาร์, 25/8/2550 เวลา : 12:57  IP : 125.25.195.136   

edit แก้ไขคำตอบ   delete ลบคำตอบ 110539

      

ยังมีคำตอบมากกว่านี้นะครับ คลิ๊กเพื่อดูหน้าถัดไป


คำตอบแบ่งหน้าละ 30 คำตอบ ขณะนี้คุณอยู่ที่หน้า 1 จาก >>> 1  2  



website รองรับการใช้งานทุกระบบปฏิบัติการของ PC Tablet SmartPhone ทุกระบบสามารถโพสข้อความและรูปภาพได้โดยไม่ต้องย่อไฟล์
เพื่อความปลอดภัยในการใช้ website WeekendHobby.Com สมาชิก เท่านั้น จึงจะตั้งกระทู้ หรือ ตอบกระทู้ได้ครับ
Login Click ที่นี่
สมัครสมาชิก Click ที่นี่



Since 22, Feb 2001 hit counter View My Stats  Truehits.net      วันพฤหัสบดี,28 พฤษภาคม 2569 (Online 2584 คน)