WeekendHobby.com
เครื่องมือในการใช้งาน website =>> สมัครสมาชิก | Login | Logout | เปลี่ยนไอคอนส่วนตัว | เกี่ยวกับเรา | ติดต่อโฆษณา         View stat by Truehits.net


ขอลายวงจรชาร์จอันนี้หน่อยครับ

จาก มิ้น
IP:222.123.213.55

เสาร์ที่ , 22/9/2550
เวลา : 23:16

อ่านแล้ว = ครั้ง
 เก็บเข้ากระทู้ส่วนตัว
แจ้งตรวจสอบกระทู้
 แจ้งลบ
ส่งหาเพื่อน ส่งหาเพื่อน

       ถ้าไม่รบกวนจนเกินไปนะครับ ถ้าใครมีก็ช่วยลงให้หน่อยครับ หรือว่าใครที่มีโปรแกรมทำวงจร หรือทำให้ได้ ช่วยทำใหทีครับ จะเป็นพระคุณอย่างยิ่ง ผมไล่วงจรไม่เป็นครับเลยไม่รู้ว่าจะต่อยังไง ขอรบกวนหน่อยนะครับ






 แสดงความคิดเห็นย่อย แสดงความคิดเห็นย่อย

แจ้งเพื่อเก็บขึ้นกระทู้พิเศษ คลิ๊กที่นี่แจ้งเพื่อนำขึ้นกระทู้พิเศษ

คำตอบแบ่งหน้าละ 30 คำตอบ ขณะนี้คุณอยู่ที่หน้า 1 จาก >>> 1  

คำตอบที่ 1
       ใครใช้วงจรชาร์ต li-po อันนี้บ้างครับช่วยลง ลายวงจรกับการลงอุปกรณ์ให้ทีครับ มีแบตแต่ไม่มีทีชาร์จ ยังไม่ได้เล่นเลยครับ ช่วยทีครับ



 แสดงความคิดเห็นย่อย แสดงความคิดเห็นย่อย

จาก มิ้น 117.47.40.22 อาทิตย์, 23/9/2550 เวลา : 15:48  IP : 117.47.40.22   

edit แก้ไขคำตอบ   delete ลบคำตอบ 111464

คำตอบที่ 2
       ช่วยผมหน่อยนะครับ



 แสดงความคิดเห็นย่อย แสดงความคิดเห็นย่อย

จาก มิ้น 117.47.41.201 จันทร์, 24/9/2550 เวลา : 19:26  IP : 117.47.41.201   

edit แก้ไขคำตอบ   delete ลบคำตอบ 111501

คำตอบที่ 3
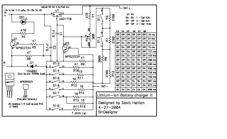
       วงจรนี้เป็นวงจรChargeถ่านLi-Onไม่ไช่Li-Poครับอย่าทำเลยครับเครื่องCharge Li-Po อันตรายเพราะไม่สามารถคุมกระแสะของLM317Tได้ใช้ชุดของ E-skyตัวเล็กดีกว่าแต่ก็ยังไม่ปลอดภัยสำหรับถ่านLi-poนะครับมันไม่ใช่ถ่านธรรมดา



 แสดงความคิดเห็นย่อย แสดงความคิดเห็นย่อย

จาก mai 203.113.44.10 จันทร์, 24/9/2550 เวลา : 20:35  IP : 203.113.44.10   

edit แก้ไขคำตอบ   delete ลบคำตอบ 111503

คำตอบที่ 4
       วงจรนี้เป็นวงจรChargeถ่านLi-Onไม่ไช่Li-Poครับอย่าทำเลยครับเครื่องCharge Li-Po อันตรายเพราะไม่สามารถคุมกระแสะของLM317Tได้ใช้ชุดของ E-skyตัวเล็กดีกว่าแต่ก็ยังไม่ปลอดภัยสำหรับถ่านLi-poนะครับมันไม่ใช่ถ่านธรรมดา



 แสดงความคิดเห็นย่อย แสดงความคิดเห็นย่อย

จาก mai 203.113.44.10 จันทร์, 24/9/2550 เวลา : 20:39  IP : 203.113.44.10   

edit แก้ไขคำตอบ   delete ลบคำตอบ 111505

คำตอบที่ 5
       แล้วทำไมบางที่เค้าบอกว่าใช้ได้ครับ ก็ชาร์จที่แรงดัน4.2เท่ากันนี่ครับ ส่วนกระแสชาร์จก้ตามตารางไม่ใช่เหรอครับงงครับ อธิบายหน่อย



 แสดงความคิดเห็นย่อย แสดงความคิดเห็นย่อย

จาก มิ้น 222.123.22.248 อังคาร, 25/9/2550 เวลา : 09:33  IP : 222.123.22.248   

edit แก้ไขคำตอบ   delete ลบคำตอบ 111517

คำตอบที่ 6
       ใช้ได้แต่จะต้องดูแลหน่อยครับLM317Tเป็นICที่จ่ายกระแสได้1.5A และสามารถปรับแรงดันที่ขาadjที่R1,R2และR3,R6,R7,R13โดยเลื่อกค่าตามตารางและR9ถึงR17เป็นตัวLimitกระแสใหลผ่านวงจรแต่ไม่รับประกันว่าค่าอุปกรณ์จะตรงตามค่าและแหล่งจ่ายไฟจะคงที่ตลอดถ้าvoltเข้ามากกว่า12volt voltoutก็จะเปลียนตามกระแสก็เปลียนตามมันก็จะทำให้ถ่านร้อนถ้าจะทำก็จะต้องมีตัวควบคุมความร้อนของถ่านดว้ยและถ้าจะทดลองทำต้องแน่ใจว่าประกอบวงจรถูกต้องปรับแต่งถูกตอ้งซึ้งอาจจะใช้ได้ช่วงแรกและต่อไปถ่านก็จะเริ่มเสียหรือลองไปหาข้อมูลเก่าๆก่อนดีกว่าครับของคุณActionnanจะมีครับ



 แสดงความคิดเห็นย่อย แสดงความคิดเห็นย่อย

จาก mai 203.113.44.10 อังคาร, 25/9/2550 เวลา : 17:58  IP : 203.113.44.10   

edit แก้ไขคำตอบ   delete ลบคำตอบ 111531

คำตอบที่ 7
       linkตามนี้เลยครับคุณมิ้นhttp://rctoday.100free.com/project/chargelion/chargelion.htm



 แสดงความคิดเห็นย่อย แสดงความคิดเห็นย่อย

จาก mai 203.113.44.84 อังคาร, 25/9/2550 เวลา : 20:34  IP : 203.113.44.84   

edit แก้ไขคำตอบ   delete ลบคำตอบ 111539

คำตอบที่ 8
       ต้องขอบคุณ คุณ mai อย่างมากที่มาตอบกระทู้ให้ วงจรนี้คงต้องต่อกับบาลานอีกที หรือไม่ก้คงต้องชาร์จทีละเซลละครับ แล้วพอจะมีลายปริ้นไหมครับ อยากได้ลายปริ้นมากๆเลยครับ วงจรนี้มีให้เลือกกระแสชาร์จได้หลายย่านมากเลย เลยอยากจะทำวงจรนี้ครับ แต่ก้ขอขอบคุณสำหรับวงจรที่แนะนำนะครับ แบตผมแค่500ma เองครับเลยต้องใช้วงจรที่ชาร์จได้กระแสน้อยๆ ใครมีลายปริ้น หรือสามารถทำให้ได้ผมก็ขอบคุณอย่างมากเลยครับ จะได้ช่วยๆกันสำหรับมือใหม่ที่ต้องการเครื่องชาร์จ ราคาถูก และสามารถทำเองได้



 แสดงความคิดเห็นย่อย แสดงความคิดเห็นย่อย

จาก มิ้น 222.123.209.75 อังคาร, 25/9/2550 เวลา : 23:57  IP : 222.123.209.75   

edit แก้ไขคำตอบ   delete ลบคำตอบ 111541

คำตอบที่ 9
       มารอลายวงจรต่อไป



 แสดงความคิดเห็นย่อย แสดงความคิดเห็นย่อย

จาก มิ้น 117.47.40.237 พุธ, 26/9/2550 เวลา : 18:46  IP : 117.47.40.237   

edit แก้ไขคำตอบ   delete ลบคำตอบ 111563

คำตอบที่ 10
       เค้าว่าแบตลิโฟ มันอันตายลายไม่ช่ายเหรอ.............ถ้าชัวก็ไม่เป็นราย......................



 แสดงความคิดเห็นย่อย แสดงความคิดเห็นย่อย

จาก um 203.153.169.46 พุธ, 26/9/2550 เวลา : 19:54  IP : 203.153.169.46   

edit แก้ไขคำตอบ   delete ลบคำตอบ 111568

คำตอบที่ 11
       ยังไม่มีอีกตามlinkเลยครับ
http://www.flyelectric.ukgateway.net/lithium-charger.htm
http://www.flyelectric.ukgateway.net/lithium-balancer.htm
ชว่ยแปลให้ดว้ย



 แสดงความคิดเห็นย่อย แสดงความคิดเห็นย่อย

จาก mai 203.113.44.84 พุธ, 26/9/2550 เวลา : 20:10  IP : 203.113.44.84   

edit แก้ไขคำตอบ   delete ลบคำตอบ 111570

คำตอบที่ 12
       คุณ doc007 หาข้อมูลมาให้แล้วครับ link ตามน้เลยครับ
http://www.weekendhobby.com/rc/Webboard/question.asp?page=2&ID=13966



 แสดงความคิดเห็นย่อย แสดงความคิดเห็นย่อย

จาก mai 203.113.44.84 พุธ, 26/9/2550 เวลา : 20:50  IP : 203.113.44.84   

edit แก้ไขคำตอบ   delete ลบคำตอบ 111573

คำตอบที่ 13
       ขอบคุณครับ แต่ IC L272M หายากอะแถวบ้านผมไม่มีขายด้วย ไปหามาหมดทุกร้านแล้ว ไม่มีสักที่เลย แถมได้ตัวที่ไม่ใช่มาอีก



 แสดงความคิดเห็นย่อย แสดงความคิดเห็นย่อย

จาก มิ้น 222.123.18.117 พุธ, 26/9/2550 เวลา : 21:04  IP : 222.123.18.117   

edit แก้ไขคำตอบ   delete ลบคำตอบ 111574

      

คำตอบแบ่งหน้าละ 30 คำตอบ ขณะนี้คุณอยู่ที่หน้า 1 จาก >>> 1  



website รองรับการใช้งานทุกระบบปฏิบัติการของ PC Tablet SmartPhone ทุกระบบสามารถโพสข้อความและรูปภาพได้โดยไม่ต้องย่อไฟล์
เพื่อความปลอดภัยในการใช้ website WeekendHobby.Com สมาชิก เท่านั้น จึงจะตั้งกระทู้ หรือ ตอบกระทู้ได้ครับ
Login Click ที่นี่
สมัครสมาชิก Click ที่นี่



Since 22, Feb 2001 hit counter View My Stats  Truehits.net      วันพฤหัสบดี,14 พฤษภาคม 2569 (Online 1543 คน)