จาก หมิง IP:222.123.21.178
เสาร์ที่ , 3/11/2550
เวลา : 23:33
อ่านแล้ว = ครั้ง
เก็บเข้ากระทู้ส่วนตัว
แจ้งลบ
ส่งหาเพื่อน
|
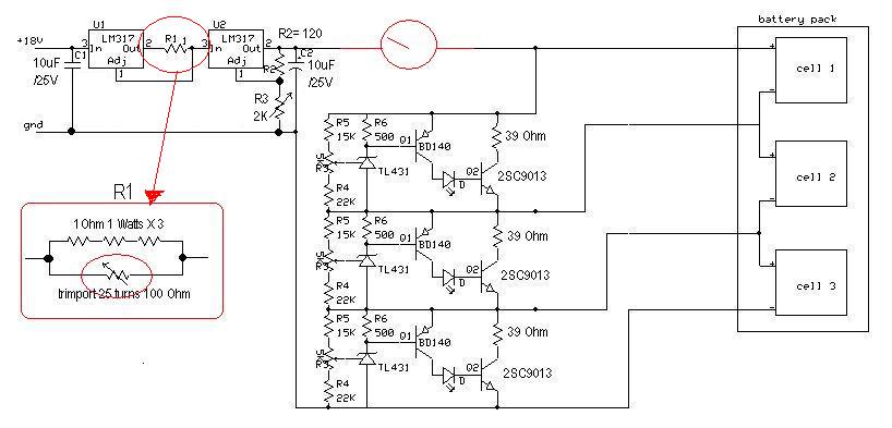
ผมลองทำวงจรนี้ชาร์จแค่2เซล แรงดันที่จ่ายให้วงจรประมาณ14โวล์ 500mA(ใช้อแดปเตอร์12โวล์ 500มิลิแอมป์ แต่วัดโวลได้ 14โวลท์กว่าๆ)อยากถามครับว่าแรงดันรวมเวลาวัดผมวัดได้แค่8.3โวลท์ ปรับที่ R3 มากสุดเท่าที่จะปรับได้ครับ ปรับจนเหลือ 0 แล้วปรับขึ้นไปเรื่อยๆจนไฟติดก็ประมาณ8.3โวลท์ ปรับไปมากกว่านี้ไฟรวมก็แค่8.3โวลท์
ส่วนกระแสก็เหมือนกันครับ ปรับที่ R1 ตอนที่ไม่ต่อแบต จะมีกระแสแค่ 50mA แต่พอต่อแบตแล้วกระแสจะขึ้นไปที่ 200mA แต่พอปรับ R1 กลับปรับกระแสชาร์จไม่ได้เลย ไม่รู้ว่าผมต่อวงจรผิดหรือเปล่าครับ หรือว่าต้องไปปรับค่าตัวอื่นครับ
ใครที่เคยทำวงนี้ หรือ มีความรู้ทางด้านนี้ช่วยแนะนำทีครับ

|