คำตอบที่ 15
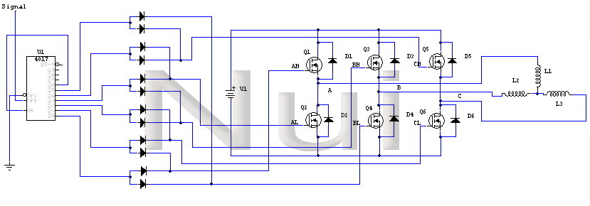
A very crude hard drive stepper motor controller.
The values here are to run the motor at the maximum speed (I got close to 2400 RPM)
that I could get with this circuit. This will require a "kick start" to get it spinning
due to the variable range available from the tricore.
Basically to get it going you start it at the lowest speed and slowly ramp it up with the potentiometer.
I was only able to run this at 5V due to maxing out my lab power supply (3A), the stepper is obviously
meant to be chopper driven.
It probably wouldn't be that difficult to use the spare three inverters to vary the pulse width sent to the motor, ergo greatly
lowering the current consumption.
Still I don't think these have the necessary torque to be of much use besides what their intended purpose was but the circuit is out there now.
ก็อปมาให้ทั้งดุ้นและกัน ถ้าจะใช้งานประเภทหมุนอะไรโชว์เล็กน้อยก็พอได้ แต่จะเอามาบินคงไม่ไหว
