WeekendHobby.com
เครื่องมือในการใช้งาน website =>> สมัครสมาชิก | Login | Logout | เปลี่ยนไอคอนส่วนตัว | เกี่ยวกับเรา | ติดต่อโฆษณา         View stat by Truehits.net


ขอวงจร วิทยุบังคับ หน่อยครับ
kapolo4214
จาก NewTrOn
IP:118.174.103.207

พุธที่ , 14/4/2553
เวลา : 16:56

อ่านแล้ว = ครั้ง
 เก็บเข้ากระทู้ส่วนตัว
แจ้งตรวจสอบกระทู้
 แจ้งลบ
ส่งหาเพื่อน ส่งหาเพื่อน

       คือผมต้อง การ เอาไปควบคุมเซอร์โวมอเตอร์อะครับ เอาแค่ ซ้าย-ขวา ขึ้น - ลง ได้ก็พอครับ มีแบบไหน กี่ แชนแนล รบกวนลงให้ที่นะครับ หรือมีหนังสือ หรือ เว็บเกี่ยวกับพวกนี้แนะนำ ช่วยหน่อยนะครับ จะเอาไปทำโปรเจคครับ E-mail kapolo_club_newaver@hotmail.com


 แสดงความคิดเห็นย่อย แสดงความคิดเห็นย่อย

แจ้งเพื่อเก็บขึ้นกระทู้พิเศษ คลิ๊กที่นี่แจ้งเพื่อนำขึ้นกระทู้พิเศษ

คำตอบแบ่งหน้าละ 30 คำตอบ ขณะนี้คุณอยู่ที่หน้า 1 จาก >>> 1  

คำตอบที่ 1
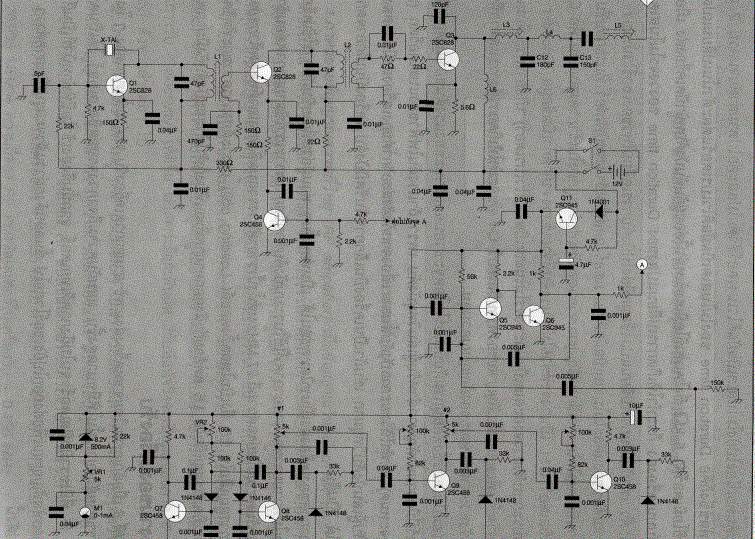
       วงจรวิทยุบังคับ



 แสดงความคิดเห็นย่อย แสดงความคิดเห็นย่อย

noksaak จาก นกแสก 223.207.18.113 พุธ, 23/3/2554 เวลา : 22:56  IP : 223.207.18.113   

edit แก้ไขคำตอบ   delete ลบคำตอบ 146418

คำตอบที่ 2
       วงจร





 แสดงความคิดเห็นย่อย แสดงความคิดเห็นย่อย

noksaak จาก นกแสก 223.207.18.113 พุธ, 23/3/2554 เวลา : 22:58  IP : 223.207.18.113   

edit แก้ไขคำตอบ   delete ลบคำตอบ 146419

      

คำตอบแบ่งหน้าละ 30 คำตอบ ขณะนี้คุณอยู่ที่หน้า 1 จาก >>> 1  



website รองรับการใช้งานทุกระบบปฏิบัติการของ PC Tablet SmartPhone ทุกระบบสามารถโพสข้อความและรูปภาพได้โดยไม่ต้องย่อไฟล์
เพื่อความปลอดภัยในการใช้ website WeekendHobby.Com สมาชิก เท่านั้น จึงจะตั้งกระทู้ หรือ ตอบกระทู้ได้ครับ
Login Click ที่นี่
สมัครสมาชิก Click ที่นี่



Since 22, Feb 2001 hit counter View My Stats  Truehits.net      วันพฤหัสบดี,14 พฤษภาคม 2569 (Online 1446 คน)