WeekendHobby.com
เครื่องมือในการใช้งาน website =>> สมัครสมาชิก | Login | Logout | เปลี่ยนไอคอนส่วนตัว | เกี่ยวกับเรา | ติดต่อโฆษณา         View stat by Truehits.net


ขอเปิดกระทู้ไว้ก่อนครับกับ 1JZ-GTE VVT-i 4WD Auto ใน TROOPER ปี 98
Mr.Bj
จาก Mr.Bj
IP:61.90.251.186

พฤหัสบดีที่ , 24/12/2552
เวลา : 08:20

อ่านแล้ว = ครั้ง
 เก็บเข้ากระทู้ส่วนตัว
แจ้งตรวจสอบกระทู้
 แจ้งลบ
ส่งหาเพื่อน ส่งหาเพื่อน

       ขอเปิดกระทู้นำร่องไว้ก่อนครับ ตอนนี้รถใกล้เสร็จแล้ว เมื่อเสร็จแล้วจะนำข้อมูลทั้งหมดมารายงานสมาชิกให้ได้รับรู้กัน เผื่อใครอยากจะแหวกแนวแบบกระผมนี้บ้างก็จะได้มีไอเดียที่จะคิดหรือตัดสินใจได้ว่าควรหรือไม่ควรอย่างไร

เอาข้อมูลด้านเทคนิคไปก่อนแระกันครับ :

1JZ-GTE

First Generation 1JZ-GTE in a 1991 Toyota Chaser
Third Generation 1JZ-GTE VVTi in a 1989 Toyota CressidaThe 1JZ-GTE employs twin CT12A turbochargers arranged in parallel and blowing through a side-mount or front mount air-to-air intercooler . With an 8.5:1 static compression ratio, the factory quoted power and torque outputs are 280 metric horsepower (210 kW) at 6200 rpm and 363 newton metres (268 ft·lbf) at 4800 rpm respectively. These motors are over square (86.0mm bore x 71.5mm stroke). Yamaha may have had a hand in the development or production of these motors (possibly the head design), hence the Yamaha badging on certain parts of the motor, such as the cam gear cover. In 1991, the 1JZ-GTE was slotted into the all-new Soarer GT.

The early generation 1JZ-GTEs combined the inherent smoothness of an inline 6 cylinder engine with the revving capacity of its short stroke and early power delivery of its small, ceramic wheeled turbochargers. The ceramic turbine wheels are prone to delamination in the setting of high impeller rpm and local temperature conditions, usually a result of higher boost. The first generation 1JZ's were even more prone to turbo failure due to there being a faulty one-way valve on the head, specifically on the intake cam cover causing blow-by to go into the intake manifold. Also on the exhaust side a decent amount of oil vapor flows into the turbos causing premature wear on the seals. The later 2nd Gens had this problem fixed and in Japan there was actually a recall in order to repair the 1st Gens, though that does not apply to 1JZ's imported to other countries. The fix is simple, and involves replacement of the PCV valve (2JZ); all parts are available through Toyota.

The "third Generation" of 1JZs were introduced around 1996, still as a 2.5 turbo, but with a reworked head incorporating Toyota's newly developed continuously variable valve timing mechanism (VVT-i) , modified water jackets for improved cylinder cooling and newly developed shims with a titanium nitride coating for reduced cam friction [2] . The turbo setup changed from parallel twin turbo (CT12x2) to a single turbo (CT 15B). The adoption of VVT-i and the improved cylinder cooling allowed the compression ratio to be increased from 8.5:1 to 9.0:1, making the 1JZ-GTE an interference engine[citation needed]. Even though the official power figures remained at 280 metric horsepower (210 kW) at 6200 rpm, torque was increased by 20Nm to 379 newton metres (280 ft·lbf) at 2400rpm. These improvements resulted in increased engine efficiency that reduced fuel consumption by 10%. The adoption of a much higher efficiency single turbocharger than the twins as well as different manifold and exhaust ports were responsible for most of the 50% torque increase at low engine speeds . This engine was used primarily in Toyota's X chassis cars (Chaser, Mark II, Cresta, Verossa), the Crown Athlete V (JZS170) and in the later JZZ30 Soarer, as the JZA70 Supra was long discontinued by this time.




 แสดงความคิดเห็นย่อย แสดงความคิดเห็นย่อย

แจ้งเพื่อเก็บขึ้นกระทู้พิเศษ คลิ๊กที่นี่แจ้งเพื่อนำขึ้นกระทู้พิเศษ

คำตอบแบ่งหน้าละ 30 คำตอบ ขณะนี้คุณอยู่ที่หน้า 1 จาก >>> 1  2  3  4  5  6  7  

คำตอบที่ 1
       เมื่อ 1JZ-GTE VVT-i มันลงไปอยู่ในห้องเครื่องของทรูเปอร์แล้วแน่นดีพิลึกเลยครับ





 แสดงความคิดเห็นย่อย แสดงความคิดเห็นย่อย

Mr.Bj จาก Mr.Bj 61.90.251.186 พฤหัสบดี, 24/12/2552 เวลา : 08:35  IP : 61.90.251.186   

edit แก้ไขคำตอบ   delete ลบคำตอบ 216481

คำตอบที่ 2
       ต้องยอมเสียด้านหน้ากันบ้างแหล่ะครับ นิดๆหน่อยๆ





 แสดงความคิดเห็นย่อย แสดงความคิดเห็นย่อย

Mr.Bj จาก Mr.Bj 61.90.251.186 พฤหัสบดี, 24/12/2552 เวลา : 08:36  IP : 61.90.251.186   

edit แก้ไขคำตอบ   delete ลบคำตอบ 216482

คำตอบที่ 3
       มารอชมครับ



 แสดงความคิดเห็นย่อย แสดงความคิดเห็นย่อย

prathet จาก Prathet TCT 153 61.7.138.126 พฤหัสบดี, 24/12/2552 เวลา : 08:37  IP : 61.7.138.126   

edit แก้ไขคำตอบ   delete ลบคำตอบ 216483

คำตอบที่ 4
       เกียร์ก็ใช้ลูกเดิมของ 1JZ-GTE VVT-i ที่ติดมากะเครื่องเลยครับเพื่อที่จะได้รองรับแรงบิดของเครื่องได้อย่างไม่มีปัญหา ซึ่งมันเกียร์ของ AISIN MODEL 30-41LS ครับ





 แสดงความคิดเห็นย่อย แสดงความคิดเห็นย่อย

Mr.Bj จาก Mr.Bj 61.90.251.186 พฤหัสบดี, 24/12/2552 เวลา : 08:44  IP : 61.90.251.186   

edit แก้ไขคำตอบ   delete ลบคำตอบ 216484

คำตอบที่ 5
       ส่วนชุด TRANSFER ขับสี่ ก็ใช้ของตัวนี้มาชนเลยครับ ออกข้างขวาเหมือนของทรูเปอร์เด๊ะๆ





 แสดงความคิดเห็นย่อย แสดงความคิดเห็นย่อย

Mr.Bj จาก Mr.Bj 61.90.251.186 พฤหัสบดี, 24/12/2552 เวลา : 08:57  IP : 61.90.251.186   

edit แก้ไขคำตอบ   delete ลบคำตอบ 216485

คำตอบที่ 6
       ดูกันอีกมุมนึงครับ





 แสดงความคิดเห็นย่อย แสดงความคิดเห็นย่อย

Mr.Bj จาก Mr.Bj 61.90.251.186 พฤหัสบดี, 24/12/2552 เวลา : 08:59  IP : 61.90.251.186   

edit แก้ไขคำตอบ   delete ลบคำตอบ 216486

คำตอบที่ 7
       ซึ่งมันติดมากะเกียร์ของเครื่องตัวนี้ครับ





 แสดงความคิดเห็นย่อย แสดงความคิดเห็นย่อย

Mr.Bj จาก Mr.Bj 61.90.251.186 พฤหัสบดี, 24/12/2552 เวลา : 09:01  IP : 61.90.251.186   

edit แก้ไขคำตอบ   delete ลบคำตอบ 216487

คำตอบที่ 8
       ดูหน้าตาของเครื่องมันแบบเต็มๆพร้อมเกียร์และทรานเฟอร์ที่ติดมากันหน่อยครับ





 แสดงความคิดเห็นย่อย แสดงความคิดเห็นย่อย

Mr.Bj จาก Mr.Bj 61.90.251.186 พฤหัสบดี, 24/12/2552 เวลา : 09:03  IP : 61.90.251.186   

edit แก้ไขคำตอบ   delete ลบคำตอบ 216488

คำตอบที่ 9
       แกนเพลาเดิมของ 1JZ-GTE VVT-i มันยาวต้องทำให้เหลือแค่นี้ครับ โดยการเอาแกนเพลาของเกียร์ KZ หรือไม่ก็แกนเพลาของเกียร์ 2J ยอยยางมาเปลี่ยนแทน





 แสดงความคิดเห็นย่อย แสดงความคิดเห็นย่อย

Mr.Bj จาก Mr.Bj 61.90.251.186 พฤหัสบดี, 24/12/2552 เวลา : 09:08  IP : 61.90.251.186   

edit แก้ไขคำตอบ   delete ลบคำตอบ 216489

คำตอบที่ 10
       เมื่อสวมกันเสร็จแล้วก็จะได้อย่างนี้ครับ





 แสดงความคิดเห็นย่อย แสดงความคิดเห็นย่อย

Mr.Bj จาก Mr.Bj 61.90.251.186 พฤหัสบดี, 24/12/2552 เวลา : 09:10  IP : 61.90.251.186   

edit แก้ไขคำตอบ   delete ลบคำตอบ 216490

คำตอบที่ 11
       ทรานเฟอร์ตัวนี้เป็นแบบไฟฟ้าสามารถเข้าสู่โหมดเกียร์ 4WD ได้โดยการกดปุ่มที่หัวเกียร์ไม่ต้องโยกเกียร์ให้เมื่อยครับ มันเป็น SHIFT ON THE FLY แบบกดปุ่มครับสบายมือเลยแหล่ะ





 แสดงความคิดเห็นย่อย แสดงความคิดเห็นย่อย

Mr.Bj จาก Mr.Bj 61.90.251.186 พฤหัสบดี, 24/12/2552 เวลา : 09:16  IP : 61.90.251.186   

edit แก้ไขคำตอบ   delete ลบคำตอบ 216491

คำตอบที่ 12
       ปุ่มกดอยู่ที่หัวเกียร์ขับสี่แบบนี้ครับ





 แสดงความคิดเห็นย่อย แสดงความคิดเห็นย่อย

Mr.Bj จาก Mr.Bj 61.90.251.186 พฤหัสบดี, 24/12/2552 เวลา : 09:17  IP : 61.90.251.186   

edit แก้ไขคำตอบ   delete ลบคำตอบ 216492

คำตอบที่ 13
       แวะมาชมรถสวย ๆ ครับ
ขอบคุณมากครับพี่สำหรับคำแนะนำ



 แสดงความคิดเห็นย่อย แสดงความคิดเห็นย่อย

oat0007 จาก โอ๊ต TCT064 118.175.2.132 พฤหัสบดี, 24/12/2552 เวลา : 09:27  IP : 118.175.2.132   

edit แก้ไขคำตอบ   delete ลบคำตอบ 216493

คำตอบที่ 14
       ตามรอชมด้วยคนครับ



 แสดงความคิดเห็นย่อย แสดงความคิดเห็นย่อย

TCT360 YUI จาก YUI 113.53.183.191 พฤหัสบดี, 24/12/2552 เวลา : 10:29  IP : 113.53.183.191   

edit แก้ไขคำตอบ   delete ลบคำตอบ 216494

คำตอบที่ 15
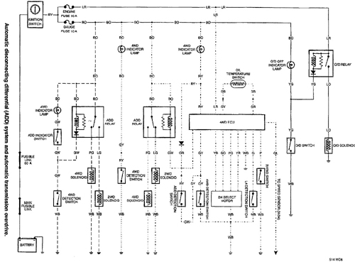
       โดยต้องมีการควบคุมการเปลี่ยนเกียร์ 4WD แบบกดปุ่มด้วยระบบคอมพิวเตอร์ดัง Diagram นี้ครับ





 แสดงความคิดเห็นย่อย แสดงความคิดเห็นย่อย

Mr.Bj จาก Mr.Bj 61.90.251.186 พฤหัสบดี, 24/12/2552 เวลา : 10:47  IP : 61.90.251.186   

edit แก้ไขคำตอบ   delete ลบคำตอบ 216495

คำตอบที่ 16
       ส่วนหน้าตากล่องเป็นแบบนี้ครับ

 แก้ไขเมื่อ : 24/12/2552 10:57:00





 แสดงความคิดเห็นย่อย แสดงความคิดเห็นย่อย

Mr.Bj จาก Mr.Bj 61.90.251.186 พฤหัสบดี, 24/12/2552 เวลา : 10:51  IP : 61.90.251.186   

edit แก้ไขคำตอบ   delete ลบคำตอบ 216496

คำตอบที่ 17
       เอาข้อมูลจำเพาะของเครื่องยนต์ตัวนี้มาให้พิจารณากันอีกที เมื่อเปรียบเทียบกับเครื่องเดิม 6VD1 ดูสิครับว่าเป็นไง พร้อมรูปตอนที่มันอยู่ในบอดี้เดิมของมัน

Engine Spec

Engine Code 1JZ-GTE
Displacement (cc) 2491
Aspiration Turbo with intercooler
Max Power 280 ps (205.94 kw) @ 6200 rpm
Max Torque 38.5 kg*m (377.56 N*m) @ 2400 rpm
Power to Weight Ration 140.00
Engine Type Watercooled Inline 6 cylinder DOHC24 valve Intercooled Turbo
Engine Info VVT-i vertical position
Compression Ratio 9.00
Bore 86.00
Stroke 71.50



Isuzu Trooper LS

Performance & Efficiency Standard Features
Engine Code 6VD1
3,165 cc 3.2 liters 6 V front longitudinal engine overhead cam and four valves per cylinder
Unleaded fuel
Fuel economy EPA highway (l/100km): 13.1
Multi-point injection fuel system
Fuel tank 80L
Max Power SAE and 131 kW , 175 HP @ 5,200 rpm
Max Torque 188 ft lb , 255 Nm @ 4,000 rpm
compression ratio 9.3
bore 93.4 mm
stroke 77 mm

 แก้ไขเมื่อ : 24/12/2552 11:40:00

 แก้ไขเมื่อ : 24/12/2552 11:53:26

 แก้ไขเมื่อ : 23/1/2553 0:02:38

 แก้ไขเมื่อ : 23/1/2553 0:03:39





 แสดงความคิดเห็นย่อย แสดงความคิดเห็นย่อย

Mr.Bj จาก Mr.Bj 61.90.251.186 พฤหัสบดี, 24/12/2552 เวลา : 11:16  IP : 61.90.251.186   

edit แก้ไขคำตอบ   delete ลบคำตอบ 216497

คำตอบที่ 18
       ส่วนเครื่องตอนซื้อมาหน้าตาก็จะเป็นแบบนี้แหล่ะครับ หล่อดีเน๊อะ





สภาพเหมือนเครื่องล้างเลยครับ คร่าวๆนะไม่ได้เห็นของจริง
จาก : yamasakit(yamasakit) 28/4/2554 0:15:47 [113.53.152.238]
 แสดงความคิดเห็นย่อย แสดงความคิดเห็นย่อย

Mr.Bj จาก Mr.Bj 61.90.251.186 พฤหัสบดี, 24/12/2552 เวลา : 12:01  IP : 61.90.251.186   

edit แก้ไขคำตอบ   delete ลบคำตอบ 216498

คำตอบที่ 19
       ส่วนอันนี้เป็นข้อมูลแสดงแรงม้าและแรงบิดของเครื่อง 1JZ-GTE VVT-i ตัวนี้ครับ ให้ดูที่ NEW ที่มันเป็นเส้นทึบนะครับ

 แก้ไขเมื่อ : 24/12/2552 12:09:43





 แสดงความคิดเห็นย่อย แสดงความคิดเห็นย่อย

Mr.Bj จาก Mr.Bj 61.90.251.186 พฤหัสบดี, 24/12/2552 เวลา : 12:06  IP : 61.90.251.186   

edit แก้ไขคำตอบ   delete ลบคำตอบ 216499

คำตอบที่ 20
       ตอนนี้วางเสร็วแล้วหรือยังครับ
ค่าใช้จ่ายเท่าไหร่ครับ
อัตราสิ้นเปลืองเป็นอย่างไรบ้างครับ
แรงสู้ 1gte ได้เปล่าครับ



 แสดงความคิดเห็นย่อย แสดงความคิดเห็นย่อย

tct392 จาก ระ 222.123.115.33 พฤหัสบดี, 24/12/2552 เวลา : 16:25  IP : 222.123.115.33   

edit แก้ไขคำตอบ   delete ลบคำตอบ 216505

คำตอบที่ 21
       วางเสร็จแล้วครับ ตอนนี้กำลังเก็บรายละเอียดอยู่ ยังไม่ได้วิ่งเลยครับ เดี๋ยววิ่งแล้วจะนำผลมารายงานให้ทราบกัน
ช่วงนี้ก็จะอัพเดทข้อมูลในการทำให้ได้รับทราบไปพลางๆก่อนครับ



 แสดงความคิดเห็นย่อย แสดงความคิดเห็นย่อย

Mr.Bj จาก Mr.Bj 61.90.251.186 พฤหัสบดี, 24/12/2552 เวลา : 16:31  IP : 61.90.251.186   

edit แก้ไขคำตอบ   delete ลบคำตอบ 216507

คำตอบที่ 22
       หน้าแปลนของชุดทรานเฟอร์ KZ สวมได้กับท้ายเกียร์ JZ พอดิบพอดีไม่ขาดไม่เกิน





 แสดงความคิดเห็นย่อย แสดงความคิดเห็นย่อย

Mr.Bj จาก Mr.Bj 124.121.195.138 พฤหัสบดี, 24/12/2552 เวลา : 20:59  IP : 124.121.195.138   

edit แก้ไขคำตอบ   delete ลบคำตอบ 216510

คำตอบที่ 23
       พัดลมหน้าสองตัวน่าจะสยบความร้อนได้อยู่หมัด





 แสดงความคิดเห็นย่อย แสดงความคิดเห็นย่อย

Mr.Bj จาก Mr.Bj 124.121.195.138 พฤหัสบดี, 24/12/2552 เวลา : 21:02  IP : 124.121.195.138   

edit แก้ไขคำตอบ   delete ลบคำตอบ 216511

คำตอบที่ 24
       พัดลมไฟฟ้าสองตัวนี้ใส่เข้าไปก็เต็มแผงคอยล์ร้อนแอร์พอดีเลย





 แสดงความคิดเห็นย่อย แสดงความคิดเห็นย่อย

Mr.Bj จาก Mr.Bj 124.121.195.138 พฤหัสบดี, 24/12/2552 เวลา : 21:06  IP : 124.121.195.138   

edit แก้ไขคำตอบ   delete ลบคำตอบ 216512

คำตอบที่ 25
       แบ็ตเตอรี่กับกระปุกน้ำมันพาวเวอร์ต้องย้ายมาไว้อีกฝั่ง

 แก้ไขเมื่อ : 24/12/2552 22:52:45





 แสดงความคิดเห็นย่อย แสดงความคิดเห็นย่อย

Mr.Bj จาก Mr.Bj 124.121.195.138 พฤหัสบดี, 24/12/2552 เวลา : 21:08  IP : 124.121.195.138   

edit แก้ไขคำตอบ   delete ลบคำตอบ 216513

คำตอบที่ 26
       เพราะที่อยู่เดิมของแบ๊ตเตอรี่โดนกรองอากาศยึดไปเสียแล้ว





 แสดงความคิดเห็นย่อย แสดงความคิดเห็นย่อย

Mr.Bj จาก Mr.Bj 124.121.195.138 พฤหัสบดี, 24/12/2552 เวลา : 21:11  IP : 124.121.195.138   

edit แก้ไขคำตอบ   delete ลบคำตอบ 216514

คำตอบที่ 27
       กล่องฟิวและรีเลย์ใช้ของเดิมแล้วก็เพิ่มเติมบางส่วนเข้าไป แต่ยังไงก็ต้องอยู่กล่องเดียวกันห้ามแตกแยก





 แสดงความคิดเห็นย่อย แสดงความคิดเห็นย่อย

Mr.Bj จาก Mr.Bj 124.121.195.138 พฤหัสบดี, 24/12/2552 เวลา : 21:14  IP : 124.121.195.138   

edit แก้ไขคำตอบ   delete ลบคำตอบ 216515

คำตอบที่ 28
       มอเตอร์ครุยคอนโทรล และชุดสายไฟควบคุมจากกล่อง ECU 6VD1 เดิมไม่แตะต้องปล่อยเค้าไว้อย่างเดิมเพื่อให้เค้าสามารถทำงานได้ตามปรกติ





 แสดงความคิดเห็นย่อย แสดงความคิดเห็นย่อย

Mr.Bj จาก Mr.Bj 124.121.195.138 พฤหัสบดี, 24/12/2552 เวลา : 21:21  IP : 124.121.195.138   

edit แก้ไขคำตอบ   delete ลบคำตอบ 216516

คำตอบที่ 29
       ตำแหน่งของช่องที่เอาชุดสายไฟควบคุมเครื่อง 1JZ-GTE VVT-i เข้าก็คือตำแหน่งช่องเก่าของปั๊มคลัส





 แสดงความคิดเห็นย่อย แสดงความคิดเห็นย่อย

Mr.Bj จาก Mr.Bj 124.121.195.138 พฤหัสบดี, 24/12/2552 เวลา : 21:24  IP : 124.121.195.138   

edit แก้ไขคำตอบ   delete ลบคำตอบ 216517

คำตอบที่ 30
       ออกมาโผล่ข้างในก็กลายเป็นแบบนี้





 แสดงความคิดเห็นย่อย แสดงความคิดเห็นย่อย

Mr.Bj จาก Mr.Bj 124.121.195.138 พฤหัสบดี, 24/12/2552 เวลา : 21:26  IP : 124.121.195.138   

edit แก้ไขคำตอบ   delete ลบคำตอบ 216518

      

ยังมีคำตอบมากกว่านี้นะครับ คลิ๊กเพื่อดูหน้าถัดไป


คำตอบแบ่งหน้าละ 30 คำตอบ ขณะนี้คุณอยู่ที่หน้า 1 จาก >>> 1  2  3  4  5  6  7  



website รองรับการใช้งานทุกระบบปฏิบัติการของ PC Tablet SmartPhone ทุกระบบสามารถโพสข้อความและรูปภาพได้โดยไม่ต้องย่อไฟล์
เพื่อความปลอดภัยในการใช้ website WeekendHobby.Com สมาชิก เท่านั้น จึงจะตั้งกระทู้ หรือ ตอบกระทู้ได้ครับ
Login Click ที่นี่
สมัครสมาชิก Click ที่นี่



Since 22, Feb 2001 hit counter View My Stats  Truehits.net      วันอาทิตย์,15 กุมภาพันธ์ 2569 (Online 4003 คน)