WeekendHobby.com
เครื่องมือในการใช้งาน website =>> สมัครสมาชิก | Login | Logout | เปลี่ยนไอคอนส่วนตัว | เกี่ยวกับเรา | ติดต่อโฆษณา         View stat by Truehits.net


ขอวิธีแก้ปัญหากระจกไฟฟ้า
tanyawat
จาก TCT518
IP:113.53.198.226

เสาร์ที่ , 26/12/2552
เวลา : 08:21

อ่านแล้ว = ครั้ง
 เก็บเข้ากระทู้ส่วนตัว
แจ้งตรวจสอบกระทู้
 แจ้งลบ
ส่งหาเพื่อน ส่งหาเพื่อน

       คือกระจกไฟฟ้าหลังซ้าย.....กดลงใด้อย่างเดียว
กดขึ้นไม่ใด้.......
ไม่ทราบว่าต้องตรวจสอบและเช็ค
ตรงใหนบ้าง.....
ขอบคุณทุกคำตอบครับ
ธัญวัฒน์ ภูเขียว



 แสดงความคิดเห็นย่อย แสดงความคิดเห็นย่อย

แจ้งเพื่อเก็บขึ้นกระทู้พิเศษ คลิ๊กที่นี่แจ้งเพื่อนำขึ้นกระทู้พิเศษ

คำตอบแบ่งหน้าละ 30 คำตอบ ขณะนี้คุณอยู่ที่หน้า 1 จาก >>> 1  

คำตอบที่ 1
       ลองดูก่อนนะครับ (เครดิต จากแผ่น ซีดี การซ่อมบำรุง trooper ที่รับมาจากท่านประธานครับ)
1. ถอดสวิทออกมาเป่า ทะความสะอาด สเปร์หน้าคอนแทค แล้วลองใหม่หากเหมือนเดิม ไปข้อ 2
2. เปลี่ยนสวิทจากหลังซ้ายมาใช้ หากใช้ได้ สวิทเสีย
3. หากยังใช้ไม่ได้ ลองเปิดแผงประตู ถอดสายไฟที่ต่อเข้าสวิทกระจกออก ลองหาสายไฟมาต่อไฟตรง ตรวจสอบมอเตอร์ว่าใช้ได้ไหม สับสายดูการขึ้นและลงของกระจก หากใช้ได้(ซึ่งต้องใช้ได้อยู่แล้ว) สวิทเสีย
หมายเหตุ
ของผมเสีย หน้าซ้าย และหลังทั้งสองด้านเลย กำลังมองหาสวิทมาเปลี่ยนครับ
คงต้องรอ สังสรรค์สมาชิกครั้งหน้า ลองยืมถอดของเพื่อนสมากชิกมาลองใส่ให้เห็นกันจะจะเลยว่า เสียจริงหรือเปล่า



 แสดงความคิดเห็นย่อย แสดงความคิดเห็นย่อย

bravo26 จาก บุ๊ค TCT222 118.173.248.39 เสาร์, 26/12/2552 เวลา : 13:25  IP : 118.173.248.39   

edit แก้ไขคำตอบ   delete ลบคำตอบ 216554

คำตอบที่ 2
       ขอแก้ไขข้อ 2.เปลี่ยนจากหลังขวามาใช้ทดสอบได้ครับเพราะเป็นแบบเดี่ยวกัน ผิดแค่รูปร่างครับ



 แสดงความคิดเห็นย่อย แสดงความคิดเห็นย่อย

bravo26 จาก บุ๊ค TCT222 118.173.248.39 เสาร์, 26/12/2552 เวลา : 13:29  IP : 118.173.248.39   

edit แก้ไขคำตอบ   delete ลบคำตอบ 216555

คำตอบที่ 3
       ขอบคุณครับท่านบุ๊ค
สำหรับแนวทางที่มีประโยชน์
ขอให้หาเจอใวๆนะครับสำหรับอะใหล่



 แสดงความคิดเห็นย่อย แสดงความคิดเห็นย่อย

tanyawat จาก TCT518 125.26.102.36 เสาร์, 26/12/2552 เวลา : 15:37  IP : 125.26.102.36   

edit แก้ไขคำตอบ   delete ลบคำตอบ 216558

คำตอบที่ 4
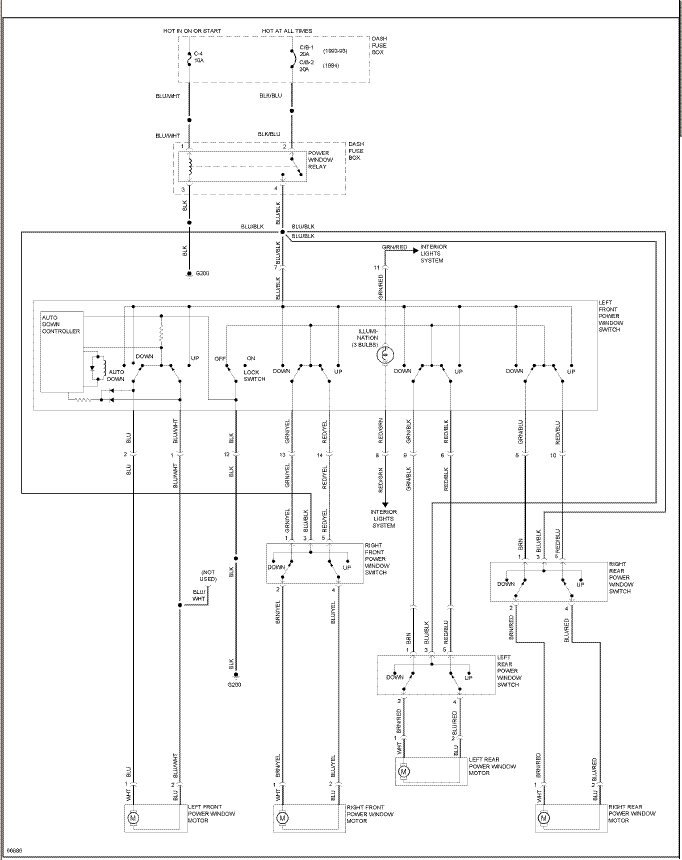
       Trooper XS ให้ตรวจสอบสวิทซ์ที่ประตูที่เสีย+สวิทซ์ที่ประตูคนขับด้วยครับเพราะว่ามันเอามาต่ออนุกรมกัน
ถ้า Trooper LS ให้ตรวจสอบ วงจรการควบคุมกระจกไฟฟ้า (Electronics) ส่วนมากรุ่นนี้สวิทซไม่ค่อยเสียแต่จะเสียที่ Relay ดังวงจรครับ






 แสดงความคิดเห็นย่อย แสดงความคิดเห็นย่อย

samranc จาก samranch 203.146.11.2 จันทร์, 28/12/2552 เวลา : 10:59  IP : 203.146.11.2   

edit แก้ไขคำตอบ   delete ลบคำตอบ 216567

คำตอบที่ 5
       ให้ช่างรื้อมาปรากฎว่าชิ้นส่วนขาวๆคล้ายลูกรอกสลิง
แตกและสลิงหลุดออกจากร่อง...พันกันมั่วตั้วเลย....
ถอดทิ้งใว้ร้านซ่อม.....
ไม่รู้จะซ่อมใด้ป่ะ....................
ถ้าซ่อมไม่ใด้...คงต้องเปลี่ยน
ท่านใดมีอะใหล่ใหม่หรือมือสอง...
กรุณาแจ้งราคา..หรือชี้เป้าให้ด้วยจะขอบพระคุณยิ่ง.......
ประตูหลังซ้ายนะครับ



 แสดงความคิดเห็นย่อย แสดงความคิดเห็นย่อย

tanyawat จาก TCT518 125.26.102.35 จันทร์, 28/12/2552 เวลา : 12:55  IP : 125.26.102.35   

edit แก้ไขคำตอบ   delete ลบคำตอบ 216572

      

คำตอบแบ่งหน้าละ 30 คำตอบ ขณะนี้คุณอยู่ที่หน้า 1 จาก >>> 1  



website รองรับการใช้งานทุกระบบปฏิบัติการของ PC Tablet SmartPhone ทุกระบบสามารถโพสข้อความและรูปภาพได้โดยไม่ต้องย่อไฟล์
เพื่อความปลอดภัยในการใช้ website WeekendHobby.Com สมาชิก เท่านั้น จึงจะตั้งกระทู้ หรือ ตอบกระทู้ได้ครับ
Login Click ที่นี่
สมัครสมาชิก Click ที่นี่



Since 22, Feb 2001 hit counter View My Stats  Truehits.net      วันอังคาร,23 ธันวาคม 2568 (Online 6856 คน)