WeekendHobby.com
เครื่องมือในการใช้งาน website =>> สมัครสมาชิก | Login | Logout | เปลี่ยนไอคอนส่วนตัว | เกี่ยวกับเรา | ติดต่อโฆษณา         View stat by Truehits.net


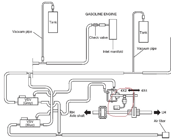
รบกวนช่วยดูหน่อยครับ ว่ามันเรียกว่าตัวอะไร?
k.noppadol
จาก TOP TCT066
IP:119.63.67.91

ศุกร์ที่ , 27/5/2554
เวลา : 10:13

อ่านแล้ว = ครั้ง
 เก็บเข้ากระทู้ส่วนตัว
แจ้งตรวจสอบกระทู้
 แจ้งลบ
ส่งหาเพื่อน ส่งหาเพื่อน

       ตำแหน่งอยู่บริเวณ ข้างเพลาขับหน้า ( ล้อหน้าซ้าย ) โดยมีสายไฟต่อออกมาจากตัวนี้ 2 เส้นครับ


 แสดงความคิดเห็นย่อย แสดงความคิดเห็นย่อย

แจ้งเพื่อเก็บขึ้นกระทู้พิเศษ คลิ๊กที่นี่แจ้งเพื่อนำขึ้นกระทู้พิเศษ

คำตอบแบ่งหน้าละ 30 คำตอบ ขณะนี้คุณอยู่ที่หน้า 1 จาก >>> 1  

คำตอบที่ 1
      





 แสดงความคิดเห็นย่อย แสดงความคิดเห็นย่อย

k.noppadol จาก TOP TCT066 119.63.67.91 ศุกร์, 27/5/2554 เวลา : 10:20  IP : 119.63.67.91   

edit แก้ไขคำตอบ   delete ลบคำตอบ 227877

คำตอบที่ 2
       Transfer Position Switch / Axle Position Switch

 แก้ไขเมื่อ : 29/5/2554 15:06:00



 แสดงความคิดเห็นย่อย แสดงความคิดเห็นย่อย

ป๊อก สายสี จาก ป๊อก สายสี่ 115.87.184.48 อาทิตย์, 29/5/2554 เวลา : 14:15  IP : 115.87.184.48   

edit แก้ไขคำตอบ   delete ลบคำตอบ 227897

คำตอบที่ 3
      





 แสดงความคิดเห็นย่อย แสดงความคิดเห็นย่อย

ป๊อก สายสี จาก ป๊อก สายสี่ 115.87.184.48 อาทิตย์, 29/5/2554 เวลา : 15:11  IP : 115.87.184.48   

edit แก้ไขคำตอบ   delete ลบคำตอบ 227898

คำตอบที่ 4
       ไปซื้อมาแล้วครับที่ GP ตัวเซ็นเซอร์ขับสี่ ราคา 650 บาท ครับ



 แสดงความคิดเห็นย่อย แสดงความคิดเห็นย่อย

k.noppadol จาก TOP TCT066 119.63.67.91 จันทร์, 30/5/2554 เวลา : 08:37  IP : 119.63.67.91   

edit แก้ไขคำตอบ   delete ลบคำตอบ 227903

      

คำตอบแบ่งหน้าละ 30 คำตอบ ขณะนี้คุณอยู่ที่หน้า 1 จาก >>> 1  



website รองรับการใช้งานทุกระบบปฏิบัติการของ PC Tablet SmartPhone ทุกระบบสามารถโพสข้อความและรูปภาพได้โดยไม่ต้องย่อไฟล์
เพื่อความปลอดภัยในการใช้ website WeekendHobby.Com สมาชิก เท่านั้น จึงจะตั้งกระทู้ หรือ ตอบกระทู้ได้ครับ
Login Click ที่นี่
สมัครสมาชิก Click ที่นี่



Since 22, Feb 2001 hit counter View My Stats  Truehits.net      วันพฤหัสบดี,25 ธันวาคม 2568 (Online 2103 คน)