WeekendHobby.com
เครื่องมือในการใช้งาน website =>> สมัครสมาชิก | Login | Logout | เปลี่ยนไอคอนส่วนตัว | เกี่ยวกับเรา | ติดต่อโฆษณา         View stat by Truehits.net


หาร้านซ่อมระบบไฟที่ปัดน้ำฝนครับ บ้านอยู่ปทุมธานีครับ
joetct378
จาก joe tct378
IP:125.25.238.43

อาทิตย์ที่ , 20/5/2555
เวลา : 06:55

อ่านแล้ว = ครั้ง
 เก็บเข้ากระทู้ส่วนตัว
แจ้งตรวจสอบกระทู้
 แจ้งลบ
ส่งหาเพื่อน ส่งหาเพื่อน

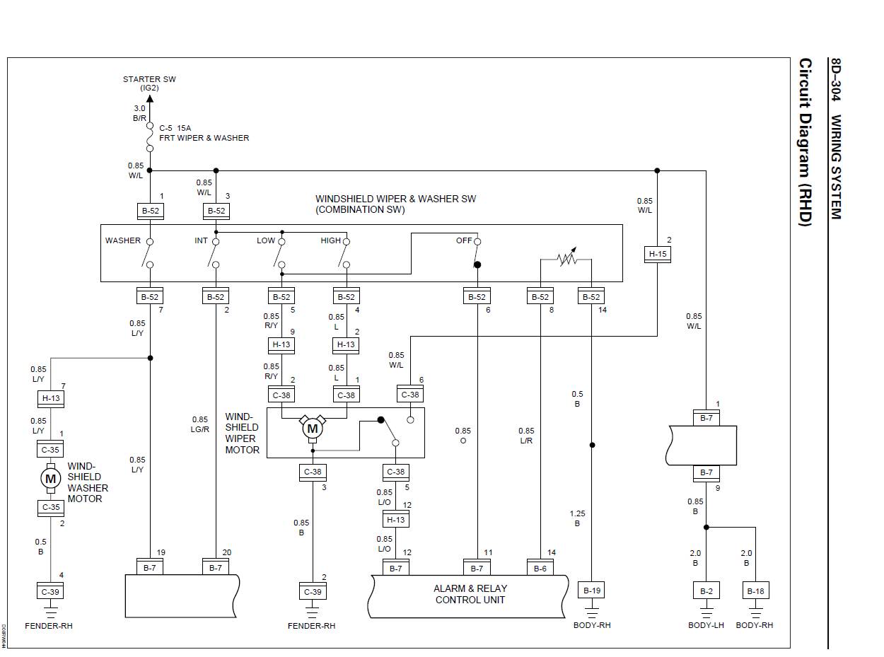
       คือว่าผมเปิดที่ปัดน้ำฝนแล้วมันไม่ทำงานต้องบิดสวิสกุญแจไปข้างหน้านิดนึงมันจึงทำงานพอปล่อยสวิสมันก็ไม่ทำงาน รบกวนพี่ชี้แนะหาร้านซ่อมด้วยครับ


 แสดงความคิดเห็นย่อย แสดงความคิดเห็นย่อย

แจ้งเพื่อเก็บขึ้นกระทู้พิเศษ คลิ๊กที่นี่แจ้งเพื่อนำขึ้นกระทู้พิเศษ

คำตอบแบ่งหน้าละ 30 คำตอบ ขณะนี้คุณอยู่ที่หน้า 1 จาก >>> 1  

คำตอบที่ 1
       รีเรย์ที่ปัดน้ำฝน น่าจะเสียครับ หามือ 2 มาเปลี่ยน
รีเรย์อยู่ในกล่องฟิวส์สีดำ เปิดฝากระโปรงรถมา จะอยู่ด้านซ้ายมือครับ



 แสดงความคิดเห็นย่อย แสดงความคิดเห็นย่อย

ตี๋ กทม. จาก ตี๋ กทม.TCT.031 182.53.53.100 อาทิตย์, 20/5/2555 เวลา : 16:00  IP : 182.53.53.100   

edit แก้ไขคำตอบ   delete ลบคำตอบ 232656

คำตอบที่ 2
       น่าจะเป็นที่ contact ในตัวสวิทช์มากกว่า





 แสดงความคิดเห็นย่อย แสดงความคิดเห็นย่อย

chalermsak จาก ปลาวาฬ 113.169.28.106 อาทิตย์, 20/5/2555 เวลา : 19:09  IP : 113.169.28.106   

edit แก้ไขคำตอบ   delete ลบคำตอบ 232658

คำตอบที่ 3
      





 แสดงความคิดเห็นย่อย แสดงความคิดเห็นย่อย

chalermsak จาก ปลาวาฬ 113.169.28.106 อาทิตย์, 20/5/2555 เวลา : 19:09  IP : 113.169.28.106   

edit แก้ไขคำตอบ   delete ลบคำตอบ 232659

คำตอบที่ 4
      





 แสดงความคิดเห็นย่อย แสดงความคิดเห็นย่อย

chalermsak จาก ปลาวาฬ 113.169.28.106 อาทิตย์, 20/5/2555 เวลา : 19:10  IP : 113.169.28.106   

edit แก้ไขคำตอบ   delete ลบคำตอบ 232660

คำตอบที่ 5
      





ขอบคุณครับแล้วผมจะไปซ่อมที่ไหนได้ครับ
จาก : joetct378(joetct378) 22/5/2555 12:18:56 [125.25.50.38]
 แสดงความคิดเห็นย่อย แสดงความคิดเห็นย่อย

chalermsak จาก ปลาวาฬ 113.169.28.106 อาทิตย์, 20/5/2555 เวลา : 19:10  IP : 113.169.28.106   

edit แก้ไขคำตอบ   delete ลบคำตอบ 232661

      

คำตอบแบ่งหน้าละ 30 คำตอบ ขณะนี้คุณอยู่ที่หน้า 1 จาก >>> 1  



website รองรับการใช้งานทุกระบบปฏิบัติการของ PC Tablet SmartPhone ทุกระบบสามารถโพสข้อความและรูปภาพได้โดยไม่ต้องย่อไฟล์
เพื่อความปลอดภัยในการใช้ website WeekendHobby.Com สมาชิก เท่านั้น จึงจะตั้งกระทู้ หรือ ตอบกระทู้ได้ครับ
Login Click ที่นี่
สมัครสมาชิก Click ที่นี่



Since 22, Feb 2001 hit counter View My Stats  Truehits.net      วันอาทิตย์,19 เมษายน 2569 (Online 1948 คน)