WeekendHobby.com
เครื่องมือในการใช้งาน website =>> สมัครสมาชิก | Login | Logout | เปลี่ยนไอคอนส่วนตัว | เกี่ยวกับเรา | ติดต่อโฆษณา         View stat by Truehits.net


"อ๊อกซิเจน เซ็นเซอร์"(Oxygen Sensor )สำหรับชาวทรูเปอร์เครื่องยนต์เบนซิน
Godzila
จาก
IP:203.156.26.150

พุธที่ , 5/9/2550
เวลา : 17:20

อ่านแล้ว = ครั้ง
 เก็บเข้ากระทู้ส่วนตัว
แจ้งตรวจสอบกระทู้
 แจ้งลบ
ส่งหาเพื่อน ส่งหาเพื่อน

       ถ้าไม่เกิด.. ก็ไม่คิดจะเปลี่ยน!สำหรับผู้ใช้รถบ้านเรา ไม่เว้นแม้แต่ตัวผมเอง!! คือหลายวันมานี่มักเกิดอาการแปลกๆ ตั้งแต่เริ่มวิ่งไปเบาๆแล้ว"ดับกลางอากาศ"???(ช่วงยังไม่ตัดเป็นโหมดแก็ส) วิ่งทางยาวต่างจังหวัดแล้วเกิดอากาศวูบเป็นพักๆขณะใช้ความเร็ว และล่าสุดเมื่อวานพอดับเครื่องที่ลานจอดแล้วสตาร์ทจะขยับใหม่... แซ้ดดดดดดๆๆๆๆๆ ยาว ไม่ติด

เอ๊ะ... รถผมไม่เคยเป็นอะไร?ไหงเกเรเกตุงละหว่าเนี่ย???

นั่งอ่านข้อมูลในอินเตอร์เน็ทซะตาแฉะ ทั้งภาษาไทยภาษาอังกฤษ แปลกันยุ่งเหยิง... ก็ยังไม่ได้ข้อสรุปชัดเจน จนกระทั่งเช้านี้ได้เค้าลางๆเกี่ยวกับระบบความสัมพันธ์ของอ๊อกซิเจนเซ็นเซอร์ Universal oxygen sensor electrical connector in Exhaust system ในระบบท่อไอเสียซึ่งประมวลผลที่ได้ไปยังกล่องควบคุมสมองกล ก่อนส่งสั่งคำสั่งเพื่อผสมสัดส่วนไปยังเชื้อเพลิงที่จุดไอดี

หลังคุยกับเพื่อนพักใหญ่แล้วโทรไปหาพี่วี(เพื่อแทรกคิวว่าง) จากนั้นก็โทรไปคุยกับพี่ตี๋ มีทางเป็นไปได้มั๊ยเกิดจากกรองเบนซินตัน? หรือปั๊มติ๊กในถังฯอ่อนล้า? ซึ่งอย่างหลังนี่มันออกจะเสียยาก มิหนำซ้ำถอดก็โคตะระยากอีกเช่นกัน! ส่วนกรองเบนซินนั้นคงง่าย เพราะโทรถามพี่ตี๋ถึงตำแหน่งแล้ว... ไม่มีปัญหา

สรุปโทรหาเฮียประวิทย์ขอเบอร์คุณหยอง.. เข้าไปเอาอ๊อกซิเจนเซ็นเซอร์แถวเกษตรตัดใหม่-นวมินทร์ (สี่แยกลาดปลาเค้า) ได้มาในราคา 1,400 บาท

รายละเอียดเอามาให้ดูกันครับ... เผื่อสมาชิกท่านใดมีปัญหาข้างต้นจะได้ซื้อเปลี่ยนกัน เห็นบอกว่าราคาในศูนย์นั้นหลายพัน(ไม่รู้ว่าเท่าไหร่? ใครเคยเปลี่ยนช่วยแจ้งด้วย)



 แสดงความคิดเห็นย่อย แสดงความคิดเห็นย่อย

แจ้งเพื่อเก็บขึ้นกระทู้พิเศษ คลิ๊กที่นี่แจ้งเพื่อนำขึ้นกระทู้พิเศษ

คำตอบแบ่งหน้าละ 30 คำตอบ ขณะนี้คุณอยู่ที่หน้า 3 จาก >>> 1  2  3  

คำตอบที่ 61
       มีอ็อกซิเจน เซนเซอร์เข้ามาแล้วครับ 089-1432141





 แสดงความคิดเห็นย่อย แสดงความคิดเห็นย่อย

จาก หยอง 58.8.141.100 พฤหัสบดี, 25/10/2550 เวลา : 13:54  IP : 58.8.141.100   

edit แก้ไขคำตอบ   delete ลบคำตอบ 160113

คำตอบที่ 62
       คุณหยองครับ ผมจองหนึ่งตัว พรุ่งนั้ไปเอาครับ



 แสดงความคิดเห็นย่อย แสดงความคิดเห็นย่อย

pravitch จาก วิทย์ TCT128 203.121.172.119 อังคาร, 30/10/2550 เวลา : 10:51  IP : 203.121.172.119   

edit แก้ไขคำตอบ   delete ลบคำตอบ 161691

คำตอบที่ 63
       เครื่องยนต์ดีเซีลคอมมอนเรล เทอร์โบ ต้องมี O2 sensorsด้วยรึเปล่าครับ..



 แสดงความคิดเห็นย่อย แสดงความคิดเห็นย่อย

จาก ทวี 125.25.68.211 อังคาร, 30/10/2550 เวลา : 16:12  IP : 125.25.68.211   

edit แก้ไขคำตอบ   delete ลบคำตอบ 161787

คำตอบที่ 64
       เครื่องยนต์ดีเซีลคอมมอนเรล เทอร์โบ ต้องมี O2 sensorsด้วยรึเปล่าครับ..



 แสดงความคิดเห็นย่อย แสดงความคิดเห็นย่อย

จาก ทวี 125.25.68.211 อังคาร, 30/10/2550 เวลา : 16:12  IP : 125.25.68.211   

edit แก้ไขคำตอบ   delete ลบคำตอบ 161787

คำตอบที่ 65
       พี่หยองผมได้รับของเรียบร้อยแล้วครับ สงสัยนิดเดียวในรูปของเดิมรูรับไอเสียเยอะกว่าของใหม่ มีผลต่อการรับไอเสียเพื่อไปประมวลค่าไหมครับ ของศูนย์เคยถามราคา 11,250.- บาท



 แสดงความคิดเห็นย่อย แสดงความคิดเห็นย่อย

จาก TCT261 61.19.65.213 อาทิตย์, 4/11/2550 เวลา : 08:50  IP : 61.19.65.213   

edit แก้ไขคำตอบ   delete ลบคำตอบ 162967

คำตอบที่ 66
      



 แสดงความคิดเห็นย่อย แสดงความคิดเห็นย่อย

จาก . 58.10.189.16 พุธ, 7/11/2550 เวลา : 16:49  IP : 58.10.189.16   

edit แก้ไขคำตอบ   delete ลบคำตอบ 163620

คำตอบที่ 67
       อ็อกซิเจน เซนเซอร์ เข้ามาแล้วครับ(มีแค่20 ตัว) 089-1432141 ต่างจังหวัดส่งทาง พกง.ให้ได้ครับ



 แสดงความคิดเห็นย่อย แสดงความคิดเห็นย่อย

จาก หยอง 58.8.138.182 พฤหัสบดี, 6/12/2550 เวลา : 11:39  IP : 58.8.138.182   

edit แก้ไขคำตอบ   delete ลบคำตอบ 167671

คำตอบที่ 68
       ของผมก็เป็นมานานมากแล้วครับ ขอบคุณครับที่ให้ของมูล แต่ไม่แน่ใจว่าตัวเองจะทำได้



 แสดงความคิดเห็นย่อย แสดงความคิดเห็นย่อย

จาก สิทธิวัฒน์(อ๊อด)TCT.111 125.24.176.230 อังคาร, 11/12/2550 เวลา : 11:05  IP : 125.24.176.230   

edit แก้ไขคำตอบ   delete ลบคำตอบ 168414

คำตอบที่ 69
       ของผมก็เป็นครับ ทนใช้มาตั้งนาน ต้องขอขอบคุณมากนะครับที่ให้ข้อมูล



 แสดงความคิดเห็นย่อย แสดงความคิดเห็นย่อย

จาก สิทธิวัฒน์(อ๊อด)TCT.111 125.24.176.230 อังคาร, 11/12/2550 เวลา : 11:11  IP : 125.24.176.230   

edit แก้ไขคำตอบ   delete ลบคำตอบ 168423

คำตอบที่ 70
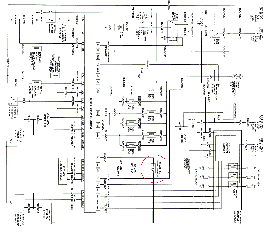
       จากคำตอบที่ 59
"เซ็นเซอร์ฯตรงท่อไอดีให้ทางอู่ถอดออกมาล้างทำความสะอาดก็พอ.. เป็นคนละตัวกับท่อไอเสีย ทำหน้าที่เหมือนกัน แต่ใช้ทดแทนกันไม่ได้ "
ผมดูในวงจรแล้วมันน่าจะเป็น Temperature Sensor นะครับ O2 Sensor น่าจะมีตัวเดียวที่ท่อไอเสียครับ





 แสดงความคิดเห็นย่อย แสดงความคิดเห็นย่อย

จาก SamranC TCT284 203.146.11.2 พฤหัสบดี, 20/12/2550 เวลา : 08:35  IP : 203.146.11.2   

edit แก้ไขคำตอบ   delete ลบคำตอบ 170345

คำตอบที่ 71
       ผมใช้โตโยต้า เพิ่งเปลี่ยนมา โดนไป 1500 บาท แพงไปมั้ยครับ
อาการก่อนเปลี่ยนก็วิ่งไม่เรียบ มีสะดุด พอเบาก็เกือบจะดับ หรือบางทีดับไปเลยก็มี
เพิ่งรู้จักเจ้าตัวนี้ ก็ครั้งนี้ล่ะครับ เลยไม่รู้ว่า 1500 นี่แพงไปป่าวอ่ะ



 แสดงความคิดเห็นย่อย แสดงความคิดเห็นย่อย

จาก TripleC 203.154.157.253 จันทร์, 25/2/2551 เวลา : 14:38  IP : 203.154.157.253   

edit แก้ไขคำตอบ   delete ลบคำตอบ 182264

คำตอบที่ 72
       เข้ามาอ่านกระทู้นี้แล้วได้ความรู้มากเลย....รถผมตอนนี้ตอนรอบเดินเบาจะไม่นิ่ง...ขึ้นๆลงๆ บางทีก็ดับกลางอากาศเลย(กลางแยกก็เคยมาแล้ว!!!!!หุหุ..)ชมรมนี้ดีจริงๆครับ...มีเรื่องอะไรก็เอาข้อมูลมาแบ่งปันกัน)...ไม่รู้ว่าที่คุณหยอง ยังมีของอยู่อีกมั้ย???....เด๋วตอนเช้าจะลองติดต่อดู...จะได้หายซักที หลังจากเปลี่ยนแล้วจะรายงานผลให้ทราบน่ะครับ....ขอบคุณมากครับ



 แสดงความคิดเห็นย่อย แสดงความคิดเห็นย่อย

จาก TCT360 yuiiiii 202.149.24.129 พุธ, 21/5/2551 เวลา : 02:08  IP : 202.149.24.129   

edit แก้ไขคำตอบ   delete ลบคำตอบ 196548

คำตอบที่ 73
       ขอบคุณคับหาอยู่ผอดีเลยคับ



 แสดงความคิดเห็นย่อย แสดงความคิดเห็นย่อย

จาก nuy 58.8.118.137 อังคาร, 14/10/2551 เวลา : 17:46  IP : 58.8.118.137   

edit แก้ไขคำตอบ   delete ลบคำตอบ 205562

คำตอบที่ 74
       รถแจ็ส ปี 2005 มีปัญหาเจอน้ำท่วม เร่งเบา ไม่ออก
ไฟติด ศูนย์บอกว่า เซ้นเซอร์อ๊อกซิเจน อาจเสื่อม (ตัวแรก) ราคาแพงมาก ไม่ทราบว่า เป็นตัวเดียวกัน ใช้ได้เหมือนกันไหมคับ
ตอบด้วย
ขอบคุณ



 แสดงความคิดเห็นย่อย แสดงความคิดเห็นย่อย

จาก ann 125.25.54.113 อาทิตย์, 24/5/2552 เวลา : 12:57  IP : 125.25.54.113   

edit แก้ไขคำตอบ   delete ลบคำตอบ 210200

คำตอบที่ 75
       ไม่แน่ว่าจะใช่อาการที่ว่าหรือไม่นะครับเสียตังค์ เปล่า ลองดูตัวอื่นๆๆก่อน ค่อยสรุป ตังค์มีเมื่อไหร่ก็ได้ถ้า" ใช่" ล้างปีกผีเสื้อ เปลี่ยนกรองอากาศ หัวเทียน สายหัวเทียนอย่ามองข้าม คอยล์ ลองเช็คก่อนที่จะเสียตัวค์แล้ว ไม่นี้หว่า



 แสดงความคิดเห็นย่อย แสดงความคิดเห็นย่อย

จาก pongTCT52 124.122.18.63 อาทิตย์, 24/5/2552 เวลา : 13:13  IP : 124.122.18.63   

edit แก้ไขคำตอบ   delete ลบคำตอบ 210201

คำตอบที่ 76
       ผมใช้ทรูเปอร์ปี 97 ติดตั้งแก็ส ระบบหัวฉีดแล้ว ใช้มาประมาณ 1 ปี ตอนนี้ สตาร์ทน้ำมันไม่ได้ แก็สก็ไม่ได้ ช่างติดแก็สไล่ดูระบบทุกอย่างก็ปกติแต่มัน สตาร์ทไม่ติดเฉยๆ ไม่รู้จะเข้าข่าย ต้องเปลี่ยน ออกซิเจนเซนเซอร์รึเปล่าครับ ใครรู้โปรดแนะนำด้วยครับ ขอบพระคุณอย่างสูงครับ



 แสดงความคิดเห็นย่อย แสดงความคิดเห็นย่อย

จาก TumKorat 202.44.210.34 อังคาร, 28/7/2552 เวลา : 14:56  IP : 202.44.210.34   

edit แก้ไขคำตอบ   delete ลบคำตอบ 212281

คำตอบที่ 77
       ผมเดานะครับ ผมคิดว่าจำเลยน่าจะเป้นปั๊มติคเสียเพราะถ้าน้ำมันไม่ขึ้นมันก็สตาร์ทไม่ติดทั้งสองอย่างเพราะแก็สรถคุณเป็นระบบหัวฉีด ถ้าใช่ก็ไม่ควรใช้แก็ซโซฮอล์ลอีกและถ้าอยากเสียเงินน้อยก็ไปคบกับปั๊มติค2j boเพราะของแท้เบิกห้างเกือบหมื่น ขอให้โชคดี



 แสดงความคิดเห็นย่อย แสดงความคิดเห็นย่อย

จาก trooper9191 124.122.176.84 อังคาร, 28/7/2552 เวลา : 20:10  IP : 124.122.176.84   

edit แก้ไขคำตอบ   delete ลบคำตอบ 212291

คำตอบที่ 78
       รถผมมิตซูเก๋งอีคาร์ 1600 cc เครื่อง 4G92 sohc แคมเดียวเกียร์ธรรมดา ใช้ O2 sensor ตัวที่ว่านี้ได้มั้ยครับ
ถ้าได้ผมจะโทรสั่งซื้อครับ ขอบคุณครับ

ภานุ 08-3374-4958






 แสดงความคิดเห็นย่อย แสดงความคิดเห็นย่อย

จาก ภานุ 125.26.106.15 พุธ, 29/7/2552 เวลา : 06:19  IP : 125.26.106.15   

edit แก้ไขคำตอบ   delete ลบคำตอบ 212295

คำตอบที่ 79
       ขอบคุณมากครับ คุณTrooper9191 ที่ให้คำแนะนำผมจะลองดูครับ



 แสดงความคิดเห็นย่อย แสดงความคิดเห็นย่อย

จาก TumKorat 203.149.16.44 พุธ, 29/7/2552 เวลา : 11:16  IP : 203.149.16.44   

edit แก้ไขคำตอบ   delete ลบคำตอบ 212303

คำตอบที่ 80
       สวัสดีครับ รถของพี่สาวผมอาการคล้ายๆอย่างนี้เลยครับ คือ พอสตาร์ทแล้วเหยียบคันเร่งรอบจะตก วูบเป็นพัก พอเปลียนเป็นแก็สขับไปโอเคครับ แต่มีบางทีที่จอดอยู่กับที่แล้วเหมือนเครื่องจะดับ พอเปลี่ยนกลับมาเป็นน้ำมันปัญหามาทันทีเลย วูบบ่อยมาก + บางทีดับกลางสี่แยกซะงั้น ต้องพยายามสตาร์ทอยู่นานกว่าจะติด ยิ่งรถติดแล้วขึ้นสะพานเนี้ยเร่งไม่ขึ้นเลย พออ่านกระทู้นี้ใช่เลยครับ

รบกวนขอเบอร์มือถืออู่ซ่อม(พี่วี) กับ เบอร์มือถือ คุณหยองหน่อยครับ



 แสดงความคิดเห็นย่อย แสดงความคิดเห็นย่อย

trooperman จาก Oat 223.205.17.118 อังคาร, 12/10/2553 เวลา : 19:10  IP : 223.205.17.118   

edit แก้ไขคำตอบ   delete ลบคำตอบ 223242

คำตอบที่ 81
       ขอโทษที่ครับโพสซ้ำ


 แก้ไขเมื่อ : 12/10/2553 19:21:22



 แสดงความคิดเห็นย่อย แสดงความคิดเห็นย่อย

trooperman จาก Oat 223.205.17.118 อังคาร, 12/10/2553 เวลา : 19:19  IP : 223.205.17.118   

edit แก้ไขคำตอบ   delete ลบคำตอบ 223243

คำตอบที่ 82
       อาการของผมก็คล้ายกันอะคับ trooper xs 96 เบนซิน ไม่ทราบว่าตอนนี้ยังมีของอยู่อีกหรือป่าวครับ



 แสดงความคิดเห็นย่อย แสดงความคิดเห็นย่อย

mandark จาก ไก๋ TCT.586 125.27.65.7 จันทร์, 25/10/2553 เวลา : 17:17  IP : 125.27.65.7   

edit แก้ไขคำตอบ   delete ลบคำตอบ 223471

คำตอบที่ 83
       วิ่งไป 260,000 กว่าแล้ว trooper xs 94 อยากได้ ชุดนึงครับ ไว้เปลี่ยนตอน 300,000 กม.ครับ



 แสดงความคิดเห็นย่อย แสดงความคิดเห็นย่อย

sawaengc จาก TCT574 110.168.152.112 พฤหัสบดี, 28/10/2553 เวลา : 21:38  IP : 110.168.152.112   

edit แก้ไขคำตอบ   delete ลบคำตอบ 223548

คำตอบที่ 84
       ลองให้ช่างถอดออกมาทำความสะอาดดูก่อนครับ อาจจะไม่เสียสะตังค์
รถผมวิ่งไป 3 แสนกว่าแล้วยังไม่เสียเลยครับ



 แสดงความคิดเห็นย่อย แสดงความคิดเห็นย่อย

ตี๋ กทม. จาก ตี๋ กทม.TCT.031 125.25.232.88 ศุกร์, 29/10/2553 เวลา : 00:52  IP : 125.25.232.88   

edit แก้ไขคำตอบ   delete ลบคำตอบ 223556

คำตอบที่ 85
       พี่ตี๋ครับ
1. ถ้าจะถอดทำความสะอาดเอง ได้หรือไม่ (ดูตำแหน่งตามรูปด้านบน)
2. และต้องใช้น้ำยาล้าง หรือใช้น้ำผสมผงซักฟอก
อยากลอง DIY ครับ



 แสดงความคิดเห็นย่อย แสดงความคิดเห็นย่อย

sawaengc จาก TCT574 58.9.55.72 ศุกร์, 29/10/2553 เวลา : 09:03  IP : 58.9.55.72   

edit แก้ไขคำตอบ   delete ลบคำตอบ 223559

คำตอบที่ 86
       สวัสดีครับ

อยากทราบว่าใช้อะไรล้างครับ เพราะตอนนี้รถผม เดินไม่เรียบ ทั้งน้ำมัน และ แกส เลยสงสัย ออกซิเจน เซนเซอร์ ครับ



 แสดงความคิดเห็นย่อย แสดงความคิดเห็นย่อย

monthian จาก MON RY TCT 581 125.27.95.73 เสาร์, 30/10/2553 เวลา : 18:19  IP : 125.27.95.73   

edit แก้ไขคำตอบ   delete ลบคำตอบ 223577

คำตอบที่ 87
       พี่ตี๋ครับ...
ถ้าทำความสะอาดด้วยตัวเอง(O2 ยังไม่เสียแต่ไม่เคยเปลี่ยน
เลขไมล์ ยังไม่ถึง 150000 Km เลย)
จะใช้อะไรหรือน้ำยาอะไรทำความสะอาดเป็นพิเศษ
หรือป่าวครับ



 แสดงความคิดเห็นย่อย แสดงความคิดเห็นย่อย

super95 จาก kittisak 183.88.249.58 อังคาร, 12/7/2554 เวลา : 20:02  IP : 183.88.249.58   

edit แก้ไขคำตอบ   delete ลบคำตอบ 228796

คำตอบที่ 88
       มี O2 sensor ของ Denso
อันละื 700 ครับ
0834410143





 แสดงความคิดเห็นย่อย แสดงความคิดเห็นย่อย

9073 จาก Rin 58.97.37.61 อังคาร, 30/8/2554 เวลา : 08:19  IP : 58.97.37.61   

edit แก้ไขคำตอบ   delete ลบคำตอบ 229546

คำตอบที่ 89
       เหลือตัวเดียวแล้วครับ



 แสดงความคิดเห็นย่อย แสดงความคิดเห็นย่อย

9073 จาก Rin 58.97.37.61 อังคาร, 30/8/2554 เวลา : 18:06  IP : 58.97.37.61   

edit แก้ไขคำตอบ   delete ลบคำตอบ 229547

คำตอบที่ 90
       ขอรับไว้ครับสำหรับตัวสุดท้าย TCT 511 ติดต่อ 081-7363068 ทุกเวลาครับ..ขอบคุณครับ



 แสดงความคิดเห็นย่อย แสดงความคิดเห็นย่อย

tachem จาก tachem 125.27.195.179 อังคาร, 30/8/2554 เวลา : 23:17  IP : 125.27.195.179   

edit แก้ไขคำตอบ   delete ลบคำตอบ 229552

      

คำตอบแบ่งหน้าละ 30 คำตอบ ขณะนี้คุณอยู่ที่หน้า 3 จาก >>> 1  2  3  



website รองรับการใช้งานทุกระบบปฏิบัติการของ PC Tablet SmartPhone ทุกระบบสามารถโพสข้อความและรูปภาพได้โดยไม่ต้องย่อไฟล์
เพื่อความปลอดภัยในการใช้ website WeekendHobby.Com สมาชิก เท่านั้น จึงจะตั้งกระทู้ หรือ ตอบกระทู้ได้ครับ
Login Click ที่นี่
สมัครสมาชิก Click ที่นี่



Since 22, Feb 2001 hit counter View My Stats  Truehits.net      วันเสาร์,20 ธันวาคม 2568 (Online 3499 คน)