WeekendHobby.com
เครื่องมือในการใช้งาน website =>> สมัครสมาชิก | Login | Logout | เปลี่ยนไอคอนส่วนตัว | เกี่ยวกับเรา | ติดต่อโฆษณา         View stat by Truehits.net


รีวิว USB-GPS กับ Notebook ครับ

จาก ZEEDLESS Micro
IP:58.8.229.175

อังคารที่ , 26/6/2550
เวลา : 20:12

อ่านแล้ว = ครั้ง
 เก็บเข้ากระทู้ส่วนตัว
แจ้งตรวจสอบกระทู้
 แจ้งลบ
ส่งหาเพื่อน ส่งหาเพื่อน

       สำหรับท่านที่มี Notebook และสนใจที่จะเริ่มเล่น GPS ลองดูรีวิวนี้นะครับ

http://www.zeedless.com/smfwb/index.php?topic=10.0






 แสดงความคิดเห็นย่อย แสดงความคิดเห็นย่อย

แจ้งเพื่อเก็บขึ้นกระทู้พิเศษ คลิ๊กที่นี่แจ้งเพื่อนำขึ้นกระทู้พิเศษ

คำตอบแบ่งหน้าละ 30 คำตอบ ขณะนี้คุณอยู่ที่หน้า 1 จาก >>> 1  2  3  4  

คำตอบที่ 1
       ขอโทษทีครับที่เข้าไปแล้วไม่มีภาพให้ดู แต่ตอนนี้ดูได้แล้วนะครับ ขอบคุณคับ



 แสดงความคิดเห็นย่อย แสดงความคิดเห็นย่อย

จาก ZEEDLESS Micro 58.8.103.220 พุธ, 27/6/2550 เวลา : 18:29  IP : 58.8.103.220   

edit แก้ไขคำตอบ   delete ลบคำตอบ 4745

คำตอบที่ 2
       ราคาเท่าไร



 แสดงความคิดเห็นย่อย แสดงความคิดเห็นย่อย

จาก kuk 124.120.106.240 ศุกร์, 16/11/2550 เวลา : 17:14  IP : 124.120.106.240   

edit แก้ไขคำตอบ   delete ลบคำตอบ 6896

คำตอบที่ 3
       น่าสนใจครับมีโน๊ตบุคส์แล้ว สนใจอุปกรณ์GPS และโปรแกรมแผนที่ พร้อมใช้งานราคาเท่าไรครับ
TNC1964@HOTMAIL.COM



 แสดงความคิดเห็นย่อย แสดงความคิดเห็นย่อย

จาก tnc 203.113.51.73 พฤหัสบดี, 29/11/2550 เวลา : 13:52  IP : 203.113.51.73   

edit แก้ไขคำตอบ   delete ลบคำตอบ 7389

คำตอบที่ 4
       http://www2.se-ed.net/zeedless/GPS_Thumb001S.htm



 แสดงความคิดเห็นย่อย แสดงความคิดเห็นย่อย

จาก ผ่านทาง 203.172.210.49 พฤหัสบดี, 29/11/2550 เวลา : 19:56  IP : 203.172.210.49   

edit แก้ไขคำตอบ   delete ลบคำตอบ 7405

คำตอบที่ 5
       ผมสนใจมากครับ อยากทราบรายละเอียดเพื่มเติมครับ
chrog@hotmail.com



 แสดงความคิดเห็นย่อย แสดงความคิดเห็นย่อย

จาก chrog 58.8.166.2 พุธ, 12/12/2550 เวลา : 18:23  IP : 58.8.166.2   

edit แก้ไขคำตอบ   delete ลบคำตอบ 8007

คำตอบที่ 6
       สนใจครับขอทราบรายละเอียด preecha2238@hotmail.com, 0814668995



 แสดงความคิดเห็นย่อย แสดงความคิดเห็นย่อย

จาก preecha2238@hotmail.com 124.121.160.3 อาทิตย์, 30/12/2550 เวลา : 17:22  IP : 124.121.160.3   

edit แก้ไขคำตอบ   delete ลบคำตอบ 8717

คำตอบที่ 7
       สนใจครับขอทราบรายละเอียด stongnoy@gmail.com




 แสดงความคิดเห็นย่อย แสดงความคิดเห็นย่อย

จาก pong 192.55.18.36 ศุกร์, 11/1/2551 เวลา : 22:28  IP : 192.55.18.36   

edit แก้ไขคำตอบ   delete ลบคำตอบ 8835

คำตอบที่ 8
       สนใจครับขอทราบรายละเอียด E20XDL@HOTMAIL.COM



 แสดงความคิดเห็นย่อย แสดงความคิดเห็นย่อย

จาก XDL 58.181.223.98 จันทร์, 21/1/2551 เวลา : 14:14  IP : 58.181.223.98   

edit แก้ไขคำตอบ   delete ลบคำตอบ 8939

คำตอบที่ 9
       สนใจครับขอทราบรายละเอียด kchalermkiat@tns.th.com



 แสดงความคิดเห็นย่อย แสดงความคิดเห็นย่อย

จาก เก่ง 61.90.216.139 อังคาร, 29/1/2551 เวลา : 12:51  IP : 61.90.216.139   

edit แก้ไขคำตอบ   delete ลบคำตอบ 8954

คำตอบที่ 10
       สนใจครับขอทราบรายละเอียด touch_m@hotmail.com



 แสดงความคิดเห็นย่อย แสดงความคิดเห็นย่อย

จาก ziix 202.183.135.90 อังคาร, 29/1/2551 เวลา : 17:12  IP : 202.183.135.90   

edit แก้ไขคำตอบ   delete ลบคำตอบ 8955

คำตอบที่ 11
       ผมสนใจมากครับ อยากทราบรายละเอียดเพื่มเติมครับ tuktuk_you@hotmail.com



 แสดงความคิดเห็นย่อย แสดงความคิดเห็นย่อย

จาก tuk 222.123.222.10 อาทิตย์, 3/2/2551 เวลา : 12:34  IP : 222.123.222.10   

edit แก้ไขคำตอบ   delete ลบคำตอบ 8959

คำตอบที่ 12
       สนใจครับ มีโน้ตบุคอยู่แล้ว จะซื้อให้แฟนครับ...korakot_0763@hotmail.com กรุณาส่งรายละเอียดและราคาให้ด้วยนะครับ อยากจะลองเล่นบ้าง...



 แสดงความคิดเห็นย่อย แสดงความคิดเห็นย่อย

จาก korakot 58.8.12.165 อาทิตย์, 3/2/2551 เวลา : 17:56  IP : 58.8.12.165   

edit แก้ไขคำตอบ   delete ลบคำตอบ 8960

คำตอบที่ 13
       สนใจมากๆ เผื่อจะใช้ประโยชน์ได้มากๆ ขอรายละเอียดนะครับ n_sarayooth@hotmail.com



 แสดงความคิดเห็นย่อย แสดงความคิดเห็นย่อย

จาก Aek 202.151.4.104 พุธ, 6/2/2551 เวลา : 12:05  IP : 202.151.4.104   

edit แก้ไขคำตอบ   delete ลบคำตอบ 8963

คำตอบที่ 14
      



 แสดงความคิดเห็นย่อย แสดงความคิดเห็นย่อย

pinijpong จาก งุ๊ 118.172.227.174 พฤหัสบดี, 7/2/2551 เวลา : 11:19  IP : 118.172.227.174   

edit แก้ไขคำตอบ   delete ลบคำตอบ 8964

คำตอบที่ 15
       สนใจครับขอรายละเอียดด้วยครับ am.5152513@hotmail.com



 แสดงความคิดเห็นย่อย แสดงความคิดเห็นย่อย

pinijpong จาก งุ๊ 118.172.227.174 พฤหัสบดี, 7/2/2551 เวลา : 11:21  IP : 118.172.227.174   

edit แก้ไขคำตอบ   delete ลบคำตอบ 8965

คำตอบที่ 16
       ราคาเท่าไรครับ



 แสดงความคิดเห็นย่อย แสดงความคิดเห็นย่อย

จาก wor.1952@thaimai.l.com 203.113.57.132 ศุกร์, 8/2/2551 เวลา : 12:33  IP : 203.113.57.132   

edit แก้ไขคำตอบ   delete ลบคำตอบ 8967

คำตอบที่ 17
       ขอด้วยครับ jack_aonjack@hotmail.com



 แสดงความคิดเห็นย่อย แสดงความคิดเห็นย่อย

จาก jack 202.91.18.192 พฤหัสบดี, 21/2/2551 เวลา : 19:21  IP : 202.91.18.192   

edit แก้ไขคำตอบ   delete ลบคำตอบ 8972

คำตอบที่ 18
       ขอรายละเอียดด้วยครับ / ราคาเท่าไหร่
winai.c@thaibev.com



 แสดงความคิดเห็นย่อย แสดงความคิดเห็นย่อย

จาก บังนัย 125.26.69.87 อาทิตย์, 24/2/2551 เวลา : 11:02  IP : 125.26.69.87   

edit แก้ไขคำตอบ   delete ลบคำตอบ 8977

คำตอบที่ 19
       ขอรายละเอียดด้วยครับ / ราคาเท่าไหร่
teemetha@hotmail.com



 แสดงความคิดเห็นย่อย แสดงความคิดเห็นย่อย

จาก ใหญ่ 124.121.110.227 อาทิตย์, 24/2/2551 เวลา : 20:35  IP : 124.121.110.227   

edit แก้ไขคำตอบ   delete ลบคำตอบ 8978

คำตอบที่ 20
       ขอรายละเอียดและราคาด้วย ขอบคุณครับ
sert1180@hotmail.com



 แสดงความคิดเห็นย่อย แสดงความคิดเห็นย่อย

ขอนเก่า จาก ขอนเก่า 222.123.46.21 อังคาร, 26/2/2551 เวลา : 18:21  IP : 222.123.46.21   

edit แก้ไขคำตอบ   delete ลบคำตอบ 8986

คำตอบที่ 21
       ขอรายละเอียดราคาด้วยครับ
hubchixbossno1@hotmail.com



 แสดงความคิดเห็นย่อย แสดงความคิดเห็นย่อย

จาก ตจว. 118.172.130.47 พุธ, 27/2/2551 เวลา : 21:44  IP : 118.172.130.47   

edit แก้ไขคำตอบ   delete ลบคำตอบ 8988

คำตอบที่ 22
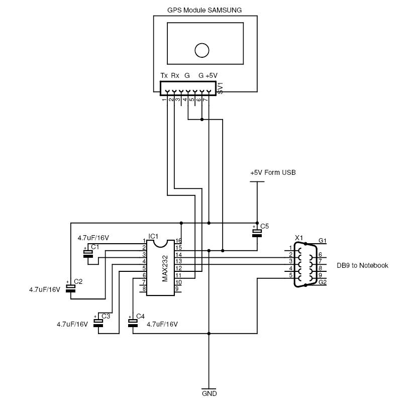
       เอาไปลองกันครับ เอามาให้ดู ผมเองใช้อยู่ พอดีมี Module GPS ของ Ubox กะ Samsung ได้มา 350 บาทร้านใต้บันได แต่ของหมดแล้วมีคนไปเหมามาขาย 580 บาท ไม่น่าทำกันเลย ผมต่กะ Notebook ผ่าน comport ใช้ไฟ 5V จาก USB Port ทำงานดีมากๆๆต่อไปกะลังจะหา Module Bluetooth ของร้าน es.co.th มาต่อ อยากใช้กะ N73 มันแถมแผนที่มาให้ตอนนี้เก็บเงินอยู่ ครับ ท่านที่ขาย Module ราคาแพงเห็นใจเพือ่นๆๆเถอะครับยังมีสมาชิกอีกหลายคนอยากเล่น ใครสนใจลองติ ดต่อมาได้ครับ e21qjp@hotmail.com





 แสดงความคิดเห็นย่อย แสดงความคิดเห็นย่อย

จาก beck 203.170.171.144 พฤหัสบดี, 28/2/2551 เวลา : 16:44  IP : 203.170.171.144   

edit แก้ไขคำตอบ   delete ลบคำตอบ 8989

คำตอบที่ 23
       4ภาพเล็กไปนิดนะครับว่างๆๆจะเอาแบบแจ่มๆๆมา up ให้ครับ





 แสดงความคิดเห็นย่อย แสดงความคิดเห็นย่อย

จาก beck 203.170.171.144 พฤหัสบดี, 28/2/2551 เวลา : 17:13  IP : 203.170.171.144   

edit แก้ไขคำตอบ   delete ลบคำตอบ 8990

คำตอบที่ 24
       อีกรูปครับ ตัวเป็นๆๆเลยรับดีมากผมอยู่ห่างจากหน้าต่างประมาณ 2เมตรรับได้สบายวันหลังจะ Cap. หน้าจอมาให้ดูครับ





 แสดงความคิดเห็นย่อย แสดงความคิดเห็นย่อย

จาก beck 203.170.171.144 พฤหัสบดี, 28/2/2551 เวลา : 17:16  IP : 203.170.171.144   

edit แก้ไขคำตอบ   delete ลบคำตอบ 8991

คำตอบที่ 25
       ขอข้อมูลได้ใหมครับพี่กำลังศึกษาไว้เป็นความรู้
psuwar@gmail.com



 แสดงความคิดเห็นย่อย แสดงความคิดเห็นย่อย

จาก สุวรรณ์ 125.25.94.251 จันทร์, 10/3/2551 เวลา : 18:22  IP : 125.25.94.251   

edit แก้ไขคำตอบ   delete ลบคำตอบ 8997

คำตอบที่ 26
       http://www.thaisecondhand.com/_board/ct/data/CT6300159.html ลองดูนี่นะครับ อยากได้ข้อมูลเพิ่มเติม สอบถามได้



 แสดงความคิดเห็นย่อย แสดงความคิดเห็นย่อย

จาก pop 58.9.159.194 อังคาร, 11/3/2551 เวลา : 07:03  IP : 58.9.159.194   

edit แก้ไขคำตอบ   delete ลบคำตอบ 8998

คำตอบที่ 27
       สนใจมากครับขอรายละเอียดหน่อยนะครับrorob1999@hotmail.com



 แสดงความคิดเห็นย่อย แสดงความคิดเห็นย่อย

rorob จาก นายหนึ่ง 124.120.71.168 พุธ, 12/3/2551 เวลา : 09:49  IP : 124.120.71.168   

edit แก้ไขคำตอบ   delete ลบคำตอบ 9000

คำตอบที่ 28
       สนใจต้องการซื้อครับ ขอรายละเอียดด้วยครับ
Winaichootong865@hotmail.com



 แสดงความคิดเห็นย่อย แสดงความคิดเห็นย่อย

จาก บังยะลา 117.47.189.231 อังคาร, 18/3/2551 เวลา : 20:40  IP : 117.47.189.231   

edit แก้ไขคำตอบ   delete ลบคำตอบ 9013

คำตอบที่ 29
       สนใจมากค่ะ ต้องการซื้อด้วยค่ะ ขอทราบรายละเอียดด่วนค่ะ
salimgeo22@hotmail.com



 แสดงความคิดเห็นย่อย แสดงความคิดเห็นย่อย

จาก Salim 202.57.149.82 อังคาร, 1/4/2551 เวลา : 11:07  IP : 202.57.149.82   

edit แก้ไขคำตอบ   delete ลบคำตอบ 9035

คำตอบที่ 30
       สนใจครับ.อยากเล่นด้วยคน

hs3qqq@gmail.com



 แสดงความคิดเห็นย่อย แสดงความคิดเห็นย่อย

nikom786 จาก kom 125.26.111.106 อังคาร, 1/4/2551 เวลา : 15:52  IP : 125.26.111.106   

edit แก้ไขคำตอบ   delete ลบคำตอบ 9037

      

ยังมีคำตอบมากกว่านี้นะครับ คลิ๊กเพื่อดูหน้าถัดไป


คำตอบแบ่งหน้าละ 30 คำตอบ ขณะนี้คุณอยู่ที่หน้า 1 จาก >>> 1  2  3  4  



website รองรับการใช้งานทุกระบบปฏิบัติการของ PC Tablet SmartPhone ทุกระบบสามารถโพสข้อความและรูปภาพได้โดยไม่ต้องย่อไฟล์
เพื่อความปลอดภัยในการใช้ website WeekendHobby.Com สมาชิก เท่านั้น จึงจะตั้งกระทู้ หรือ ตอบกระทู้ได้ครับ
Login Click ที่นี่
สมัครสมาชิก Click ที่นี่



Since 22, Feb 2001 hit counter View My Stats  Truehits.net      วันอาทิตย์,19 เมษายน 2569 (Online 1204 คน)