WeekendHobby.com
เครื่องมือในการใช้งาน website =>> สมัครสมาชิก | Login | Logout | เปลี่ยนไอคอนส่วนตัว | เกี่ยวกับเรา | ติดต่อโฆษณา         View stat by Truehits.net


พวกชอบ เมา... โชว์กันหน่อย

จาก เมาเซอร์
IP:61.47.120.132

อังคารที่ , 22/8/2549
เวลา : 14:01

อ่านแล้ว = ครั้ง
 เก็บเข้ากระทู้ส่วนตัว
แจ้งตรวจสอบกระทู้
 แจ้งลบ
ส่งหาเพื่อน ส่งหาเพื่อน

       Mauser M1910 6.35 มม. .....Germany

ของ พ่อของพ่อ พ่อของพ่อตายกลายมาเป็นของพ่อ พ่อตายกลายมาเป็นของผม ...ผมยังไม่ตาย






 แสดงความคิดเห็นย่อย แสดงความคิดเห็นย่อย

แจ้งเพื่อเก็บขึ้นกระทู้พิเศษ คลิ๊กที่นี่แจ้งเพื่อนำขึ้นกระทู้พิเศษ

คำตอบแบ่งหน้าละ 30 คำตอบ ขณะนี้คุณอยู่ที่หน้า 1 จาก >>> 1  

คำตอบที่ 1
       6.35 มม. / 0.25 "





 แสดงความคิดเห็นย่อย แสดงความคิดเห็นย่อย

Bluetooth จาก Bluetooth - เมาเซอร์ 61.47.120.132 อังคาร, 22/8/2549 เวลา : 14:04  IP : 61.47.120.132   

edit แก้ไขคำตอบ   delete ลบคำตอบ 25704

คำตอบที่ 2
       น้องหนิม (เมาเซอร์ไม่ใช่ก๊อกน้ำซันว่า)





 แสดงความคิดเห็นย่อย แสดงความคิดเห็นย่อย

Bluetooth จาก Bluetooth - เมาเซอร์ 61.47.120.132 อังคาร, 22/8/2549 เวลา : 14:06  IP : 61.47.120.132   

edit แก้ไขคำตอบ   delete ลบคำตอบ 25705

คำตอบที่ 3
       ลูบเบาๆนะครับ ของเก่าน่าสะสม ลูบแรงๆเหลียวบาดทะยัก..มังแหลกเอา



 แสดงความคิดเห็นย่อย แสดงความคิดเห็นย่อย

จาก อาเม้ง 124.120.49.234 อังคาร, 22/8/2549 เวลา : 20:40  IP : 124.120.49.234   

edit แก้ไขคำตอบ   delete ลบคำตอบ 25713

คำตอบที่ 4
       สวยครับ แล้วกระสุนหายากมั๊ย ราคาเท่าไหร่



 แสดงความคิดเห็นย่อย แสดงความคิดเห็นย่อย

จาก P-01 202.12.74.6 พุธ, 23/8/2549 เวลา : 11:27  IP : 202.12.74.6   

edit แก้ไขคำตอบ   delete ลบคำตอบ 25725

คำตอบที่ 5
       6.35 กระสุนหาได้ไม่ยากครับ

เราก็นึกว่า...ชอบ..เมา...อย่างเดียว..ไม่มี...เซอร์

เย็นวันศุกร์...พบกัน..ครับ..ท่านคลำก้อน



 แสดงความคิดเห็นย่อย แสดงความคิดเห็นย่อย

turus จาก turus 203.146.6.86 พุธ, 23/8/2549 เวลา : 13:54  IP : 203.146.6.86   

edit แก้ไขคำตอบ   delete ลบคำตอบ 25731

คำตอบที่ 6
       ระวังนะครับเจ้าของกำลังตามหา ถ่ายจนเห็นเลขปืนเลย ตัวนี้เคยผ่านมือผมมาก่อน



 แสดงความคิดเห็นย่อย แสดงความคิดเห็นย่อย

จาก เกือบไป 203.113.46.4 พุธ, 23/8/2549 เวลา : 22:48  IP : 203.113.46.4   

edit แก้ไขคำตอบ   delete ลบคำตอบ 25751

คำตอบที่ 7
       ไม่ใช่ของมรดก ขอแบ่งคนแก่มา





 แสดงความคิดเห็นย่อย แสดงความคิดเห็นย่อย

จาก khan 125.25.52.253 เสาร์, 9/9/2549 เวลา : 19:53  IP : 125.25.52.253   

edit แก้ไขคำตอบ   delete ลบคำตอบ 26561

คำตอบที่ 8
       อีกด้าน





 แสดงความคิดเห็นย่อย แสดงความคิดเห็นย่อย

จาก khan 125.25.52.253 เสาร์, 9/9/2549 เวลา : 19:55  IP : 125.25.52.253   

edit แก้ไขคำตอบ   delete ลบคำตอบ 26563

คำตอบที่ 9
       สวยงามเหมาะสำหรับเก็บไว้เป็นสมบัติห้ามโอน





 แสดงความคิดเห็นย่อย แสดงความคิดเห็นย่อย

คำก้อน จาก คำก้อน 203.146.56.211 พฤหัสบดี, 4/1/2550 เวลา : 11:27  IP : 203.146.56.211   

edit แก้ไขคำตอบ   delete ลบคำตอบ 32479

คำตอบที่ 10
       อยากโชว์มั่ง





 แสดงความคิดเห็นย่อย แสดงความคิดเห็นย่อย

จาก นางโชว์ 203.146.63.187 อาทิตย์, 18/2/2550 เวลา : 01:12  IP : 203.146.63.187   

edit แก้ไขคำตอบ   delete ลบคำตอบ 34044

คำตอบที่ 11
       ท่านนางโชว์ เอ่อเขาโชว์ปืนไหงท่านเอารูปกิ๊กผมมาโชว์หล่ะครับ แหมเล่นซะผมอายเลยนะเนี้ย



 แสดงความคิดเห็นย่อย แสดงความคิดเห็นย่อย

จาก แก่ลุย 125.27.130.43 อังคาร, 20/2/2550 เวลา : 10:59  IP : 125.27.130.43   

edit แก้ไขคำตอบ   delete ลบคำตอบ 34137

คำตอบที่ 12
       รูปหลังๆนี้เกี่ยวไรกะปืนมิทราบอะ งงกั๊บงง



 แสดงความคิดเห็นย่อย แสดงความคิดเห็นย่อย

จาก เมเม่ 61.7.140.81 พฤหัสบดี, 22/2/2550 เวลา : 16:50  IP : 61.7.140.81   

edit แก้ไขคำตอบ   delete ลบคำตอบ 34284

คำตอบที่ 13
       ขายปืน Mauser รุ่นนี้ สภาพ 95% เดิมๆ ราคา 22,000 บาท ติดต่อมาที่ อยู่กรุงเทพฯ
085-2452393





 แสดงความคิดเห็นย่อย แสดงความคิดเห็นย่อย

จาก khunkaidang 124.121.151.206 อาทิตย์, 6/5/2550 เวลา : 18:39  IP : 124.121.151.206   

edit แก้ไขคำตอบ   delete ลบคำตอบ 37674

คำตอบที่ 14
       มันถอดไงครับ เอาจริง ๆ ครับ มีแต่ถอดไม่เป็นครับ



 แสดงความคิดเห็นย่อย แสดงความคิดเห็นย่อย

จาก เดียร์ 124.121.23.20 พุธ, 9/5/2550 เวลา : 21:50  IP : 124.121.23.20   

edit แก้ไขคำตอบ   delete ลบคำตอบ 37891

คำตอบที่ 15
       มีทะเบียนปะ ถ้ามี เอาไปเลย 20000 แต่ถ้าไม่มี แค่ 10000 ผมเอาเลย ถ้าตกลง โทรมา 0869837969



 แสดงความคิดเห็นย่อย แสดงความคิดเห็นย่อย

จาก ปริทัศน์ 124.121.23.52 พฤหัสบดี, 10/5/2550 เวลา : 14:49  IP : 124.121.23.52   

edit แก้ไขคำตอบ   delete ลบคำตอบ 37929

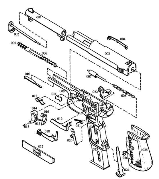
คำตอบที่ 16
       1 ถอดแมกกาซีนออก ดึงสไลด์ให้สุด
2 หมุนไกด์ล๊อด(ไม่รู้เรียกชื่อถูกรึป่าว)เพื่อปลดล็อค
3 ดึงออกทางด้านหน้า
4 ยกลำกล้องขึ้นด้านบนครับ






 แสดงความคิดเห็นย่อย แสดงความคิดเห็นย่อย

จาก chet 125.27.8.116 เสาร์, 19/5/2550 เวลา : 10:44  IP : 125.27.8.116   

edit แก้ไขคำตอบ   delete ลบคำตอบ 38347

คำตอบที่ 17
       รบกวนทุกท่านที่มีรุ่นนี้ครับ พอดีคุณพ่อผมมีอยู่กระบอก (ทะเบียนปี 2519) พอดีถอดทำความสะอาดแล้วทำทีชิ้นส่วนที่ 007, 008 หายครับทำให้ไม่สามารถยิงได้
จะขอรบกวนขอดูภาพถ่ายของจริงของชิ้นสวนดังกล่าวหน่อยครับ
เพื่อเป็นแนวทางในการซ่อมครับ ขอบคุณมากครับ





 แสดงความคิดเห็นย่อย แสดงความคิดเห็นย่อย

จาก chet 125.27.8.116 เสาร์, 19/5/2550 เวลา : 10:55  IP : 125.27.8.116   

edit แก้ไขคำตอบ   delete ลบคำตอบ 38348

คำตอบที่ 18
      





 แสดงความคิดเห็นย่อย แสดงความคิดเห็นย่อย

จาก chet 125.27.8.116 เสาร์, 19/5/2550 เวลา : 10:58  IP : 125.27.8.116   

edit แก้ไขคำตอบ   delete ลบคำตอบ 38349

คำตอบที่ 19
      





 แสดงความคิดเห็นย่อย แสดงความคิดเห็นย่อย

จาก chet 125.27.8.116 เสาร์, 19/5/2550 เวลา : 11:00  IP : 125.27.8.116   

edit แก้ไขคำตอบ   delete ลบคำตอบ 38351

คำตอบที่ 20
       ผมมีครับอันนี้ได้มาจากญาติหลายปีแล้วครับเก็บใว้อย่างดีเลยครับ





 แสดงความคิดเห็นย่อย แสดงความคิดเห็นย่อย

จาก ดิลก 124.120.124.116 พฤหัสบดี, 24/5/2550 เวลา : 07:54  IP : 124.120.124.116   

edit แก้ไขคำตอบ   delete ลบคำตอบ 38642

คำตอบที่ 21
       สภาพพอใหวมั้ยครับ





 แสดงความคิดเห็นย่อย แสดงความคิดเห็นย่อย

จาก ดิลก 124.120.124.116 พฤหัสบดี, 24/5/2550 เวลา : 07:55  IP : 124.120.124.116   

edit แก้ไขคำตอบ   delete ลบคำตอบ 38643

      

คำตอบแบ่งหน้าละ 30 คำตอบ ขณะนี้คุณอยู่ที่หน้า 1 จาก >>> 1  



website รองรับการใช้งานทุกระบบปฏิบัติการของ PC Tablet SmartPhone ทุกระบบสามารถโพสข้อความและรูปภาพได้โดยไม่ต้องย่อไฟล์
เพื่อความปลอดภัยในการใช้ website WeekendHobby.Com สมาชิก เท่านั้น จึงจะตั้งกระทู้ หรือ ตอบกระทู้ได้ครับ
Login Click ที่นี่
สมัครสมาชิก Click ที่นี่



Since 22, Feb 2001 hit counter View My Stats  Truehits.net      วันอาทิตย์,7 ธันวาคม 2568 (Online 2892 คน)