WeekendHobby.com
เครื่องมือในการใช้งาน website =>> สมัครสมาชิก | Login | Logout | เปลี่ยนไอคอนส่วนตัว | เกี่ยวกับเรา | ติดต่อโฆษณา         View stat by Truehits.net


อยากทราบข้อมูลเกี่ยวกับเมาเซอร์ 7.65

จาก khan
IP:125.25.46.135

เสาร์ที่ , 9/9/2549
เวลา : 21:34

อ่านแล้ว = ครั้ง
 เก็บเข้ากระทู้ส่วนตัว
แจ้งตรวจสอบกระทู้
 แจ้งลบ
ส่งหาเพื่อน ส่งหาเพื่อน

       เห็นว่าเป็นปืนเก่าอยากเก็บสะสมไว้ดูเล่น ซื้อมายังไม่รู้ข้อมูลเกียวกับการทำงานของปืน การถอดประกอบก็ไม่เป็น พี่ท่านใดมีความรู้ช่วยสงเคราะห์ผมหน่อย ขอบพระคุณครับ






 แสดงความคิดเห็นย่อย แสดงความคิดเห็นย่อย

แจ้งเพื่อเก็บขึ้นกระทู้พิเศษ คลิ๊กที่นี่แจ้งเพื่อนำขึ้นกระทู้พิเศษ

คำตอบแบ่งหน้าละ 30 คำตอบ ขณะนี้คุณอยู่ที่หน้า 1 จาก >>> 1  

คำตอบที่ 1
       ไม่ทราบว่ารุ่นนี้นิยมในท้องตลาดหรือปล่าว





 แสดงความคิดเห็นย่อย แสดงความคิดเห็นย่อย

จาก khan 125.25.46.135 เสาร์, 9/9/2549 เวลา : 21:37  IP : 125.25.46.135   

edit แก้ไขคำตอบ   delete ลบคำตอบ 26565

คำตอบที่ 2
       สวัสดีครับคุณ Khan...ได้ทราบว่าไปขอแบ่ง

สมบัติคนแก่มา ก็ต้องขอแสดงความยินดีที่ได้ปืนที่มีคุณ

ค่าทางใจมาเก็บสะสม จากการสืบค้นข้อมูลพบว่าเมา

เซอร์ 7.65 กระบอกนี้เป็นปืนที่มีคุณภาพของพลพรรคนาซี

เดิม ..... จึงควรเก็บรักษาไว้ให้เด็กๆ ลูกๆ หลานๆ ได้ดู

เล่นครับ


ในปี 1909 เยอรมันได้มีการผลิตปืนสั้นเซมิออโต้

บรรจุ 9x19 มม. ลูเกอร์ ในชื่อเมาเซอร์รุ่น 1910 แต่ไม่

ประสบความสำเร็จเท่าที่ควร จึงได้มีการอัพเดทรุ่น

1910/12 ขึ้นมา โดยผลิตในจำนวนไม่มาก ภายใต้การเซ็น

สัญญากับกองทัพเรือบราซิล ในขณะนั้นได้มีการตัดสินว่า

ดีไซน์ใหม่นั้นเหมาะสมกับกระสุนที่มีพลังน้อยกว่าลูก 9

มม.ลูเกอร์ ดังนั้นในปี 1910 จึงได้ดีไซน์โดยลดขนาดลง

ให้ใกล้เคียงกับกระสุนบราวนิ่ง 6.35 มม. (หรือในอเมริกา

เรียก .25ACP) และเป็นที่รู้จักกันในชื่อเมาเซอร์ รุ่น 1910

ดังปืนของคุณ"เมาเซอร์"ในรูปนี้





 แสดงความคิดเห็นย่อย แสดงความคิดเห็นย่อย

จาก ครูหาดใหญ่ 203.114.125.52 อาทิตย์, 10/9/2549 เวลา : 00:25  IP : 203.114.125.52   

edit แก้ไขคำตอบ   delete ลบคำตอบ 26568

คำตอบที่ 3
       เอ๊า ลืม log in แต่ยืนยันว่าครูหาดใหญ่ตัวจริงครับ


ก่อนสงครามโลกครั้งที่ 1 เมาเซอร์ได้ผลิตปืนรุ่นที่

ใหญ่กว่าเล็กน้อย ลำกล้องดีไซน์สำหรับกระสุนขนาด

7.65 มม. (.32ACP) ซึ่งใช้ในกองทัพเยอรมันในช่วง

สงครามโลก 1 ปืนหลายรุ่นที่ผลิตขึ้นตั้งแต่ปี 1914 ( ทั้ง

รุ่นเล็ก 6.35 มม และรุ่นใหญ่กว่าคือ 7.65 มม.) มีความ

แตกต่างจากต้นฉบับด้วยรายละเอียดเพียงเล็กน้อย





 แสดงความคิดเห็นย่อย แสดงความคิดเห็นย่อย

2075 จาก ครูหาดใหญ่ 203.114.125.52 อาทิตย์, 10/9/2549 เวลา : 00:30  IP : 203.114.125.52   

edit แก้ไขคำตอบ   delete ลบคำตอบ 26569

คำตอบที่ 4
       ในช่วง 2 ทศวรรษ เมาเซอร์ได้ผลิตปืนออกมา

หลายๆ แบบ ซึ่งแตกต่างกันในเรื่องของเครื่องหมาย รูป

ร่างของลายกันลื่นที่สไลด์ ฯลฯ แต่ก็ยังคงรูปแบบเดิมไว้





 แสดงความคิดเห็นย่อย แสดงความคิดเห็นย่อย

2075 จาก ครูหาดใหญ่ 203.114.125.52 อาทิตย์, 10/9/2549 เวลา : 00:31  IP : 203.114.125.52   

edit แก้ไขคำตอบ   delete ลบคำตอบ 26570

คำตอบที่ 5
       ในปี 1934 เมาเซอร์ได้แนะนำรุ่นสุดท้ายของสาย

การผลิตนี้ คือรุ่น 1934 ซึ่งสิ่งที่เปลี่ยนแปลงไปจากรุ่น

1914 อย่างชัดเจนคือรูปร่างของประกับด้ามจับ ซึ่งจะมี

ส่วนโค้งมากกว่า ซึ่งรุ่น 1934 นี้เป็นรุ่นมาตรฐานที่กองทัพ

เยอรมันได้นำมาใช้ และยังถูกใช้โดยตำรวจและหน่วย

รักษาความปลอดภัย





 แสดงความคิดเห็นย่อย แสดงความคิดเห็นย่อย

2075 จาก ครูหาดใหญ่ 203.114.125.52 อาทิตย์, 10/9/2549 เวลา : 00:33  IP : 203.114.125.52   

edit แก้ไขคำตอบ   delete ลบคำตอบ 26571

คำตอบที่ 6
       เมาเซอร์ 1910 เป็นระบบปฏิบัติการโบว์แบล็ก

แอคชั่น (ลำกล้องไม่ขยับขณะปลดการขัดกลอนหน่วง

เวลา) แต่การถอดลำกล้องทำได้ไม่ยาก โดยลำกล้องถูก

ยึดไว้กับโครงปืนโดยมีสลักยึดใต้ลำกล้อง





 แสดงความคิดเห็นย่อย แสดงความคิดเห็นย่อย

2075 จาก ครูหาดใหญ่ 203.114.125.52 อาทิตย์, 10/9/2549 เวลา : 00:36  IP : 203.114.125.52   

edit แก้ไขคำตอบ   delete ลบคำตอบ 26572

คำตอบที่ 7
       คิดว่าน่าจะเป็น Mauser รุ่น M 1914 ขนาดกระสุน 7.65 มม., .32 น่ะครับ (บรรพบุรุษของเขาเป็น M 1910 -ขนาด 6.35 มม) บางที่ก็เห็นเรียก Model 1910-14 บ้านเกิดอยู่ Germany ชิ้นส่วนสำมะคัญๆ ก็แทบจะเหมือน 1910 เลยครับ



 แสดงความคิดเห็นย่อย แสดงความคิดเห็นย่อย

Bluetooth จาก Bluetooth (ก็ชอบเมา) 61.47.124.35 อาทิตย์, 10/9/2549 เวลา : 00:37  IP : 61.47.124.35   

edit แก้ไขคำตอบ   delete ลบคำตอบ 26573

คำตอบที่ 8
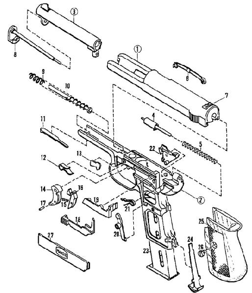
       สไลด์ของปืนจะมีลักษณะเปิดสันสไลด์โชว์

ลำกล้องเช่นเดียวกับปืน Beretta หลายรุ่น ไกเป็นแบบ

ซิงเกิ้ลแอคชั่น มีแมนนวลเซฟตี้อยู่ที่หลังโกร่งไกด้าน

ซ้ายมือ และมีระบบเซฟแมกกาซีนคือลั่นไกไม่ได้ขณะที่

ไม่มีแมกกาซีน ส่วนปุ่มปลดแมกกาซีนอยู่ที่หลังโกร่งไก

ด้านซ้ายมือ ศูนย์เล็งเป็นแบบศูนย์ตาย ประกับด้ามมักจะ

ทำจากไม้ แต่ในรุ่นหลังๆ บางครั้งก็ทำด้วยพลาสติก





 แสดงความคิดเห็นย่อย แสดงความคิดเห็นย่อย

2075 จาก ครูหาดใหญ่ 203.114.125.52 อาทิตย์, 10/9/2549 เวลา : 00:40  IP : 203.114.125.52   

edit แก้ไขคำตอบ   delete ลบคำตอบ 26574

คำตอบที่ 9
       วิธีถอดประกอบเมาเซอร์ 1910
1.บรรจุแมกกาซีนเปล่า

2.ดึงสไลด์ไปด้านหลังจนกว่ามันจะล็อก โดยให้ตรวจสอบ

ที่รังเพลิงหรือช่องคลายปลอกว่าไม่มีกระสุนค้างอยู่

3.ปลดแมกกาซีน

4.กดสลักเล็กๆ ที่อยู่บนโครงกันฝุ่นใต้ลำกล้องเพื่อปลด
เดือย

5.เอียงเดือยใต้ลำกล้องจนกระทั่งหลุดจากโครง

6.ดึงเดือยใต้ลำกล้องไปข้างหน้าและเอาออกจากปืน

7.ดึงลำกล้องขึ้นและเอาออกจากโครง

8.บรรจุแมกกาซีนเปล่า

9.เหนี่ยวไกและค่อยๆ ดึงสไลด์ออกด้านหน้า และเอาออกจากโครง






 แสดงความคิดเห็นย่อย แสดงความคิดเห็นย่อย

2075 จาก ครูหาดใหญ่ 203.114.125.52 อาทิตย์, 10/9/2549 เวลา : 00:41  IP : 203.114.125.52   

edit แก้ไขคำตอบ   delete ลบคำตอบ 26575

คำตอบที่ 10
       ช่วยเพิ่มข้อมูลเสริมคุณครูหาดใหญ่นิดครับ ปุ่มทางซ้ายมือหลังโกร่งไกนั่นเป็นปุ่มกดเพื่อปลดเซฟน่ะครับ ส่วนแมกกาซีนจะมีที่ล็อคอยู่ที่ด้านล่างของด้าม รองแมกกาซีนอยู่นะครับ จะปลดแมกกาซีนก็เลื่อนที่ล็อคไปด้านหลังน่ะครับ(เป็นสปริงแหนบ) แมกกาซีนจะเด้งลงมาครับ อ้อ ! ต้องใช้สองมือครับจึงจะถอดได้ครับ




 แสดงความคิดเห็นย่อย แสดงความคิดเห็นย่อย

Bluetooth จาก Bluetooth 61.47.124.35 อาทิตย์, 10/9/2549 เวลา : 00:51  IP : 61.47.124.35   

edit แก้ไขคำตอบ   delete ลบคำตอบ 26577

คำตอบที่ 11
       คำตอบที่ 7
คิดว่าน่าจะเป็น Mauser รุ่น M 1914 ขนาดกระสุน 7.65 มม., .32 น่ะครับ (บรรพบุรุษของเขาเป็น M 1910 -ขนาด 6.35 มม) บางที่ก็เห็นเรียก Model 1910-14 บ้านเกิดอยู่ Germany ชิ้นส่วนสำมะคัญๆ ก็แทบจะเหมือน 1910 เลยครับ จาก Bluetooth (ก็ชอบเมา) 61.47.124.35 อาทิตย์, 10/9/2549 เวลา : 00:37

----------------------------------------------------------------------------------------------------------------------

ใช่ครับ คุณ Bluetooth ตัวของคุณ "Khan" เป็น

1914 เอ..หรือ 1934 จริงๆ แล้วระหว่างปี 1914-1934 มี

การผลิตออกมาหลายรุ่นมาก มีรายละเอียดเล็กน้อยที่

แตกต่างกันออกไป แต่ระบบปฏิบัติการหรือส่วนหลักของ

ตัวปืนยังเหมือนกันทุกประการ


ส่วนของคุณ"ชอบเมา" คงเป็น 1910 แน่นอนครับ

เพราะใช้กระสุน 6.35






 แสดงความคิดเห็นย่อย แสดงความคิดเห็นย่อย

2075 จาก ครูหาดใหญ่ 203.114.125.52 อาทิตย์, 10/9/2549 เวลา : 00:52  IP : 203.114.125.52   

edit แก้ไขคำตอบ   delete ลบคำตอบ 26578

คำตอบที่ 12
       สวัสดีครับคุณครูหาดใหญ่ "ชอบเมา" ก็ผมเองแหละครับ วันนั้นไปใช้เครื่องคอมพิวเตอร์ที่อื่น จำ Passward ของ Bluetooth ไม่ได้ ก็เลยเป็น"ชอบเมา" (จริงๆก็ชอบครับ ชอบผสมโซดา )



 แสดงความคิดเห็นย่อย แสดงความคิดเห็นย่อย

Bluetooth จาก Bluetooth 61.47.124.35 อาทิตย์, 10/9/2549 เวลา : 00:56  IP : 61.47.124.35   

edit แก้ไขคำตอบ   delete ลบคำตอบ 26579

คำตอบที่ 13
       รูปเครื่องในครับ อ้อ! ศูนย์หลังปรับซ้าย-ขวาได้นะครับ โดยการเคาะป็อกๆ แต่จากอายุปืนจะมองดูเหมือนเป็นเหล็กชิ้นเดียวกันกับสไลด์เลยละครับ





 แสดงความคิดเห็นย่อย แสดงความคิดเห็นย่อย

Bluetooth จาก Bluetooth (ชอบเมา-ไม่ชอบให้เมียด่า) 61.47.124.35 อาทิตย์, 10/9/2549 เวลา : 01:10  IP : 61.47.124.35   

edit แก้ไขคำตอบ   delete ลบคำตอบ 26580

คำตอบที่ 14
       ขอบคุณพี่ครูหาดใหญ่ และพี่Bluetooth สำหรับข้อมูลดีๆที่ให้ ผมเองไม่เคยมีความรู้เกี่ยวกับปืนเลย แต่ก็ชอบ กระบอกนี้เป็นกระบอกแรกแถมยังต้องแอบภรรยาที่บ้านซื้อ สมัยก่อนเคยได้ยี่ห้อนี้มาหนึ่งกระบอกลำกล้องยาวเหมือนทหารนาซีใช้ในหนังสงคราม ไม่มีทะเบียนแล้วก็หากระสุนไม่ได้ใช้ขนาด7.65(พาราหรือแม็กนั่มจำไม่ได้เพราะนานมาแล้ว) เลยใช้7.65ทั่วไปยิงแล้วไม่คัดปลอก แต่แม่นมาก



 แสดงความคิดเห็นย่อย แสดงความคิดเห็นย่อย

จาก khan 125.25.62.230 อาทิตย์, 10/9/2549 เวลา : 06:04  IP : 125.25.62.230   

edit แก้ไขคำตอบ   delete ลบคำตอบ 26592

คำตอบที่ 15
       ปืนกระบอกนี้เจ้าของคนแรกเป็นข้าราชการครูซื้อจากร้านปืนในปี 2518 ปัจจุบันอายุของปืนก็ 30 กว่าปี มือสองได้มาไปรมดำเพิ่มมานิดหน่อย ยังไม่ได้ไปทดลองยิงเลยซักนัด ตอนนี้อยู่ในระหว่างโอนกรรมสิทธิ์ ผมยังมีข้อสงสัยอีกนิดอยากเรียนถามพี่
1.เวลาใส่แม็กแล้วสไลด์ลำกล้องจะค้างแต่พอถอดแม็กออกสไลด์จะดีดกลับในทันที
2.เวลาสไลด์ขึ้นลำขณะไม่มีลูกแล้วเซฟไว้ พอปลดเซฟแล้วเหนี่ยวไก นกยังสับอยู่ถ้ามีกระสุนในรังเพลิงจะลั่นไหมครับ
3.ที่ปลดแม็กแข็งมาก ปลดแม็กลำบาก และเวลาปลดแม็กก็ไม่เด้ง ต้องดึงแรงๆถึงจะออก เป็นเพราะใช้งานมาน้อยหรือเปล่า
ปืนกระบอกนี้ไม่ทราบว่าพอจะแรกกับชิฟ .38 ได้หรือเปล่า ขอบคุณทุกท่านสำหรับข้อมูลดีๆที่เอื้อเฟื้อกับมือใหม่อย่างผม



 แสดงความคิดเห็นย่อย แสดงความคิดเห็นย่อย

จาก khan 125.25.49.81 อาทิตย์, 10/9/2549 เวลา : 06:27  IP : 125.25.49.81   

edit แก้ไขคำตอบ   delete ลบคำตอบ 26593

คำตอบที่ 16
       1. Ans. "เวลาใส่แม็กแล้วสไลด์ลำกล้องจะค้าง" คงหมายถึงการดึงสไลด์ขณะมีแมกกาซีนแต่ไม่มีลูกกระสุน หรือเกิดจากแรง recoil จากการยิงนัดสุดท้าย ..สไลด์จะค้างอยู่ครับ
"แต่พอถอดแม็กออกสไลด์จะดีดกลับในทันที" ..ปืนคงไม่ปกติแล้วครับ เอาแมกกาซีนออกมา สไลด์ก็จะต้องค้างอยู่อย่างนั้น จนกว่าจะเอาแมกกาซีน(มีลูกหรือไม่มีก็ได้)ใส่กลับเข้าไป สไลด์จึงจะดีดกลับ(ส่งลูกเข้าโรงเรียน เอ๊ย ! รังเพลิง)

2. Ans. "เวลาสไลด์ขึ้นลำขณะไม่มีลูกแล้วเซฟไว้ พอปลดเซฟแล้วเหนี่ยวไก นกยังสับอยู่" เหตุการณ์นี้เกิดขึ้นมิด้ายยยยย ครับ ดังข้อ 1. สไลด์ค้างอยู่จะเหนี่ยวไกม่ายด้ายยยยย
"ถ้ามีกระสุนในรังเพลิงจะลั่นไหมครับ" ลั่น เปรี้ยง, ปั้ง, โป้ง , ตู้ม (อย่างใดอย่างหนึ่ง)แน่นอนครับ

3. "แม็กก็ไม่เด้ง ต้องดึงแรงๆถึงจะออก" เป็นปกติครับ เพราะเมื่อดันตัวล็อคแมกกาซีนไปด้านหลังแล้ว(ยังดันไว้) แมกกาซีนจะเด้งออกมานึดนึง ที่"นิดนึง"เพราะเราปล่อยการดันที่ล็อคแมกกาซีนแล้วนั่นเอง เพราะมันแข็ง เจ็บมือ ที่ล็อคแมกกาซีนก็จะมากดสันของแมกกาซีนไว้ มันจึงแน่นไงล่ะครับ จึงไม่มีทางที่จะปลดแมกกาซีนด้วยมือข้างเดียว

"ปืนกระบอกนี้ไม่ทราบว่าพอจะแรกกับชิฟ .38 ได้หรือเปล่า " ..ตามราคา(ที่เกิดจากความนิยม)แล้ว ..คงไม่ได้ครับ แต่การซื้อ-ขาย-แลก-เปลี่ยน เกิดจากความพอใจ-พึงใจทั้งสองฝ่ายนี่ครับ ...พูดยาก



 แสดงความคิดเห็นย่อย แสดงความคิดเห็นย่อย

Bluetooth จาก Bluetooth 61.47.112.201 จันทร์, 11/9/2549 เวลา : 23:03  IP : 61.47.112.201   

edit แก้ไขคำตอบ   delete ลบคำตอบ 26668

คำตอบที่ 17
       ขอถามเป็นความรู้อีกซักนิดพี่Bluetooth
1.ขึ้นลำโดยไม่มีแม็กฯ เหนี่ยวไกนกสับถือว่าปกติหรือเปล่าครับ และอาการขึ้นลำแล้วเซฟไว้ พอเหนี่ยวไกนกไม่สับแล้วครับเข้าใจว่าเกิดจากการถอดแก้มด้ามปืนแล้วใส่ไม่ดีอาจจะไปดันส่วนหนึ่งส่วนใดของเซฟปืน (ทดลองยิงโดยเซฟไว้20กว่าครั้งแล้วนกไม่สับ)
2.ส่วนอาการที่น่าห่วงสไลด์โดยมีแม็กฯอยู่ ลำเลื่อนค้างแต่พอนำแม็กฯออกจากแล้วสไลด์ดีดกลับแต่นกไม่ได้สับอาการนี้พอซ่อมได้ไหมครับ ซ่อมแล้วจะหาย100%ไหมครับ
ขอบพระคุณสำหรับทุกคำตอบที่กรุณาให้ความรู้



 แสดงความคิดเห็นย่อย แสดงความคิดเห็นย่อย

จาก khan 125.25.50.41 อังคาร, 12/9/2549 เวลา : 00:27  IP : 125.25.50.41   

edit แก้ไขคำตอบ   delete ลบคำตอบ 26671

คำตอบที่ 18
       ขอต่ออีกหน่อยอาการที่กล่าวมาทั้งหมด 2 ข้อยกเว้นในข้อ3 พอจะแก้ไขให้อยู่ในสภาพเดิมได้หรือไม่ ดูโดยสภาพเจ้าเก่าก็ไม่ค่อยได้ยิงเลย (ผมเดาเอาน่าจะเป็นที่ระบบเซฟและแม็กฯซึ่งมีรอยบุบด้านบนนิดหน่อย) พรุ่งนี้จะนำไปให้เจ้าของเดิมซ่อมให้เรียบร้อยแล้วค่อยรับของ
เหนื่อยกับปืนกระบอกแรกของผม



 แสดงความคิดเห็นย่อย แสดงความคิดเห็นย่อย

จาก khan 125.25.50.41 อังคาร, 12/9/2549 เวลา : 01:06  IP : 125.25.50.41   

edit แก้ไขคำตอบ   delete ลบคำตอบ 26672

คำตอบที่ 19
       วันนี้นำปืนไปให้ร้านปืนตรวจสอบ 1. ช่างให้ความเห็นว่าขณะสไลด์ปืนโดยมีแม็กฯติดอยู่ลำเลื่อนจะค้างและเวลาถอดแม็กฯออกจากตัวปืน สไลด์จะดีดกลับเพราะแม็กจะเป็นตัวบังคับสไลด์เป็นเรื่องปกติของปืนรุ่นเก่า(นกไม่สับ)
2. ขณะที่เซฟอยู่ถ้าเหนี่ยวไกอย่างแรงจะทำให้เซฟเขยื้อนเนื่องจากแผ่นเหล็กสึกทำให้นกสับได้ ช่างแนะนำว่าถ้าจะแก้ก็ต้องเปลี่ยนแผ่นเหล็กตัวนั้น
ช่างแนะนำว่าปืนกระบอกนี้ควรเป็นปืนสะสมไว้ดูเล่นไม่เหมาะกับใช้งานประจำวันทั่วไป พี่ๆมีความเห็นว่ายังไงบ้าง ยินดีรับฟังข้อชี้แนะเพื่อเป็นวิทยาทานกับผม



 แสดงความคิดเห็นย่อย แสดงความคิดเห็นย่อย

จาก khan 125.25.33.162 อังคาร, 12/9/2549 เวลา : 17:25  IP : 125.25.33.162   

edit แก้ไขคำตอบ   delete ลบคำตอบ 26700

คำตอบที่ 20
       อ้างตาม 1. "ช่างให้ความเห็นว่าขณะสไลด์ปืนโดยมีแม็กฯติดอยู่ลำเลื่อนจะค้างและเวลาถอดแม็กฯออกจากตัวปืน สไลด์จะดีดกลับเพราะแม็กจะเป็นตัวบังคับสไลด์เป็นเรื่องปกติของปืนรุ่นเก่า(นกไม่สับ) "
==>> ไม่ใช่แน่นอนครับ ถ้าสไลด์ดีดกลับเมื่อถอดแมกกาซีนออก เราจะถอดลำกล้องไม่ได้ครับ

2. ==>> ใช่ครับ ของผมก็เป็น(ซ่อมแล้วเรียบร้อย) ชิ้นส่วนสึกหรอได้ 2 ที่ครับ คือที่แผ่นเหล็กเซฟตัวนั้น กับที่เข็มแทงฉนวนครับ (ดังรู เอ๊ย! ดังรูป)






 แสดงความคิดเห็นย่อย แสดงความคิดเห็นย่อย

bluetooth จาก Bluetooth 221.128.110.126 พุธ, 13/9/2549 เวลา : 02:23  IP : 221.128.110.126   

edit แก้ไขคำตอบ   delete ลบคำตอบ 26725

คำตอบที่ 21
       ขอบคุณครับพี่Bluetooth วันนี้จะลองไปร้านปืนอีกร้านเผื่อจะได้ความเห็นที่หลากหลายขึ้นอีก ผมเองยอมรับว่าไม่มีความรู้ในเรื่องนี้เลย ถ้าจะซ่อมไม่รู้ว่าช่างต่างจังหวัดจะรับมือไหวหรือเปล่า อย่างน้อยระบบเซฟต้องแก้ไขให้ได้ ว่าแต่พี่Bluetooth มาแต่ละครั้งไม่ตีหนึ่งก็ตีสอง นอนดึกจังพี่



 แสดงความคิดเห็นย่อย แสดงความคิดเห็นย่อย

จาก khan 58.181.179.165 พุธ, 13/9/2549 เวลา : 08:11  IP : 58.181.179.165   

edit แก้ไขคำตอบ   delete ลบคำตอบ 26727

คำตอบที่ 22
       เรียน พี่Bluetooth ผมอยากรบกวนขอทราบร้านที่ซ่อมปืนรุ่นนี้หน่อยครับพี่ (อาการสไลด์ดีดกลับและเซฟไม่ได้) ซ่อมแล้วหายไหมครับ ราคาประมาณเท่าไร
ขอบพระคุณเป็นอย่างสูง



 แสดงความคิดเห็นย่อย แสดงความคิดเห็นย่อย

จาก khan 58.181.182.84 พุธ, 13/9/2549 เวลา : 20:14  IP : 58.181.182.84   

edit แก้ไขคำตอบ   delete ลบคำตอบ 26765

คำตอบที่ 23
       ของผมซ่อมที่ต่างจังหวัดครับ (จ.พิษณุโลก) ส่วนที่ กทม.ไม่ทราบว่าร้านไหนซ่อมมั่งครับ แต่ทั่วไปน่าจะซ่อมได้ครับ กลไกของปืนไม่ซับซ้อนมาก แล้วไม่ต้องกังวลครับ ซ่อมได้แน่นอนครับ

ของผม เปลี่ยนสปริงลำเลื่อน, แหนบสามชาย, ซ่อมเซฟ, ทำด้าม(ไม้) ..ทั้งหมดพันสองครับ (ด้ามหกร้อย) คุณ khan ก็ลองประมาณราคาดูเอาครับ



 แสดงความคิดเห็นย่อย แสดงความคิดเห็นย่อย

Bluetooth จาก Bluetooth 61.47.111.35 พุธ, 20/9/2549 เวลา : 01:49  IP : 61.47.111.35   

edit แก้ไขคำตอบ   delete ลบคำตอบ 27089

คำตอบที่ 24
       ขอบคุณมากครับ



 แสดงความคิดเห็นย่อย แสดงความคิดเห็นย่อย

จาก khan 58.147.56.212 พุธ, 20/9/2549 เวลา : 16:42  IP : 58.147.56.212   

edit แก้ไขคำตอบ   delete ลบคำตอบ 27128

      

คำตอบแบ่งหน้าละ 30 คำตอบ ขณะนี้คุณอยู่ที่หน้า 1 จาก >>> 1  



website รองรับการใช้งานทุกระบบปฏิบัติการของ PC Tablet SmartPhone ทุกระบบสามารถโพสข้อความและรูปภาพได้โดยไม่ต้องย่อไฟล์
เพื่อความปลอดภัยในการใช้ website WeekendHobby.Com สมาชิก เท่านั้น จึงจะตั้งกระทู้ หรือ ตอบกระทู้ได้ครับ
Login Click ที่นี่
สมัครสมาชิก Click ที่นี่



Since 22, Feb 2001 hit counter View My Stats  Truehits.net      วันเสาร์,14 กุมภาพันธ์ 2569 (Online 2654 คน)