WeekendHobby.com
เครื่องมือในการใช้งาน website =>> สมัครสมาชิก | Login | Logout | เปลี่ยนไอคอนส่วนตัว | เกี่ยวกับเรา | ติดต่อโฆษณา         View stat by Truehits.net


ขอรบกวนผู้รู้ทุกท่าน ใครมีพิมพ์เขียว ของ CZ 92 ขนาด 6.35 ขอลงให้ชมหน่อยครับ

จาก ยุทธท่าใหม่
IP:125.24.142.206

เสาร์ที่ , 24/2/2550
เวลา : 19:41

อ่านแล้ว = ครั้ง
 เก็บเข้ากระทู้ส่วนตัว
แจ้งตรวจสอบกระทู้
 แจ้งลบ
ส่งหาเพื่อน ส่งหาเพื่อน

       อยากทราบ ระบบปฏิบัติการ ความน่าเชื่อถือ สมมติว่าจะไปตั้งโรงงานที่ประเทศอื่น ซีแซด 92 ตัวนี้น่าทำขายหรือไม่






 แสดงความคิดเห็นย่อย แสดงความคิดเห็นย่อย

แจ้งเพื่อเก็บขึ้นกระทู้พิเศษ คลิ๊กที่นี่แจ้งเพื่อนำขึ้นกระทู้พิเศษ

คำตอบแบ่งหน้าละ 30 คำตอบ ขณะนี้คุณอยู่ที่หน้า 1 จาก >>> 1  

คำตอบที่ 1
       พิมพ์เขียวไม่มีครับ....เอานี่ไปดูเล่นก่อนได้ไหม๊....ครับ





 แสดงความคิดเห็นย่อย แสดงความคิดเห็นย่อย

2075 จาก ครูหาดใหญ่ 203.113.15.234 เสาร์, 24/2/2550 เวลา : 23:25  IP : 203.113.15.234   

edit แก้ไขคำตอบ   delete ลบคำตอบ 34389

คำตอบที่ 2
       คำอธิบาย...ครับ





 แสดงความคิดเห็นย่อย แสดงความคิดเห็นย่อย

2075 จาก ครูหาดใหญ่ 203.113.15.234 เสาร์, 24/2/2550 เวลา : 23:26  IP : 203.113.15.234   

edit แก้ไขคำตอบ   delete ลบคำตอบ 34390

คำตอบที่ 3
       ครูมีของ mauser 90DA บ้างไหมครับ ถ้ามีรบกวนหน่อย ขอบพระคุณมากครับ



 แสดงความคิดเห็นย่อย แสดงความคิดเห็นย่อย

se278 จาก สมชาย 203.113.60.71 อังคาร, 27/2/2550 เวลา : 18:58  IP : 203.113.60.71   

edit แก้ไขคำตอบ   delete ลบคำตอบ 34488

คำตอบที่ 4
       แถมอีกกระบอกครับ S&W 4506 ผมมีแต่ปืนแปลกๆ ที่คนไม่นิยม ขอบพระคุณอีกครั้งครับ



 แสดงความคิดเห็นย่อย แสดงความคิดเห็นย่อย

se278 จาก สมชาย 203.113.60.71 อังคาร, 27/2/2550 เวลา : 19:01  IP : 203.113.60.71   

edit แก้ไขคำตอบ   delete ลบคำตอบ 34489

คำตอบที่ 5
       S&W 4506 จัดให้...ครับ...คุณสมชาย





 แสดงความคิดเห็นย่อย แสดงความคิดเห็นย่อย

2075 จาก ครูหาดใหญ่ 203.113.76.73 อังคาร, 27/2/2550 เวลา : 21:06  IP : 203.113.76.73   

edit แก้ไขคำตอบ   delete ลบคำตอบ 34492

คำตอบที่ 6
       เครื่องใน S&W 4506 จัดให้...ครับ...คุณสมชาย





 แสดงความคิดเห็นย่อย แสดงความคิดเห็นย่อย

2075 จาก ครูหาดใหญ่ 203.113.76.73 อังคาร, 27/2/2550 เวลา : 21:08  IP : 203.113.76.73   

edit แก้ไขคำตอบ   delete ลบคำตอบ 34493

คำตอบที่ 7
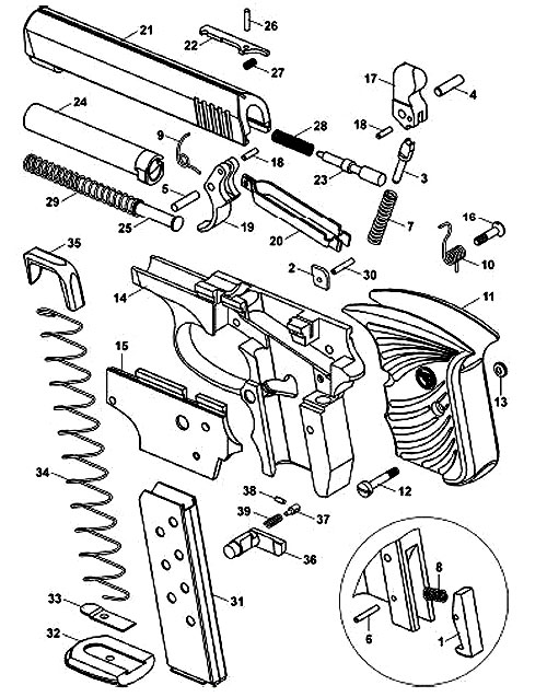
       อธิบายอีกนิด 1
338820
Safety, Manual, Ambidextrous

1-5
338800
Safety Assembly, Manual, Ambidextrous

2
706540
Safety Lever Kit, Manual, Ambidextrous

3
327120
Safety Detent Spring, Manual, Ambidextrous

4
347990B
Safety Lever Plunger, Manual, Ambidextrous (2 Req'd)

4
347990A
Safety Plunger, Manual (2 Req'd)

5
327480
Safety Lever Plunger Spring, Manual, Ambidextrous

6
347510
Barrel

7
338910
Barrel Bushing

8
347570A
Disconnector Assembly

9
337030
Drawbar, Double Action

10
347630
Drawbar Plunger

11
328840
Drawbar Plunger Spring

12
347660
Ejector Depressor Plunger

13
329020
Ejector Depressor Plunger Spring

14
347700A
Ejector & Magazine Depressor

15
329140
Ejector Spring

16
347730
Extractor*

16
347720
Extractor, Nickel

17
347750
Extractor Pin

18
347780
Extractor Spring

19
339090
Firing Pin

20
339100
Firing Pin Safety Lever

21
329910
Firing Pin Safety Lever Plunger

22
347830A
Firing Pin Safety Lever Spring

23
347850
Firing Pin Safety Lever Spring Retainer

24
347860
Firing Pin Spring

26
347950
Front Night Sight, .262

26
347870
Front Sight

26
339150
Front Sight, .245

27
533860
Grip, Straight Backstrap

28
323050
Grip Pin, LS

29
351450
Hammer Assembly, Spurred, CR260

30
351960
Magazine Buttplate

30
351900
Magazine Buttplate, Rubber

31
352000A
Magazine Buttplate Catch Assembly

34
352020
Magazine Catch, Right

35
352030
Magazine Catch Nut

36
352050
Magazine Catch Plunger

37
325700A
Magazine Catch Spring

38
352070
Magazine Follower

39
352080
Magazine Spring

40
352190
Magazine Tube

41
359140
Mainspring

42
353320
Mainspring Plunger

43
339440A
Rear Night Sight, .478, Trilux H3. Self Illuminating Green Tritium.

43
353340
Rear Sight, Fixed

44
339450
Rear Sight, Low Carry, .360''

45
353370
Rear Sight Set Screw

46
359540
Rear Sight Base, Stainless

47
359670
Rear Sight Base Screw

48
332610
Rear Sight Body

49
359740
Rear Sight Body Plunger (2 Req'd)

50
359820
Rear Sight Body Plunger Spring (2 Req'd)

51
359890
Rear Sight Elevation Plunger (2 Req'd)

52
360000
Rear Sight Elevation Screw

53
360080
Rear Sight Elevation Plunger Spring

54
317360C
Rear Sight Plunger (2 Req'd)

55
317370E
Rear Sight Plunger Spring (2 Req'd)

56
332740
Rear Sight Slide, .130*

56
360480
Rear Sight Slide, 3 Dot

57
317410B
Rear Sight Windage Nut

58
360570
Rear Sight Windage Screw

59
362090
Recoil Spring

60
339630
Recoil Spring Guide Assembly

61
339660
Sear, #5 (Repair)

61
339670
Sear, #6 (Repair)

61
326320
Sear, Standard, #4

62
362410
Sear Pin

63
331570
Sear Release Lever

64
362460
Sear Spring

65
362520
Sear Spring Retainer Pin

66
362550
Sideplate Assembly

67
361260
Slide Assembly, Fixed Sight

69
361600
Slide Assembly, Adjustable Sight

70
361620
Slide Stop Assembly

71
361660
Slide Stop Pin

72
361670A
Slide Stop Plunger

73
339730A
Slide Stop Plunger Spring

74
334410A
Stirrup

75
361770
Stirrup Pin

76
361810
Trigger Assembly, .304 Smooth, Blue

77
361840A
Trigger Pin

78
327340
Trigger Play Spring*

79
361860A
Trigger Play Spring Rivet

80
327500A
Trigger Plunger

81
361890
Trigger Plunger Pin, Stainless

82
327570
Trigger Plunger Spring

96
533770
Grips, Curved Backstrap - For Models w/o Decocking Lever

NI
957980
Holster, Davis Leather Co., Black Leather

NI
957990
Holster, Tex Shoemaker & Son, Black Leather

NI
352210
Magazine, 8 Round, NI

NI
884700
Millett Series 100 Adjustable Sight Combo, Fixed Slide Models

NI
359630
Rear Sight Assembly, Adjustable, 3 Dot, NI*

NI
332430
Rear Sight Assembly, Black, NI

NI
765630
Recoil Buffer

NI
361330
Slide Assembly, Novak Low Carry, NI





 แสดงความคิดเห็นย่อย แสดงความคิดเห็นย่อย

2075 จาก ครูหาดใหญ่ 203.113.76.73 อังคาร, 27/2/2550 เวลา : 21:11  IP : 203.113.76.73   

edit แก้ไขคำตอบ   delete ลบคำตอบ 34494

คำตอบที่ 8
       ส่วน mauser 90DA ตัวนี้....ขอเวลานิดครับ...





 แสดงความคิดเห็นย่อย แสดงความคิดเห็นย่อย

2075 จาก ครูหาดใหญ่ 203.113.76.73 อังคาร, 27/2/2550 เวลา : 21:13  IP : 203.113.76.73   

edit แก้ไขคำตอบ   delete ลบคำตอบ 34495

คำตอบที่ 9
       หายากหน่อยนึงครับ...แต่เท่าที่ทราบ mauser 90 DA เขา copy : browing 9 mm. hi-power มา...ก็เลยให้ดูรูปนี้เล่น ๆ ไปก่อน...ครับ...คุณสมชาย





 แสดงความคิดเห็นย่อย แสดงความคิดเห็นย่อย

2075 จาก ครูหาดใหญ่ 203.113.76.73 อังคาร, 27/2/2550 เวลา : 21:34  IP : 203.113.76.73   

edit แก้ไขคำตอบ   delete ลบคำตอบ 34498

คำตอบที่ 10
       ขอบคุณหลายๆ ครับ 4506 ราคา ณ วันนี้ในท้องตลาด ประมาณไหนครับ เห็นแต่ยี่ห้ออื่นขึ้นเอาๆ สมิท มีแต่ทรงกับทรุด แหมถ้าครูมาขอนแก่น จะพาไปกินซกเล็ก เจ้าประจำผมหน่อย บอกได้คำเดียวว่า แซบ



 แสดงความคิดเห็นย่อย แสดงความคิดเห็นย่อย

se278 จาก สมชาย 203.113.15.246 พุธ, 28/2/2550 เวลา : 08:34  IP : 203.113.15.246   

edit แก้ไขคำตอบ   delete ลบคำตอบ 34506

      

คำตอบแบ่งหน้าละ 30 คำตอบ ขณะนี้คุณอยู่ที่หน้า 1 จาก >>> 1  



website รองรับการใช้งานทุกระบบปฏิบัติการของ PC Tablet SmartPhone ทุกระบบสามารถโพสข้อความและรูปภาพได้โดยไม่ต้องย่อไฟล์
เพื่อความปลอดภัยในการใช้ website WeekendHobby.Com สมาชิก เท่านั้น จึงจะตั้งกระทู้ หรือ ตอบกระทู้ได้ครับ
Login Click ที่นี่
สมัครสมาชิก Click ที่นี่



Since 22, Feb 2001 hit counter View My Stats  Truehits.net      วันเสาร์,14 กุมภาพันธ์ 2569 (Online 3442 คน)