WeekendHobby.com
เครื่องมือในการใช้งาน website =>> สมัครสมาชิก | Login | Logout | เปลี่ยนไอคอนส่วนตัว | เกี่ยวกับเรา | ติดต่อโฆษณา         View stat by Truehits.net


ผมจะซื้อเกียร์สองรถจี๊ปได้ที่ไหนบ้างครับ

จาก m
117.47.93.107
จันทร์ที่ , 24/9/2550
เวลา : 19:57

อ่านแล้ว = 7787 ครั้ง
 เก็บเข้ากระทู้ส่วนตัว
แจ้งตรวจสอบกระทู้
 แจ้งลบ
ส่งหาเพื่อน ส่งหาเพื่อน

       ตอนนี้รถผมเสีย เกียร์สองเข้าไม่ได้ ต้องการหาอะไหล่ครับ
แต่ไม่รู้ว่าจะไปหาซื้อที่ไหนดี ช่วยบอกผมด้วยครับ



 แสดงความคิดเห็นย่อย แสดงความคิดเห็นย่อย

แจ้งเพื่อเก็บขึ้นกระทู้พิเศษ คลิ๊กที่นี่แจ้งเพื่อนำขึ้นกระทู้พิเศษ

คำตอบแบ่งหน้าละ 30 คำตอบ ขณะนี้คุณอยู่ที่หน้า 1 จาก >>> 1  

คำตอบที่ 1
       โอเดี้ยน..มีครับ



 แสดงความคิดเห็นย่อย แสดงความคิดเห็นย่อย

จาก โอเด็จ 222.123.7.50 จันทร์, 24/9/2550 เวลา : 20:57   

edit แก้ไขคำตอบ   delete ลบคำตอบ 17159

คำตอบที่ 2
      
ยังงี้ต้องคุณ savage



 แสดงความคิดเห็นย่อย แสดงความคิดเห็นย่อย

จาก DT 61.90.235.41 จันทร์, 24/9/2550 เวลา : 22:38   

edit แก้ไขคำตอบ   delete ลบคำตอบ 17164

คำตอบที่ 3
       ถ้าเป็นเกียร์จีป 3 เกียร์ เข้าเกียร์ 2ไม่ได้ ลองเปิดน๊อตฝาบนเสื้อเกียร์ออก แล้วใช้ใขควงดันหรือเคาะให้เลื่อนลงมาตำแหน่งเดิม ก็น่าจะใช้ได้แล้วครับ..ไม่ได้เสียครับ แต่มันติดเข้าแล้ว ไม่ยอมกลับคืน สาเหตุที่ผมเจอมักเป็นเพราะน.ม.เกียร์ขาดหรือแห้ง ทำให้น.ม.เกียร์ไหม้แห้งจนกลายเป๊นชแล๊คทำให้เกียร์ติด ไม่สามารถเข้าเกียร์2ได้.. ลองทำดูนะครับ..ไม่ยากครับ



 แสดงความคิดเห็นย่อย แสดงความคิดเห็นย่อย

จาก JUC1564 58.8.129.2 อังคาร, 25/9/2550 เวลา : 12:05   

edit แก้ไขคำตอบ   delete ลบคำตอบ 17200

คำตอบที่ 4
       ขออนุญาตินะครับท่านเจ้าของกระทู้ ขอถามด้วยคนครับ
คือรถผมเข้าเกียร์สโลแล้วชอบดีดออก ผมต้องใช้เชือก
ผูกเอาไว้ ต้องแก้ไขอย่างไรบ้างครับ เป็นเกียร์ M38
















 แสดงความคิดเห็นย่อย แสดงความคิดเห็นย่อย

จาก Ole 222.123.122.170 อังคาร, 25/9/2550 เวลา : 22:17   

edit แก้ไขคำตอบ   delete ลบคำตอบ 17216

คำตอบที่ 5
       เกียร์ 2 ไม่เข้า คงน่าจะเป็นที่ซินโครเมททองเหลือง เกียร์ 2 อาจจะเยินมาก น่าจะเปิดฝาจากด้านบนดูก่อนอย่างคุณJUC1564 แนะนำนะครับ

คุณ Ole เกียร์สโลว์ คงหมายถึงคันเกียร์ Lo - Hi มันดีดบ่อยๆ ลองดูว่าคันเกียร์ มันติดกับพื้นบอดี้รถมากไปหรือเปล่า อย่างเช่นเราอาจโหลด แท่นเกียร์เพื่อแก้มุมเพลา ถ้าไม่ก็ให้ไปดูทีคอหน้าของเกียร์สโลว์ สปริงกับเม็ดลูกปืนกด Shift Rod เปิดได้จากข้างซ้าย - ขวา น่ะ
หากต้องการรูปเพิ่ม ก็เขียนมานะครับ



 แสดงความคิดเห็นย่อย แสดงความคิดเห็นย่อย

จาก Savage 58.9.101.158 พฤหัสบดี, 27/9/2550 เวลา : 10:59   

edit แก้ไขคำตอบ   delete ลบคำตอบ 17298

คำตอบที่ 6
       ขอบคุณมากครับคุณ Savage ที่ให้คำแนะนำ แต่ผมรบกวนส่งรูปให้ดูหน่อยครับ เพราะผมไม่รู้วิธีถอดจริงๆครับ



 แสดงความคิดเห็นย่อย แสดงความคิดเห็นย่อย

จาก Ole 202.184.106.190 พฤหัสบดี, 27/9/2550 เวลา : 12:05   

edit แก้ไขคำตอบ   delete ลบคำตอบ 17305

คำตอบที่ 7
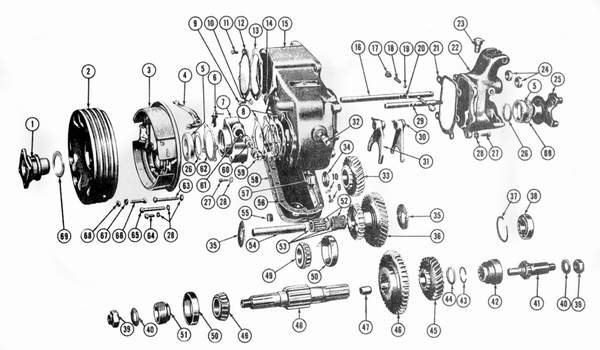
       คุณ Ole ครับผมคิดว่าน่าเข้าถึงได้ โดยไม่ต้องยกเกียร์ลงครับแต่จะทำงานลำบากสักหน่อย โดยเพาะต้องแคะเอาสปริงกับ บอล(เม็ดลูกปืนกลมๆ) ด้านของ Shift rod ที่ติดกับเกียร์เมน(Rod 2WD-4WD) บังเอิญกรณีของของคุณ Ole Shift rod ฝั่งที่มีปัญหาคือ Shift Rod Low-High ซึ่งจะอยู่ด้านนอกฝั่งคนนั่งด้านขวา(พวงมาลัยซ้าย) หากดูจากรูป หมายเลข 18 คือสปริง และ 19 เป็นลูกปืนบอล
ยึดหลักง่ายๆว่า สปริง จะกดลูกบอลเข้ากับ Rods หรือแกนที่มีร่องบากเพื่อไม่ให้มันไม่ขยับตำแหน่งเกียร์ง่ายๆ และทำให้เรารู้สึกได้ว่าเกียร์เข้า หรือไม่เข้า ครับ หวังว่าคงแก้ปัญหาได้นะครับ







 แสดงความคิดเห็นย่อย แสดงความคิดเห็นย่อย

จาก Savage 58.10.21.34 พฤหัสบดี, 27/9/2550 เวลา : 14:36   

edit แก้ไขคำตอบ   delete ลบคำตอบ 17338

คำตอบที่ 8
       หน้าตา ของสปริง กับ ลูกปืนบอลครับ





 แสดงความคิดเห็นย่อย แสดงความคิดเห็นย่อย

จาก Savage 58.10.21.34 พฤหัสบดี, 27/9/2550 เวลา : 14:38   

edit แก้ไขคำตอบ   delete ลบคำตอบ 17341

คำตอบที่ 9
       ภาพวางกลับกัน อยู่นะครับ
ตอนวางอยู่ในรถ ขวาจะเป็น Rod Low-High ตรงกับคันเกียร์ สโลว์ของเรา






 แสดงความคิดเห็นย่อย แสดงความคิดเห็นย่อย

จาก Savage 58.10.21.34 พฤหัสบดี, 27/9/2550 เวลา : 14:45   

edit แก้ไขคำตอบ   delete ลบคำตอบ 17347

คำตอบที่ 10
       ขอบคุณมากครับทั้งทางด้านข้อมูลและคำแนะนำ
ไม่ทราบว่าคุณ Savage พอที่จะให้เบอร์โทรผมได้หรือ
เปล่าครับผื่อมีอะไรติดขัดจะได้โทรคุยได้
ขอบคุณมากครับ

















 แสดงความคิดเห็นย่อย แสดงความคิดเห็นย่อย

จาก Ole 117.47.28.110 พฤหัสบดี, 27/9/2550 เวลา : 21:19   

edit แก้ไขคำตอบ   delete ลบคำตอบ 17362

คำตอบที่ 11
       คุณ Savage ครับ เกียร์มิตซุพอจะแนะนำได้หรือเปล่าครับ



 แสดงความคิดเห็นย่อย แสดงความคิดเห็นย่อย

จาก Dt 61.90.235.197 พฤหัสบดี, 27/9/2550 เวลา : 23:58   

edit แก้ไขคำตอบ   delete ลบคำตอบ 17364

คำตอบที่ 12
       คุณ Ole เบอร์ติดต่อครับ 086-570-0070 ยินดีให้คำแนะนำ เท่าที่พอรู้ครับ

คุณ DT เกียร์ มิตซูผมไม่มีประสพการณ์ตรง ก็คงให้คำแนะนำได้แบบกว้างๆ ทั้งเกียร์ 3 speed หรือ 4 speed รวมทั้งเกียร์สโลว์ จี๊บมิตซูก็มีการออกแบบและทำงานใกล้เคียงจี๊บ ซีเจอยู่มากเหมือนกัน



 แสดงความคิดเห็นย่อย แสดงความคิดเห็นย่อย

จาก Savage 58.10.21.231 ศุกร์, 28/9/2550 เวลา : 12:29   

edit แก้ไขคำตอบ   delete ลบคำตอบ 17391

คำตอบที่ 13
       นี่ครับคุณ Savage รของผมเอง





 แสดงความคิดเห็นย่อย แสดงความคิดเห็นย่อย

จาก Ole 124.157.209.199 พุธ, 3/10/2550 เวลา : 22:17   

edit แก้ไขคำตอบ   delete ลบคำตอบ 17611

      

คำตอบแบ่งหน้าละ 30 คำตอบ ขณะนี้คุณอยู่ที่หน้า 1 จาก >>> 1  



website รองรับการใช้งานทุกระบบปฏิบัติการของ PC Tablet SmartPhone ทุกระบบสามารถโพสข้อความและรูปภาพได้โดยไม่ต้องย่อไฟล์
เพื่อความปลอดภัยในการใช้ website WeekendHobby.Com สมาชิก เท่านั้น จึงจะตั้งกระทู้ หรือ ตอบกระทู้ได้ครับ
Login Click ที่นี่
สมัครสมาชิก Click ที่นี่



Since 22, Feb 2001 hit counter View My Stats  Truehits.net      วันอาทิตย์,19 เมษายน 2569 (Online 942 คน)