WeekendHobby.com
เครื่องมือในการใช้งาน website =>> สมัครสมาชิก | Login | Logout | เปลี่ยนไอคอนส่วนตัว | เกี่ยวกับเรา | ติดต่อโฆษณา         View stat by Truehits.net


อยู่ตรงไหนของเกียร์
a-one
จาก MVLJ
58.64.51.62
เสาร์ที่ , 30/4/2554
เวลา : 15:12

อ่านแล้ว = 6935 ครั้ง
 เก็บเข้ากระทู้ส่วนตัว
แจ้งตรวจสอบกระทู้
 แจ้งลบ
ส่งหาเพื่อน ส่งหาเพื่อน

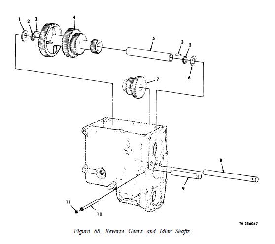
       บางท่านเรียกว่า ลิ้นหมา บางท่านเรียก ตัวหนอน
รถผม M151 A1 มีปัญหาตัวนี้แหละครับ หลุดออกมาตอนเปลี่ยนน้ำมันเกียร์
รบกวนถามหน่อยครับว่า มันอยู่ตรงไหน..??






 แสดงความคิดเห็นย่อย แสดงความคิดเห็นย่อย

แจ้งเพื่อเก็บขึ้นกระทู้พิเศษ คลิ๊กที่นี่แจ้งเพื่อนำขึ้นกระทู้พิเศษ

คำตอบแบ่งหน้าละ 30 คำตอบ ขณะนี้คุณอยู่ที่หน้า 1 จาก >>> 1  

คำตอบที่ 1
       ดูแล้วดูอีกก็ไม่รู้ว่ามันเป็นตัวไหน..






 แสดงความคิดเห็นย่อย แสดงความคิดเห็นย่อย

a-one จาก MVLJ 58.64.51.62 เสาร์, 30/4/2554 เวลา : 15:15   

edit แก้ไขคำตอบ   delete ลบคำตอบ 104064

คำตอบที่ 2
      





 แสดงความคิดเห็นย่อย แสดงความคิดเห็นย่อย

a-one จาก MVLJ 58.64.51.62 เสาร์, 30/4/2554 เวลา : 15:16   

edit แก้ไขคำตอบ   delete ลบคำตอบ 104065

คำตอบที่ 3
       ??





 แสดงความคิดเห็นย่อย แสดงความคิดเห็นย่อย

a-one จาก MVLJ 58.64.51.62 เสาร์, 30/4/2554 เวลา : 15:17   

edit แก้ไขคำตอบ   delete ลบคำตอบ 104066

คำตอบที่ 4
       ช่วยบอกด้วยครับ..





 แสดงความคิดเห็นย่อย แสดงความคิดเห็นย่อย

a-one จาก MVLJ 58.64.51.62 เสาร์, 30/4/2554 เวลา : 15:20   

edit แก้ไขคำตอบ   delete ลบคำตอบ 104067

คำตอบที่ 5
       น่าจะเป็นตัวเดียวกันครับ ของผมก็ออกมาตอนถ่ายน้ำมันเครื่อง
จะเป็นตัวล็อก ระหว่างเฟืองร่วมซิลโคเมท (เฟืองทองเหลือง) มีสี่ตัว มีอาการเสียงดัง
ว้าวๆ ในห้องเกียร์ ระหว่างถอนคันเร่งเกียร์จะหลุด ยกลงมาซ่อมอาการหาย






 แสดงความคิดเห็นย่อย แสดงความคิดเห็นย่อย

กล้วยตาก จาก TMVC-134กล้วยตาก 223.206.0.3 อาทิตย์, 1/5/2554 เวลา : 14:16   

edit แก้ไขคำตอบ   delete ลบคำตอบ 104119

คำตอบที่ 6
       ตัวล็อก ระหว่างเฟืองร่วมซิลโคเมท งั้นน่าจะเป็นตัวนี้..
ปัญหาต่อมาก็ ยกเกียร์นี้แหละ






ยกลงแน่นอนครับ ปกติจะไม่หลุดออกมามีเฟืองบังคับอยู่ ต่อเมื่อเฟืองทองเหลือง-แหวนรองสึก จะหลุดหลวมออกมา
จาก : กล้วยตาก(กล้วยตาก) 2/5/2554 9:34:32 [101.109.47.139]
ตามตัวอย่างทั้งสี่ตัวไม่ถูกบดบี้ เฟืองอื่นคงไม่เสียหายของผมถูกบดไปสอง เปลี่ยนชุดซิลโคเมทโดนไปสี่พัน
จาก : กล้วยตาก(กล้วยตาก) 2/5/2554 9:40:21 [101.109.47.139]
 แสดงความคิดเห็นย่อย แสดงความคิดเห็นย่อย

a-one จาก MVLJ 58.64.51.25 จันทร์, 2/5/2554 เวลา : 07:16   

edit แก้ไขคำตอบ   delete ลบคำตอบ 104165

คำตอบที่ 7
       เปิดฝาดูแล้วครับ มันไม้มีเจ้าตัวนี้อยู่ในร่องเลย
ขอบร่องเฟืองทองเหลืองสึกบ้าง แต่ฟันยังดีอยู่





 แสดงความคิดเห็นย่อย แสดงความคิดเห็นย่อย

a-one จาก MVLJ 58.64.51.53 จันทร์, 2/5/2554 เวลา : 14:51   

edit แก้ไขคำตอบ   delete ลบคำตอบ 104188

คำตอบที่ 8
       ไหนๆก็ซื่อตัวหนอนมาแล้ว เลยลองใส่ดูแบบไม่ถอดเฟือง ใส่ยากมากทั้งตัวหนอน ทั้งสปริง
ตัวหนอนฟิตมาก ความกว้างพอดี แต่ความหนาเหมือนจะติด เลื่อนเฟืองได้ไม่สุด เข้าเกียร์ 3 - 4 ไม่ได้เลย เป็นอะไรนี้ หรือว่าตัวหนอนผิดขนาด

M151 มีเกียร์กีแบบครับ ตัวหนอนมีกี่ขนาดครับ





ตอนทดลองอย่าลืมราดน้ำมันเกียร์ไปด้วยนะครับ จะได้ไม่ฟืด
จาก : กล้วยตาก(กล้วยตาก) 2/5/2554 16:54:47 [101.109.47.139]
ปกติตัวหนอนจะขยับได้ ให้ตัวได้นิดหน่อย ทดลองโดยใช้มือดันเฟืองร่วมเลื่อนไปมาได้จะมีจังวะดังกรึบกรับ/ก
จาก : กล้วยตาก(กล้วยตาก) 2/5/2554 17:05:01 [101.109.47.139]
 แสดงความคิดเห็นย่อย แสดงความคิดเห็นย่อย

a-one จาก MVLJ 58.64.51.53 จันทร์, 2/5/2554 เวลา : 15:00   

edit แก้ไขคำตอบ   delete ลบคำตอบ 104191

คำตอบที่ 9
       ลองใส่น้ำมันแล้วครับ ขยับได้นิดหน่อย แต่ไปไม่ถึงเฟืองขับ ทำให้เข้าเกียร์ 3, 4 ไม่ได้
เหมือนมันติดสันตัวหนอน งง...





ระหว่างขยับเฟืองร่วมให้หมุนปลายเพลาเกียร์สี่ไปด้วย ไม่ได้คงต้องเอาตัวหนอนออกมาใหม่ เปรียบเทียบกับของ
จาก : กล้วยตาก(กล้วยตาก) 3/5/2554 9:00:09 [182.53.149.67]
เดิมดู ไม่ใส่ขยับเฟืองร่วมได้สะดวกมะ เฟืองสามสี่มีรอยบิ่นมะ มีเศษชิ้นส่วนขัดอยู่หรือไม่/กล้วยตาก
จาก : กล้วยตาก(กล้วยตาก) 3/5/2554 9:07:29 [182.53.149.67]
 แสดงความคิดเห็นย่อย แสดงความคิดเห็นย่อย

a-one จาก MVLJ 58.64.51.251 อังคาร, 3/5/2554 เวลา : 06:28   

edit แก้ไขคำตอบ   delete ลบคำตอบ 104255

คำตอบที่ 10
       ผมคิดว่า เหตุที่ตัวหนอนหลุดน่าจะเกิดจาก 1.ตัวหนอนสึก ซึ่งจะทำใหเกียร์หลุดตอนวิ่งอยู่
2. แหวนล็อคตัวหนอน ความเป็นสปริงล้า ทำให้ตัวหนอนหลุดได้เช่นกัน เมื่อเปลี่ยนตัวหนอนแล้วควรเปลลี่ยนแหวนล๊อคด้วยครับ
3.เมื่อประกอบแล้วเข้าเกียร์ไม่ได้ ต้องทำแบบที่ท่านกล้วยตากแนะนำครับ การเข้าเกียร์ในเกียร์สูงต้องเข้าระหว่างที่เกียร์มีความเร็วครับ โดยเฟืองทองเหลือง(blocking ring)ซึ่งด้านในเฟืองจะมีเกลียวแบบละเอียด จะเป็นตัวปรับให้เฟืองทั้ง3ตัวได้แก่เฟืองชุดซิงโครเมท และเฟืองที่ปลายเกียร์( หรือที่เรียกว่าเฟืองเม็ดข้าวโพด ) และเฟืองทองเหลืองหมุนมาตรงกันจึงจะเข้าเกียร์ได้ครับ เมื่อถอดเกียร์ออกมาแล้วก็ตรวจสอบดูเฟืองทองเหลืองด้วยว่าเกลียวที่ว่าสึกมากหรือยัง ถ้าสึกมากก็แนะนำให้เปลี่ยนเสียพร้อมกันเลยครับ





 แสดงความคิดเห็นย่อย แสดงความคิดเห็นย่อย

classicwagon จาก classicjeep 202.44.210.31 อังคาร, 3/5/2554 เวลา : 12:44   

edit แก้ไขคำตอบ   delete ลบคำตอบ 104331

คำตอบที่ 11
       ลองหมุด ลองวิ่งเร็วๆดูแล้วครับ ยังเข้าเกียร์ 3, 4 ไม่ได้ มันเลื่อนได้แต่ไปไม่ถึงเฟืองเม็ดข้าวโพด แหวนล็อคยังไม่ได้เปลี่ยน ดูเหมือนตัวหนอนหนาเกิน จะหาตัวเดิมมาเทียบก็ไม่รู้ไว้ตรงไหน หาไม่เจอ เดี๋ยวลองค้นดูอีกที
คงต้องยกมาถอดดูแล้วครับ ทำตามที่คุณกล้วยตาก และคุณ Classic jeep แนะนำ

นึกว่าจะง่ายๆ.....



ขอให้สำเร็จให้จงได้ เป็นกำลังใจให้ครับ
จาก : กล้วยตาก(กล้วยตาก) 4/5/2554 9:46:49 [101.109.35.141]
 แสดงความคิดเห็นย่อย แสดงความคิดเห็นย่อย

a-one จาก MVLJ 57.73.25.166 อังคาร, 3/5/2554 เวลา : 17:48   

edit แก้ไขคำตอบ   delete ลบคำตอบ 104375

คำตอบที่ 12
       ปรมาจารย์ท่านว่า ยกเกียร์ต้องยกเครื่องด้วย จริงอย่างว่า ถ้าไม่ยกเครื่อง มันจะติดนั้นติดนี้ ยกไม่ออก สงสัยออกแบบมาใช่ในกองทัพมั้ง เพราะมีทั้งคนมีทั้งเครื่องมือพร้อม





 แสดงความคิดเห็นย่อย แสดงความคิดเห็นย่อย

a-one จาก MVLJ 58.64.51.57 อาทิตย์, 8/5/2554 เวลา : 23:29   

edit แก้ไขคำตอบ   delete ลบคำตอบ 104786

คำตอบที่ 13
       ลื้อเกียร์แล้ว วิ่งไปอู่ไม่ได้แล้ว ทำต่อเลย อยากรู้
ลองเจียร์ตัวหนอนให้บางลงนิดหน่อย เดิมอยู่ที่ 2 หุน เจียร์ออกไม่แน่ใจว่าเท่าไหร่ มีแต่เวอร์เนียพลาสติก ไม่ละเอียด






 แสดงความคิดเห็นย่อย แสดงความคิดเห็นย่อย

a-one จาก MVLJ 58.64.51.57 อาทิตย์, 8/5/2554 เวลา : 23:37   

edit แก้ไขคำตอบ   delete ลบคำตอบ 104787

คำตอบที่ 14
       ประกอบตัวหนอนเข้าที่ หยอดน้ำมันตามคำแนะนำ ลองเลื่อนเฟืองดู หมุนๆขยับนิดหน่อย ใช่ได้ครับ คราวนี้ไม่ติดอะไรแล้ว เลื่อนได้ถึงเฟืองเม็ดข้าวโพดทั้ง เกียร์ 3 และ 4
ลองประกอบคืนและวิ่งรถดู ใช่ได้ครับ ลื่นดี ไม่ติด





 แสดงความคิดเห็นย่อย แสดงความคิดเห็นย่อย

a-one จาก MVLJ 58.64.51.57 อาทิตย์, 8/5/2554 เวลา : 23:53   

edit แก้ไขคำตอบ   delete ลบคำตอบ 104788

คำตอบที่ 15
       สรุปเอาเองว่า...
1. จะยกเกียร์ ต้องยกเครื่อง
2. เปลี่ยนตัวหนอน เปลี่ยนสปริงไม่ต้องยกเกียร์ แต่ทำยาก เหมาะกับจี๊ปต้นทุนต่ำ
3. ตัวหนอน บางกว่า 2 หุน
4. มีปัญหา มาที่ web นี้ได้ มีทั้งน้ำใจและคำแนะนำ

ขอบคุณ คุณกล้วยตาก คุณClassicjeep และคุณเรย์ ครับ ที่ช่วยแนะนำ




 แก้ไขเมื่อ : 9/5/2554 16:28:11



ยกเกียร์ไม่ต้องยกเครื่องออกก็ได้ครับเพียงแต่มันมีข้อเสียหลายอย่างกว่ายกเครืองออกด้วยครับ
จาก : เรย์tmvc024(เรย์tmvc024) 9/5/2554 18:00:15 [223.204.57.133]
 แสดงความคิดเห็นย่อย แสดงความคิดเห็นย่อย

a-one จาก MVLJ 58.64.51.57 จันทร์, 9/5/2554 เวลา : 00:08   

edit แก้ไขคำตอบ   delete ลบคำตอบ 104789

คำตอบที่ 16
       ยินดีด้วยครับ ที่ช่วยตัวเองจนสำเร็จ แสดงว่าต้องเป็นช่างแน่นอน แต่เอ๊ะ ผมใช้คำพูดถูกนะ555



555..พูดถูกแล้วครับ ช่วยตัวเองบ่อยแต่บางครั้งก็มีคนช่วย ไม่ได้เป็นช่างยนต์หรอกครับ แต่ชอบอาศัยถามเอา
จาก : MVLJ(a-one) 9/5/2554 16:26:45 [57.73.25.166]
 แสดงความคิดเห็นย่อย แสดงความคิดเห็นย่อย

classicwagon จาก classicjeep 203.146.104.35 จันทร์, 9/5/2554 เวลา : 10:02   

edit แก้ไขคำตอบ   delete ลบคำตอบ 104799

      

คำตอบแบ่งหน้าละ 30 คำตอบ ขณะนี้คุณอยู่ที่หน้า 1 จาก >>> 1  



website รองรับการใช้งานทุกระบบปฏิบัติการของ PC Tablet SmartPhone ทุกระบบสามารถโพสข้อความและรูปภาพได้โดยไม่ต้องย่อไฟล์
เพื่อความปลอดภัยในการใช้ website WeekendHobby.Com สมาชิก เท่านั้น จึงจะตั้งกระทู้ หรือ ตอบกระทู้ได้ครับ
Login Click ที่นี่
สมัครสมาชิก Click ที่นี่



Since 22, Feb 2001 hit counter View My Stats  Truehits.net      วันอาทิตย์,19 เมษายน 2569 (Online 919 คน)