WeekendHobby.com
เครื่องมือในการใช้งาน website =>> สมัครสมาชิก | Login | Logout | เปลี่ยนไอคอนส่วนตัว | เกี่ยวกับเรา | ติดต่อโฆษณา         View stat by Truehits.net


ปัญหาเครื่อง M151 A1เย็นสตาร์ทง่าย ร้อนสตาร์ทยาก แก้ไงดี
a-one
จาก MVLJ
57.73.25.165
จันทร์ที่ , 20/6/2554
เวลา : 12:23

อ่านแล้ว = 4189 ครั้ง
 เก็บเข้ากระทู้ส่วนตัว
แจ้งตรวจสอบกระทู้
 แจ้งลบ
ส่งหาเพื่อน ส่งหาเพื่อน

       แนะนำหน่อยครับ M151 A1 เครื่องเดิม เวลาเครื่องเย็นสตาร์ทที่เดียวติด เดินเครื่องไปซัก 10 ~ 15 นาที รอบเริ่มสดุด แล้วก็ดับ คราวนี้แหละสตาร์ทยังไงก็ไม่ติด ทิ้งไว้พักใหญ่ๆ จึงสตาร์ทได้






 แสดงความคิดเห็นย่อย แสดงความคิดเห็นย่อย

แจ้งเพื่อเก็บขึ้นกระทู้พิเศษ คลิ๊กที่นี่แจ้งเพื่อนำขึ้นกระทู้พิเศษ

คำตอบแบ่งหน้าละ 30 คำตอบ ขณะนี้คุณอยู่ที่หน้า 1 จาก >>> 1  

คำตอบที่ 1
       ที่เปลี่ยนไปแล้วคือ กะลา, หัวนกกระจอก, หัวเที่ยน, CDI (ไม่รู้เรียกถูกหรือเปล่า)






 แสดงความคิดเห็นย่อย แสดงความคิดเห็นย่อย

a-one จาก MVLJ 57.73.25.165 จันทร์, 20/6/2554 เวลา : 12:28   

edit แก้ไขคำตอบ   delete ลบคำตอบ 108083

คำตอบที่ 2
       ทำเพิ่มเติมคือ ตั้งวาล์ว, ตั้งโชค และ ล้างคาบูร์
ท่านใดมีประสบการณ์ แนะนำด้วยครับ..




 แก้ไขเมื่อ : 20/6/2554 14:14:14



 แสดงความคิดเห็นย่อย แสดงความคิดเห็นย่อย

a-one จาก MVLJ 57.73.25.165 จันทร์, 20/6/2554 เวลา : 12:34   

edit แก้ไขคำตอบ   delete ลบคำตอบ 108085

คำตอบที่ 3
       อาการนี้น่าจะเป็น Coil ครับ



 แสดงความคิดเห็นย่อย แสดงความคิดเห็นย่อย

กล้วยตาก จาก tmvc-134กล้วยตาก 182.53.159.64 จันทร์, 20/6/2554 เวลา : 13:28   

edit แก้ไขคำตอบ   delete ลบคำตอบ 108094

คำตอบที่ 4
       ถอดเอาคอยล์จุดระเบิดอันเก่าออกมาแล้วโยนไปให้ไกลแล้วเอาอันใหม่มาเปลี่ยน





โยนใกลๆก็ยังไม่พอ ต้องโยนลงแม่น้ำไปเลยครับ
จาก : tmvc031(tmvc031) 20/6/2554 20:27:39 [113.53.41.8]
 แสดงความคิดเห็นย่อย แสดงความคิดเห็นย่อย

เรย์tmvc024 จาก เรย์tmvc024 223.206.131.238 จันทร์, 20/6/2554 เวลา : 20:05   

edit แก้ไขคำตอบ   delete ลบคำตอบ 108107

คำตอบที่ 5
       คิดแล้วว่าจะมีสอง สามท่านนี้แหละเข้ามาช่วย ไม่ผิดหวังครับ
แต่ก่อนโยน coil ทิ้ง ขอหาของใหม่ก่อน....หา ..หา ..หา..






ผมว่าเก็บไว้แลกเบียร์ดีกว่าครับ JEEPหนองมน
จาก : แลนด์หนองมน(แลนด์หนองมน) 21/6/2554 13:34:40 [182.53.197.93]
K. Jeep หนองมน มาก็ดีแล้ว ฝากถามดาบเจี๋ยบให้หน่อยซิว่ามีไหม
จาก : MVLJ(a-one) 21/6/2554 16:51:52 [57.73.25.165]
 แสดงความคิดเห็นย่อย แสดงความคิดเห็นย่อย

a-one จาก MVLJ 57.73.25.165 อังคาร, 21/6/2554 เวลา : 12:43   

edit แก้ไขคำตอบ   delete ลบคำตอบ 108174

คำตอบที่ 6
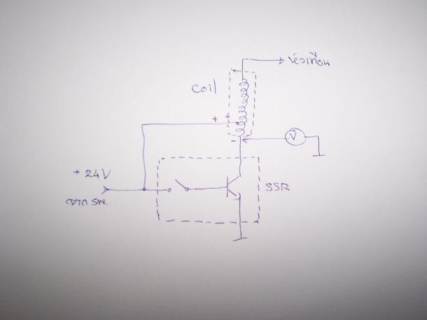
       เนื่องจากอยู่ระหว่างรอคอยล์ เลยลองคิดอะไรเล่นๆ
วงจรจุดระเบิดน่าจะคล้ายๆแบบนี้





 แสดงความคิดเห็นย่อย แสดงความคิดเห็นย่อย

a-one จาก MVLJ 57.73.25.165 พฤหัสบดี, 23/6/2554 เวลา : 12:43   

edit แก้ไขคำตอบ   delete ลบคำตอบ 108498

คำตอบที่ 7
       จึงลองวัด Volt ที่ขั้วของ Coil เทียบกับ ขั้ว Batt





 แสดงความคิดเห็นย่อย แสดงความคิดเห็นย่อย

a-one จาก MVLJ 57.73.25.165 พฤหัสบดี, 23/6/2554 เวลา : 12:45   

edit แก้ไขคำตอบ   delete ลบคำตอบ 108499

คำตอบที่ 8
       ตอนเครื่องเย็น ขั้ว Coil = 17.78 V
ขั้ว Batt = 27.24 V






 แสดงความคิดเห็นย่อย แสดงความคิดเห็นย่อย

a-one จาก MVLJ 57.73.25.165 พฤหัสบดี, 23/6/2554 เวลา : 12:48   

edit แก้ไขคำตอบ   delete ลบคำตอบ 108500

คำตอบที่ 9
       ตอนเครื่องร้อน ที่ Coil = 26.53 V ที่ Batt = 26.81 V
ใกล้เคียงกันมาก เเสดงว่า Coil ช๊อตรอบแน่นอน ....เสร็จแล้วก็รอคอยล์ต่อ....



ระหว่างรอขอแจ้งราคายาง 700-16 ซุปเปอร์สโตนเส้นละ 2800 ของใหม่ถ้าสั่ง 3กค ส่งให้ครับ
จาก : แลนด์หนองมน(แลนด์หนองมน) 23/6/2554 15:21:24 [182.53.205.185]
ขอ 2 เส้นครับ ใส่ไปแล้ว 3 ตอนนี้ตะแคงวิ่งอยู่ จะเอามาใส่ 1 ยางอะไหล่ 1 จาได้วิ่งตรงๆซะที ขอบคุณครับ
จาก : MVLJ(a-one) 23/6/2554 15:47:47 [57.73.25.165]
3 กค เดี๋ยวJEEPหนองมนจัดให้ครับแต่วันขอตัวไปนั่งกรรมฐานก่อน
จาก : แลนด์หนองมน(แลนด์หนองมน) 24/6/2554 10:00:56 [101.109.142.248]
 แสดงความคิดเห็นย่อย แสดงความคิดเห็นย่อย

a-one จาก MVLJ 57.73.25.165 พฤหัสบดี, 23/6/2554 เวลา : 12:58   

edit แก้ไขคำตอบ   delete ลบคำตอบ 108501

คำตอบที่ 10
       ช่วยอีกทีครับ ตอนนี้ลองเปลี่ยน coil ไปแล้ว 2 ตัว ของใหม่
ตัวแรกจาก US อีกตัวจาก ตุรกี อาการเหมือนเดิม หรือว่า coil เสียหมด





 แสดงความคิดเห็นย่อย แสดงความคิดเห็นย่อย

Jeepหนองมน จาก MVLJ 58.64.51.24 ศุกร์, 15/7/2554 เวลา : 10:42   

edit แก้ไขคำตอบ   delete ลบคำตอบ 109644

คำตอบที่ 11
       ใช่ได้แล้วคร๊าบ....สังเกตุดู CDI ตัวใหม่ที่เปลี่ยนไปมันขูดกับตัวนกกระจอกเป็นรอยรอบตัว เลยเอาตัวเก่าเปลี่ยนคืน
แล้วใช่ coil ใหม่ ติดเครื่องทิ้งไว้ครึ่งชั่วโมงก็ไม่ดับ เลยลองวิ่งดูเกื่อบชั่วโมง ไม่มีปัญหา ขับมันมากๆ ตั้งแต่ได้มา ขับยาวๆก็ครั้งนี้เอง

สรุป Coil เก่าเสียหนึ่งตัว, CDI ตัวใหม่ใส่ไม่ดี เสียอีกตัว
ขอบคุณทุกท่านที่ให้คำแนะนำครับ





ดีใจด้วยนะครับที่แก้ปัญหาได้แล้ว ผมว่าเอาปัญหามาถามขอความช่วยเหลิอบนwebเท่ากับเป็นวิทยาทานแก่คนด้วย
จาก : pamonpol(pamonpol) 16/7/2554 8:37:54 [182.53.123.18]
เห็นด้วยอย่างยิ่งครับ ผมค้นหลายที่แล้วไม่มีเลยถามบน web มีกูรูหลายท่านมาช่วย ท่านอื่นจะได้อ่านด้วย
จาก : MVLJ(a-one) 17/7/2554 0:01:50 [58.64.104.45]
 แสดงความคิดเห็นย่อย แสดงความคิดเห็นย่อย

Jeepหนองมน จาก MVLJ 58.64.104.187 ศุกร์, 15/7/2554 เวลา : 21:51   

edit แก้ไขคำตอบ   delete ลบคำตอบ 109673

คำตอบที่ 12
       ขอบคุณสำหรับความรู้ดีๆ



 แสดงความคิดเห็นย่อย แสดงความคิดเห็นย่อย

petai จาก petaiKorat 223.204.49.166 พฤหัสบดี, 21/7/2554 เวลา : 17:07   

edit แก้ไขคำตอบ   delete ลบคำตอบ 110031

      

คำตอบแบ่งหน้าละ 30 คำตอบ ขณะนี้คุณอยู่ที่หน้า 1 จาก >>> 1  



website รองรับการใช้งานทุกระบบปฏิบัติการของ PC Tablet SmartPhone ทุกระบบสามารถโพสข้อความและรูปภาพได้โดยไม่ต้องย่อไฟล์
เพื่อความปลอดภัยในการใช้ website WeekendHobby.Com สมาชิก เท่านั้น จึงจะตั้งกระทู้ หรือ ตอบกระทู้ได้ครับ
Login Click ที่นี่
สมัครสมาชิก Click ที่นี่



Since 22, Feb 2001 hit counter View My Stats  Truehits.net      วันอาทิตย์,19 เมษายน 2569 (Online 921 คน)