WeekendHobby.com
เครื่องมือในการใช้งาน website =>> สมัครสมาชิก | Login | Logout | เปลี่ยนไอคอนส่วนตัว | เกี่ยวกับเรา | ติดต่อโฆษณา         View stat by Truehits.net


น้ำมันเกียร์และเฟืองท้ายของจิ๊ป
สวป.
จาก สวป.
110.77.232.244
พุธที่ , 13/7/2554
เวลา : 14:00

อ่านแล้ว = 4063 ครั้ง
 เก็บเข้ากระทู้ส่วนตัว
แจ้งตรวจสอบกระทู้
 แจ้งลบ
ส่งหาเพื่อน ส่งหาเพื่อน

       อยากทราบว่าน้ำมันเกียร์และน้ำมันเฟืองท้ายของเกียร์จี๊ป 3 เกียร์dana ต้องใช้เบอร์อะไรถึงจะเหมาะสมครับ


 แสดงความคิดเห็นย่อย แสดงความคิดเห็นย่อย

แจ้งเพื่อเก็บขึ้นกระทู้พิเศษ คลิ๊กที่นี่แจ้งเพื่อนำขึ้นกระทู้พิเศษ

คำตอบแบ่งหน้าละ 30 คำตอบ ขณะนี้คุณอยู่ที่หน้า 1 จาก >>> 1  

คำตอบที่ 1
       เกียร์ = 90...เฟืองท้าย = 140 ครับ...



 แสดงความคิดเห็นย่อย แสดงความคิดเห็นย่อย

TMVC-003 จาก จิ๊ปกบฏ 58.8.192.49 พุธ, 13/7/2554 เวลา : 14:07   

edit แก้ไขคำตอบ   delete ลบคำตอบ 109584

คำตอบที่ 2
       ขอบคุณครับ .. ช่างบางคนว่าเกียร์จิ๊ปใช้น้ำมันเกียร์ที่ข้นๆดี จริงหรือเปล่าครับ แต่ผมก็ใช้เบอร์90 ของผมซ่อมบ่าลูกปืนและเปลี่ยนลูกปืนแล้วทำไมเสียงมันยังหอนอยู่ครับวิ่งเกียร์3 ประมาณ70 ขึ้นไปถึงหอน วิธีแก้ไขอย่างไรครับ



 แสดงความคิดเห็นย่อย แสดงความคิดเห็นย่อย

สวป. จาก สวป. 110.77.232.146 พฤหัสบดี, 21/7/2554 เวลา : 12:47   

edit แก้ไขคำตอบ   delete ลบคำตอบ 109984

คำตอบที่ 3
       ลองเปลี่ยนน้ำมันเกียร์&เฟืองท้ายจากเบอร์90 เป็น120 ดูครับถ้ายังหอนต้องรื้อเฟืองเกียร์หรือราวเฟืองเกียร์ดูครับถ้าสึกหรอมากก็เปลี่ยนแต่ถ้าดีหน่อยก็Overhorn gear ใหม่เลยครับแน่นอน





แต่ถ้าระยะยาวไม่แนะนำให้ใช้เบอร์140 ครับใช้90 เหมาะสมกว่าครับ
จาก : aon80(aon80) 21/7/2554 14:17:15 [182.52.104.106]
ขอแก้ไขรีบพิมพ์ไปหน่อยไม่ใช่120นะเป็น140ครับ
จาก : aon80(aon80) 21/7/2554 14:21:15 [182.52.104.106]
 แสดงความคิดเห็นย่อย แสดงความคิดเห็นย่อย

aon80 จาก aon80 182.52.104.106 พฤหัสบดี, 21/7/2554 เวลา : 14:10   

edit แก้ไขคำตอบ   delete ลบคำตอบ 109990

คำตอบที่ 4
       น้ำมันเกียร์
เกียร์ มี2 ประเภทหลักๆ คือเกียร์ส่งกำลัง ทั้งเกียร์ธรรมดา และเกียร์อัตโนมัติ อีกประเภทคือ เฟืองท้าย ซึ่งมักจะเป็นแบบ ไฮปอยด์เกียร์

เฟืองเกียร์หลักๆ มี 4 แบบ ทั้งแบบ Spur Gears ฟันตรง ขบกัน
Helical Gears ฟันเฉียงขับกัน
Skew Gears เฟืองเล็กขบเยื้องเฟืองใหญ่
และ Hypoid Gears เฟืองเล็ก หมุนอยู่บนจานขนาดใหญ่
คล้ายกับเข็มที่หมุนอ่านไปบนจ่านแผ่นเสียง

หน้าที่ของน้ำมันเกียร์คือ
-ลดแรงเสียดทานและสึกหรอ
-ลดเสียงดังและการสั่นสะเทือนในเรือนเกียร์
-ชะล้างเศษโลหะจากหน้าฟันเกียร์ที่เกิดจากการกระเทือนและเสียดสี
-ป้องกันสนิม และการกัดกร่อน

คุณสมบัติของน้ำมันเกียร์ธรรมดาและเฟืองท้าย
-ควรจะมีสารรับแรงกดสูง Additive เคลือบผิวฟันเกียร์
-ทนความร้อนและปฏิกิริยาอ็อกซิเดชัน
-ไม่กัดกร่อนวัสดุในเรือนเกียร์

การเลือกใช้ ยังคงดูตามมาตรฐานทั้งด้านความหนืดจาก SAE ทั้งแบบ 70W 75W 80W 90 140 80W-90 และมาตรฐานสมรรถนะจาก API ทั้ง GL-1 จนถึง GL-5

GL1 = รถที่ใช้ Spiral bevel & worm gear axles (เฟืองตัวหนอน) ใช้งานเบา เป็นน้ำมันแร่ อาจเติมสารกันฟอง
GL-2 = ใช้กับเฟืองตัวหนอน ทำงานรับน้ำหนักและความร้อนสูงกว่า GL-1
GL-3 = เกียร์ธรรมดา และ Spiral bevel axles
GL-4 = ไฮปอยด์เกียร์ ทำงานใต้สภาวะ ความเร็วสูง แรงบิดต่ำ หรือ ความเร็วต่ำแต่แรงบิดสูง
GL-5 = ไฮปอยด์เกียร์ ทำงานใต้สภาวะ ความเร็วต่ำ แต่มีการกดดันสูง แรงบิดสูง หรือ ความเร็วสูง แรงบิดต่ำ


ส่วน น้ำมันเกียร์อัตโนมัติ นั้น จะทำหน้าที่
-ส่งถุ่ายกำลังในระบบ Torque converter
-หล่อลื่นป้องกันการสึกหรอในชุดเกียร์
-หล่อลื่นระบบคลัชต์เปียก
-เป็นน้ำมันไฮโดรลิกในระบบสมองกลควบคุมการทำงานของเกียร์
-ระบายความร้อนในเรือนเกียร์

คุณสมบัติที่ควรมีก็คือ
-มีความหนืดเหมาะสม
-ทนทานต่อแรงเฉือน
-ทนความร้อนและปฏิกิริยาอ็อกซิเดชัน
-ป้องกันการเกิดฟอง
-ต้านความฝืดได้อย่างเหมาะสม

มาตรฐานน้ำมันเกียร์อัตโนมัตินั้น หลักๆมีทั้ง

General Motors (GM) Dexron
-Dexron IID ,Dexron IIE (พัฒนาขึ้นจาก IID เพิ่มการต้านทานความฝืด ป้องกันการสึกหรอได้ดีขึ้น)
-Dexron III

นอกจากนี้ยังมีของฟอร์ด 13 2 C-33 C/D , 33F, 33G Alison C3 , C4 และแม้แต่ Caterpillar TO-2 , TO-4

ควรเปลี่ยนถ่ายเมื่อดึงจากก้านวัดแล้วพบว่าสีออกเข้มแล้ว

มาถึงตรงนี้ เกิดคำถามขึ้นมากมายว่า ตกลงแล้วDexron II กับ III ใช้แทนกันได้หรือไม่

สรุปได้ดังนี้ครับ
Dexron II หันไปใช้ III ได้
แต่ Dexron III กลับมาใช้ II "ไม่ได้"
และทั้งหมดนี้ ยังไม่ตายตัว ยังต้องขึ้นอยู่กับลักษณะการออกแบบเรือนเกียร์ ของรถแต่ละรุ่นแต่ละยี่ห้ออีกด้วย!



ที่มา: http://www.weekendhobby.com/offroad/toyota/Question.asp?ID=16330



 แสดงความคิดเห็นย่อย แสดงความคิดเห็นย่อย

aon80 จาก aon80 182.52.104.106 พฤหัสบดี, 21/7/2554 เวลา : 14:26   

edit แก้ไขคำตอบ   delete ลบคำตอบ 109991

คำตอบที่ 5
       ขอบคุณมากครับที่แนะนำ...น้ำมันเกียร์เบอร์ยิ่งสูงมันยิ่งข้นขึ้นใช่ไหมครับ



ความหนืดเรียงกันตามค่าSAEหรือส่วนสมรรถนะเรียงตามค่าAPI หรือGLตั้วแต่1-5 ขึ้นกับชนิดของการใช้งานฯ
จาก : aon80(aon80) 22/7/2554 19:56:54 [182.52.104.106]
 แสดงความคิดเห็นย่อย แสดงความคิดเห็นย่อย

สวป. จาก สวป. 110.77.232.248 ศุกร์, 22/7/2554 เวลา : 12:30   

edit แก้ไขคำตอบ   delete ลบคำตอบ 110065

คำตอบที่ 6
       รับทราบขอบคุณครับ



 แสดงความคิดเห็นย่อย แสดงความคิดเห็นย่อย

สวป. จาก สวป. 180.180.57.0 อาทิตย์, 24/7/2554 เวลา : 20:24   

edit แก้ไขคำตอบ   delete ลบคำตอบ 110288

คำตอบที่ 7
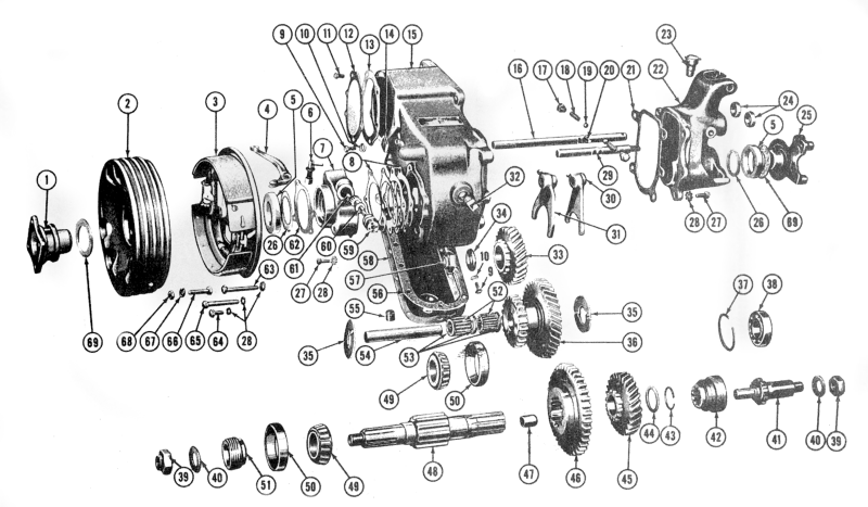
       ไม่ทราบว่า คุณ สวป เปลี่ยน shaft เกียร์ 2 ชั้น รูปใน คต. 3 หมายเลข 54 แล้วหรือยังครับ



 แสดงความคิดเห็นย่อย แสดงความคิดเห็นย่อย

da4ever จาก savage 58.11.188.238 จันทร์, 10/10/2554 เวลา : 00:45   

edit แก้ไขคำตอบ   delete ลบคำตอบ 116816

คำตอบที่ 8
       ผมได้นำรถขึ้นแท่นวิ่งดู ช่างได้ตรวจสอบดูแล้วปรากฏว่าเป็นที่เดือยหมู(ตามที่โทรคุยปรึกษา) มันบิ่นครับ ได้ถอดออกมาดูปรากฏว่ามันบิ่นทุกเฟืองตอนนี้ซ่อมเยบร้อยแล้วครับ ส่วนเกรียร์ได้ทำก่อนหน้าแล้วช่างบอกว่าแกนตามหมายเลขที่54 ยังแน่นดีอยู่ครับ ตอนนี้วิ่งดีขึ้นมากแล้วครับ ขั้นตอนต่อไปคงจะต้องหาดิสมาใส่หน้าแล้วครับ กลัวเอาไม่อยู่ ขอบคุณมากครับ



 แสดงความคิดเห็นย่อย แสดงความคิดเห็นย่อย

สวป. จาก สวป. 110.77.232.182 จันทร์, 10/10/2554 เวลา : 11:50   

edit แก้ไขคำตอบ   delete ลบคำตอบ 116878

      

คำตอบแบ่งหน้าละ 30 คำตอบ ขณะนี้คุณอยู่ที่หน้า 1 จาก >>> 1  



website รองรับการใช้งานทุกระบบปฏิบัติการของ PC Tablet SmartPhone ทุกระบบสามารถโพสข้อความและรูปภาพได้โดยไม่ต้องย่อไฟล์
เพื่อความปลอดภัยในการใช้ website WeekendHobby.Com สมาชิก เท่านั้น จึงจะตั้งกระทู้ หรือ ตอบกระทู้ได้ครับ
Login Click ที่นี่
สมัครสมาชิก Click ที่นี่



Since 22, Feb 2001 hit counter View My Stats  Truehits.net      วันพฤหัสบดี,5 มีนาคม 2569 (Online 5160 คน)