WeekendHobby.com
เครื่องมือในการใช้งาน website =>> สมัครสมาชิก | Login | Logout | เปลี่ยนไอคอนส่วนตัว | เกี่ยวกับเรา | ติดต่อโฆษณา         View stat by Truehits.net


เรียนถามคุณsavage ครับ
สวป.
จาก สวป.
110.77.232.238
พฤหัสบดีที่ , 8/9/2554
เวลา : 13:49

อ่านแล้ว = 2670 ครั้ง
 เก็บเข้ากระทู้ส่วนตัว
แจ้งตรวจสอบกระทู้
 แจ้งลบ
ส่งหาเพื่อน ส่งหาเพื่อน

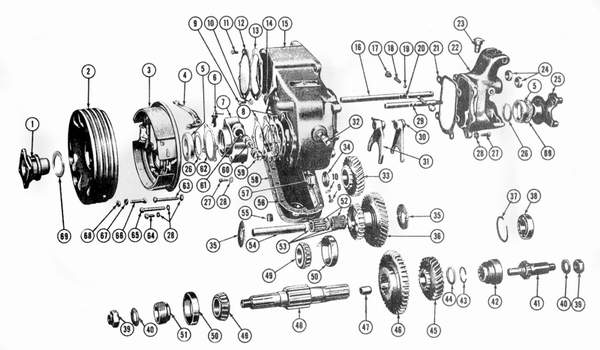
       ตามที่ผมโทรคุยเมื่อ 8 กย. สลักที่ว่านี้ตัวไหนครับ(ตามรูป)






ท่าน สวป พิจิตร น้ำแห้งหรือยังครับ
จาก : da4ever(da4ever) 3/10/2554 21:48:19 [61.90.108.3]
ยังไม่แห้งเลยครับ หน้า รพ.ตะพานหินรถเล็กยังวิ่งไม่ได้เลยครับ 2 ด.แล้วครับ
จาก : สวป.(สวป.) 5/10/2554 12:40:42 [110.77.232.28]
 แสดงความคิดเห็นย่อย แสดงความคิดเห็นย่อย

แจ้งเพื่อเก็บขึ้นกระทู้พิเศษ คลิ๊กที่นี่แจ้งเพื่อนำขึ้นกระทู้พิเศษ

คำตอบแบ่งหน้าละ 30 คำตอบ ขณะนี้คุณอยู่ที่หน้า 1 จาก >>> 1  

คำตอบที่ 1
       ต้องขออภัยที่ไม่ค่อยได้เข้ามาที่บอร์ดนี้ อยู่นาน เลยตอบท่านช้ามากๆ
หวังว่าท่าน สวป คงจะแก้ปัญหาลุล่วงไปได้หมดแล้ว ทั้ง เกียร์สโลว์, แหวนพับดุมล้อ, เฟืองท้าย
จากรูปของท่าน สวป คือ Intermediate Shaft เบอร์ 54, เนื่องจาก Dana 18 เพลาหลัง offset ขวา Intermediate Shaft จึงต้องรับ Load ตลอดเวลา และค่อนข้าง lack การหล่อลื่น เนื่องจากลูกปืนเข็มทั้งสองชุดอยู่ลึกเข้าไปด้านใน จึงมีโอกาสสึกหลอสูงมาก ลองดูจากภาพครับ






 แสดงความคิดเห็นย่อย แสดงความคิดเห็นย่อย

da4ever จาก savage 61.90.108.3 จันทร์, 3/10/2554 เวลา : 22:00   

edit แก้ไขคำตอบ   delete ลบคำตอบ 116444

คำตอบที่ 2
       ผมเหน่งนะครับ ลบกวนขอเบอร์โทรศัำพย์ด้วยนะครับ



 แสดงความคิดเห็นย่อย แสดงความคิดเห็นย่อย

เหน่ง จาก เหน่ง 61.90.105.189 จันทร์, 3/10/2554 เวลา : 23:50   

edit แก้ไขคำตอบ   delete ลบคำตอบ 116452

คำตอบที่ 3
       086-570-0070 ครับ



 แสดงความคิดเห็นย่อย แสดงความคิดเห็นย่อย

da4ever จาก savage 58.9.30.206 อังคาร, 4/10/2554 เวลา : 23:18   

edit แก้ไขคำตอบ   delete ลบคำตอบ 116575

คำตอบที่ 4
       ขอบคุณทุกท่านครับ ที่แท้เป็นที่เดือยหมูมันบิ่น(บิ่นมาก)ครับ เวลาวิ่งเสียงเลยดังมาก ได้เดือยหมูจากพี่จ่าปืนโตอุบล แล้วครับ(เป็นของจิ๊ปฟอร์ด8*39) ตอนนี้วิ่งเป็นรถเก๋งเลยครับแทบไม่มีเสียงให้ได้ยินเลยครับ ส่วนแหวนล็อกเพลาได้ของรถไถใส่ได้พอดีครับ เลยไส่เข้าไปทุกล้อเลย ดีนะที่ล้อไม่หลุดตอนวิ่งเร็วๆ



 แสดงความคิดเห็นย่อย แสดงความคิดเห็นย่อย

สวป. จาก สวป. 110.77.232.28 พุธ, 5/10/2554 เวลา : 12:50   

edit แก้ไขคำตอบ   delete ลบคำตอบ 116613

      

คำตอบแบ่งหน้าละ 30 คำตอบ ขณะนี้คุณอยู่ที่หน้า 1 จาก >>> 1  



website รองรับการใช้งานทุกระบบปฏิบัติการของ PC Tablet SmartPhone ทุกระบบสามารถโพสข้อความและรูปภาพได้โดยไม่ต้องย่อไฟล์
เพื่อความปลอดภัยในการใช้ website WeekendHobby.Com สมาชิก เท่านั้น จึงจะตั้งกระทู้ หรือ ตอบกระทู้ได้ครับ
Login Click ที่นี่
สมัครสมาชิก Click ที่นี่



Since 22, Feb 2001 hit counter View My Stats  Truehits.net      วันจันทร์,20 เมษายน 2569 (Online 993 คน)