WeekendHobby.com
เครื่องมือในการใช้งาน website =>> สมัครสมาชิก | Login | Logout | เปลี่ยนไอคอนส่วนตัว | เกี่ยวกับเรา | ติดต่อโฆษณา         View stat by Truehits.net


M 151 ฉบับนายหงอก
นายหงอก
จาก นายหงอก
223.204.154.243
ศุกร์ที่ , 13/5/2554
เวลา : 13:38

อ่านแล้ว = 29437 ครั้ง
 เก็บเข้ากระทู้ส่วนตัว
แจ้งตรวจสอบกระทู้
 แจ้งลบ
ส่งหาเพื่อน ส่งหาเพื่อน

       M151 คือหนังสือที่ผมอยากอ่าน ครับ ถ้าผมอ่านผิดหรืออ่านไม่ออก ก็ช่วยเหลือผมด้วยนะครับ






 แสดงความคิดเห็นย่อย แสดงความคิดเห็นย่อย

แจ้งเพื่อเก็บขึ้นกระทู้พิเศษ คลิ๊กที่นี่แจ้งเพื่อนำขึ้นกระทู้พิเศษ

คำตอบแบ่งหน้าละ 30 คำตอบ ขณะนี้คุณอยู่ที่หน้า 5 จาก >>> 1  2  3  4  5  6  7  

คำตอบที่ 121
       อย่างที่ว่าช่วงเวลานั้น สงครามเย็นคุระอุจนเกือบกลายเป็นสงครามปรมาณูในคิวบา โลกถูกแบ่งเป็นสองค่ายเสียแล้ว ฝ่ายเวียดนามเหนือได้รับการสนับสนุนจากไอ้หมี และจีน มังกรร้ายแห่งเอเชีย ซึ่งไม่มาเปล่า พกลัทธิคอมมิวนิสต์มาเต็มกระเป๋า ถ้าหากยึดเวียดนามใต้ได้ คอมฯ ก็จะลุกลามไปทั่วเอเชีย ตามทฤษฎีโดมิโน ไอ้กัน ในฐานะหัวหน้าค่ายโลกเสรีและตำรวจโลกอยู่เฉยๆ ไม่ได้เสียแล้ว จึงต้องโดดลงมาช่วยเวียดนามใต้ อย่างเต็มตัวและเปิดเผย





 แสดงความคิดเห็นย่อย แสดงความคิดเห็นย่อย

นายหงอก จาก นายหงอก 49.49.128.252 พฤหัสบดี, 9/6/2554 เวลา : 18:35   

edit แก้ไขคำตอบ   delete ลบคำตอบ 107325

คำตอบที่ 122
       แยงกี้มาเวียดนามอย่างเต็มรูปแบบ พร้อมด้วยอาวุธ ยุทธปัจจัย แต่สิ่งที่ขาดไม่ได้ คือ M151 และ M151 A1





 แสดงความคิดเห็นย่อย แสดงความคิดเห็นย่อย

นายหงอก จาก นายหงอก 49.49.128.252 พฤหัสบดี, 9/6/2554 เวลา : 18:40   

edit แก้ไขคำตอบ   delete ลบคำตอบ 107326

คำตอบที่ 123
       แม้ไอ้กันจะมารบที่เวียดนาม แต่ค่ายทหารบางส่วนก็อยู่ THAILAND หรือในยามผลัดเปลี่ยนกำลัง ก็มาพักผ่อนอยู่ไทย ทั้ง อุดร โคราช สัตหีบ อู่ตะเภา สุดท้ายก็ พัทยา พัฒน์พงศ์ แถมนำเพลงร็อค และ
โกโนเรีย มาฝากสาวไทยด้วย





ฝูงนี้นี่รุ่นไหนอ่ะครับป๋าหงอก..น่าลอง(ขับ)ขี่ เนอะ..ไม่รู้ M อะไร..อิอิอิ
จาก : จี๊ปกบฏ(TMVC-003) 14/6/2554 11:11:43 [61.90.41.89]
เป็นทหารน่ะครับ ไม่ใช่ทหาร A แต่เป็นทหาร B
จาก : นายหงอก(นายหงอก) 14/6/2554 14:05:36 [49.49.122.124]
หยั่งงี้ต้อง..เอากระไดไปล่อ..เดี๋ยวก็ลงมาครับ อิอิอิ
จาก : จี๊ปกบฏ(TMVC-003) 14/6/2554 16:18:09 [61.90.41.89]
 แสดงความคิดเห็นย่อย แสดงความคิดเห็นย่อย

นายหงอก จาก นายหงอก 49.49.128.252 พฤหัสบดี, 9/6/2554 เวลา : 18:57   

edit แก้ไขคำตอบ   delete ลบคำตอบ 107327

คำตอบที่ 124
       เมื่อไอ้กันมี M151 ไอ้หมี ก็ส่งGAZ 69 และ UAZ 469 มาดวล
GAZ 69

 แก้ไขเมื่อ : 9/6/2554 22:37:19





 แสดงความคิดเห็นย่อย แสดงความคิดเห็นย่อย

นายหงอก จาก นายหงอก 223.206.184.209 พฤหัสบดี, 9/6/2554 เวลา : 20:22   

edit แก้ไขคำตอบ   delete ลบคำตอบ 107329

คำตอบที่ 125
       UAZ 469





 แสดงความคิดเห็นย่อย แสดงความคิดเห็นย่อย

นายหงอก จาก นายหงอก 223.206.184.209 พฤหัสบดี, 9/6/2554 เวลา : 20:23   

edit แก้ไขคำตอบ   delete ลบคำตอบ 107330

คำตอบที่ 126
       จากสงครามเย็น ที่เป็นสงครามอุดมการณ์ โฆษณาชวนเชื่อ กลายเป็นสงครามตัวแทน ทั้งสองค่ายต่างพัฒนาเทคโนโลยีในทุกๆด้าน รวมถึงยานพาหนะที่ใช้ในสงครามด้วย แล้วนำมาทดสอบในสงครามเวียดนาม





 แสดงความคิดเห็นย่อย แสดงความคิดเห็นย่อย

นายหงอก จาก นายหงอก 223.206.184.209 พฤหัสบดี, 9/6/2554 เวลา : 22:46   

edit แก้ไขคำตอบ   delete ลบคำตอบ 107354

คำตอบที่ 127
       เฉียบครับป๋า..



 แสดงความคิดเห็นย่อย แสดงความคิดเห็นย่อย

นกกระปูด7 จาก นกกระปูด7 223.207.40.107 พฤหัสบดี, 9/6/2554 เวลา : 22:57   

edit แก้ไขคำตอบ   delete ลบคำตอบ 107357

คำตอบที่ 128
       M151 A1 ถูกพัฒนาปรับปรุงมาเป็น M151A2 เมื่อปี 1970





 แสดงความคิดเห็นย่อย แสดงความคิดเห็นย่อย

นายหงอก จาก นายหงอก 223.206.184.209 พฤหัสบดี, 9/6/2554 เวลา : 23:03   

edit แก้ไขคำตอบ   delete ลบคำตอบ 107358

คำตอบที่ 129
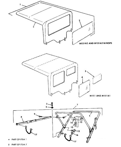
       คราวนี้มาดูกันว่า A2 ที่ว่าพัฒนาขึ้นมานั้นแตกต่างจาก A1 ที่ใดบ้าง
ประการแรก เมื่อพิจารณารูปลักษณ์ภายนอก จะประจักษ์ว่า ซุ้มล้อหรือบังโคลน หรือ FENDERหน้าทั้งซ้ายขวา ของ A1 จะเป็นแผ่นแบนเรียบ มีหลอดไฟเล็กๆ บอกสัญญานเลี้ยวซ้ายขวา ติดตั้งอยู่





 แสดงความคิดเห็นย่อย แสดงความคิดเห็นย่อย

นายหงอก จาก นายหงอก 223.204.153.58 อาทิตย์, 12/6/2554 เวลา : 21:38   

edit แก้ไขคำตอบ   delete ลบคำตอบ 107584

คำตอบที่ 130
       สำหรับ A2 นั้น จะขุดเจาะ FENDER ในส่วนหน้า ให้ลึกลงไปเป็นเบ้า ฝังตัวเรือนไฟเลี้ยว ที่มีขนาดใหญ่กว่า ของ A1





 แสดงความคิดเห็นย่อย แสดงความคิดเห็นย่อย

นายหงอก จาก นายหงอก 223.204.153.58 อาทิตย์, 12/6/2554 เวลา : 21:48   

edit แก้ไขคำตอบ   delete ลบคำตอบ 107585

คำตอบที่ 131
       ด้านหลังซุ้มล้อ ส่วนท้ายของ A1 จะเป็นเส้นตรงมุมสามเหลี่ยม ไม่มีห่วง ส่วน A2 จะกว้างกว่าและมีห่วง





 แสดงความคิดเห็นย่อย แสดงความคิดเห็นย่อย

นายหงอก จาก นายหงอก 223.204.153.58 อาทิตย์, 12/6/2554 เวลา : 21:52   

edit แก้ไขคำตอบ   delete ลบคำตอบ 107586

คำตอบที่ 132
       ปัญหาว่าห่วงนีมีไว้ใช้ประโยชน์อันใด จะว่าใช้เกี่ยวขอสำหรับดึงหรือฉุดพ่วงเทเลอร์ ก็ไม่น่าจะใช่ เพราะรถทุกคันจะมีปากนกแก้ว หรือหางแมงป่องติดท้ายมาเพื่อการนั้นอยู่แล้ว บ้างก็ว่ามีไว้สำหรับยกรถเคลื่อนย้ายไปที่ต่างๆ ซึงไม่น่าจะใช่ เพราะเหล็กตัวถังบางไม่อาจทนแรงกระชากได้ หรือรับนำหนักของตัวรถได้





 แสดงความคิดเห็นย่อย แสดงความคิดเห็นย่อย

นายหงอก จาก นายหงอก 223.204.153.58 อาทิตย์, 12/6/2554 เวลา : 22:08   

edit แก้ไขคำตอบ   delete ลบคำตอบ 107596

คำตอบที่ 133
       ไฟท้ายของ A1 จะเป็นดวงกลมๆ





 แสดงความคิดเห็นย่อย แสดงความคิดเห็นย่อย

นายหงอก จาก นายหงอก 223.204.153.58 อาทิตย์, 12/6/2554 เวลา : 22:25   

edit แก้ไขคำตอบ   delete ลบคำตอบ 107598

คำตอบที่ 134
       A2 มีลักษณะกลมรี ย้อยลงมาด้านล่าง





 แสดงความคิดเห็นย่อย แสดงความคิดเห็นย่อย

นายหงอก จาก นายหงอก 223.204.153.58 อาทิตย์, 12/6/2554 เวลา : 22:27   

edit แก้ไขคำตอบ   delete ลบคำตอบ 107599

คำตอบที่ 135
       กระจกบังลมหน้าของ A1 จะถูกแบ่งเป็น 2 ช่อง





 แสดงความคิดเห็นย่อย แสดงความคิดเห็นย่อย

นายหงอก จาก นายหงอก 223.204.153.58 อาทิตย์, 12/6/2554 เวลา : 22:32   

edit แก้ไขคำตอบ   delete ลบคำตอบ 107600

คำตอบที่ 136
       ส่วนของ A2 จะเป็นกระจกชิ้นเดียว



 แสดงความคิดเห็นย่อย แสดงความคิดเห็นย่อย

นายหงอก จาก นายหงอก 223.204.153.58 อาทิตย์, 12/6/2554 เวลา : 22:35   

edit แก้ไขคำตอบ   delete ลบคำตอบ 107601

คำตอบที่ 137
      



 แสดงความคิดเห็นย่อย แสดงความคิดเห็นย่อย

นายหงอก จาก นายหงอก 183.88.56.185 จันทร์, 13/6/2554 เวลา : 07:26   

edit แก้ไขคำตอบ   delete ลบคำตอบ 107607

คำตอบที่ 138
       ป๋า?รูปไม่ขึ้นอ่ะ?



 แสดงความคิดเห็นย่อย แสดงความคิดเห็นย่อย

นกกระปูด7 จาก นกกระปูด7 49.48.231.86 จันทร์, 13/6/2554 เวลา : 21:30   

edit แก้ไขคำตอบ   delete ลบคำตอบ 107682

คำตอบที่ 139
       ทำไม มันไม่ขึ้น อ่ะ คัฟ ?



 แสดงความคิดเห็นย่อย แสดงความคิดเห็นย่อย

hs8ofh จาก เณร Black army 182.52.68.68 อังคาร, 14/6/2554 เวลา : 09:42   

edit แก้ไขคำตอบ   delete ลบคำตอบ 107713

คำตอบที่ 140
       อัพให้ ครับ **** ส่วนของ A2 จะเป็นกระจกชิ้นเดียว ****






 แสดงความคิดเห็นย่อย แสดงความคิดเห็นย่อย

hs8ofh จาก เณร Black army 182.52.68.68 อังคาร, 14/6/2554 เวลา : 09:44   

edit แก้ไขคำตอบ   delete ลบคำตอบ 107714

คำตอบที่ 141
       ป๋าอย่าลืม M151 RAT ROD ครับ



 แสดงความคิดเห็นย่อย แสดงความคิดเห็นย่อย

SUKCOMPANY จาก sukcompany 118.173.85.133 อังคาร, 14/6/2554 เวลา : 12:25   

edit แก้ไขคำตอบ   delete ลบคำตอบ 107715

คำตอบที่ 142
      



 แสดงความคิดเห็นย่อย แสดงความคิดเห็นย่อย

นายฮ้อยUBOL จาก นายฮ้อย UBOL 180.180.234.8 อังคาร, 14/6/2554 เวลา : 13:00   

edit แก้ไขคำตอบ   delete ลบคำตอบ 107717

คำตอบที่ 143
       ขอบคุณ ท่านนกกระปูดเทพบุตรยาเส้นแห่งยอดแหลม เณร BLACK ARMY SUKCOMPANY นายฮ้อย UBOL RAT ROD ยังไม่รู้จัก รู้จักแต่หอยหลอดครับ





 แสดงความคิดเห็นย่อย แสดงความคิดเห็นย่อย

นายหงอก จาก นายหงอก 49.49.122.124 อังคาร, 14/6/2554 เวลา : 13:10   

edit แก้ไขคำตอบ   delete ลบคำตอบ 107718

คำตอบที่ 144
       นี่คือความละเอียดหรือความเอาใจใส่ของผู้ออกแบบ เมื่อ M151 A1 มีหน้าต่าง 2ช่อง หน้าต่างด้านหลังท้ายรถก็แบ่งเป็น 2 ช่องเช่นเดียวกัน





 แสดงความคิดเห็นย่อย แสดงความคิดเห็นย่อย

นายหงอก จาก นายหงอก 49.49.122.124 อังคาร, 14/6/2554 เวลา : 13:16   

edit แก้ไขคำตอบ   delete ลบคำตอบ 107719

คำตอบที่ 145
       A2 มีกระจกหน้าช่องเดียว หน้าต่างหลังก็มีช่องเดียวตามไปด้วย





 แสดงความคิดเห็นย่อย แสดงความคิดเห็นย่อย

นายหงอก จาก นายหงอก 49.49.122.124 อังคาร, 14/6/2554 เวลา : 13:25   

edit แก้ไขคำตอบ   delete ลบคำตอบ 107720

คำตอบที่ 146
       ความต่างหน้าต่างหลังระหว่าง A1 กับ A2





 แสดงความคิดเห็นย่อย แสดงความคิดเห็นย่อย

นายหงอก จาก นายหงอก 49.49.122.124 อังคาร, 14/6/2554 เวลา : 13:43   

edit แก้ไขคำตอบ   delete ลบคำตอบ 107721

คำตอบที่ 147
       ชุดใบปัดน้ำฝน ของ A1 จะใช้ลม





 แสดงความคิดเห็นย่อย แสดงความคิดเห็นย่อย

นายหงอก จาก นายหงอก 49.49.122.124 อังคาร, 14/6/2554 เวลา : 13:45   

edit แก้ไขคำตอบ   delete ลบคำตอบ 107722

คำตอบที่ 148
       A2 จะใช้มอเตอร์ไฟฟ้า





 แสดงความคิดเห็นย่อย แสดงความคิดเห็นย่อย

นายหงอก จาก นายหงอก 49.49.122.124 อังคาร, 14/6/2554 เวลา : 13:47   

edit แก้ไขคำตอบ   delete ลบคำตอบ 107723

คำตอบที่ 149
       วงพวงมาลัย ของ A1 จะเป็นก้านเหล็กเล็กๆ





 แสดงความคิดเห็นย่อย แสดงความคิดเห็นย่อย

นายหงอก จาก นายหงอก 49.49.122.124 อังคาร, 14/6/2554 เวลา : 13:52   

edit แก้ไขคำตอบ   delete ลบคำตอบ 107724

คำตอบที่ 150
       A2 จะเป็นกระเช้าก้นลึก ที่ขอบหุ้มด้วยพลาสติก จับกระชับมือดียิ่งขึ้น





 แสดงความคิดเห็นย่อย แสดงความคิดเห็นย่อย

นายหงอก จาก นายหงอก 49.49.122.124 อังคาร, 14/6/2554 เวลา : 13:55   

edit แก้ไขคำตอบ   delete ลบคำตอบ 107725

      

ยังมีคำตอบมากกว่านี้นะครับ คลิ๊กเพื่อดูหน้าถัดไป


คำตอบแบ่งหน้าละ 30 คำตอบ ขณะนี้คุณอยู่ที่หน้า 5 จาก >>> 1  2  3  4  5  6  7  



website รองรับการใช้งานทุกระบบปฏิบัติการของ PC Tablet SmartPhone ทุกระบบสามารถโพสข้อความและรูปภาพได้โดยไม่ต้องย่อไฟล์
เพื่อความปลอดภัยในการใช้ website WeekendHobby.Com สมาชิก เท่านั้น จึงจะตั้งกระทู้ หรือ ตอบกระทู้ได้ครับ
Login Click ที่นี่
สมัครสมาชิก Click ที่นี่



Since 22, Feb 2001 hit counter View My Stats  Truehits.net      วันจันทร์,20 เมษายน 2569 (Online 1235 คน)