WeekendHobby.com
เครื่องมือในการใช้งาน website =>> สมัครสมาชิก | Login | Logout | เปลี่ยนไอคอนส่วนตัว | เกี่ยวกับเรา | ติดต่อโฆษณา         View stat by Truehits.net


FORD GPW 1944 Restroration กับ Classicjeep อีกสักครั้ง
jeep spare
จาก classic jeep
110.164.51.114
ศุกร์ที่ , 12/10/2561
เวลา : 10:37

อ่านแล้ว = 18790 ครั้ง
 เก็บเข้ากระทู้ส่วนตัว
แจ้งตรวจสอบกระทู้
 แจ้งลบ
ส่งหาเพื่อน ส่งหาเพื่อน

       สวัสดีครับ ขออนุญาติ แอดมิน กลับมาแบ่งปัน การบูรณะจี๊ป ฟอร์ด ในแนว ทำเองที่บ้านเป็นงานอดิเรก อีกครั้ง หลังจากหายไปนาน เพราะลงเวปแล้วข้อมูลมันซ้ำครับ จะลองดูอีกทีครับ








 แสดงความคิดเห็นย่อย แสดงความคิดเห็นย่อย

แจ้งเพื่อเก็บขึ้นกระทู้พิเศษ คลิ๊กที่นี่แจ้งเพื่อนำขึ้นกระทู้พิเศษ

คำตอบแบ่งหน้าละ 30 คำตอบ ขณะนี้คุณอยู่ที่หน้า 34 จาก >>> 1  2  3  4  5  6  7  8  9  10  11  12  13  14  15  16  17  18  19  20  
21  22  23  24  25  26  27  28  29  30  31  32  33  34  35  36  37  38  39  40  
41  

คำตอบที่ 991
       เกจย์ชนิดนี้เป็นแบบแมคคานิค ส่วนมากไม่ค่อยเสียหาย ใช้แรงดันมาดันให้หลอดทองเหลืองขยายตัวออกไปดันเข็มให้ขึ้น





 แสดงความคิดเห็นย่อย แสดงความคิดเห็นย่อย

jeep spare จาก classic jeep 223.204.194.52 ศุกร์, 15/2/2562 เวลา : 22:20   

edit แก้ไขคำตอบ   delete ลบคำตอบ 166497

คำตอบที่ 992
       ซ่อมตามอาการ





 แสดงความคิดเห็นย่อย แสดงความคิดเห็นย่อย

jeep spare จาก classic jeep 223.204.194.52 ศุกร์, 15/2/2562 เวลา : 22:21   

edit แก้ไขคำตอบ   delete ลบคำตอบ 166498

คำตอบที่ 993
       ซ่อมเฉพาะตัวที่จำเป็น ส่วนตัวอื่นมีของใหม่ให้ใช้





 แสดงความคิดเห็นย่อย แสดงความคิดเห็นย่อย

jeep spare จาก classic jeep 223.204.194.52 ศุกร์, 15/2/2562 เวลา : 22:22   

edit แก้ไขคำตอบ   delete ลบคำตอบ 166499

คำตอบที่ 994
       เกจย์วัดไฟชาร์จ 6 โวล์ท ใหม่เก่าเก็บ ต้องเก็บสำรองไว้ใช้ เพราไม่มีขายแล้ว





 แสดงความคิดเห็นย่อย แสดงความคิดเห็นย่อย

jeep spare จาก classic jeep 223.204.194.52 ศุกร์, 15/2/2562 เวลา : 22:26   

edit แก้ไขคำตอบ   delete ลบคำตอบ 166500

คำตอบที่ 995
       เกจย์วัดระดับน้ำมันและวัดอุณหภูมิ ชนิดใช้ท่อนำความร้อน หุ้มด้วย ขดลวด ตามเสปคเดิม





 แสดงความคิดเห็นย่อย แสดงความคิดเห็นย่อย

jeep spare จาก classic jeep 223.204.194.52 ศุกร์, 15/2/2562 เวลา : 22:28   

edit แก้ไขคำตอบ   delete ลบคำตอบ 166501

คำตอบที่ 996
       ทำสี ลดความเหลื่อมล้ำสักหน่อย





 แสดงความคิดเห็นย่อย แสดงความคิดเห็นย่อย

jeep spare จาก classic jeep 223.204.194.52 ศุกร์, 15/2/2562 เวลา : 22:30   

edit แก้ไขคำตอบ   delete ลบคำตอบ 166502

คำตอบที่ 997
       ประกอบอุปกรณ์เข้าแผงเรือนไมล์





 แสดงความคิดเห็นย่อย แสดงความคิดเห็นย่อย

jeep spare จาก classic jeep 223.204.194.52 ศุกร์, 15/2/2562 เวลา : 22:32   

edit แก้ไขคำตอบ   delete ลบคำตอบ 166503

คำตอบที่ 998
       สายไมล์ สำหรับฟอร์ด -เอ็มบี ชนิดสายหุ้มโลหะตีเกลียว งานเก่าแท้ ยี่ห้อตรง STEWART-WARNER ถูกเลือกใช้ในคันนี้
ลองสวมสายไมล์กับเรื่อนไมล์ สำหรับความยาวที่ใช้ คือ 54 นิ้ว





 แสดงความคิดเห็นย่อย แสดงความคิดเห็นย่อย

jeep spare จาก classic jeep 223.204.194.52 ศุกร์, 15/2/2562 เวลา : 22:34   

edit แก้ไขคำตอบ   delete ลบคำตอบ 166504

คำตอบที่ 999
       ประกอบสายโช๊คและสายดึงเร่ง (Throttle cable) สายรุ่นเก่า หัวดึงจะเป็นโลหะ





 แสดงความคิดเห็นย่อย แสดงความคิดเห็นย่อย

jeep spare จาก classic jeep 223.204.194.52 ศุกร์, 15/2/2562 เวลา : 22:37   

edit แก้ไขคำตอบ   delete ลบคำตอบ 166505

คำตอบที่ 1000
       เมื่อใส่สายเข้าที่แล้ว ที่รูร้อยสาย ติดด้วยแผ่นสักหลาด(Grommet)ตามแบบของ ฟอร์ด ส่วนเอ็มบีจะใช้ยางสีดำ





 แสดงความคิดเห็นย่อย แสดงความคิดเห็นย่อย

jeep spare จาก classic jeep 223.204.194.52 ศุกร์, 15/2/2562 เวลา : 22:39   

edit แก้ไขคำตอบ   delete ลบคำตอบ 166506

คำตอบที่ 1001
       ติดตั้งชุดเกจย์วัดแล้ว





 แสดงความคิดเห็นย่อย แสดงความคิดเห็นย่อย

jeep spare จาก classic jeep 223.204.194.52 ศุกร์, 15/2/2562 เวลา : 22:40   

edit แก้ไขคำตอบ   delete ลบคำตอบ 166507

คำตอบที่ 1002
       ไฟส่องแผงหน้าปัทม์ ของฟอร์ด (Panel Dash Light ) หรือไฟนกฮูก จะใช้สองดวง และมีอะแดบเตอร์ อีกชั้นหนึ่ง แต่ในรถบางปีก็เห็นชั้นเดียว ก็มี





 แสดงความคิดเห็นย่อย แสดงความคิดเห็นย่อย

jeep spare จาก classic jeep 223.204.194.52 ศุกร์, 15/2/2562 เวลา : 22:47   

edit แก้ไขคำตอบ   delete ลบคำตอบ 166508

คำตอบที่ 1003
       ช่วงนี้รอนิดนะครับ..ไม่ได้ลงกระทู้เลย กำลังกู้ข้อมูลครับ ดันทำ external HD ตกพื้น ข้อมูลหายเลย..





 แสดงความคิดเห็นย่อย แสดงความคิดเห็นย่อย

jeep spare จาก classic jeep 110.164.51.114 พฤหัสบดี, 28/2/2562 เวลา : 09:45   

edit แก้ไขคำตอบ   delete ลบคำตอบ 166532

คำตอบที่ 1004
       มาละครับ ให้รอนานไปจะไม่ดี ..ก่อนจะไปต่อที่ระบบไฟฟ้ารถยนต์ ตัดกลับมาที่ งานอีกชิ้นหนึ่งที่ทำไว้ก่อนเดินสายไฟ
คือ...ผ้ารองฝากระโปรง (Welting) ซึ่งเป็นผ้าสักหลาด แบบมีรอนกลาง ยึดติดด้วยหมุดทองเหลือง





 แสดงความคิดเห็นย่อย แสดงความคิดเห็นย่อย

jeep spare จาก classic jeep 223.206.59.107 พฤหัสบดี, 7/3/2562 เวลา : 21:33   

edit แก้ไขคำตอบ   delete ลบคำตอบ 166540

คำตอบที่ 1005
       หมุดทองเหลืองสำหรับยึดผ้ารองฝากระโปรง สำหรับยึดติดกับกระจังหน้า ใช้ทั้งหมด 19 ตัว ผมได้จากที่มีติดกระจังหน้ามาบ้าง ถอดเก็บจากกระจังหน้าหลายอันกว่าจะได้ครบ
หากหาไม่ได้แนะนำหมุดยึดแฟ้ม ทองเหลืองงานเก่าแบบในภาพแรกก็พอแทนกันได้.. ติดตั้งไม่ยาก แค่เจาะรูที่ผ้า ให้ตรงกับรูที่กระจังหน้า แล้ยึดด้วยหมุดเดิม โดยใช้คีมคอม้าตัวเล็ก บีบบให้แน่น จนครบ





 แสดงความคิดเห็นย่อย แสดงความคิดเห็นย่อย

jeep spare จาก classic jeep 223.206.59.107 พฤหัสบดี, 7/3/2562 เวลา : 21:37   

edit แก้ไขคำตอบ   delete ลบคำตอบ 166541

คำตอบที่ 1006
       ออกมาก็จะสวยประมาณนี้..





 แสดงความคิดเห็นย่อย แสดงความคิดเห็นย่อย

jeep spare จาก classic jeep 223.206.59.107 พฤหัสบดี, 7/3/2562 เวลา : 21:38   

edit แก้ไขคำตอบ   delete ลบคำตอบ 166542

คำตอบที่ 1007
       ด้านข้างผมใช้สรูทองเหลืองยึดแทน ...อันนี้ความชอบส่วนตัวครับ...





 แสดงความคิดเห็นย่อย แสดงความคิดเห็นย่อย

jeep spare จาก classic jeep 223.206.59.107 พฤหัสบดี, 7/3/2562 เวลา : 21:39   

edit แก้ไขคำตอบ   delete ลบคำตอบ 166543

คำตอบที่ 1008
       หลายๆมุม.......





 แสดงความคิดเห็นย่อย แสดงความคิดเห็นย่อย

jeep spare จาก classic jeep 223.206.59.107 พฤหัสบดี, 7/3/2562 เวลา : 21:40   

edit แก้ไขคำตอบ   delete ลบคำตอบ 166544

คำตอบที่ 1009
       เอาไว้มาต่อกันที่ระบบไฟฟ้าในรถยนต์ ระบบ 6 โวลท์ ในแบบเดิมๆตามคู่มือครับ





 แสดงความคิดเห็นย่อย แสดงความคิดเห็นย่อย

jeep spare จาก classic jeep 223.206.59.107 พฤหัสบดี, 7/3/2562 เวลา : 21:43   

edit แก้ไขคำตอบ   delete ลบคำตอบ 166545

คำตอบที่ 1010
       มาต่อที่ระบบไฟฟ้าใน jeep MB- ford GPW กันครับ ..จี๊ปฟอร์ดแรกเริ่มเดิมที มีใช้ในระบบ 6 โวล์ท และต่อมามีใช้งานในระบบ 12 และ 24 โวล์ท ในปีหลังๆ..แต่ระบบ 6 โวล์ทก็มีใช้ต่อมาจนถึง จี๊ป วิลลี่ CJ -3A ..
.".ในที่นี้ขอกล่าวถึงระบบ ไฟฟ้า 6 โวล์ท เพราะตั้งใจทำ ford-GPW คันนี้ให้กลับไปใช้งานในแบบเดิม..ดังนั้นสิ่งที่ยากสำหรับการทำในระบบ 6 โวล์ท คือ การหาอุปกรณ์ไฟฟ้า 6 โวล์ท
อันได้แก่ แบตเตอรี่ 6 v. หลอดไฟ ถึงแม้จะมีอุปกรณ์พวกแบตเตอรี่รุ่นใหม่ๆ 6 v.ก็ตาม แต่มีราคาแพงและไม่คลาสสิค ว่าอย่างนั้นเถอะ.. หรือถ้าจะเลือกใช้แบตเตอรี่ที่มีขายในอีเบย์ ก็นำเข้ามาไม่ได้ ..ร้านที่เคยรับทำแบตก็เลิกกิจการไปหมดแล้ว เพราะติดที่กฏกระทรวงห้ามผลิตและซ่อมแบตเอง. ."
เดินหน้าหากันต่อไป..ในภาพเป็นวงจรระบบไฟฟ้า ในจี๊ป ฟอร์ด ชนิดใช้สวิทย์แบบดึง (PUT-PULL) ซึ่งใช้งานในปี 41-43





 แสดงความคิดเห็นย่อย แสดงความคิดเห็นย่อย

jeep spare จาก classic jeep 110.164.51.114 พฤหัสบดี, 14/3/2562 เวลา : 10:21   

edit แก้ไขคำตอบ   delete ลบคำตอบ 166552

คำตอบที่ 1011
       อีกแบบหนึ่ง คือชนิดใช้สวิทย์ไฟแบบบิด (ROTARY SWITCH) โดยใช้วงจรแบบเดียวกัน แต่ไม่ใช้ filterette





 แสดงความคิดเห็นย่อย แสดงความคิดเห็นย่อย

jeep spare จาก classic jeep 110.164.51.114 พฤหัสบดี, 14/3/2562 เวลา : 10:24   

edit แก้ไขคำตอบ   delete ลบคำตอบ 166553

คำตอบที่ 1012
       ระบบไฟฟ้าในรถจี๊ปไม่ยุ่งยากและซับซ้อนอะไรนัก อุปกรณ์ก็มีไม่มาก ดังนั้นการเดินระบบไฟฟ้าเองไม่น่าจะยากอะไรขอให้เพียงมีพื้นฐานบ้างก็พอ..
......ในรูปแสดงวงจรและสีของสายไฟที่ใช้..เป็นสายชนิดเงิน หุ้มด้วยผ้าแถบสี .แต่จะหาสายไฟชนิดนี้ในบ้านเราคงยากมากๆ ลองสืบค้นมาแล้วยังหาไม่เจอเลย ใครทราบแหล่งขายรบกวนแนะนำด้วยนะครับ






 แสดงความคิดเห็นย่อย แสดงความคิดเห็นย่อย

jeep spare จาก classic jeep 110.164.51.114 พฤหัสบดี, 14/3/2562 เวลา : 10:28   

edit แก้ไขคำตอบ   delete ลบคำตอบ 166554

คำตอบที่ 1013
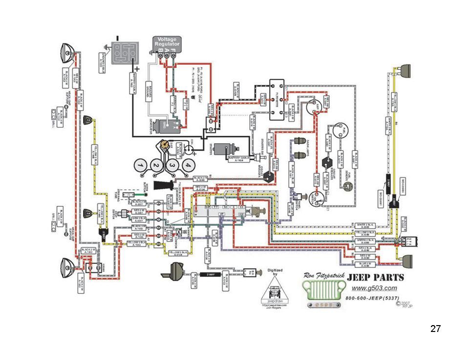
       วงจรไฟฟ้าในจี๊ปฟอร์ด หาได้ง่ายมาก ในเวปมีแชร์เยอะมาก เพียงแต่ต้องเลือกใช้ให้ถูก ..ในภาพนี้ได้จากเวป แสดงภาพสายไฟภายในแผงหน้าปัทม์ ซึ่งนับว่ามีประโยชน์มากทีเดียว เพราะทำให้สามารถมองภาพออกว่าเดินสายอย่างใร ต่างจากการดูวงจรไฟฟ้า..





 แสดงความคิดเห็นย่อย แสดงความคิดเห็นย่อย

jeep spare จาก classic jeep 110.164.51.114 พฤหัสบดี, 14/3/2562 เวลา : 10:31   

edit แก้ไขคำตอบ   delete ลบคำตอบ 166555

คำตอบที่ 1014
       วงจรต่างๆในคู่มือ แยกออกมาให้ดูง่าย ..วงจรไฟจุดระเบิด..





 แสดงความคิดเห็นย่อย แสดงความคิดเห็นย่อย

jeep spare จาก classic jeep 110.164.51.114 พฤหัสบดี, 14/3/2562 เวลา : 10:35   

edit แก้ไขคำตอบ   delete ลบคำตอบ 166556

คำตอบที่ 1015
       ในคู๋มือ ยังบอกรายละเอียดในการเดินสายไฟ จากจุดไหนไปจุดไหนด้วย ตามภาพรวมถึงบอกขนาดสายไฟที่ใช้งาน ด้านขวามือ





 แสดงความคิดเห็นย่อย แสดงความคิดเห็นย่อย

jeep spare จาก classic jeep 110.164.51.114 พฤหัสบดี, 14/3/2562 เวลา : 10:38   

edit แก้ไขคำตอบ   delete ลบคำตอบ 166557

คำตอบที่ 1016
       ในรูป ..แสดงสีของฉนวนหุ้มสายไฟ ซึ่งในรถจี๊ปใช้เพียงไม่กี่สีเท่านั้น แต่ จะแตกต่างกัน ที่จุดขาวบนสายไฟ จะมีไม่เท่ากัน





 แสดงความคิดเห็นย่อย แสดงความคิดเห็นย่อย

jeep spare จาก classic jeep 110.164.51.114 พฤหัสบดี, 14/3/2562 เวลา : 10:41   

edit แก้ไขคำตอบ   delete ลบคำตอบ 166558

คำตอบที่ 1017
       มาดูที่อุปกรณ์ไฟฟ้ากัน..เริ่มจากหน้ารถก็มีไฟหน้า ใช้โคมขนาด 6 นิ้วชนิด Seal Beam และแปลกตรงที่ใส่โคมกลับหัวนี่แหละ ..เป็นเสน่ห์เฉพาะตัวของรถจี๊ปรุ่นนี้ และยังอยู่ลึกเข้าไปในกระจังหน้าอีกต่างหาก โดยจะใช้ขายึดโคมไฟอีกที บางคนเรียก จี๊ปตาลึก ..





 แสดงความคิดเห็นย่อย แสดงความคิดเห็นย่อย

jeep spare จาก classic jeep 110.164.51.114 พฤหัสบดี, 14/3/2562 เวลา : 10:45   

edit แก้ไขคำตอบ   delete ลบคำตอบ 166559

คำตอบที่ 1018
       ไฟหรี่หน้า (Blackout Headlight) หรือไฟตาแมว ชนิดพรางและมีระยะสังเกตุในตอนกลางคืน ใช้หลอดไฟ ปรกติหลอดเล็กหัวสั้น ยี่ห้อ MAZDA ผมก็เพิ่งรู็ว่า ยี่ห้อ MAZDA เป็นของ อเมริกา และผลิตหลอดไฟให้กองทัพอีกด้วย แต่เมื่อเข้าไปดูใน list ของผู้ผลิตอะไหล่ให้กองทัพ USA ก็ปรากฏว่ามีอยู๋ด้วย ...แล้วเราจะหาได้ไหม หลอดไฟ ยี่ห้อนี้...โปรดติดตาม...





 แสดงความคิดเห็นย่อย แสดงความคิดเห็นย่อย

jeep spare จาก classic jeep 110.164.51.114 พฤหัสบดี, 14/3/2562 เวลา : 10:51   

edit แก้ไขคำตอบ   delete ลบคำตอบ 166560

คำตอบที่ 1019
       ได้มาแล้ว หลอดไฟยี่ห้อ MAZDA สำหรับใส่ในโคมไฟหรี่หน้า (Blackout Headlight)อายุ75 ปี เก่าเก็บจนกล่องเปื่อยไปแล้ว..





 แสดงความคิดเห็นย่อย แสดงความคิดเห็นย่อย

jeep spare จาก classic jeep 110.164.51.114 ศุกร์, 15/3/2562 เวลา : 15:13   

edit แก้ไขคำตอบ   delete ลบคำตอบ 166561

คำตอบที่ 1020
       ขั้วหลอดทองเหลือง พิมพ์ตรา MAZDA ชัดเจน ภายใต้โลโก้ ของ GE ยักษ์ใหญ่แห่งวงการอุตสาหกรรมอุปกรณ์ไฟฟ้า





 แสดงความคิดเห็นย่อย แสดงความคิดเห็นย่อย

jeep spare จาก classic jeep 110.164.51.114 ศุกร์, 15/3/2562 เวลา : 15:15   

edit แก้ไขคำตอบ   delete ลบคำตอบ 166562

      

ยังมีคำตอบมากกว่านี้นะครับ คลิ๊กเพื่อดูหน้าถัดไป


คำตอบแบ่งหน้าละ 30 คำตอบ ขณะนี้คุณอยู่ที่หน้า 34 จาก >>> 1  2  3  4  5  6  7  8  9  10  11  12  13  14  15  16  17  18  19  20  
21  22  23  24  25  26  27  28  29  30  31  32  33  34  35  36  37  38  39  40  
41  



website รองรับการใช้งานทุกระบบปฏิบัติการของ PC Tablet SmartPhone ทุกระบบสามารถโพสข้อความและรูปภาพได้โดยไม่ต้องย่อไฟล์
เพื่อความปลอดภัยในการใช้ website WeekendHobby.Com สมาชิก เท่านั้น จึงจะตั้งกระทู้ หรือ ตอบกระทู้ได้ครับ
Login Click ที่นี่
สมัครสมาชิก Click ที่นี่



Since 22, Feb 2001 hit counter View My Stats  Truehits.net      วันจันทร์,20 เมษายน 2569 (Online 1120 คน)