WeekendHobby.com
เครื่องมือในการใช้งาน website =>> สมัครสมาชิก | Login | Logout | เปลี่ยนไอคอนส่วนตัว | เกี่ยวกับเรา | ติดต่อโฆษณา         View stat by Truehits.net


Cherokee XJ 4.0L ปี 96 สวิทซ์ปรับเบาะตัวหน้าไม่รู้ว่าเกิดอะไรขึ้นมันไม่ทำงานครับ.
tada010415
จาก Tada_JUC534
144.5.59.105
พุธที่ , 3/2/2553
เวลา : 15:14

อ่านแล้ว = 3742 ครั้ง
 เก็บเข้ากระทู้ส่วนตัว
แจ้งตรวจสอบกระทู้
 แจ้งลบ
ส่งหาเพื่อน ส่งหาเพื่อน

       สวัสดีครับคุณพี่คุณน้อง JUC

ผมมีเรื่องรบกวนปรึกษาเกจิอาจารย์เกี่ยวกับสวิทซ์ปรับเบาะตัวหน้าไม่รู้ว่าเกิดอะไรขึ้นมันไม่ทำงานครับ ช่วยชี้แน่ด้วยครับ

ขอแสดงความนับถือ



 แสดงความคิดเห็นย่อย แสดงความคิดเห็นย่อย

แจ้งเพื่อเก็บขึ้นกระทู้พิเศษ คลิ๊กที่นี่แจ้งเพื่อนำขึ้นกระทู้พิเศษ

คำตอบแบ่งหน้าละ 30 คำตอบ ขณะนี้คุณอยู่ที่หน้า 1 จาก >>> 1  

คำตอบที่ 1
       ลองแกะ กาบพลาสติกด้านข้างแล้วดูชุดปลั๊กนะครับ ของผมเพิ่งเป็นเหมือนกัน เลื่อนหลุดนิดเดียวไม่ทำงานนิ่งเลยตอนแรกนึกว่างานเข้าซะแล้ว



 แสดงความคิดเห็นย่อย แสดงความคิดเห็นย่อย

มดขาว จาก มดขาว 112.142.233.2 พุธ, 3/2/2553 เวลา : 17:20   

edit แก้ไขคำตอบ   delete ลบคำตอบ 478917

คำตอบที่ 2
       สวัสดีครับคุณมดขาว

ขอบคุณครับ ถ้าว่างและสะดวกผมขอเบอร์โทรได้ป่าวครับ

ขอแสดงความนับถือ



 แสดงความคิดเห็นย่อย แสดงความคิดเห็นย่อย

tada010415 จาก Tada_JUC534 144.5.59.105 ศุกร์, 5/2/2553 เวลา : 19:38   

edit แก้ไขคำตอบ   delete ลบคำตอบ 479436

คำตอบที่ 3
       Up!!!



 แสดงความคิดเห็นย่อย แสดงความคิดเห็นย่อย

tada010415 จาก Tada_JUC534 144.5.59.105 ศุกร์, 12/2/2553 เวลา : 23:37   

edit แก้ไขคำตอบ   delete ลบคำตอบ 481218

คำตอบที่ 4
       สวัสดีครับคุณมดขาว

ผมไม่แน่ใจว่าแกะออกได้เลย หรือว่าต้องถอดอะไรก่อนหรือป่าวครับ




 แสดงความคิดเห็นย่อย แสดงความคิดเห็นย่อย

tada010415 จาก Tada_JUC534 146.23.196.21 เสาร์, 13/2/2553 เวลา : 18:58   

edit แก้ไขคำตอบ   delete ลบคำตอบ 481307

คำตอบที่ 5
       โทรหาผมแล้วกันครับสวิทต์ปรับเบาะ เพราะผมเคยรื้อแล้ว พิมพ์มันยาว 0890516559



 แสดงความคิดเห็นย่อย แสดงความคิดเห็นย่อย

ครรชิต7335 จาก ครรชิต7335 124.120.34.106 เสาร์, 13/2/2553 เวลา : 21:30   

edit แก้ไขคำตอบ   delete ลบคำตอบ 481319

คำตอบที่ 6
       ขอโทษที่ครับไม่ได้เข้ามาดูเลยวัน เนตที่บ้านมันรวนนิดหน่อย แต่โทรถามคุณครรชิตนี้ซ่อมได้แน่นอนครับผม



 แสดงความคิดเห็นย่อย แสดงความคิดเห็นย่อย

มดขาว จาก มดขาว 117.47.230.177 เสาร์, 13/2/2553 เวลา : 21:46   

edit แก้ไขคำตอบ   delete ลบคำตอบ 481321

คำตอบที่ 7
       สวัสดีครับคุณมดขาว และ คุณครรชิต

ขอบคุณครับ ยังงัยถึงบ้านวันที่ 3 มีนาคม ผมรบกวนขอคำแนะนำด้วยน่ะครับ

ขอแสดงความนับถือ

ธาดา



 แสดงความคิดเห็นย่อย แสดงความคิดเห็นย่อย

tada010415 จาก Tada_JUC534 144.5.59.105 พุธ, 17/2/2553 เวลา : 04:35   

edit แก้ไขคำตอบ   delete ลบคำตอบ 482054

คำตอบที่ 8
       สวัสดีครับคุณมดขาว และ คุณครรชิต
ลองดูที่สายปกติครับ แต่ยังไม่ได้ถอดเบาะออกมาดูตามที่คุณครรชิตบอกครับ

ขอบคุณอีกครั้งครับ



 แสดงความคิดเห็นย่อย แสดงความคิดเห็นย่อย

tada010415 จาก Tada_JUC534 146.23.196.21 พฤหัสบดี, 1/4/2553 เวลา : 23:15   

edit แก้ไขคำตอบ   delete ลบคำตอบ 490394

คำตอบที่ 9
       พี่ๆครับ ยังแก้ไม่ได้เลยครับ ยังปรับลงขึ้นไม่ได้ ไม่มีเสียงมอเตอร์เลย เลื่อนหน้าหลังได้อย่างเดียวครับ ไม่หน้าเอารถไปล้างอัดฉีดเลย ล้างเองดีกว่า



 แสดงความคิดเห็นย่อย แสดงความคิดเห็นย่อย

tada010415 จาก Tada_JUC534 144.5.59.105 ศุกร์, 23/4/2553 เวลา : 04:02   

edit แก้ไขคำตอบ   delete ลบคำตอบ 494093

คำตอบที่ 10
       ลองวิเคราะห์ดูตามนี้นะครับ
1.กดสวิท ขึ้น/ลง แล้ว มีเสียงมอเตอร์ทำงานมั้ย ถ้าไม่ทำงานก็ไปเช็คเรื่องของระบบไฟว่ามาหรือเปล่า ถ้าไฟมาก็ มอเตอร์เสียครับ
2.ถ้าเสียงมอเตอร์ทำงาน แล้วยังไม่มีการขยับ ขึ้น/ลง แสดงว่าเฟืองน่าจะเสียหรือรูด แล้ว ติดต่อ พี่นุ จันทบุรี เพื่อหาอะไหล่ทดแทนของเสีย
3.ถ้ากดแล้ว ขึ้น/ลง มีแบบติดๆ ขัดๆ ไม่สม่ำเสมอ ก็น่าจะเป็นที่ เฟืองเช่นกันครับ
ปล.ในส่วนที่บอกว่าเกิดเหตุจากการล้างอัดฉีดจากภายนอกนั้น ส่วนตัวคิดว่าไม่น่าจะเกิดโดยตรง แต่ถ้าแบบว่าล้างสีดูดฝุ่นด้วยนั้น มีส่วนครับ เพราะ
1.เด็ก อาจจะใช้ที่ดูดฝุ่นแหย่ เข้าไปโดนพวกปลั๊กหรือสายไฟต่างๆ หลุดก็เป็นไปได้ครับ
2.เป็นจังหวะที่เค้าจะเสียพอดีก็ได้ครับ
ลองดูก่อนนะครับ



 แสดงความคิดเห็นย่อย แสดงความคิดเห็นย่อย

ต้นJUC3123 จาก ต้นJUC3123 124.120.3.157 ศุกร์, 23/4/2553 เวลา : 07:58   

edit แก้ไขคำตอบ   delete ลบคำตอบ 494100

คำตอบที่ 11
       การแกะก็ประมาณนี้น่ะครับ





 แสดงความคิดเห็นย่อย แสดงความคิดเห็นย่อย

ต้นJUC3123 จาก ต้นJUC3123 124.120.3.157 ศุกร์, 23/4/2553 เวลา : 08:24   

edit แก้ไขคำตอบ   delete ลบคำตอบ 494112

คำตอบที่ 12
       การเชื่อมต่อของ สวิทซ์ควบคุมเบาะ





 แสดงความคิดเห็นย่อย แสดงความคิดเห็นย่อย

ต้นJUC3123 จาก ต้นJUC3123 124.120.3.157 ศุกร์, 23/4/2553 เวลา : 08:25   

edit แก้ไขคำตอบ   delete ลบคำตอบ 494113

คำตอบที่ 13
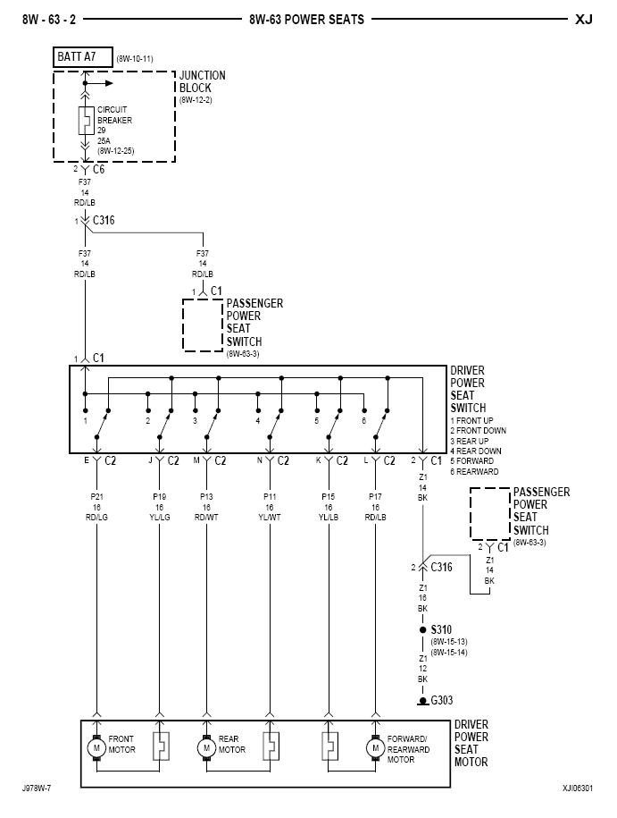
       วงจรในการเช็คฟิวส์ ที่ใช้งาน





 แสดงความคิดเห็นย่อย แสดงความคิดเห็นย่อย

ต้นJUC3123 จาก ต้นJUC3123 124.120.3.157 ศุกร์, 23/4/2553 เวลา : 08:26   

edit แก้ไขคำตอบ   delete ลบคำตอบ 494114

คำตอบที่ 14
       สวัสดีครับพี่ต้น JUC3123
ขอบคุณมากครับ แจ่มเลยพี่ น่าจะเด็กเลื่อนปรับดูดฝุ่นอะครับ
ยังงัยจะลองปฎิบัติตามคำสั่งครับพี่ ค่อยเห็นรูปภาพหน่อย.
ขอแสดงความนับถือ



 แสดงความคิดเห็นย่อย แสดงความคิดเห็นย่อย

tada010415 จาก Tada_JUC534 144.5.59.105 เสาร์, 24/4/2553 เวลา : 04:48   

edit แก้ไขคำตอบ   delete ลบคำตอบ 494341

คำตอบที่ 15
       พี่ต้น JUC3123 ครับ ผมรบกวนขอเบอร์ติดต่อ พี่นุ จันทบุรี ได้มั๊ยครับพี่ หรือไม่ก็แถวโคราชพอมีใครปรึกษาหรือช่วยผมได้ป่าวครับ พอดีผมจะไปธุระที่โคราช 4-5 วันอ่ะครับ



 แสดงความคิดเห็นย่อย แสดงความคิดเห็นย่อย

tada010415 จาก Tada_JUC534 144.5.59.105 เสาร์, 24/4/2553 เวลา : 05:00   

edit แก้ไขคำตอบ   delete ลบคำตอบ 494342

คำตอบที่ 16
       โทรถามคุณครรชิต 7335 ได้เลยครับ โคราช ลองโทรหาช่างแป๋วดูนะครับ



 แสดงความคิดเห็นย่อย แสดงความคิดเห็นย่อย

ต้นJUC3123 จาก ต้นJUC3123 110.49.153.247 อาทิตย์, 25/4/2553 เวลา : 07:56   

edit แก้ไขคำตอบ   delete ลบคำตอบ 494477

คำตอบที่ 17
       ขอบคุณครับ พี่ต้น



 แสดงความคิดเห็นย่อย แสดงความคิดเห็นย่อย

tada010415 จาก Tada_JUC534 144.5.59.105 จันทร์, 26/4/2553 เวลา : 02:20   

edit แก้ไขคำตอบ   delete ลบคำตอบ 494598

      

คำตอบแบ่งหน้าละ 30 คำตอบ ขณะนี้คุณอยู่ที่หน้า 1 จาก >>> 1  



website รองรับการใช้งานทุกระบบปฏิบัติการของ PC Tablet SmartPhone ทุกระบบสามารถโพสข้อความและรูปภาพได้โดยไม่ต้องย่อไฟล์
เพื่อความปลอดภัยในการใช้ website WeekendHobby.Com สมาชิก เท่านั้น จึงจะตั้งกระทู้ หรือ ตอบกระทู้ได้ครับ
Login Click ที่นี่
สมัครสมาชิก Click ที่นี่



Since 22, Feb 2001 hit counter View My Stats  Truehits.net      วันอาทิตย์,8 กุมภาพันธ์ 2569 (Online 2486 คน)