WeekendHobby.com
เครื่องมือในการใช้งาน website =>> สมัครสมาชิก | Login | Logout | เปลี่ยนไอคอนส่วนตัว | เกี่ยวกับเรา | ติดต่อโฆษณา         View stat by Truehits.net


ไฟหน้าปัดดับขอคำแนะนำหน่อยครับ
Snake
จาก Snake
125.25.44.52
ศุกร์ที่ , 23/4/2553
เวลา : 08:17

อ่านแล้ว = 5251 ครั้ง
 เก็บเข้ากระทู้ส่วนตัว
แจ้งตรวจสอบกระทู้
 แจ้งลบ
ส่งหาเพื่อน ส่งหาเพื่อน

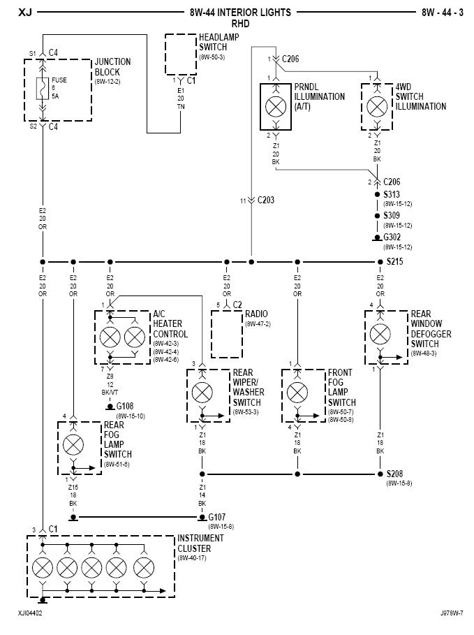
       ผมเช็คดูฟิว ทุกตัวแล้วไม่ขาด ไฟอื่นๆติดยกเว้นไฟหน้าปัดและไฟแสดงตำแห่นงเกียร์
ไม่ทราบว่ามีอะไรควมคุมมันต่อจากฟิวหรือไม่ เช่นรีเลย์เป็นต้น
ขอคำแนะนำด้วยนะครับ



 แสดงความคิดเห็นย่อย แสดงความคิดเห็นย่อย

แจ้งเพื่อเก็บขึ้นกระทู้พิเศษ คลิ๊กที่นี่แจ้งเพื่อนำขึ้นกระทู้พิเศษ

คำตอบแบ่งหน้าละ 30 คำตอบ ขณะนี้คุณอยู่ที่หน้า 1 จาก >>> 1  

คำตอบที่ 1
       ปรับที่สวิท ไฟหน้าหรือยังครับ ไปเผลอหมุนเล่นรึป่าวครับ เพราะไฟบอกตำแหน่งเกียร์ และหน้าปรับจะปรับได้ผ่าน สวิท เปิเปิดไฟหน้าครับ ลองดูก่อนนะครับ



 แสดงความคิดเห็นย่อย แสดงความคิดเห็นย่อย

ต้นJUC3123 จาก ต้นJUC3123 124.120.3.157 ศุกร์, 23/4/2553 เวลา : 08:21   

edit แก้ไขคำตอบ   delete ลบคำตอบ 494110

คำตอบที่ 2
       เหมือนคำตอบที่1 ครับลองหมุนที่สวิตท์ไฟหน้าดู



 แสดงความคิดเห็นย่อย แสดงความคิดเห็นย่อย

yuyoo จาก หยู่ยู้ 58.9.71.97 ศุกร์, 23/4/2553 เวลา : 08:39   

edit แก้ไขคำตอบ   delete ลบคำตอบ 494115

คำตอบที่ 3
       ลองแล้วครับ



 แสดงความคิดเห็นย่อย แสดงความคิดเห็นย่อย

Snake จาก Snake 125.25.44.52 ศุกร์, 23/4/2553 เวลา : 08:40   

edit แก้ไขคำตอบ   delete ลบคำตอบ 494116

คำตอบที่ 4
       ลองแล้วครับเร่งสุดจนมีเสียงแก๊กไฟเก๋งติดแต่ไฟหน้าปัดก็ไม่ติด



 แสดงความคิดเห็นย่อย แสดงความคิดเห็นย่อย

Snake จาก Snake 125.25.251.221 ศุกร์, 23/4/2553 เวลา : 14:18   

edit แก้ไขคำตอบ   delete ลบคำตอบ 494198

คำตอบที่ 5
       ฟิวหน้าเครื่องและฟิวใต้พวงมาลัยนะครับลองเช็คดูยังครับ ของผม โฉมมนเคยฟิวขาดตรงกล่องฟิวตรงคันเร่ง...ไฟหน้าปัดและไฟหน้าดับครับเนื่องจากซนจัด หิ หิ



 แสดงความคิดเห็นย่อย แสดงความคิดเห็นย่อย

tu_tai_kosum@hotmail.com จาก หนึ่ง....ห้าวแป็ก!!!!!!! 183.89.97.8 ศุกร์, 23/4/2553 เวลา : 14:29   

edit แก้ไขคำตอบ   delete ลบคำตอบ 494206

คำตอบที่ 6
       งั้นลองเช็คฟิวส์ตามในวงจรดูก่อนครับ





 แสดงความคิดเห็นย่อย แสดงความคิดเห็นย่อย

ต้นJUC3123 จาก ต้นJUC3123 124.120.3.157 ศุกร์, 23/4/2553 เวลา : 17:03   

edit แก้ไขคำตอบ   delete ลบคำตอบ 494273

คำตอบที่ 7
       ชัดแจ่มแจ๋วเรย..... by the book....interrior light & fuse....
หา test lamp ติดรถใว้ก็ดีนะ มีปัญาก็จิ้มๆๆๆ แป็บเดียวรู้ผล เคยทำใว้หลายๆๆอันหายหมดเรย 555





 แสดงความคิดเห็นย่อย แสดงความคิดเห็นย่อย

loft60-84 จาก Loft60-84 61.91.73.21 ศุกร์, 23/4/2553 เวลา : 17:50   

edit แก้ไขคำตอบ   delete ลบคำตอบ 494285

      

คำตอบแบ่งหน้าละ 30 คำตอบ ขณะนี้คุณอยู่ที่หน้า 1 จาก >>> 1  



website รองรับการใช้งานทุกระบบปฏิบัติการของ PC Tablet SmartPhone ทุกระบบสามารถโพสข้อความและรูปภาพได้โดยไม่ต้องย่อไฟล์
เพื่อความปลอดภัยในการใช้ website WeekendHobby.Com สมาชิก เท่านั้น จึงจะตั้งกระทู้ หรือ ตอบกระทู้ได้ครับ
Login Click ที่นี่
สมัครสมาชิก Click ที่นี่



Since 22, Feb 2001 hit counter View My Stats  Truehits.net      วันอาทิตย์,8 กุมภาพันธ์ 2569 (Online 2319 คน)