WeekendHobby.com
เครื่องมือในการใช้งาน website =>> สมัครสมาชิก | Login | Logout | เปลี่ยนไอคอนส่วนตัว | เกี่ยวกับเรา | ติดต่อโฆษณา         View stat by Truehits.net


ท่านใดมีวงจรระบบแกสของ OMVL ขอความกรุณาด้วยครับ
แขกดอย
จาก แขกดอย
125.27.84.65
จันทร์ที่ , 20/9/2553
เวลา : 23:25

อ่านแล้ว = 4052 ครั้ง
 เก็บเข้ากระทู้ส่วนตัว
แจ้งตรวจสอบกระทู้
 แจ้งลบ
ส่งหาเพื่อน ส่งหาเพื่อน

       พอดีร้านที่เคยติดรถคันเก่า(CRV) ใช้ของ OMVL ผมได้ Jeep มาใหม่เอาไปให้ดูเขาบอกว่าคอมพิวเตอร์พัง และโปรแรมก็หายหมดแล้ว เลยหมดที่พึ่งเลยครับ(ผมอยู่ต่างจังหวัด)
ช่วงที่ใช้รถมา 10 วันมีอาการ วาวล์หัวถังสั่น และตัดจากแกสเป็นน้ำมันบ่อยมาก หลอด LED ที่แสดงตำแหน่งแกส ก็เพี้ยนๆ ผมแก้เบื้องต้นโดยการจั้มสายลบของวาวล์หัวถังลงกราวด์ใหม่อาการตัดจากแกสเป็นน้ำมันหายไป แต่ช่วงสตาร์วาวล์หัวถังยังสั่นเป็นบางครั้ง ต้องกดเป็นน้ำมันสักครู่ แล้วเปลี่ยเป็นแกสใหม่จึงหาย เลยอยากได้วงจรมาลองเช็กสายอีกครั้งครับ
ขอบคุณครับ (somkid.ats4@gmail.com)



 แสดงความคิดเห็นย่อย แสดงความคิดเห็นย่อย

แจ้งเพื่อเก็บขึ้นกระทู้พิเศษ คลิ๊กที่นี่แจ้งเพื่อนำขึ้นกระทู้พิเศษ

คำตอบแบ่งหน้าละ 30 คำตอบ ขณะนี้คุณอยู่ที่หน้า 1 จาก >>> 1  

คำตอบที่ 1
       ช่วงที่รอคำตอบขอเล่าสิ่งที่ทำไปบ้างแล้วดังนี้ครับ
1. สายหัวเทียนเปื่อยครับ ของติดรถมาไม่ใช่ของ Jeep ครับแต่ผมไม่รู้จักเห็นเป็นรถจี๊บเครื่องติดขับกลับบ้านได้ก็เอาเลย อาการนี้ดับกลางทางในวันที่ 7 ครับดูไม่เป็นเลยนั่งรอช่างโจ-ระยองมาช่วยดูเบอร์โทรจากในเว็บนี้แหละ
ตอนนั้นกำลังพาลูกสาวไปหาหมอจอดกลางถนนกำลังร้อน โชคดีที่คุณอ้อม JUC ระยองผ่านมาถามไถ่และอาสาพาลูกสาวผมไปส่งที่โรงพยาบาลให้ครับ ขอบคุณคุณอ้อมน้ำใจงามมากครับ






 แสดงความคิดเห็นย่อย แสดงความคิดเห็นย่อย

แขกดอย จาก แขกดอย 125.27.84.65 จันทร์, 20/9/2553 เวลา : 23:49   

edit แก้ไขคำตอบ   delete ลบคำตอบ 532243

คำตอบที่ 2
       2. ต่อครับ คราวนี้เริ่มไม่ไว้ใจ เลยศึกษาต่อจาก Web ครับได้กระทู้ของ คุณ WJbaby ตามนี้ครับ http://www.thailandoffroad.com/jeep/board/Question.asp?ID=J40294
เลยลองถอดดู ผลออกมาดำปี๋ครับเลยจัดการล้าง แล้วประกอบ แต่ยังสับสนตรงแกนมอเตอร์เดินเบาต้องหยอดน้ำมันหล่อลื่นหรือไม่ เคยอ่านผ่านๆ ในกระทู้อืน แต่ผมไม่ได้หยอด ช่วงแรกรอบเดินเบาสะสวิงครับ ชักพักนึกก็หายไป






 แสดงความคิดเห็นย่อย แสดงความคิดเห็นย่อย

แขกดอย จาก แขกดอย 125.27.84.65 อังคาร, 21/9/2553 เวลา : 00:03   

edit แก้ไขคำตอบ   delete ลบคำตอบ 532246

คำตอบที่ 3
       3.ยังมีอีกครับ จะเสียปลักใช้งาน ซะหน่อย ใช้ไม่ได้อีก เลยต้องไปดาวน์โหลดจากเว็บนี้ครับ
http://www.greatlakesxj.com/tech.html
ข้อมูลจากกระทู้ไหนผมจำไม่ได้ครับ แต่ตรงรุ่นครับ ที่ผมดาวน์โหลดเป็น xj1999
ดูจากวงจรเป็นฟิวส์ที่อยู่ตรงคนขับครับ ในคู่มือเขาเรียกว่า Junction block วัดไฟมาปกติเลยเอาฟิวส์ออกมาขัดขา แล้วใส่เข้าไปใหม่ ผลออกมาใช้ได้ปกติครับ



 แสดงความคิดเห็นย่อย แสดงความคิดเห็นย่อย

แขกดอย จาก แขกดอย 125.27.84.65 อังคาร, 21/9/2553 เวลา : 00:15   

edit แก้ไขคำตอบ   delete ลบคำตอบ 532248

คำตอบที่ 4
       ยังมีรายการอื่นที่อยากทำอีกครับ เช่นถ่ายน้ำหม้อน้ำ อ่านในกระทู้บบอกว่าให้ต่อสายยางออกจากปั้มน้ำ ดูแล้วยังไม่ค่อยเข้าใจ ว่าจะถ่ายน้ำแล้วเติมน้ำยาคูแล้นซักหน่อย
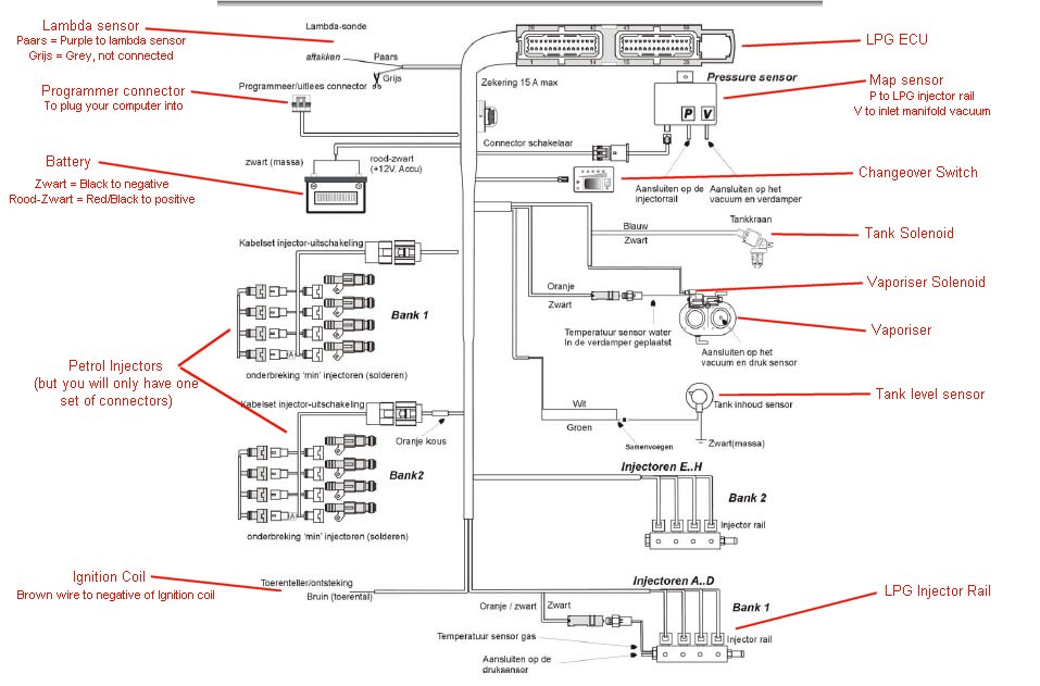
แต่เห็นน้ำยังใสอยู่เลยมาดูที่ระบบแกสก่อนครับ ถ้าท่านใดมีคู่มือวงจรของ OMVL ขอมาศึกษาด้วยครับ
ขอบคุณครับ



 แสดงความคิดเห็นย่อย แสดงความคิดเห็นย่อย

แขกดอย จาก แขกดอย 125.27.84.65 อังคาร, 21/9/2553 เวลา : 00:23   

edit แก้ไขคำตอบ   delete ลบคำตอบ 532249

คำตอบที่ 5
       OMVL ชื่นสิริ เลยครับ....



 แสดงความคิดเห็นย่อย แสดงความคิดเห็นย่อย

chat.chu จาก คน(โรง)เหล็ก 58.136.10.176 พุธ, 22/9/2553 เวลา : 15:24   

edit แก้ไขคำตอบ   delete ลบคำตอบ 532529

คำตอบที่ 6
       อยู่ต่างจังหวัด อาจจะไม่สะดวกเข้ากรุงเทพ
วาล์วหัวถังสั่น น่าจะสั่นเพราะ โซลินอยส์วาล์วเริ่มเสื่อม ถ้าต่อ Ground แน่นดีแล้วอาการสั่นยังไม่หาย ลองเปลี่ยน โซลินอยส์ดูครับ



 แสดงความคิดเห็นย่อย แสดงความคิดเห็นย่อย

jeep4206 จาก ณพ 210.4.143.14 พุธ, 22/9/2553 เวลา : 16:46   

edit แก้ไขคำตอบ   delete ลบคำตอบ 532536

คำตอบที่ 7
       ขอบทุกท่านครับ ค้นไปค้นมาได้มาแล้วครับ แต่อ่านไม่ออก
http://www.vogelsautogas.nl/documenten/Techniek%20OMVL%20Nederlands/OMVL%20Dream%20XXI%20N%20installatie%20handleiding.pdf
แต่เขามีแปลไว้บ้างตามรูปครับ เอามาจาก Website เมืองนอก เดี๋ยวผมขอดูก่อนถ้าไม่ได้จะไปตามที่แนะนำครับ






 แสดงความคิดเห็นย่อย แสดงความคิดเห็นย่อย

แขกดอย จาก แขกดอย 125.27.83.112 พุธ, 22/9/2553 เวลา : 23:37   

edit แก้ไขคำตอบ   delete ลบคำตอบ 532562

คำตอบที่ 8
       link ใหม่ครับเมื่อกี้ขาดไปหน่อย
http://www.vogelsautogas.nl/documenten/Techniek%20OMVL%20Nederlands/OMVL20Dream%20XXI%20N%20installatie%20handleiding.pdf
วันนี้ดูคร่าวๆแล้วพบรั่วที่สาย Vacuum ครับ






 แสดงความคิดเห็นย่อย แสดงความคิดเห็นย่อย

แขกดอย จาก แขกดอย 125.27.83.112 พุธ, 22/9/2553 เวลา : 23:42   

edit แก้ไขคำตอบ   delete ลบคำตอบ 532563

คำตอบที่ 9
       ตกลงเปลี่ยนสาย แวคคั่ม แล้ว อาการต่างๆ หายไม๊ครับ



 แสดงความคิดเห็นย่อย แสดงความคิดเห็นย่อย

jeep4206 จาก ณพ 124.121.129.170 เสาร์, 25/9/2553 เวลา : 11:44   

edit แก้ไขคำตอบ   delete ลบคำตอบ 532933

คำตอบที่ 10
       ค่อยๆค้นครับ ใจเย็นๆ แก้ไปทีละจุด
ผมใช้ของOMVLมาสองแสนกว่าโล/5 ปีกว่าแล้วครับ
เพิ่งเปลี่ยนอะไหล่หม้อต้มมาใหม่ ตรวจเช็คท่อแก๊สท่อสายไฟ
....เจอรั่วทั้งสองอย่างเลย .......สุดเสียว



 แสดงความคิดเห็นย่อย แสดงความคิดเห็นย่อย

ไม่แหลม จาก ไม่แหลม 58.64.17.2 เสาร์, 25/9/2553 เวลา : 12:47   

edit แก้ไขคำตอบ   delete ลบคำตอบ 532938

คำตอบที่ 11
       เรื่องแกสใช้มาสองสามวัน เรียบร้อดีครับ ไม่งอแง วันนี้เลยซ่อมเสาวิทยุ และเบาะต่อครับ
1. ซ่อมเสาวิทยุเริ่มจากถอดบังโคลนล้อหน้าด้านคนขับข้างที่เป็นพลาสติกออกตามกระทู้นี้ครับ http://www.thailandoffroad.com/jeep/board/Question.asp?ID=J34735 ขอบคุณท่าน Zaaaap ของผม น๊อตอยู่ไต้ซุ้มล้อขาดหมดเลย หัวน๊อตก็เป็บแบบเชิ่อมติด เลยเอานำศูนย์ตีตรงกลาง แล้วใช้สว่าน M5 เจาะแล้วต๊าป เป็น M6 ซื้อน๊อตมาใส่ใหม่ เรียบร้อดีครับ ส่วนกลไกเป็นเฟืองเกียร์ยาวๆขาดครับ(โฉมมน) สั่งซื้อของอยู่ครับยังไม่เปลี่ยน
2. ซ่อมเบาะข้างขนขับยกขึ้นลงไม่ขึ้นครับโดยเปลี่ยนเฟืองใหม่ วิธีการทำตามนี้ครับ http://www.thailandoffroad.com/jeep/board/Question_backup2009.asp?ID=J33488 ขอคุณ คุณ pnu ครับ
3. ดูไปดูมาพบจุดยึดทอน้ำมันไต้ชุดไอดีพลาสติกกรอบเข็งไปหมดตามคำแนะนำของกระทู้นี้ครับ http://www.thailandoffroad.com/jeep/board/Question.asp?ID=J34735 ขอบคุณ คุณท่าน mop และคุณ JJ ครับ จัดการถอดตัวยึดออกมาหุ้มยางใหม่ครับ ผมใช้ท่อหดที่เป็ยางมาหุ้มก่อนยึดเข้าไปใหม่ครับ
ขอบคุณทุกท่านครับ ตั้งใจว่านิ่งแล้วต้องฉลองหน่อยครับ ไปไหนยังไม่รู้ แต่อยากลองทางไกลดูครับ



 แสดงความคิดเห็นย่อย แสดงความคิดเห็นย่อย

แขกดอย จาก แขกดอย 125.27.96.69 เสาร์, 25/9/2553 เวลา : 21:44   

edit แก้ไขคำตอบ   delete ลบคำตอบ 532985

คำตอบที่ 12
       ขอโทษครับตรงเสาวิทยุ copy link ผิดครับ ตรมนี้ครับ http://www.thailandoffroad.com/jeep/board/Question_backup2009.asp?ID=J24001 ขอบคุณท่าน Zaaaap ครับ



 แสดงความคิดเห็นย่อย แสดงความคิดเห็นย่อย

แขกดอย จาก แขกดอย 125.27.96.69 เสาร์, 25/9/2553 เวลา : 21:49   

edit แก้ไขคำตอบ   delete ลบคำตอบ 532986

      

คำตอบแบ่งหน้าละ 30 คำตอบ ขณะนี้คุณอยู่ที่หน้า 1 จาก >>> 1  



website รองรับการใช้งานทุกระบบปฏิบัติการของ PC Tablet SmartPhone ทุกระบบสามารถโพสข้อความและรูปภาพได้โดยไม่ต้องย่อไฟล์
เพื่อความปลอดภัยในการใช้ website WeekendHobby.Com สมาชิก เท่านั้น จึงจะตั้งกระทู้ หรือ ตอบกระทู้ได้ครับ
Login Click ที่นี่
สมัครสมาชิก Click ที่นี่



Since 22, Feb 2001 hit counter View My Stats  Truehits.net      วันอาทิตย์,8 กุมภาพันธ์ 2569 (Online 2388 คน)