WeekendHobby.com
เครื่องมือในการใช้งาน website =>> สมัครสมาชิก | Login | Logout | เปลี่ยนไอคอนส่วนตัว | เกี่ยวกับเรา | ติดต่อโฆษณา         View stat by Truehits.net


wj 4.0 อยากได้แบบยางรองหัวสปริงเพื่อยกสูง 2 นิ้ว
piacthee
จาก jeab
110.77.138.119
พุธที่ , 1/6/2554
เวลา : 11:34

อ่านแล้ว = 6452 ครั้ง
 เก็บเข้ากระทู้ส่วนตัว
แจ้งตรวจสอบกระทู้
 แจ้งลบ
ส่งหาเพื่อน ส่งหาเพื่อน

       พอดีได้แบบ sapcer A-Arm จากพี่ในกระทู้เลยเข้าโรงกลึงเพื่อนให้ทำให้เสร็จแล้ว 1 อย่าง ผมใช้เป็นซุปเปอร์ลีนครับ เหลือแบบสำหรับกลึงทำใช้เป็นอลูมิเนียมหรือซุปเปอร์ลีนดีครับ ผมเคยดูใน ebay เขามีทำทั้งยางและอลูมิเนียมครับ แต่ตอนนี้อยากได้แบบครับเพื่อจะเอาเข้าโรงกลึงกลึงให้ ขอทั้งด้านหน้า-หลัง เลยนะครับ
ขอบคุณครับ



 แสดงความคิดเห็นย่อย แสดงความคิดเห็นย่อย

แจ้งเพื่อเก็บขึ้นกระทู้พิเศษ คลิ๊กที่นี่แจ้งเพื่อนำขึ้นกระทู้พิเศษ

คำตอบแบ่งหน้าละ 30 คำตอบ ขณะนี้คุณอยู่ที่หน้า 1 จาก >>> 1  

คำตอบที่ 1
       หาได้ที่ไหนครับ



 แสดงความคิดเห็นย่อย แสดงความคิดเห็นย่อย

piacthee จาก jeab 110.77.138.119 พฤหัสบดี, 2/6/2554 เวลา : 09:37   

edit แก้ไขคำตอบ   delete ลบคำตอบ 578985

คำตอบที่ 2
       ตามรูปเขาใช้อลูมิเนียมกลึงครับ แต่ไม่ทราบขนาด อยากได้ขนาดของมันนะครับ ไม่ทราบว่าจะหาได้ที่ไหน ขอบคุณครับ





 แสดงความคิดเห็นย่อย แสดงความคิดเห็นย่อย

piacthee จาก jeab 110.77.138.119 พฤหัสบดี, 2/6/2554 เวลา : 10:57   

edit แก้ไขคำตอบ   delete ลบคำตอบ 578997

คำตอบที่ 3
       อีกแบบเขาทำเป็นยางครับสั่งมาก็แพงเหมือนกัน แต่ผมว่าที่บ้านเราน่าจะทำเองได้ขอให้มีแบบก็น่าจะเข้าโรงกลึงทำได้นะครับ





ลองหากระทู้พี่เป้าดูนะ เป้าwj เคยเห็นมีอยู่
จาก : เอwj9777(เอwj9777) 2/6/2554 11:13:00 [58.9.93.46]
 แสดงความคิดเห็นย่อย แสดงความคิดเห็นย่อย

piacthee จาก jeab 110.77.138.119 พฤหัสบดี, 2/6/2554 เวลา : 10:59   

edit แก้ไขคำตอบ   delete ลบคำตอบ 578998

คำตอบที่ 4
       มีเป็น แบบ drawingไว้ ว่างๆ จะถ่ายรูปลงให้ครับ....ต้องหาก่อน.....



 แสดงความคิดเห็นย่อย แสดงความคิดเห็นย่อย

chat.chu จาก คน(โรง)เหล็ก 58.136.10.166 ศุกร์, 3/6/2554 เวลา : 09:46   

edit แก้ไขคำตอบ   delete ลบคำตอบ 579147

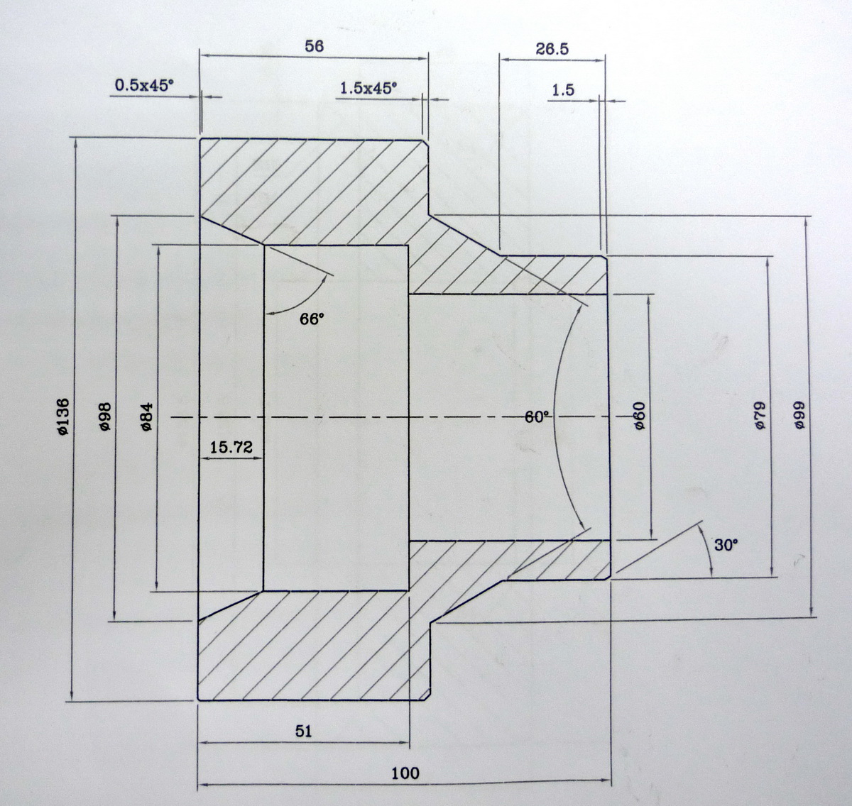
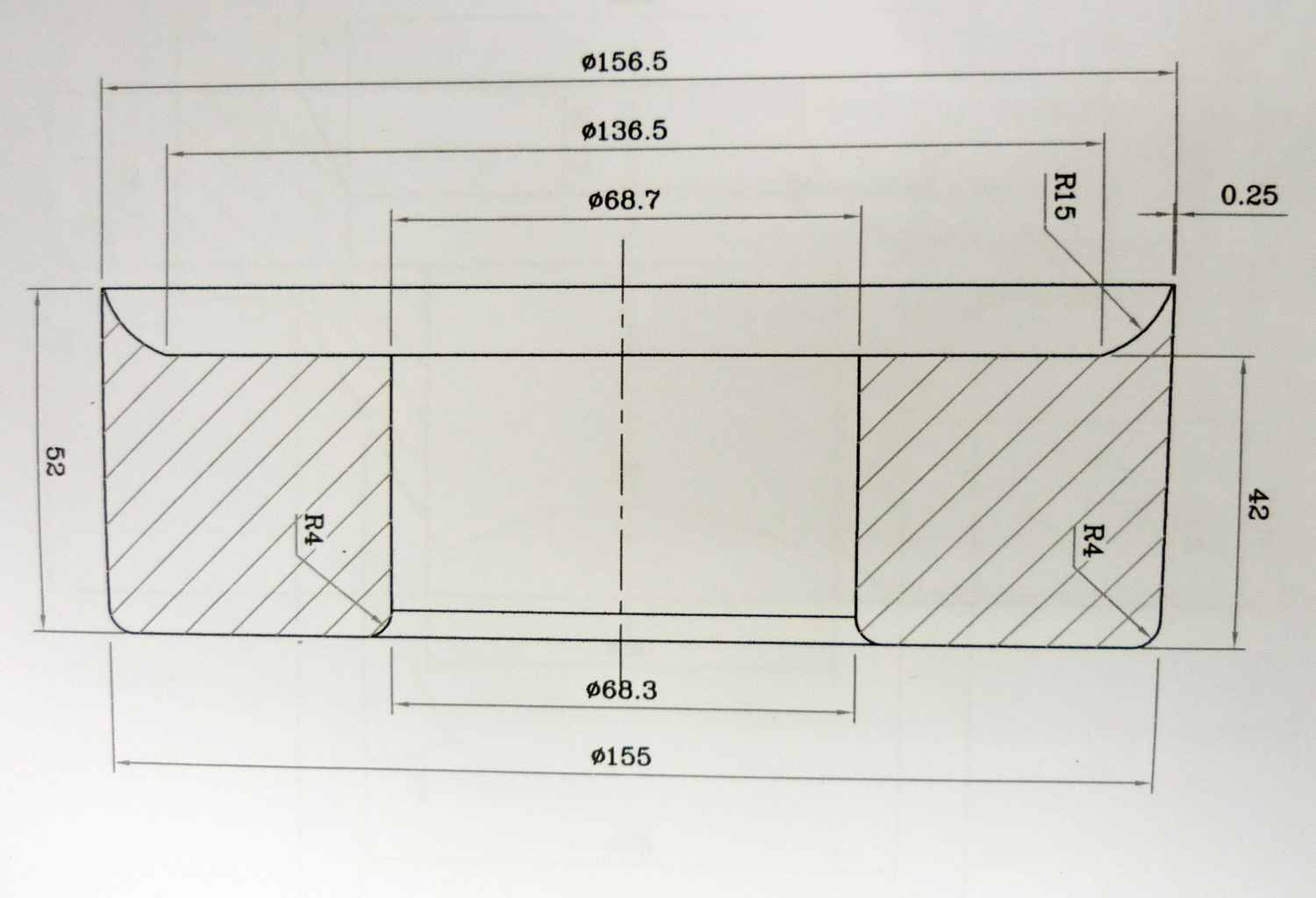
คำตอบที่ 5
       มาแล้วครับ...ตัวแรกคือตัวหน้า...ความสูงที่ได้ไม่ถึง 2 นิ้วนะครับ ประมาณ 40 มิลเอง
(Dimension ไม่ต้องละเอียดเป็นจุดทศนิยมก็ได้...)





 แสดงความคิดเห็นย่อย แสดงความคิดเห็นย่อย

chat.chu จาก คน(โรง)เหล็ก 58.136.10.166 เสาร์, 4/6/2554 เวลา : 10:23   

edit แก้ไขคำตอบ   delete ลบคำตอบ 579250

คำตอบที่ 6
       555... อย่างใหญ่เลย....กลัวมองไม่เห็น....

ตัวหลังครับ





 แสดงความคิดเห็นย่อย แสดงความคิดเห็นย่อย

chat.chu จาก คน(โรง)เหล็ก 58.136.10.166 เสาร์, 4/6/2554 เวลา : 10:25   

edit แก้ไขคำตอบ   delete ลบคำตอบ 579251

คำตอบที่ 7
       ยังเช้าอยู่...สมองยังไม่ตื่น....บอกสลับกันซะงั้น..ภาพแรกคือ คู่หลัง.... ภาพหลังคือ คู่หน้า....



 แสดงความคิดเห็นย่อย แสดงความคิดเห็นย่อย

chat.chu จาก คน(โรง)เหล็ก 58.136.10.166 เสาร์, 4/6/2554 เวลา : 10:28   

edit แก้ไขคำตอบ   delete ลบคำตอบ 579252

คำตอบที่ 8
       ผมเคยใช้แบบนั้นแต่เป็นของนอก แนะนำว่าอย่าไปใส่เลยครับแบบนี้ ใช้แล้วขับไม่ดี ซึ้งผมเคยคิดว่ามันไม่ต่างจากการเปลี่ยนสปริง ประหยัดกว่า แต่เอาเข้าจริงๆ บอกคำเดียวครับว่าไม่ได้เรื่อง มุมมันจะเพี้ยน แล้วมันยังทำให้ยางรองสปริงขาดอีกด้วยครับ แล้วสรปริงเดิมรถเราใช้มาหลายปีแล้วมันล้ว และทำให้รถเอียงไม่เท่ากัน ที่ใครชอบพูดว่ารถจิ๊ปเอียงข้าง และการเอียงข้างเป็นเรื่องปกติ มันเอียงเพราะสปริงมันหมดสภาพ ปัจจุบันผมเปลี่ยนไปใส่สปริงของkings ซื้อที่vvp ชุดละหมื่นกว่าบาท ขับดีกว่ากันเยอะเลยครับ รถไม่เอียงข้างด้วยครับ แล้วถ้าทำแบบนี้ใช้ ราคาไม่ใช่ถูกนะครับ เพิ่มเงินอีกหน่อยใช้สปริงที่เดียวจบ ส่วนเรื่องของสปริงแนะนำkingsเลยครับใส่แล้วไม่นิ่มมากเกินไปเหมือนบางยี่ห้อ ที่ต้องใส่แบบ heavy duty แต่พอใส่แบบ heavy duty แล้วก็แข็งไป แต่ของkingsที่ผมใช้จะนุ่มหนึบ และก็ออกแบบมาเผื่อสำหรับ รถที่ติดถังแก๊สครับ ทำให้ท้ายไม่ห้อย ผมซื้อที่vvp ไม่มีส่วนได้เสีย แค่อยากแบ่งปันครับ



 แสดงความคิดเห็นย่อย แสดงความคิดเห็นย่อย

กบ จาก กบ 125.24.93.85 เสาร์, 4/6/2554 เวลา : 11:36   

edit แก้ไขคำตอบ   delete ลบคำตอบ 579254

คำตอบที่ 9
       ระหว่าง สปริงยก กะก้อนรอง....องศาไม่น่าหนีกันเท่าไร นะครับสูงจากเดิม 3-40 มิล (เอาไว้หนีน้ำท่วมหน้าฝน)... ลองเล่นเปรียบเทียบก็ไม่น่าเป็นไรครับ...ถือว่าเล่นสนุกๆ .... ถ้าชอบฟิลลิ่งสูงๆ...ก็ค่อยว่าอีกที

....ผมก็ไปเปลี่ยน OME ที่ vvp มาเหมือนกัน....ตอนแรกเขาแนะนำ king เหมือนกันแต่กลัวแข็งก็เลยเอา OME heavy มา...ปรากฏว่าเตี้ยกว่าเดิมที่ทำไว้หน่อยนึง ....กะว่า จะเอาก้อนรองเดิม กลึงออกนิ๊ดหน่อย...ใส่เพิ่มเข้าไปอีก..ยังหาชิ้นส่วนไม่ครบเลย...ไม่ทราบคุณ กบใส่ โช๊คของอะไรครับ...




ข้อมูลผิดครับ...หน้า medium หลัง soft (ไม่แน่ใจเรียกถูกป่าว)
จาก : chat.chu(chat.chu) 25/7/2554 21:41:57 [182.53.42.128]
 แสดงความคิดเห็นย่อย แสดงความคิดเห็นย่อย

chat.chu จาก คน(โรง)เหล็ก 58.136.10.166 เสาร์, 4/6/2554 เวลา : 13:34   

edit แก้ไขคำตอบ   delete ลบคำตอบ 579259

คำตอบที่ 10
       ขอบคุณครับพี่คน(โรง)เหล็ก สำหรับ drawing อย่างน้อยก็จะได้ไปลองทำดู หาซื้อเศษอลูมิเนียมเอาแบบไปให้เพื่อนๆที่โรงกลึงทำให้ใส่ไปก่อน ยังงัยค่อยว่ากันไปอีกทีหนึ่ง อย่างน้อยก็ได้แบบชิ้นส่วนของรถ jeep Grand cherokee เอาไว้ก็ด๊ครับ ขอบคุณครับ



 แสดงความคิดเห็นย่อย แสดงความคิดเห็นย่อย

piacthee จาก jeab 110.77.138.119 จันทร์, 6/6/2554 เวลา : 11:53   

edit แก้ไขคำตอบ   delete ลบคำตอบ 579407

คำตอบที่ 11
       ผมมีของเดิมที่เคยใส่กับรถผมเอง
สนใจมั๊ยครับ อลูมิเนียมเบาๆ 080-215-0808
เดี๋ยวถ่ายรูปให้ดู
ถ้าใส่กับรถที่สปริงล้าละก็ เหมาะเลยครับ
แต่ถ้าสปริงเดิมใหม่ๆ ไม่เห็นด้วย





 แสดงความคิดเห็นย่อย แสดงความคิดเห็นย่อย

ไม่แหลม จาก ไม่แหลม 101.109.139.16 อังคาร, 7/6/2554 เวลา : 17:45   

edit แก้ไขคำตอบ   delete ลบคำตอบ 579562

คำตอบที่ 12
       รถพี่ไม่แหลมสวยเลยครับ ยกกี่นิ้วแล้วใส่ยางเบอร์อะไรครับ



สปริงจากรุ่นปี1999 + ก้อนรอง ครับ
จาก : ไม่แหลม(ไม่แหลม) 8/6/2554 17:45:04 [125.27.22.37]
 แสดงความคิดเห็นย่อย แสดงความคิดเห็นย่อย

wat27 จาก wat27 14.207.159.109 พุธ, 8/6/2554 เวลา : 10:37   

edit แก้ไขคำตอบ   delete ลบคำตอบ 579634

คำตอบที่ 13
       ของ พี่ไม่แหลม... น่าจะ 2 นิ้ว Up นะครับ.... สูงนะครับ....อิ อิ

ความโต (ยาง) น่าจะ 245-75 หรือ 265-70



ในรูป245/75/16 ครับ ตอนหลังใส่ 235/85/16 แต่หารูปไม่เจอ
จาก : ไม่แหลม(ไม่แหลม) 8/6/2554 17:43:45 [125.27.22.37]
 แสดงความคิดเห็นย่อย แสดงความคิดเห็นย่อย

chat.chu จาก คน(โรง)เหล็ก 58.136.10.136 พุธ, 8/6/2554 เวลา : 10:53   

edit แก้ไขคำตอบ   delete ลบคำตอบ 579642

คำตอบที่ 14
       จากแบบที่คุณคนโรงเหล็กได้ให้มาผมเอากลึงที่โรงกลึง มีรองหัวสปริงหน้า รองหัวสปริงหลัง และทำสเปเซอร์สำหรับเออาร์ม ตอนนี้ติดตั้งเรียบร้อยแล้วครับ ใช้โช๊คอันเดิมคือแรนโช่ที่ปรับได้9ระดับ ความยาวผมจำไม่ได้ ทดลองขับมอเตอร์เวย์จากกรุงเทพมาแหลมฉบังเพราะผมต้องเดินทางเส้นนี้มาทำงานอยู่แล้ว ปรากฏว่าใช้ดีนะครับผมรู้สึกไม่แตดต่างไปจากเดิมครับหรือว่าความรู้สึกผมอาจจะไม่ละเอียดพอก็ได้ไม่แน่ใจครับวิ่ง 140 กม./ชั่วโมง เงียบดีครับไม่โครงด้วย ขอบคูณพี่ๆ คุณโรงเหล็ก คุณขุนคีรี วันนั้นก่อนไปติดตั้งผมได้โทรไปขอคำปรึกษา ระยะเป็นยังงัยต่อเดี่ยวผมเข้ามาแจ้งในกระทู้ให้ทราบนะครับ ขอบคุณครับ เดี่ยววันหลังจะเอารูปมาลงให้ดูด้วยครับ



ยอนดีด้วยครับ. ดีแล้วที่ไม่รับความรู้สึกแตกต่าง.... ไม่ทราบรองไปกี่นิ้ว
จาก : chat.chu(chat.chu) 9/8/2554 13:40:01 [58.136.10.166]
 แสดงความคิดเห็นย่อย แสดงความคิดเห็นย่อย

piacthee จาก jeab 110.77.138.119 จันทร์, 8/8/2554 เวลา : 19:15   

edit แก้ไขคำตอบ   delete ลบคำตอบ 588209

คำตอบที่ 15
       คุณ Jeab ผ่านไป Stepนึง...ไว้หาไรเล่นสนุกไปเรื่อยๆ..... ตอนนี้ ผมลองทำ Drop Arm ใส่อยู่.... Drop เท่าความสูงที่ยก.... ใส่แล้วนิ่มจน ตกใจเลย... มันยวบยาบน่ากลัว.... เบรคทีนึง หน้ายุบเหมือน กระบะบรรทุกของเลย...ตั้งโช๊คให้แข็ง วิ่งทางเรียบ สนุกดีครับ...กำลังลองทำ Drop Track bar ดูว่าใส่ได้มั๊ย



 แสดงความคิดเห็นย่อย แสดงความคิดเห็นย่อย

chat.chu จาก คน(โรง)เหล็ก 58.136.10.166 อังคาร, 9/8/2554 เวลา : 13:47   

edit แก้ไขคำตอบ   delete ลบคำตอบ 588305

คำตอบที่ 16
       รอสอย ...ความรู้อย่างเดียว



 แสดงความคิดเห็นย่อย แสดงความคิดเห็นย่อย

wjbaby จาก เปิ้ล 118.173.12.252 อังคาร, 9/8/2554 เวลา : 20:28   

edit แก้ไขคำตอบ   delete ลบคำตอบ 588331

      

คำตอบแบ่งหน้าละ 30 คำตอบ ขณะนี้คุณอยู่ที่หน้า 1 จาก >>> 1  



website รองรับการใช้งานทุกระบบปฏิบัติการของ PC Tablet SmartPhone ทุกระบบสามารถโพสข้อความและรูปภาพได้โดยไม่ต้องย่อไฟล์
เพื่อความปลอดภัยในการใช้ website WeekendHobby.Com สมาชิก เท่านั้น จึงจะตั้งกระทู้ หรือ ตอบกระทู้ได้ครับ
Login Click ที่นี่
สมัครสมาชิก Click ที่นี่



Since 22, Feb 2001 hit counter View My Stats  Truehits.net      วันจันทร์,9 กุมภาพันธ์ 2569 (Online 2387 คน)