WeekendHobby.com
เครื่องมือในการใช้งาน website =>> สมัครสมาชิก | Login | Logout | เปลี่ยนไอคอนส่วนตัว | เกี่ยวกับเรา | ติดต่อโฆษณา         View stat by Truehits.net


แตรกดไม่ดัง ดูฟิว ตัวไหนครับ
Rabbit75
จาก Rabbit75
180.214.216.194
อาทิตย์ที่ , 13/11/2554
เวลา : 17:15

อ่านแล้ว = 23024 ครั้ง
 เก็บเข้ากระทู้ส่วนตัว
แจ้งตรวจสอบกระทู้
 แจ้งลบ
ส่งหาเพื่อน ส่งหาเพื่อน

       Xj ครับ กดแล้วเงียบครับ ดูฟิวตัวไหนครับ ขอบคุณครับ


เหลี่ยม - มน .. Wiring ไม่เหมือนกันนาคับ !!!
จาก : Jedi(Jedi) 14/11/2554 17:32:15 [171.4.85.98]
 แสดงความคิดเห็นย่อย แสดงความคิดเห็นย่อย

แจ้งเพื่อเก็บขึ้นกระทู้พิเศษ คลิ๊กที่นี่แจ้งเพื่อนำขึ้นกระทู้พิเศษ

คำตอบแบ่งหน้าละ 30 คำตอบ ขณะนี้คุณอยู่ที่หน้า 1 จาก >>> 1  

คำตอบที่ 1
       เคยเจอเหมือนกัน กดแตรบางครั้งดัง บางครั้งไม่ดัง เปลี่ยนรีเลย์แล้วหายครับ



อาการเดียวกันเลยครับ ไม่ทราบว่ารีเรย์อยู่ตรงไหนครับ
จาก : Rabbit75(Rabbit75) 13/11/2554 21:20:37 [180.214.216.183]
 แสดงความคิดเห็นย่อย แสดงความคิดเห็นย่อย

paju จาก paju 118.174.61.196 อาทิตย์, 13/11/2554 เวลา : 19:40   

edit แก้ไขคำตอบ   delete ลบคำตอบ 600895

คำตอบที่ 2
       อาการเดียวกันเลยครับ ไม่ทราบว่ารีเรย์อยู่ตรงไหนครับ



 แสดงความคิดเห็นย่อย แสดงความคิดเห็นย่อย

Rabbit75 จาก Rabbit75 180.214.216.183 อาทิตย์, 13/11/2554 เวลา : 21:21   

edit แก้ไขคำตอบ   delete ลบคำตอบ 600910

คำตอบที่ 3
       กระทู้นี้เลยครับ
http://www.thailandoffroad.com/jeep/board/Question.asp?ID=41393





สาเหตุอีกอย่าง ตัวแตรสกปรก แกะออกมาล้างด้วยน้ำมัน ปรับตั้งใหม่ จะกลับมาดังเข่นเดิมหรือดีกว่าเดิม
จาก : juc626(juc626) 14/11/2554 9:02:47 [118.174.46.62]
 แสดงความคิดเห็นย่อย แสดงความคิดเห็นย่อย

blackjack5727 จาก back_krab 125.25.172.41 อาทิตย์, 13/11/2554 เวลา : 21:43   

edit แก้ไขคำตอบ   delete ลบคำตอบ 600912

คำตอบที่ 4
       ลองเช็คฟิวส์ก่อนนะคับ ใต้ขาคนขับคับ





 แสดงความคิดเห็นย่อย แสดงความคิดเห็นย่อย

ต้นjuc3123 จาก ต้นJUC3123 58.8.103.230 จันทร์, 14/11/2554 เวลา : 13:56   

edit แก้ไขคำตอบ   delete ลบคำตอบ 601001

คำตอบที่ 5
       ถ้าฟิวส์ 15 แอมป์ ไม่ขาดจะต้องมีไฟไปเลี้ยงรีเลย์ เมื่อกดแตร รีเลย์ทำงาน แตรต้องดัง ถ้าฟิวส์ไม่ขาด ตรวจสอบรีเลย์ ซึ่งรีเลย์จะอยู่ใต้แผงแอร์ตรงกลาง ให้เอามือล้วงเข้าไปลองขยับๆพร้อมกับกดแตร ถ้ามีดังบ้างแสดงว่ามาถูกทางแล้ว



 แสดงความคิดเห็นย่อย แสดงความคิดเห็นย่อย

ต้นjuc3123 จาก ต้นJUC3123 58.8.103.230 จันทร์, 14/11/2554 เวลา : 13:58   

edit แก้ไขคำตอบ   delete ลบคำตอบ 601003

คำตอบที่ 6
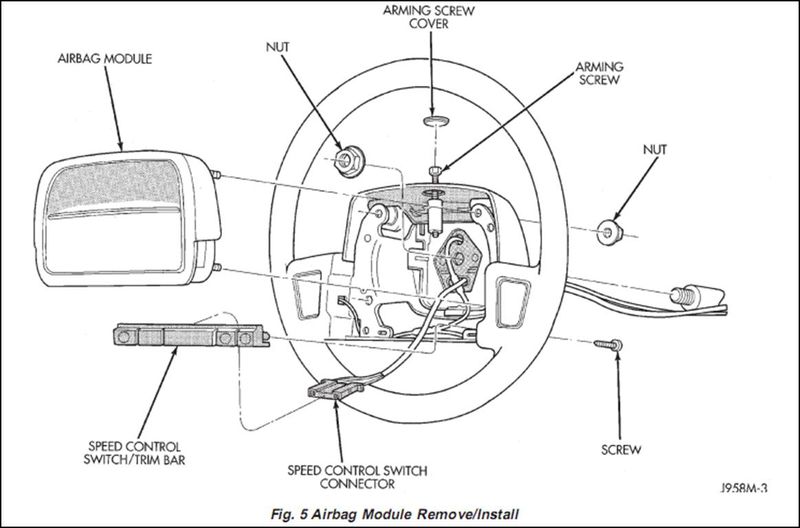
       การแกะ สวิทแตรที่พวงมาลัย





 แสดงความคิดเห็นย่อย แสดงความคิดเห็นย่อย

ต้นjuc3123 จาก ต้นJUC3123 58.8.103.230 จันทร์, 14/11/2554 เวลา : 14:24   

edit แก้ไขคำตอบ   delete ลบคำตอบ 601011

คำตอบที่ 7
       ขอบคุตากครับ แต่ว่า เริ่มยังไงดีล่ะครับนี่ งง ตั้งแต่ diagram แรกแล้วครับ



งั้นก็ให้คนที่ทำเป็นช่วยทำคับหรือไม่ก็ให้อู่จัดการคับ รถยังขับไปอู่ได้
จาก : ต้นjuc3123(ต้นjuc3123) 14/11/2554 20:57:13 [125.25.96.181]
ขอบคุณครับ
จาก : Rabbit75(Rabbit75) 15/11/2554 10:08:36 [180.214.216.239]
 แสดงความคิดเห็นย่อย แสดงความคิดเห็นย่อย

Rabbit75 จาก Rabbit75 180.214.216.154 จันทร์, 14/11/2554 เวลา : 20:10   

edit แก้ไขคำตอบ   delete ลบคำตอบ 601046

คำตอบที่ 8
       เรียบร้อยแล้วครับคุณต้น relay เสียครับ กดแล้วมันดังแค่แต๊กเดียวแล้วเงียบเลยครับ

ขอบคุณมากครับ



 แสดงความคิดเห็นย่อย แสดงความคิดเห็นย่อย

Rabbit75 จาก Rabbit75 180.214.218.202 พฤหัสบดี, 17/11/2554 เวลา : 15:21   

edit แก้ไขคำตอบ   delete ลบคำตอบ 601364

คำตอบที่ 9
       ยินดีคับ รีเลย์แตร แปลกมากขนาดไม่ได้ใช้บ่อย เสียทุกคัน ของผมก็เสียคับ แต่ก็ทำเรียบร้อยแล้ว เลยมีข้อมูลมาแบ่งปันกันคับ...



 แสดงความคิดเห็นย่อย แสดงความคิดเห็นย่อย

ต้นjuc3123 จาก ต้นJUC3123 115.87.241.241 พฤหัสบดี, 17/11/2554 เวลา : 15:58   

edit แก้ไขคำตอบ   delete ลบคำตอบ 601375

      

คำตอบแบ่งหน้าละ 30 คำตอบ ขณะนี้คุณอยู่ที่หน้า 1 จาก >>> 1  



website รองรับการใช้งานทุกระบบปฏิบัติการของ PC Tablet SmartPhone ทุกระบบสามารถโพสข้อความและรูปภาพได้โดยไม่ต้องย่อไฟล์
เพื่อความปลอดภัยในการใช้ website WeekendHobby.Com สมาชิก เท่านั้น จึงจะตั้งกระทู้ หรือ ตอบกระทู้ได้ครับ
Login Click ที่นี่
สมัครสมาชิก Click ที่นี่



Since 22, Feb 2001 hit counter View My Stats  Truehits.net      วันอาทิตย์,8 กุมภาพันธ์ 2569 (Online 1985 คน)