WeekendHobby.com
เครื่องมือในการใช้งาน website =>> สมัครสมาชิก | Login | Logout | เปลี่ยนไอคอนส่วนตัว | เกี่ยวกับเรา | ติดต่อโฆษณา         View stat by Truehits.net


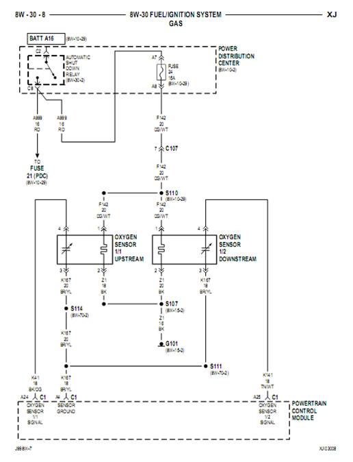
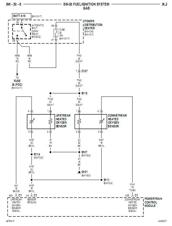
สายO2 ขาด 1เส้นหลุดจากปลั๊กตรงแค๊ส 3เส้น รบกวนกูรูครับหรือใครมีภาพแบบเดิม ว่าสายสีไรใส่จุดไหนครับ
kiarti
จาก แขกขาว
110.49.248.233
พฤหัสบดีที่ , 10/5/2555
เวลา : 20:21

อ่านแล้ว = 3276 ครั้ง
 เก็บเข้ากระทู้ส่วนตัว
แจ้งตรวจสอบกระทู้
 แจ้งลบ
ส่งหาเพื่อน ส่งหาเพื่อน

       โฉมมน 4.0 ปี99 ecu No.278 งานเข้า
เกิดจากไปเปลี่ยนหม้อพักแล้วไม่แน่ใจว่า ช่างท่อเค้าเลื่อนจุดเข้าใกล้เพลากลาง(ช่างเค้าบอกตำแหน่งเดิม)หรือจากควานร้อนของท่อหม้อพักไหม่ที่ใส่ ทำให้สายO2 ย้อยแล่วไปพันกะเพลากลางแล้วดึงสายขาด 1 เส้น หลุดจากปลั๊กตรงแค๊ส 3เส้น ตอนนี้เลยถอด O2 วิ่งครับเครื่องสะดุด นิดๆ- เยอะไม่กล้าวิ่งเร็ว ใส่คืนได้ไหมยังไง รบกวนกูรูครับ หรือใครมีภาพรูปแบบเดิม ว่าสายสีไรใส่จุดไหนครับ
พรุ่งนี้จาลงรูปสายO2ที่ขาดครับ
ขอบคุณครับ



 แสดงความคิดเห็นย่อย แสดงความคิดเห็นย่อย

แจ้งเพื่อเก็บขึ้นกระทู้พิเศษ คลิ๊กที่นี่แจ้งเพื่อนำขึ้นกระทู้พิเศษ

คำตอบแบ่งหน้าละ 30 คำตอบ ขณะนี้คุณอยู่ที่หน้า 1 จาก >>> 1  

คำตอบที่ 1
      





 แสดงความคิดเห็นย่อย แสดงความคิดเห็นย่อย

Jedi จาก Jedi 49.49.76.227 พฤหัสบดี, 10/5/2555 เวลา : 20:28   

edit แก้ไขคำตอบ   delete ลบคำตอบ 624040

คำตอบที่ 2
       97-99 ไม่ต่าง





ขอบคุณน้า jedi ครับ
จาก : kiarti(kiarti) 11/5/2555 20:45:37 [110.49.224.121]
 แสดงความคิดเห็นย่อย แสดงความคิดเห็นย่อย

Jedi จาก Jedi 49.49.76.227 พฤหัสบดี, 10/5/2555 เวลา : 20:35   

edit แก้ไขคำตอบ   delete ลบคำตอบ 624042

คำตอบที่ 3
       สลับตัวหลังมาใส่ตัวหน้าก่อนครับ ตัวหน้าต้องมี ตัวหลังไม่มีก็ได้





ขอบคุณครับ น้า ข้อยเอง
จาก : kiarti(kiarti) 11/5/2555 20:46:26 [110.49.224.121]
 แสดงความคิดเห็นย่อย แสดงความคิดเห็นย่อย

ข้อยเอง จาก ข้อยเอง 110.77.138.6 ศุกร์, 11/5/2555 เวลา : 07:01   

edit แก้ไขคำตอบ   delete ลบคำตอบ 624072

คำตอบที่ 4
       เพิ่มรูปครับ O2 ที่ขาด





 แสดงความคิดเห็นย่อย แสดงความคิดเห็นย่อย

kiarti จาก แขกขาว 183.89.83.56 ศุกร์, 11/5/2555 เวลา : 16:53   

edit แก้ไขคำตอบ   delete ลบคำตอบ 624134

คำตอบที่ 5
       สายขาว ขาด 1 หลุดจาก โอทู 1 ส่วน ดำ กะ เทา (ขาวอีกเส้น ,ดำ และ เทา) สามารถต่อเข้าโอทูได้ไหมครับ





(ไม่น่า)ซ่อมได้ ..
จาก : Jedi(Jedi) 11/5/2555 17:02:01 [49.49.76.227]
 แสดงความคิดเห็นย่อย แสดงความคิดเห็นย่อย

kiarti จาก แขกขาว 183.89.83.56 ศุกร์, 11/5/2555 เวลา : 16:56   

edit แก้ไขคำตอบ   delete ลบคำตอบ 624135

คำตอบที่ 6
       ซ่อมไม่ได้ครับ หาซื้อตามเวป เถอะครับ



แจ้ง น้าตุ๊ รับทราบจัดส่งด่วนครับ ขอบคุณน้าpandjeep อีกคนครับ
จาก : kiarti(kiarti) 11/5/2555 20:48:51 [110.49.224.121]
 แสดงความคิดเห็นย่อย แสดงความคิดเห็นย่อย

pandjeep จาก pandjeep 210.4.151.12 ศุกร์, 11/5/2555 เวลา : 18:07   

edit แก้ไขคำตอบ   delete ลบคำตอบ 624141

คำตอบที่ 7
       รูปที่ไปติดหม้อพักมาไหม่ ปลาย โอทู อยู่ในทิศทางเดิมรึเปล่าครับ รู้สึกว่าไม่เหมือนเดิมปลายชี้และเข้าใกล้เพลากลางมาก เกือบจาไม่เหลือพื้นที่ให้สายโอทูได้โค้งไปหาปลััก เราสามารถย้ายให้ปลายโอทูชี้ไปอีกฝั่งตรงข้ามกับเพลากลางได้ไหม ย้ายแล้วมีผลกับการวัดโอทูรึเปล่า (ส่วนตัวรู้สึกและคิดว่าไม่มีผล) รบกวนกูรู อีกครั้งครับ



รูปไม่ไปฺฺฺฺฺ วันมอร์
จาก : kiarti(kiarti) 11/5/2555 19:28:57 [110.49.249.137]
 แสดงความคิดเห็นย่อย แสดงความคิดเห็นย่อย

kiarti จาก แขกขาว 110.49.249.137 ศุกร์, 11/5/2555 เวลา : 19:25   

edit แก้ไขคำตอบ   delete ลบคำตอบ 624159

คำตอบที่ 8
       รูปที่ไปติดหม้อพักมาไหม่ ปลาย โอทู อยู่ในทิศทางเดิมรึเปล่าครับ รู้สึกว่าไม่เหมือนเดิมปลายชี้และเข้าใกล้เพลากลางมาก เกือบจาไม่เหลือพื้นที่ให้สายโอทูได้โค้งไปหาปลััก เราสามารถย้ายให้ปลายโอทูชี้ไปอีกฝั่งตรงข้ามกับเพลากลางได้ไหม ย้ายแล้วมีผลกับการวัดโอทูรึเปล่า (ส่วนตัวรู้สึกและคิดว่าไม่มีผล) รบกวนกูรู อีกครั้งครับ





จากรูปเหมือนโอทูกะเพลากลางห่างกันมาก แต่ถ้ามองท็อปวิล ช่วงที่สายสี่เส้นโค้งไปหาปลั็กห่างนิดเดียว
จาก : kiarti(kiarti) 12/5/2555 19:36:08 [182.232.135.198]
ต้องเก็บสายไฟใด้ดีครับ ไม่งั้นสายไฟจะโดนกะเพลากลาง
จาก : kiarti(kiarti) 12/5/2555 19:37:55 [182.232.135.198]
 แสดงความคิดเห็นย่อย แสดงความคิดเห็นย่อย

kiarti จาก แขกขาว 110.49.249.137 ศุกร์, 11/5/2555 เวลา : 19:27   

edit แก้ไขคำตอบ   delete ลบคำตอบ 624160

คำตอบที่ 9
       หากท่อที่เปลี่ยนมาไม่ใช่ catalytic converters ไม่ต้องใช้ O2 Sensor ตัวหลัง(ก้อได้) เพราะใส่ไปก้อไม่มีผลในการตรวจจับสัญญาณไปให้กับ PCM. และหากจะใส่มันก้อคือสัญญาณที่เหมือนกับที่ได้จาก O2 ตัวหน้า แต่หากไม่ใส่ทั้งหมดเลยมีผลต่อการจ่ายเชื้อเพลิงแน่ ๆ .. หรือว่าจะเข้าใจผิด(กันไปใหญ่)





 แสดงความคิดเห็นย่อย แสดงความคิดเห็นย่อย

Jedi จาก Jedi 49.49.76.227 ศุกร์, 11/5/2555 เวลา : 21:41   

edit แก้ไขคำตอบ   delete ลบคำตอบ 624165

คำตอบที่ 10
       อะไรคือ O2 Sensor หรือบางคนอาจจะเรียกว่า Lambda Sensor .. จากเพื่อนร่วมทาง

http://www.civicesgroup.com/forum/topic9008





 แสดงความคิดเห็นย่อย แสดงความคิดเห็นย่อย

Jedi จาก Jedi 49.49.76.227 ศุกร์, 11/5/2555 เวลา : 21:47   

edit แก้ไขคำตอบ   delete ลบคำตอบ 624166

คำตอบที่ 11
       ขอบคุณครับน้าๆ.................





 แสดงความคิดเห็นย่อย แสดงความคิดเห็นย่อย

tu_tai_kosum@hotmail.com จาก หนึ่ง....ห้าวแป็ก!!!!!!! 110.169.184.143 เสาร์, 12/5/2555 เวลา : 09:03   

edit แก้ไขคำตอบ   delete ลบคำตอบ 624206

คำตอบที่ 12
       แล้วตามรูป ช่างท่อเค้าใส่ให้ ปลายโอทูชี้ไปทางเดิมรึเปล่า(คาใจมาก) รู้สึกว่าเดิมชี้ไปฝั่งตรงข้ามเพลากลาง รึเปล่า?ใครมีรูปแบบเดิมหรือใครใช้โฉมมน ช่วยตอบด้วยครับ





พรุ่งนี้พบกันที่อู่ช่างรงค์นะครับ รับรองจบ
จาก : paew(paew) 13/5/2555 23:44:54 [49.0.111.115]
ของผมก็หันด้านนี้ครับ
จาก : paju(paju) 14/5/2555 6:38:32 [113.53.132.206]
รับทราบครับ
จาก : kiarti(kiarti) 14/5/2555 8:54:09 [183.89.73.153]
วันนี้เอามอไซไปทำงาน กลับทาง มทส,ไม่ได้แวะอู่พี่รงณ์ครับพี่ แป๋ว
จาก : kiarti(kiarti) 14/5/2555 21:13:31 [49.229.190.149]
 แสดงความคิดเห็นย่อย แสดงความคิดเห็นย่อย

kiarti จาก แขกขาว 49.230.43.162 อาทิตย์, 13/5/2555 เวลา : 23:41   

edit แก้ไขคำตอบ   delete ลบคำตอบ 624346

คำตอบที่ 13
       วันนีไปตกปลา รึเปล่าพี่



 แสดงความคิดเห็นย่อย แสดงความคิดเห็นย่อย

kiarti จาก แขกขาว 110.49.224.152 พฤหัสบดี, 24/5/2555 เวลา : 21:10   

edit แก้ไขคำตอบ   delete ลบคำตอบ 625702

      

คำตอบแบ่งหน้าละ 30 คำตอบ ขณะนี้คุณอยู่ที่หน้า 1 จาก >>> 1  



website รองรับการใช้งานทุกระบบปฏิบัติการของ PC Tablet SmartPhone ทุกระบบสามารถโพสข้อความและรูปภาพได้โดยไม่ต้องย่อไฟล์
เพื่อความปลอดภัยในการใช้ website WeekendHobby.Com สมาชิก เท่านั้น จึงจะตั้งกระทู้ หรือ ตอบกระทู้ได้ครับ
Login Click ที่นี่
สมัครสมาชิก Click ที่นี่



Since 22, Feb 2001 hit counter View My Stats  Truehits.net      วันอาทิตย์,8 กุมภาพันธ์ 2569 (Online 2698 คน)