WeekendHobby.com
เครื่องมือในการใช้งาน website =>> สมัครสมาชิก | Login | Logout | เปลี่ยนไอคอนส่วนตัว | เกี่ยวกับเรา | ติดต่อโฆษณา         View stat by Truehits.net


WJ 4.0L Y2000 ไม่มีไฟ 12V ไปจ่ายหัวฉีด
beersing
จาก Beersing
223.204.153.121
ศุกร์ที่ , 14/9/2555
เวลา : 11:44

อ่านแล้ว = 3843 ครั้ง
 เก็บเข้ากระทู้ส่วนตัว
แจ้งตรวจสอบกระทู้
 แจ้งลบ
ส่งหาเพื่อน ส่งหาเพื่อน

       WJ 4.0L Y2000 ไม่มีไฟ 12V ไปจ่ายหัวฉีด ตอนนี้สตาร์ทไม่ติดครับ ไม่ทราบว่าพี่ ๆ ท่านใดมี wiring diagram บ้างมั้ยครับ หรือว่าตรวจสอบจุดใดได้อีกหรือไม่


 แสดงความคิดเห็นย่อย แสดงความคิดเห็นย่อย

แจ้งเพื่อเก็บขึ้นกระทู้พิเศษ คลิ๊กที่นี่แจ้งเพื่อนำขึ้นกระทู้พิเศษ

คำตอบแบ่งหน้าละ 30 คำตอบ ขณะนี้คุณอยู่ที่หน้า 1 จาก >>> 1  

คำตอบที่ 1
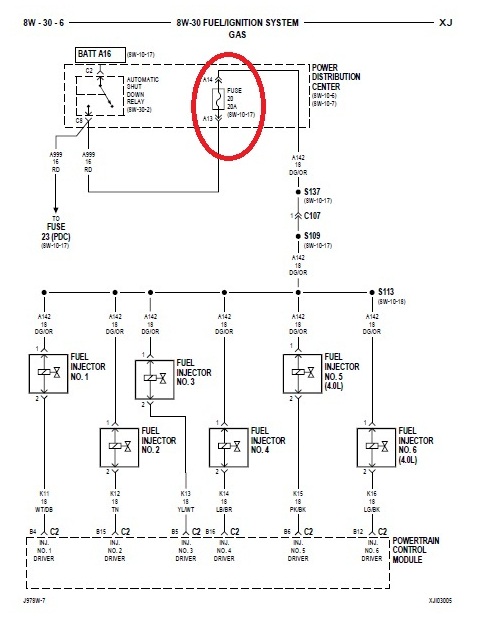
       ถ้าเป็น XJ ก็ตัวนี้ แต่ WJ มี Fuse 15A แต่ไม่รู้ไปยังงัยต่อ





 แสดงความคิดเห็นย่อย แสดงความคิดเห็นย่อย

beersing จาก Beersing 223.204.153.121 ศุกร์, 14/9/2555 เวลา : 12:21   

edit แก้ไขคำตอบ   delete ลบคำตอบ 640592

คำตอบที่ 2
       หรือว่า battery แรงดันและกระแสไม่พอเป็นไปได้เปล่าหน้อ เอา battery ไป charge ก่อนดีกว่า



 แสดงความคิดเห็นย่อย แสดงความคิดเห็นย่อย

beersing จาก Beersing 223.204.153.121 ศุกร์, 14/9/2555 เวลา : 12:29   

edit แก้ไขคำตอบ   delete ลบคำตอบ 640594

คำตอบที่ 3
       หรือว่าไฟจ่ายมาแล้ว แล้ว auto shutdown relay ทำงาน ด้วยเลยไฟไม่ไปจ่าย มีอะไรทำให้มันสัง ASD relay ทำงานบ้างครับ รบกวนพี่ ๆ กูรู WJ ช่วยตอบหน่อยครับ



 แสดงความคิดเห็นย่อย แสดงความคิดเห็นย่อย

beersing จาก Beersing 223.204.153.121 ศุกร์, 14/9/2555 เวลา : 12:42   

edit แก้ไขคำตอบ   delete ลบคำตอบ 640596

คำตอบที่ 4
       ไฟไปหัวฉีด และไฟไป Coil มาจากที่เดียวกัน
หากตรวจสอบแล้ว Fuse ไม่ขาด
ก็หา Fly Wheel sensor มาเปลี่ยนได้แล้วครับ



 แสดงความคิดเห็นย่อย แสดงความคิดเห็นย่อย

OEM จาก OEM 58.97.79.195 ศุกร์, 14/9/2555 เวลา : 18:46   

edit แก้ไขคำตอบ   delete ลบคำตอบ 640633

คำตอบที่ 5
       Please Noted
ASD ทำงานหลังบิดกุญแจแค่ 3-5 วิ

ตรวจสอบ FUSE ก่อนหาก OK

ตั้งสมมุติฐาน ที่ตัวปัญหาคือ Fly Wheel Sensor

Step 1.ทดสอบความต่อเนื่องของวงจรไฟ ระหว่าง ASD-Common หัวฉีด ว่าสายไฟขาดหรือไม่
-ถอด ASD Relay ออกใช้เศษสายไฟต่อตรง ขา +Batt (30) เข้า 87
-หากไฟไปที่ Common หัวฉีด และ +12 Volt ที่ Coil เสียบ ASD กลับที่เดิม
วงจรไม่ขาด (มันจะขาดได้ยังงัย หากไม่ถูกับอะไรจนขาดหรือไปดัดแปลงแก้ไขมัน ไม่ควรเสียเวลาเช็ค ขั้นตอนนี้)

Step 2

2.บิดสวิทช์กุญแจ ให้เพื่อนวัดไฟที่ Common หัวฉีด
-ต้องวัดขณะ ASD ทำงาน คือไม่เกิน 3 วิ หลังจากบิดสวิทช์กุญแจ ควรวัดได้มากกว่า 11- Volt
-Start เครื่อง และวัดไฟที่ Common หัวฉีด หากไม่มีไฟ
Fly Wheel หนีน้ำท่วม กลับอเมริกาหล่ะ

แก้ได้ยังงัย บอกเล่า 9 10 เพื่อนๆด้วย
สังคมแห่งการเรียนรู้



สุดยอดเลยครับ น้า ขอบคุณครับ
จาก : tu_tai_kosum@hotmail.com(tu_tai_kosum@hotmail.com) 15/9/2555 5:29:57 [124.121.151.77]
ชอบคำว่า....สังคมแห่งการเรียนรู้มากๆ
จาก : tu_tai_kosum@hotmail.com(tu_tai_kosum@hotmail.com) 15/9/2555 5:30:22 [124.121.151.77]
 แสดงความคิดเห็นย่อย แสดงความคิดเห็นย่อย

OEM จาก OEM 125.27.72.247 ศุกร์, 14/9/2555 เวลา : 23:15   

edit แก้ไขคำตอบ   delete ลบคำตอบ 640645

คำตอบที่ 6
       ขอบคุณครับพี่ OEM
Fly wheel sensor เปลี่ยนไปแล้วครับ ตอนแรกเจอ code P0320 แต่พอเปลี่ยนไปก็หาย แต่เดี๋ยวจะลองทำตาม step ที่พี่ว่ามาก่อนครับ ถ้ายังไม่ได้ก็ต้องลองเปลี่ยน fly wheel ใหม่ดูครับ

ต้องบอกความเป็นมาก่อนครับ รถคันนี้โดนช่างที่ไม่รู้เรื่องจัดการมาแล้วรอบนึง ช่างบอกเจ้าของว่า switch gas เสีย แต่พี่แกล้อเรื้อสายไฟมาซะเพียบเลยครับ ผมเลยจำเป็นต้องเอากลับให้เป็น standard ก่อน เลยรื้อชุดแก๊สออกไปทั้งชุด (Mixer Varialble) โดยกะว่าเอาระบบน้ำมันให้โอเคก่อนครับ แล้วค่อยมาจัดการระบบแก๊สใหม่อีกครั้ง แต่ผมไม่มี wiring diagram แด่พอคลำ ๆ โดยอาศัย wiring diagram ของ XJ พอเป็น idear จนเข้าที่เกือบหมดแล้ว เปลี่ยน fly wheel ใหม่เพราะตัวเดิมเสียและสายขาดลองต่อใหม่แล้วไม่ได้ ก็เหลือแค่ไฟจ่ายเข้าหัวฉีดนี้แหละครับ แต่จะลองดูครับ

เอ๊ ตอนนั้นผมวัดหลัง fuse injection 15A ไฟมาประมาณ 11V แล้วหายไปครับ อาการนี้น่าจะ fly wheel ใช้มั้ยครับ

ได้ผลอย่างไรจะมา share ให้รับฟังกันครับ สังคมแห่งการเรียนรู้และแบ่งปัน ชอบ ๆๆๆๆ ครับ



วันอังคารมาลองเอาไปเทศใหม่ได้ครับ เช็คโคทเจออะไรบ้างไหมครับ
จาก : Tu_ta(Tu_ta) 15/9/2555 11:21:55 [27.55.6.107]
ไม่เจอครับพี่ ตอนนี้สงใสสาย com หัวฉีด อาจจะโดนตัดออกไป กำลังหาสาเหตุอยู่
จาก : beersing(beersing) 15/9/2555 11:48:23 [171.4.113.10]
เดี๋ยวลองเอากล่องอีซียูไดเร็คคอยเอ็กเจไปลองดูด้วยครับ แต่ตอนนี้ผมอยู่เชียงใหม่กลับวันจันทร แต่น่าจะเจอก็วันพุธนะ
จาก : Tu_ta(Tu_ta) 15/9/2555 12:56:58 [171.99.103.168]
 แสดงความคิดเห็นย่อย แสดงความคิดเห็นย่อย

beersing จาก Beersing 223.206.190.90 เสาร์, 15/9/2555 เวลา : 10:09   

edit แก้ไขคำตอบ   delete ลบคำตอบ 640678

คำตอบที่ 7
       update ครับ ได้ test แล้วอาการดังนี้

Step 1.ทดสอบความต่อเนื่องของวงจรไฟ ระหว่าง ASD-Common หัวฉีด ว่าสายไฟขาดหรือไม่
-ถอด ASD Relay ออกใช้เศษสายไฟต่อตรง ขา +Batt (30) เข้า 87
-หากไฟไปที่ Common หัวฉีด และ +12 Volt ที่ Coil เสียบ ASD กลับที่เดิม
วงจรไม่ขาด (มันจะขาดได้ยังงัย หากไม่ถูกับอะไรจนขาดหรือไปดัดแปลงแก้ไขมัน ไม่ควรเสียเวลาเช็ค ขั้นตอนนี้)

ตอบ. ไฟไปจ่ายคอล์ยครับ แต่ไม่ไปจ่ายหัวฉีด รื้อสายหัวฉีดออกมาดูทั้งหมด หงายหลังเลยพวกตัดสายไฟบวกเข้าหัวฉีดทั้งหกสูบ เพื่อเอาเข้า relay ชุดแก๊ส เป็นว่าหัวฉีดทำงานทั้งแก๊สและน้ำมัน เพราะมันไม่ใส่กล่องหลอกหัวฉีด เลยจัดการ re-wiring ใหม่ test ดูใหม่ไฟมาจ่อทั้งคู่

Step 2

2.บิดสวิทช์กุญแจ ให้เพื่อนวัดไฟที่ Common หัวฉีด
-ต้องวัดขณะ ASD ทำงาน คือไม่เกิน 3 วิ หลังจากบิดสวิทช์กุญแจ ควรวัดได้มากกว่า 11- Volt

ตอบ ไฟจ่อ 12.3 volt.

-Start เครื่อง และวัดไฟที่ Common หัวฉีด

ตอบ ไฟมาแล้ว

จัดการต่อปลั๊กหัวฉีดทั้งหมด ต่อปลั๊กคอล์ย ตรวจสอบความเรียบร้อยเตรียมสตาร์ท ชึ่งเดียวติด เลยอุ่นเครื่องดูครึ่งชั่วโมง ไม่มีอะไรแปลกไป good condition

ขอขอบคุณ พี่ Tu-Ta ที่ให้ยืม coil กับ sensor จานจ่าย และพี่ OEM ที่ให้ข้อมูล รวมทั้งตาพี่หนึ่งร่วมรุ้นอีกแรง กราบขอบคุณอย่างงาม ๆ ครับ

พี่ Tu-Ta พรุ้งนี้เอาของไปคืนนะครับ

สุดท้ายนี้ขอให้กระทู้นี้เป็นส่วนหนึ่งของการเรียนรู้นะครับ ซึ่งผมไม่เคยจับ WJ มาก่อนเลยในชีวิต เอามาก็คลำ ๆ เอา อาศัย XJ คู่ใจเป็นแนวทาง และยินดีให้ข้อมูลอื่น ๆ กับสมาชิกทุกท่าน
อ่าบน้ำอุ่น ๆ ดีกว่า พี่หนึ่ง ไปด้วยมั้ย



ยังอยู่เชียงใหม่อยู่เลยครับ คืนผมวันพุธก็ได้ครับ
จาก : Tu_ta(Tu_ta) 15/9/2555 17:05:03 [27.55.12.122]
 แสดงความคิดเห็นย่อย แสดงความคิดเห็นย่อย

beersing จาก Beersing 171.4.113.10 เสาร์, 15/9/2555 เวลา : 15:20   

edit แก้ไขคำตอบ   delete ลบคำตอบ 640700

คำตอบที่ 8
       กราบขอบคุณทุกท่านอย่างงาม ๆๆ

ดูมันยิ้มสิครับ





 แสดงความคิดเห็นย่อย แสดงความคิดเห็นย่อย

beersing จาก Beersing 171.4.113.10 เสาร์, 15/9/2555 เวลา : 15:35   

edit แก้ไขคำตอบ   delete ลบคำตอบ 640703

      

คำตอบแบ่งหน้าละ 30 คำตอบ ขณะนี้คุณอยู่ที่หน้า 1 จาก >>> 1  



website รองรับการใช้งานทุกระบบปฏิบัติการของ PC Tablet SmartPhone ทุกระบบสามารถโพสข้อความและรูปภาพได้โดยไม่ต้องย่อไฟล์
เพื่อความปลอดภัยในการใช้ website WeekendHobby.Com สมาชิก เท่านั้น จึงจะตั้งกระทู้ หรือ ตอบกระทู้ได้ครับ
Login Click ที่นี่
สมัครสมาชิก Click ที่นี่



Since 22, Feb 2001 hit counter View My Stats  Truehits.net      วันอาทิตย์,8 กุมภาพันธ์ 2569 (Online 2069 คน)