WeekendHobby.com
เครื่องมือในการใช้งาน website =>> สมัครสมาชิก | Login | Logout | เปลี่ยนไอคอนส่วนตัว | เกี่ยวกับเรา | ติดต่อโฆษณา         View stat by Truehits.net


ช่วยด้วยครับ ไฟเลี้ยว ซ้าย ขวา ไฟฉุกเฉิน XJ โฉมมน ไม่ติดเกิดจากสาเหตุอะไรครับ
nolatc
จาก nola
110.169.159.82
อาทิตย์ที่ , 16/9/2555
เวลา : 18:36

อ่านแล้ว = 7526 ครั้ง
 เก็บเข้ากระทู้ส่วนตัว
แจ้งตรวจสอบกระทู้
 แจ้งลบ
ส่งหาเพื่อน ส่งหาเพื่อน

       ช่วยด้วยครับ ไฟเลี้ยว ซ้าย ขวา ไฟฉุกเฉิน XJ โฉมมน ไม่ติดเกิดจากสาเหตุอะไรครับ
ต้องเช็คยังไงครับ ซ่อมที่ไหนครับ



 แสดงความคิดเห็นย่อย แสดงความคิดเห็นย่อย

แจ้งเพื่อเก็บขึ้นกระทู้พิเศษ คลิ๊กที่นี่แจ้งเพื่อนำขึ้นกระทู้พิเศษ

คำตอบแบ่งหน้าละ 30 คำตอบ ขณะนี้คุณอยู่ที่หน้า 1 จาก >>> 1  

คำตอบที่ 1
       เช็คยังไงเหรอ สำหรับผมแล้วเปลี่ยนดีเลย์ที่อยู่หน้าเครื่องก่อนที่จะเปลี่ยนดีเลย์ก็ไล่เช็คฟิวร์ที่ตรงคันเร่งหรือไม่ก็เช็คตรงกล่องฟิวร์หน้ารถ ถ้าไม่มีฟิวร์ตัวไหนขาดก็เอาสายไฟมาเช็คจิ้มที่ดีเลย์ สรุปว่าดีเลย์เสียเปลี่ยนดีเลย์ใหม่ หายเลย ครับ ทำที่ไหนทำได้ทั่วไปตามร้านไดนาโมทั่วไปครับ โอเคไหมครับสบายใจยัง ฝนตกไหมอย่าลืมห่มผ้าระวังจะเป็นหวัดอากาศเปลี่ยนแปลงบ่อยแต่ใจไม่เคยเปลี่ยนไปละจุ๊บๆ คิคิคิคิคิคิ





ขอบคุณครับ
จาก : nolatc(nolatc) 17/9/2555 10:51:55 [202.57.136.202]
 แสดงความคิดเห็นย่อย แสดงความคิดเห็นย่อย

tu_tai_kosum@hotmail.com จาก หนึ่ง....ห้าวแป็ก!!!!!!! 124.122.212.191 อาทิตย์, 16/9/2555 เวลา : 19:05   

edit แก้ไขคำตอบ   delete ลบคำตอบ 640806

คำตอบที่ 2
       ก่อนหน้านี้มีอาการติดบ้างไมี่ติดบ้างไหม
ถ้ามี ก็ flaser relay เสีย ตัวสีเขียว อยู่ใต้คอนโซลด้านคนขับ



วันเสาร์ปกติ พอวันอาทิตย์ตอนเช้า อยู่ดีๆก้อดับไปเลยครับ -_-"
จาก : nolatc(nolatc) 17/9/2555 10:50:49 [202.57.136.202]
 แสดงความคิดเห็นย่อย แสดงความคิดเห็นย่อย

iew จาก เอี้ยว 203.158.208.9 จันทร์, 17/9/2555 เวลา : 10:03   

edit แก้ไขคำตอบ   delete ลบคำตอบ 640852

คำตอบที่ 3
       Relay ไฟเลี้ยวหาซื้อที่ไหนครับ แนะนำอู่ Jeep แถวแจ้งวัฒนะ ไม่ก้อแถว พํฒนาการให้หน่อยครับ



 แสดงความคิดเห็นย่อย แสดงความคิดเห็นย่อย

nolatc จาก nola 202.57.136.202 จันทร์, 17/9/2555 เวลา : 11:02   

edit แก้ไขคำตอบ   delete ลบคำตอบ 640860

คำตอบที่ 4
       สวิทที่คอพวงมาลัยน่าจะหลวมคับ ตรงที่ก้านไฟเลี้ยวซ้ายขวา อีกอย่างนึงถ้าไฟสูงไม่ติดด้วยน่าจะเป็นที่ตรงนี้คับ หรือปรับที่แกนไฟต่ำไฟสูงไม่ได้ น่าจะชัวร์คับ
รื้อฝาครอบออกมาและตรวจสอบปลั๊กคับอาจจะหลวม เพราะไม่ได้ขันน็อต ตอนประกอบ วิ่งๆไปกระเทือนปลั๊กเลยถอยออกมาคับ
บางทีรีเลย์ หรือ Flasher เสียค่อนข้างยากคับ



 แสดงความคิดเห็นย่อย แสดงความคิดเห็นย่อย

ต้นjuc3123 จาก ต้นJUC3123 / HS5QPH _ 144.300 MHz 115.87.197.179 จันทร์, 17/9/2555 เวลา : 11:28   

edit แก้ไขคำตอบ   delete ลบคำตอบ 640871

คำตอบที่ 5
      





 แสดงความคิดเห็นย่อย แสดงความคิดเห็นย่อย

ต้นjuc3123 จาก ต้นJUC3123 / HS5QPH _ 144.300 MHz 115.87.197.179 จันทร์, 17/9/2555 เวลา : 11:31   

edit แก้ไขคำตอบ   delete ลบคำตอบ 640874

คำตอบที่ 6
      





 แสดงความคิดเห็นย่อย แสดงความคิดเห็นย่อย

ต้นjuc3123 จาก ต้นJUC3123 / HS5QPH _ 144.300 MHz 115.87.197.179 จันทร์, 17/9/2555 เวลา : 11:34   

edit แก้ไขคำตอบ   delete ลบคำตอบ 640876

คำตอบที่ 7
       ลองดูคับ





 แสดงความคิดเห็นย่อย แสดงความคิดเห็นย่อย

ต้นjuc3123 จาก ต้นJUC3123 / HS5QPH _ 144.300 MHz 115.87.197.179 จันทร์, 17/9/2555 เวลา : 11:35   

edit แก้ไขคำตอบ   delete ลบคำตอบ 640877

คำตอบที่ 8
       ขอบคุณครับ เด๋วจะไปลองดูครับ



 แสดงความคิดเห็นย่อย แสดงความคิดเห็นย่อย

nolatc จาก nola 202.57.136.202 จันทร์, 17/9/2555 เวลา : 13:05   

edit แก้ไขคำตอบ   delete ลบคำตอบ 640902

คำตอบที่ 9
       คำตอบที่ 2 ด้วยคน
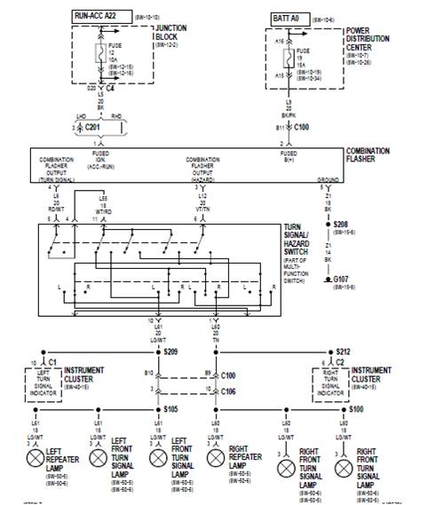
ในระบบนี้มีตัวที่สำคัญ 2 ตัวคือ 1.Mltion-Function Switch 2. Combination Flasher (Relay)
Combination Flasher (Relay) P/N 56009711 21Watts (Watt สูงกว่าโฉมเหลี่ยม(รึเปล่า))
Multi-Function SW. มี Connecter 2 ตัว 1. Turn signal & Hadzard warning SW. 2. Heardlamp beam Selection SW. (ไม่หลุดง่าย ๆ หรอกครับ มีตัวล็อคอย่างดี)
แต่ลองตรวจสอบ Fuse 15A ใน PDC. ห้องเครื่อง และ Fuse 10A ใน J-Block ห้องโดยสารข้างเท้าขวาคนขับก่อนก้อดีน่ะ

เคยโดน ...
แรก ๆ เลี้ยวซ้ายติดบ้างไม่ติดบ้าง นานวันไฟฉุกเฉินหายไปเลย แต่ยังเลี้ยวขวา - ซ้ายได้ นึกว่า Multi-Function SW. เสีย แต่เปลี่ยนแล้วยังเหมือนเดิม เลยต้อง Combination Flasher (Relay) อีกตัว (2 เด้ง) ...
ภายใน Combination Flasher (Relay) มี circuit board
Multi-Function SW. = 1.5 x Combination Flasher (Relay) บาท
เผื่อเป็นแนวทาง .....



 แสดงความคิดเห็นย่อย แสดงความคิดเห็นย่อย

Jedi จาก Jedi 49.48.12.52 จันทร์, 17/9/2555 เวลา : 20:28   

edit แก้ไขคำตอบ   delete ลบคำตอบ 640954

คำตอบที่ 10
       ผมเคยเป็น ไฟเลี้ยวซ้ายก็ไม่ติด-เลี้ยวขวาก็ไม่ติด แต่ไฟฉุกเฉินติด จะเลี้ยวทีก็เปิดไฟฉุกเฉินเอา ไล่รีเลย์ทุกตัวไม่เสีย ฟิวไม่มีขาดซักตัว ไปซื้อ Flasher มาเปลี่ยนก็เหมือนเดิม (ยืนยันว่าตัวนี้เสียค่อนข้างยากครับ)

สุดท้ายขี้เกียจหา ให้ช่างไฟเอาสายไฟต่อผ่านฟิวตัวหนึ่ง ตรงแผงฟิวใต้เท้าคนขับ เพื่อให้ไฟเลี้ยวซ้ายเลี้ยขวามันใช้งานได้ และไฟฉุกเฉินก็ใช้ได้ ใช้แบบนี้มาเป็นปีๆ ยังไม่เห็นมันเสียอีกครับ





ขออนุญาติเจ้าของภาพครับ
จาก : (ครรชิต7335) 18/9/2555 19:46:46 [180.183.127.38]
 แสดงความคิดเห็นย่อย แสดงความคิดเห็นย่อย

ครรชิต7335 จาก ครรชิต7335 180.183.127.38 อังคาร, 18/9/2555 เวลา : 19:44   

edit แก้ไขคำตอบ   delete ลบคำตอบ 641126

คำตอบที่ 11
       Relay Flasher ซื้อได้ที่ไหนครับ ราคาประมาณเท่าไหร่ครับ อยากทราบตำแหน่งของ Relay ว่าอยู่ตรงไหนใต้คอนโซน รูปด้วยจะดีมากครับ ขอบคุณครับ



 แสดงความคิดเห็นย่อย แสดงความคิดเห็นย่อย

nolatc จาก JUC4830_TC 124.122.239.37 อังคาร, 18/9/2555 เวลา : 23:24   

edit แก้ไขคำตอบ   delete ลบคำตอบ 641212

คำตอบที่ 12
       เป็นเหมือนกัน ขอบคุณครับ



 แสดงความคิดเห็นย่อย แสดงความคิดเห็นย่อย

ua_saraburi จาก UA_SaRabuRi 4787 58.8.131.196 พุธ, 19/9/2555 เวลา : 02:01   

edit แก้ไขคำตอบ   delete ลบคำตอบ 641235

คำตอบที่ 13
       โฉมมน ...





 แสดงความคิดเห็นย่อย แสดงความคิดเห็นย่อย

Jedi จาก Jedi 180.180.13.242 พุธ, 19/9/2555 เวลา : 10:06   

edit แก้ไขคำตอบ   delete ลบคำตอบ 641260

คำตอบที่ 14
       อยู่ดีๆ ไฟเลี้ยวมันก้อติดปกติอ่ะครับ



 แสดงความคิดเห็นย่อย แสดงความคิดเห็นย่อย

nolatc จาก JUC4830_TC 202.57.136.202 ศุกร์, 28/9/2555 เวลา : 10:24   

edit แก้ไขคำตอบ   delete ลบคำตอบ 642616

      

คำตอบแบ่งหน้าละ 30 คำตอบ ขณะนี้คุณอยู่ที่หน้า 1 จาก >>> 1  



website รองรับการใช้งานทุกระบบปฏิบัติการของ PC Tablet SmartPhone ทุกระบบสามารถโพสข้อความและรูปภาพได้โดยไม่ต้องย่อไฟล์
เพื่อความปลอดภัยในการใช้ website WeekendHobby.Com สมาชิก เท่านั้น จึงจะตั้งกระทู้ หรือ ตอบกระทู้ได้ครับ
Login Click ที่นี่
สมัครสมาชิก Click ที่นี่



Since 22, Feb 2001 hit counter View My Stats  Truehits.net      วันจันทร์,9 กุมภาพันธ์ 2569 (Online 2560 คน)