WeekendHobby.com
เครื่องมือในการใช้งาน website =>> สมัครสมาชิก | Login | Logout | เปลี่ยนไอคอนส่วนตัว | เกี่ยวกับเรา | ติดต่อโฆษณา         View stat by Truehits.net


WJ ไฟเลี้ยวซ้ายติดบ้างไม่ติดบ้าง (multifunction switch)
ad
จาก ad
113.53.71.70
จันทร์ที่ , 15/9/2557
เวลา : 15:52

อ่านแล้ว = 3033 ครั้ง
 เก็บเข้ากระทู้ส่วนตัว
แจ้งตรวจสอบกระทู้
 แจ้งลบ
ส่งหาเพื่อน ส่งหาเพื่อน

       ตามจั่วหัวเลยครับ...บางครั้งปกติ บางครั้งไม่ติด สงสัยคงเพราะอายุรถเริ่มเยอะ เป็นมาได้สักประมาณ สองสามสัปดาห์แล้ว อาทิตย์ที่ผ่านมาว่าง ก็เลยแก้ไขซะ..รอดูผลการจากการใช้งานสักระยะ แล้วค่อยมารายงานครับ....


 แสดงความคิดเห็นย่อย แสดงความคิดเห็นย่อย

แจ้งเพื่อเก็บขึ้นกระทู้พิเศษ คลิ๊กที่นี่แจ้งเพื่อนำขึ้นกระทู้พิเศษ

คำตอบแบ่งหน้าละ 30 คำตอบ ขณะนี้คุณอยู่ที่หน้า 1 จาก >>> 1  

คำตอบที่ 1
       โดยปกติถ้าไฟกระพริบเสียทั้งหมด (ไฟเลี้ยวซ้าย,ขวา,ฉุกละหุก) ก็จะพุ่งเป้าไปที่เจ้าตัว combination flasher หรือที่เราเรียกภาษาชาวบ้านว่ารีเลย์ไฟเลี้ยว แต่กรณีของผมเป็นเฉพาะไฟเลี้ยวซ้ายเท่านั้น ที่บางครั้งก็ใช้ได้ บางครั้งใช้ไม่ได้ ซึ่งฮานนี้พุ่งเป้าไปที่ multifunction switch หรือที่เราเรียกว่าก้านไฟเลี้ยวนั่นเหละครับ เดี๋ยวรอผลการใช้งานสักระยะ แล้วจะมารายฮาน ระหว่างนี้ถ้าใครมีปัญหาเหมือนของผม ก็ใช้วิธีนี้ไปก่อน คือเมื่อเปิดไฟเลี้ยวแล้วไม่ติดให้เปิดคาไว้อย่างนั้นแหละครับ แล้วเอื้อมมือไปกดไฟฉุกละหุก(ฉุกเฉิน)บนคอพวงมาลัยแล้วปล่อย แค่นี้แหละครับ แล้วไฟเลี้ยวก็จะติด



 แสดงความคิดเห็นย่อย แสดงความคิดเห็นย่อย

ad จาก ad 113.53.71.70 จันทร์, 15/9/2557 เวลา : 16:07   

edit แก้ไขคำตอบ   delete ลบคำตอบ 681454

คำตอบที่ 2
      



ไม่ต้องฮงพี่...ของพี่คงอีกนานนนนนน.....
จาก : ad(ad) 17/9/2557 9:10:59 [113.53.71.76]
 แสดงความคิดเห็นย่อย แสดงความคิดเห็นย่อย

egn จาก Saharat Korat 223.205.249.56 จันทร์, 15/9/2557 เวลา : 18:55   

edit แก้ไขคำตอบ   delete ลบคำตอบ 681455

คำตอบที่ 3
       ลองดูครับ ผมเคยเป็น ซ่อมแบบนี้ทีเดียว จบ


http://www.thailandoffroad.com/jeep/board/Question.asp?ID=45123



 แสดงความคิดเห็นย่อย แสดงความคิดเห็นย่อย

bug_john จาก Bug_john 110.170.180.100 พุธ, 17/9/2557 เวลา : 12:19   

edit แก้ไขคำตอบ   delete ลบคำตอบ 681476

คำตอบที่ 4
       ขอบคุณมากครับคุณ bug_john สอบถามเพิ่มเติมหน่อยครับ. ใว้เป็นข้อมูล ตอนนั้น อาการเป็นเฉพาะไฟเลี้ยวข้างใดข้างหนึ่ง หรือว่าเป็นทั้งสองข้างรวมไฟฉุกเฉินด้วยครับ



 แสดงความคิดเห็นย่อย แสดงความคิดเห็นย่อย

ad จาก ad 113.53.18.13 พฤหัสบดี, 18/9/2557 เวลา : 09:13   

edit แก้ไขคำตอบ   delete ลบคำตอบ 681488

คำตอบที่ 5
       ของผมเป็นบางครั้งครับ บางครั้งซ้ายอย่างเดียว ขวาอย่างเดียว บางครั้งไม่ติดเลยทั้งหมด รวมทั้งไฟฉุกเฉิน จัดการกับรีเลย์ไฟเลี้ยวแล้ว หายขาดมาหลายปี



 แสดงความคิดเห็นย่อย แสดงความคิดเห็นย่อย

bug_john จาก Bug_john 110.170.180.100 พฤหัสบดี, 18/9/2557 เวลา : 09:36   

edit แก้ไขคำตอบ   delete ลบคำตอบ 681489

คำตอบที่ 6
       ขอบคุณมากครับพ้ม



 แสดงความคิดเห็นย่อย แสดงความคิดเห็นย่อย

ad จาก ad 1.20.52.19 พฤหัสบดี, 18/9/2557 เวลา : 12:26   

edit แก้ไขคำตอบ   delete ลบคำตอบ 681490

คำตอบที่ 7
       มีคนโทรมาทวงการบ้าน...เดี๋ยวขอรอดูอีกสองสามวันนะครับ...เอาชัวส์ๆ ว่าเกาถูกที่คัน แล้วจะมาเฉลย



 แสดงความคิดเห็นย่อย แสดงความคิดเห็นย่อย

ad จาก ad 113.53.74.96 พุธ, 24/9/2557 เวลา : 10:30   

edit แก้ไขคำตอบ   delete ลบคำตอบ 681550

คำตอบที่ 8
       ส่งการบ้านครับ หลังจากที่พุ่งเป้าไปก้านไฟเลี้ยว(multi switch function)ไปแอบดูคลิปฝาลังมา มันเล่นเปลี่ยนทั้งก้านเลย ไอ้เราถ้าเปลี่ยนตามมัน มันก็เสียชื่อคนไทยหมด เลยจัดซะ
ที่ฝาครอบตรงคอพวงมาลัย(ส่วนที่ครอบสวิทช์ไฟฉุกละหุก) ถอดสกรูข้างใต้หนึ่งตัว ที่เหลือก็บีบๆครอบพวงมาลัยก็จะออกมาแบบนี้ ง่ายมาก แล้วก็ถอดสกรูสองตัว(ที่วงกลม)พร้อมดึงก้านไฟเลี้ยวออกด้านข้างตามลูกศร





 แสดงความคิดเห็นย่อย แสดงความคิดเห็นย่อย

ad จาก ad 113.53.82.174 พุธ, 8/10/2557 เวลา : 11:42   

edit แก้ไขคำตอบ   delete ลบคำตอบ 681745

คำตอบที่ 9
       ก็จะได้ก้านไฟเลี้ยวห้อยๆแบบนี้





 แสดงความคิดเห็นย่อย แสดงความคิดเห็นย่อย

ad จาก ad 113.53.82.174 พุธ, 8/10/2557 เวลา : 11:45   

edit แก้ไขคำตอบ   delete ลบคำตอบ 681746

คำตอบที่ 10
       นี่ครับก้านไฟเลี้ยว





 แสดงความคิดเห็นย่อย แสดงความคิดเห็นย่อย

ad จาก ad 113.53.82.174 พุธ, 8/10/2557 เวลา : 11:47   

edit แก้ไขคำตอบ   delete ลบคำตอบ 681747

คำตอบที่ 11
      





 แสดงความคิดเห็นย่อย แสดงความคิดเห็นย่อย

ad จาก ad 113.53.82.174 พุธ, 8/10/2557 เวลา : 11:47   

edit แก้ไขคำตอบ   delete ลบคำตอบ 681748

คำตอบที่ 12
       แล้วนี่ก็คือตัวช่วย แล้วแต่ถนัดครับ จะใช้สว่านเจาะ หรือตะไปๆหัวรีเวท(ที่วงกลม)เพื่อเปิดก้านไฟเลี้ยว ส่วนผมใช้เจียร์ครับ





 แสดงความคิดเห็นย่อย แสดงความคิดเห็นย่อย

ad จาก ad 113.53.82.174 พุธ, 8/10/2557 เวลา : 11:49   

edit แก้ไขคำตอบ   delete ลบคำตอบ 681749

คำตอบที่ 13
      





 แสดงความคิดเห็นย่อย แสดงความคิดเห็นย่อย

ad จาก ad 113.53.82.174 พุธ, 8/10/2557 เวลา : 11:49   

edit แก้ไขคำตอบ   delete ลบคำตอบ 681750

คำตอบที่ 14
       ใช้ไขควงแบนเล็ก แซะๆคลิป แล้วเปิดออกจะเห็นภายในแบบนี้ครับ





 แสดงความคิดเห็นย่อย แสดงความคิดเห็นย่อย

ad จาก ad 113.53.82.174 พุธ, 8/10/2557 เวลา : 11:52   

edit แก้ไขคำตอบ   delete ลบคำตอบ 681752

คำตอบที่ 15
      





 แสดงความคิดเห็นย่อย แสดงความคิดเห็นย่อย

ad จาก ad 113.53.82.174 พุธ, 8/10/2557 เวลา : 11:53   

edit แก้ไขคำตอบ   delete ลบคำตอบ 681753

คำตอบที่ 16
       นี่ครับตัวที่ต้องจัดการ(วงกลมสีแดง) ส่วนที่ปริ๊นท์ไม่ต้องไปเช็ดหรือทำอะไรนะครับให้จารบีมันอยู่อย่างนั้นแหละไว้หล่อลื่นเช็ดหมดเดี๋ยวสึกหรอ





 แสดงความคิดเห็นย่อย แสดงความคิดเห็นย่อย

ad จาก ad 113.53.82.174 พุธ, 8/10/2557 เวลา : 11:56   

edit แก้ไขคำตอบ   delete ลบคำตอบ 681754

คำตอบที่ 17
      





 แสดงความคิดเห็นย่อย แสดงความคิดเห็นย่อย

ad จาก ad 113.53.82.174 พุธ, 8/10/2557 เวลา : 11:57   

edit แก้ไขคำตอบ   delete ลบคำตอบ 681755

คำตอบที่ 18
       ถอดออกมาจากวงกลมสีแดง ฮ่ายมากครับ ไม่ต้องระวังอะไรเลย





 แสดงความคิดเห็นย่อย แสดงความคิดเห็นย่อย

ad จาก ad 113.53.82.174 พุธ, 8/10/2557 เวลา : 11:59   

edit แก้ไขคำตอบ   delete ลบคำตอบ 681756

คำตอบที่ 19
       ถอดออกมาครับ เช็ดจารบีส่วนนี้พอ พร้อมกับดัดๆมันขึ้นสักหน่อย





 แสดงความคิดเห็นย่อย แสดงความคิดเห็นย่อย

ad จาก ad 113.53.82.174 พุธ, 8/10/2557 เวลา : 12:01   

edit แก้ไขคำตอบ   delete ลบคำตอบ 681757

คำตอบที่ 20
       แล้วก็ประกอบกลับ..ผมใช้สกรูหกเหลี่ยม พร้อมน๊อตตามรูป





 แสดงความคิดเห็นย่อย แสดงความคิดเห็นย่อย

ad จาก ad 113.53.82.174 พุธ, 8/10/2557 เวลา : 12:03   

edit แก้ไขคำตอบ   delete ลบคำตอบ 681758

คำตอบที่ 21
      





 แสดงความคิดเห็นย่อย แสดงความคิดเห็นย่อย

ad จาก ad 113.53.82.174 พุธ, 8/10/2557 เวลา : 12:04   

edit แก้ไขคำตอบ   delete ลบคำตอบ 681759

คำตอบที่ 22
      





 แสดงความคิดเห็นย่อย แสดงความคิดเห็นย่อย

ad จาก ad 113.53.82.174 พุธ, 8/10/2557 เวลา : 12:04   

edit แก้ไขคำตอบ   delete ลบคำตอบ 681760

คำตอบที่ 23
       แล้วก็ประกอบคืนครับ...ผมใช้เวลาทั้งหมดแค่ไม่เกินชั่วโมงครับ..มันง่ายเหนือความคาดหมาย..เคยดูเขาแกะก้านไฟเลี้ยวยี่ห้ออื่นๆ
มันไม่ได้ง่ายอย่างนี้ ตอนแกะต้องระวังพวกกลไกต่างๆกระเด็น แล้วเดี๋ยวฮานเข้า แต่กับอันนี้ ไม่ต้องระวังอะไรเป็นพิเศษจริงๆ ออกแบบมาเผื่อซ่อมเลย
ยังนึกถึงฝาลังมันเล่นโยนทิ้งแล้วเปลี่ยนอันใหม่..เสียดายแทนเลย แต่เดี๋ยวก่อนครับ มันไม่จบฮ่ายๆ





 แสดงความคิดเห็นย่อย แสดงความคิดเห็นย่อย

ad จาก ad 113.53.82.174 พุธ, 8/10/2557 เวลา : 12:06   

edit แก้ไขคำตอบ   delete ลบคำตอบ 681761

คำตอบที่ 24
       หลังจากใช้ฮานได้ประมาณสองสัปดาห์ก็เยี่ยมครับ ปกติหมดทุกอย่าง.......แต่.พอขึ้นสัปดาห์ที่สาม..มันเป็นอีกแล้วครับ..ด้านซ้ายเหมือนเดิม
แต่เป็นแค่ครั้งเดียว..ครั้งเดียวจริงๆ..หลังจากนั้นก็ปกติอีกไม่เป็นอีกเลย...สำหรับผมมันคาใจมากแสดงว่าที่ผ่านมามันมีส่วนช่วยให้กระแสไฟเดินดีขึ้น..แต่ยังเกาไม่ถูกที่คัน...
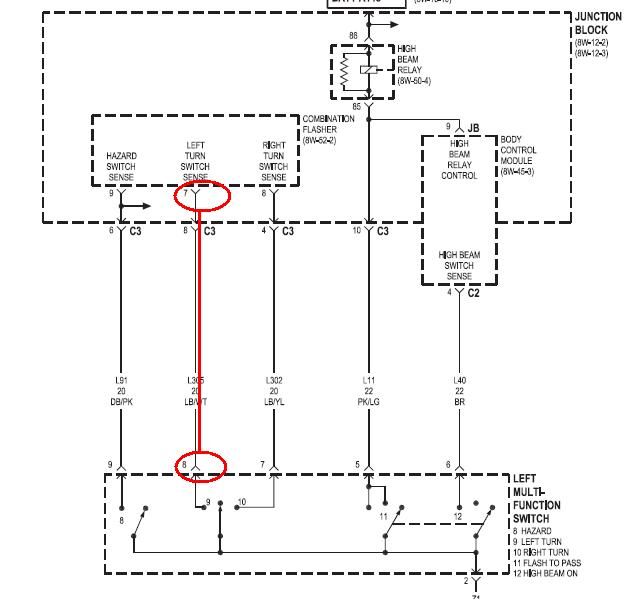
เอาใหม่..เปิดวงจรแล้วไล่เลย..จากก้านไฟเลี้ยว..ตัวต่อไปก็คือ..combination flasher หรือรีเลย์ไฟเลี้ยวครับ
ขา ๘ ของก้านไฟเลี้ยว(ไฟเลี้ยวซ้าย) ต่อไปยังขา ๗ ของรีเลย์ไฟเลี้ยว





 แสดงความคิดเห็นย่อย แสดงความคิดเห็นย่อย

ad จาก ad 113.53.82.174 พุธ, 8/10/2557 เวลา : 13:43   

edit แก้ไขคำตอบ   delete ลบคำตอบ 681763

คำตอบที่ 25
      





 แสดงความคิดเห็นย่อย แสดงความคิดเห็นย่อย

ad จาก ad 113.53.82.174 พุธ, 8/10/2557 เวลา : 13:43   

edit แก้ไขคำตอบ   delete ลบคำตอบ 681764

คำตอบที่ 26
      





 แสดงความคิดเห็นย่อย แสดงความคิดเห็นย่อย

ad จาก ad 113.53.82.174 พุธ, 8/10/2557 เวลา : 13:44   

edit แก้ไขคำตอบ   delete ลบคำตอบ 681765

คำตอบที่ 27
       นี่ครับตัวนี้แหละครับสีฟ้า เหมือนที่คุณ bug_john เคยบอก แต่มันแน่นมากเลยครับ..ผมใช้คำว่าโคตรแน่นเลยกว่าจะถอดออก





 แสดงความคิดเห็นย่อย แสดงความคิดเห็นย่อย

ad จาก ad 113.53.82.174 พุธ, 8/10/2557 เวลา : 13:45   

edit แก้ไขคำตอบ   delete ลบคำตอบ 681766

คำตอบที่ 28
       เมื่อได้ออกมาแล้ว ก็จัดการตรวจสอบภายใน นี่ครับ ขา ๗ ที่วงกลมไว้ ผมลองเช๊กด้วย มิเตอร์ ถ้าตั้งค่า X1 จะดีๆเสียๆ แต่พอXสูงๆเช่น10K
จะดีตลอด แสดงว่า bad แน่นอน สังเกตุตะกั่ว ฝาลังจะขี้เหนียวตะกั่วมาก ประกอบกับถ้ามีการถอดรีเลย์ตัวนี้บ่อยๆ ผมว่ามีสิทธ์ bad เพราะมันแน่นมาก
ต้องโยกไปมากว่าจะออก (แต่ของผมก็ไม่เคยถอดนะ ไม่รู้จะถอดทำไม)เอาเป็นว่าเขาขี้เหนียวตะกั่วแล้วกันครับ





 แสดงความคิดเห็นย่อย แสดงความคิดเห็นย่อย

ad จาก ad 113.53.82.174 พุธ, 8/10/2557 เวลา : 13:47   

edit แก้ไขคำตอบ   delete ลบคำตอบ 681767

คำตอบที่ 29
       แล้วก็จัดการซะ เล่นมันเกือบทุกขาเลย
เผื่อไฟอย่างอื่นด้วย จะได้ใช้กันแบบชั่วโคตรไปเลย..ฮานนี้มั่นใจเลยว่าเกาถูกที่คันแน่ๆ....เล่ามาซะยาว..สรุป..ซ่อมผิดจุดครับ... แต่ก็ดีได้รู้ว่า WJ เนี่ยอุปกรณ์
ไฟฟ้าออกแบบมาค่อนข้างใช้ได้เลย ยกเว้นไอ้เรื่องขี้เหนียวตะกั่วนี่แหละ...เดี๋ยวยังมีอีกเรื่องนึงครับ ที่เกี่ยวกับฝาลังขี้เหนียวตะกั่ว ทำไปนานแล้ว ขอหารูปเก่าๆก่อนครับ
สรุป...มีปํญหากับไฟเลี้ยว(หน้าติด หลังไม่ติด หลังติดหน้าไม่ติด หรือ ที่หน้าปัทม์ติด แต่หน้าหรือหลังไม่ติด เอาเป็นว่าติดไม่ครบ หรือไม่ติดเลย )
ให้มุ่งไปที่ .combination flasher หรือรีเลย์ไฟเลี้ยวเลยครับเพราะไฟแต่ละดวงต่อมาจากรีเลย์ตัวนี้ตรงๆทั้งนั้น ไม่ต้องเปลี่ยนใหม่ครับ แค่เพิ่มตะกั่วเข้าไป.....เพราะฝาลังขี้เหนียวตะกั่ว จบข่าว





 แสดงความคิดเห็นย่อย แสดงความคิดเห็นย่อย

ad จาก ad 113.53.82.174 พุธ, 8/10/2557 เวลา : 13:52   

edit แก้ไขคำตอบ   delete ลบคำตอบ 681768

      

คำตอบแบ่งหน้าละ 30 คำตอบ ขณะนี้คุณอยู่ที่หน้า 1 จาก >>> 1  



website รองรับการใช้งานทุกระบบปฏิบัติการของ PC Tablet SmartPhone ทุกระบบสามารถโพสข้อความและรูปภาพได้โดยไม่ต้องย่อไฟล์
เพื่อความปลอดภัยในการใช้ website WeekendHobby.Com สมาชิก เท่านั้น จึงจะตั้งกระทู้ หรือ ตอบกระทู้ได้ครับ
Login Click ที่นี่
สมัครสมาชิก Click ที่นี่



Since 22, Feb 2001 hit counter View My Stats  Truehits.net      วันอาทิตย์,8 กุมภาพันธ์ 2569 (Online 2125 คน)