WeekendHobby.com
เครื่องมือในการใช้งาน website =>> สมัครสมาชิก | Login | Logout | เปลี่ยนไอคอนส่วนตัว | เกี่ยวกับเรา | ติดต่อโฆษณา         View stat by Truehits.net


ถึงไปแต่ไม่ได้เที่ยว แต่ก็ประทับใจกับพี่น้องชาว JUC
juc1317
จาก ดำเด้ง
119.63.85.18
จันทร์ที่ , 20/4/2552
เวลา : 09:50

อ่านแล้ว = 2579 ครั้ง
 เก็บเข้ากระทู้ส่วนตัว
แจ้งตรวจสอบกระทู้
 แจ้งลบ
ส่งหาเพื่อน ส่งหาเพื่อน

       กลับมาแล้วเด้อ..พร้อมทำงานวันแรกหลังทริปสงกรานต์ ถึงจะไปแต่ไม่ได้เที่ยว เพราะมัวแต่ปลอบน้องดำ 2 วัน กับ 2 คืนครับ
...ตั้งใจไว้ว่า ทริบนี้หลังจากส่งญาติๆพร้อมภรรยาและลูกน้อยที่ สกลนครแล้วจะวิ่งย้อนกลับไป "หน่าฮ่าน" งานบ้านคุณข้อยเอง แต่อีกประมาณ 40 กิโลจะถึงทีหมาย น้องดำเครื่องดับแบบไม่มีอะไรเตือนมาก่อน สังเกตเบื้องต้นไฟ Check Engine ไม่โชว์ อย่างนี้คิดว่ามีงานแน่นอน จึงโทรปรึกษาพี่น้อง JUC เราที่กำลังเมาและมันส์อยู่แถวๆอุดร ได้ความว่าต้องลากไปหนองหาน แล้วค่อยว่ากัน ติดต่อรถลากพร้อมจ้างรถไปส่งภรรยาและลูกที่บ้าน ผ่านไปชั่วโมงกว่าๆ รถลากยังไม่มา สรุปทางพี่น้องเราจะตีรถมาช่วยดูให้ มีคุณkai_army, คุณวัฒน์ 'บักทองก้อน' และคุณน้ำดำ พร้อมอาวุธครบมือ ซึ่งก็ไม่ได้รู้จักกันเป็นการส่วนตัวมาก่อน คุณน้ำดำลงมีดผ่ากล่องเสร็จลองสตาร์ท...ไม่ติด ไล่ระบบไฟคุณวัฒน์เจอฟิวส์ที่แผงแถวๆแป้นคันเร่ง เบอร์11(20 แอมป์) ขาด โทรหาพี่ jedi ขอข้อมูลเรืองระบบไฟ(2.5 มน) ได้ความว่าต้องมีการช็อตในระบบซักที่เดี๋ยวเช้าค่อยว่ากันใหม่ คุณไก่จึงได้ประสานรถของทางการไฟฟ้า อ.พังโคนมาช่วยลาก พร้อมขับปิดท้ายให้... เช้า 13 ลองไล่ด้วยตัวเองเพราะช่างไปเที่ยวสงกรานต์กันหมด แต่ก็ยังไม่สำเร็จ เย็น ลากจาก อ.พังโคน มา อ.วานร...เช้า 14 หาช่างระบบไฟได้พร้อมเล่ารายละเอียดว่าเราได้ทำอะไปแล้วบ้างแล้วเพื่อความรวดเร็ว แล้วก็เรียบร้อยครับ กลับบ้านโดยสวัสดิภาพ...
...ขอบคุณ.....
- คุณไก่,คุณน้ำดำ,คุณวัฒน์ : ที่ช่วยเหลือ
- พี่ Jedi : ข้อมูลด้านเทคนิค
- สภ. ดอนเขือง : สายพ่วงแบต
- การไฟฟ้าพังโคน : รถลาก
- พี่น้อง JUC ที่ถามข่าวเป็นระยะ



 แสดงความคิดเห็นย่อย แสดงความคิดเห็นย่อย

แจ้งเพื่อเก็บขึ้นกระทู้พิเศษ คลิ๊กที่นี่แจ้งเพื่อนำขึ้นกระทู้พิเศษ

คำตอบแบ่งหน้าละ 30 คำตอบ ขณะนี้คุณอยู่ที่หน้า 1 จาก >>> 1  

คำตอบที่ 1
       คนไทยเหมือนกันและเป็นคนอีสานด้วย...ต้องมีน้ำใจให้กันอยู่แล้วครับ...สมาชิกชาวJUCไม่ทิ้งกันอยู่แล้ว...ช่วยได้แค่ไหนก็ทำได้แค่นั้น...ต้องยกความดีนี้ให้กับพี่อ็อดและพี่วัฒน์และพนักงานช่าง กฟภ.พังโคน ที่มีน้ำใจช่วยเหลือกันยินดีที่กลับถึงบ้านด้วยความปลอดภัย...นะครับ



 แสดงความคิดเห็นย่อย แสดงความคิดเห็นย่อย

kai_army จาก kai_army JUC2861 61.19.66.215 จันทร์, 20/4/2552 เวลา : 10:34   

edit แก้ไขคำตอบ   delete ลบคำตอบ 398072

คำตอบที่ 2
      



 แสดงความคิดเห็นย่อย แสดงความคิดเห็นย่อย

จาก ป.ปล้ำ 125.26.101.174 จันทร์, 20/4/2552 เวลา : 10:54   แก้ไขข้อความ แก้ไขข้อความ   เปลี่ยนรูปใหม่ เปลี่ยนรูป   

edit แก้ไขคำตอบ   delete ลบคำตอบ 398085

คำตอบที่ 3
       คาระวะนำใจชาวJUC และท่านไก่เมืองเลย มีโอกาสไปปีนภูกระดึงเมื่อไรจะแวะไปคารวะครับ
ผ่านนครปฐม ว.13 ไดครับ 087-1542211



 แสดงความคิดเห็นย่อย แสดงความคิดเห็นย่อย

จาก ผู้เฒ่า 117.47.16.69 จันทร์, 20/4/2552 เวลา : 12:28   แก้ไขข้อความ แก้ไขข้อความ   เปลี่ยนรูปใหม่ เปลี่ยนรูป   

edit แก้ไขคำตอบ   delete ลบคำตอบ 398140

คำตอบที่ 4
       ยินดีด้วยครับ เพื่อน..พ้อง..น้องพี่ JeepUnityClub




 แสดงความคิดเห็นย่อย แสดงความคิดเห็นย่อย

โก1821 จาก โก1821 118.175.64.108 จันทร์, 20/4/2552 เวลา : 12:52   

edit แก้ไขคำตอบ   delete ลบคำตอบ 398156

คำตอบที่ 5
      



 แสดงความคิดเห็นย่อย แสดงความคิดเห็นย่อย

dhanawatp จาก JJ 58.137.208.194 จันทร์, 20/4/2552 เวลา : 13:06   

edit แก้ไขคำตอบ   delete ลบคำตอบ 398164

คำตอบที่ 6
       JUC เพื่อนกันตลอดไป



 แสดงความคิดเห็นย่อย แสดงความคิดเห็นย่อย

phayain จาก พงศ์สวัสดิ์ juc 1948 125.24.49.250 จันทร์, 20/4/2552 เวลา : 16:18   

edit แก้ไขคำตอบ   delete ลบคำตอบ 398247

คำตอบที่ 7
       ว่ากันแล้วทีม JUC มีอยู่ทั่วประเทศประสานงานกันได้อยู่แล้วไช่มั่ยละครับพี่น้อง.... ทีมนี้เอาไปอีกสิบคะเเนนครับบบบ



 แสดงความคิดเห็นย่อย แสดงความคิดเห็นย่อย

จาก CEMIC 202.176.144.225 จันทร์, 20/4/2552 เวลา : 16:29   แก้ไขข้อความ แก้ไขข้อความ   เปลี่ยนรูปใหม่ เปลี่ยนรูป   

edit แก้ไขคำตอบ   delete ลบคำตอบ 398257

คำตอบที่ 8
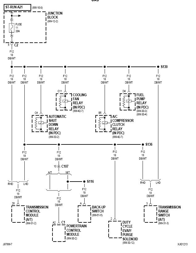
       สาเหตุจากอะไรเสียครับครับ ระบบไฟตรงไหนลัดวงจรครับ



 แสดงความคิดเห็นย่อย แสดงความคิดเห็นย่อย

จาก iew 203.158.211.80 จันทร์, 20/4/2552 เวลา : 19:27   แก้ไขข้อความ แก้ไขข้อความ   เปลี่ยนรูปใหม่ เปลี่ยนรูป   

edit แก้ไขคำตอบ   delete ลบคำตอบ 398302

คำตอบที่ 9
       สวิทช์ไฟเกียร์ถอย ช๊อตกราวด์ครับ



 แสดงความคิดเห็นย่อย แสดงความคิดเห็นย่อย

juc1317 จาก ดำเด้ง 58.136.126.49 อังคาร, 21/4/2552 เวลา : 08:45   

edit แก้ไขคำตอบ   delete ลบคำตอบ 398561

คำตอบที่ 10
      



 แสดงความคิดเห็นย่อย แสดงความคิดเห็นย่อย

wpinyawat จาก นายเขียวหวาน 114.128.24.126 อังคาร, 21/4/2552 เวลา : 08:53   

edit แก้ไขคำตอบ   delete ลบคำตอบ 398562

คำตอบที่ 11
       น่าจะเป็นชุดนี้ ซึ่งฟิวส์ 20 แอมป์ตัวนี้สำคัญมากๆเหมือนกันครับ





 แสดงความคิดเห็นย่อย แสดงความคิดเห็นย่อย

ต้นJUC3123 จาก ต้นJUC3123 61.90.136.94 อังคาร, 21/4/2552 เวลา : 13:58   

edit แก้ไขคำตอบ   delete ลบคำตอบ 398627

คำตอบที่ 12
      



 แสดงความคิดเห็นย่อย แสดงความคิดเห็นย่อย

sararat จาก ดร.โด่ง 61.90.249.221 อังคาร, 21/4/2552 เวลา : 13:59   

edit แก้ไขคำตอบ   delete ลบคำตอบ 398628

คำตอบที่ 13
       ใช่เลย Wiring นี้ แต่ .. ทำไม Manual ของผมปี 2000 ในหน้า 8W-12-15 ไม่เหมือนของคุณต้นน่ะ



 แสดงความคิดเห็นย่อย แสดงความคิดเห็นย่อย

Jedi จาก Jedi 119.31.84.137 อังคาร, 21/4/2552 เวลา : 21:20   

edit แก้ไขคำตอบ   delete ลบคำตอบ 398687

คำตอบที่ 14
       ของผมดูของปี 97 เหลี่ยมครับพี่jedi



 แสดงความคิดเห็นย่อย แสดงความคิดเห็นย่อย

ต้นJUC3123 จาก ต้นJUC3123 61.90.136.94 พุธ, 22/4/2552 เวลา : 08:13   

edit แก้ไขคำตอบ   delete ลบคำตอบ 398734

คำตอบที่ 15
       ปรึกษาครับว่า...ถ้าเกิดผมหาฟิวส์(ต่ำกว่า 20 แอมป์) ไปดักที่ตรงก่อนเข้าสวิทช์เกียร์ถอยจะดีมั๊ย ?? เพราะถ้าเป็นอีกอย่างดีก็แค่ไฟถอยไม่ติด หรือว่าจะมีผลกระทบอย่างอื่นครับ เพราะเห็นอาการแล้วผมว่ามันอันตราย เนื่องจากวี่งมาดีๆมันก็ดับไปเฉยเลย(ไม่ได้ใช้เกียร์ถอยแต่อย่างได) ถ้าหากเกิดตอนกลับรถ, ข้ามเลนหรือ ขึ้น-ลงเขา...บรื๋อ..อ...อ....อ..!!!



 แสดงความคิดเห็นย่อย แสดงความคิดเห็นย่อย

juc1317 จาก ดำเด้ง 119.63.85.18 พุธ, 22/4/2552 เวลา : 08:14   

edit แก้ไขคำตอบ   delete ลบคำตอบ 398736

คำตอบที่ 16
       ได้เลยครับไม่มีปัญหา เป็นความคิดที่ดีมากๆครับ ผมว่าใส่แค่ 5-10 แอมป์ก็น่าจะพอครับ ก่อนสวิทซ์ไฟถอย เพราะ 20 แอมป์ที่เค้าใส่มานั้นมันเอาไว้รับโหลดมากมายเพราะแยกไปหลายส่วน



 แสดงความคิดเห็นย่อย แสดงความคิดเห็นย่อย

ต้นJUC3123 จาก ต้นJUC3123 61.90.136.94 พุธ, 22/4/2552 เวลา : 09:41   

edit แก้ไขคำตอบ   delete ลบคำตอบ 398768

คำตอบที่ 17
       สุดยอด น้ำใจเพื่อน juc เลยครับ ..



 แสดงความคิดเห็นย่อย แสดงความคิดเห็นย่อย

ceq จาก CEQ JUC 813 124.120.82.119 พุธ, 22/4/2552 เวลา : 09:45   

edit แก้ไขคำตอบ   delete ลบคำตอบ 398770

คำตอบที่ 18
       ขับรถไปใจระบม เกือบระทมเพราะเพราะเพื่อนคู่ใจทำพิษซะอีก ยินดีด้วยครับคุณสิน ผมเคยบอกแล้วว่าจี๊ปยังไงๆมันต้องพาเรากลับบ้านจนได้ด้วยความปลอดภัยเสมอ แถมไปที่ไหนๆก้อแสนจะอบอุ่น นี่แค่บททดลองระดมพลคนJUCแบบชิลๆนะครับ วันนี้กะจะมาชวนไปแก้ตัวที่เพชรบูรณ์ทริปครับ ไปป่ะ? พลาดพลั้งยังไงๆ ถ้าไม่ไหวถอดใจ จะได้กลับมาด้วยก่อนได้



 แสดงความคิดเห็นย่อย แสดงความคิดเห็นย่อย

Jeep1911 จาก อุดม จด. 203.150.200.245 พฤหัสบดี, 23/4/2552 เวลา : 12:38   

edit แก้ไขคำตอบ   delete ลบคำตอบ 399175

คำตอบที่ 19
       ฝากรบกวนที่อยู่ให้คุณต้นJUC3123ครับ ขอบคุณคร๊าบบบบบบ .. บ
ร.อ.วิชา บัวอุย
ฝูงบิน 102 กองบิน 1
กองการบินทหารเรือ อู่ตะเภา
อ.บ้านฉาง จ.ระยอง
-21130-



 แสดงความคิดเห็นย่อย แสดงความคิดเห็นย่อย

Jedi จาก Jedi 119.31.61.231 ศุกร์, 24/4/2552 เวลา : 22:37   

edit แก้ไขคำตอบ   delete ลบคำตอบ 399596

คำตอบที่ 20
       น้ำใจ JUC ไม่เคยขายหาย



 แสดงความคิดเห็นย่อย แสดงความคิดเห็นย่อย

loft60-84 จาก Loft60-84 58.10.204.11 ศุกร์, 24/4/2552 เวลา : 22:51   

edit แก้ไขคำตอบ   delete ลบคำตอบ 399597

คำตอบที่ 21
       เห็นแล้วมันก็คันๆอยู่นะพี่อุดม แต่ติดที่เบาะข้างๆกับเบาะหลังน่ะครับ...ไม่รู้จะให้เกาอ๊ะป่าว



 แสดงความคิดเห็นย่อย แสดงความคิดเห็นย่อย

juc1317 จาก ดำเด้ง 58.136.126.49 เสาร์, 25/4/2552 เวลา : 09:56   

edit แก้ไขคำตอบ   delete ลบคำตอบ 399642

      

คำตอบแบ่งหน้าละ 30 คำตอบ ขณะนี้คุณอยู่ที่หน้า 1 จาก >>> 1  



website รองรับการใช้งานทุกระบบปฏิบัติการของ PC Tablet SmartPhone ทุกระบบสามารถโพสข้อความและรูปภาพได้โดยไม่ต้องย่อไฟล์
เพื่อความปลอดภัยในการใช้ website WeekendHobby.Com สมาชิก เท่านั้น จึงจะตั้งกระทู้ หรือ ตอบกระทู้ได้ครับ
Login Click ที่นี่
สมัครสมาชิก Click ที่นี่



Since 22, Feb 2001 hit counter View My Stats  Truehits.net      วันจันทร์,9 กุมภาพันธ์ 2569 (Online 3147 คน)