WeekendHobby.com
เครื่องมือในการใช้งาน website =>> สมัครสมาชิก | Login | Logout | เปลี่ยนไอคอนส่วนตัว | เกี่ยวกับเรา | ติดต่อโฆษณา         View stat by Truehits.net


Step-by-step(บ้าง) ขอเสนอโปรเจ็คมันส์ๆครับ
dit
จาก dit
125.25.53.75
เสาร์ที่ , 6/6/2552
เวลา : 16:08

อ่านแล้ว = 30386 ครั้ง
 เก็บเข้ากระทู้ส่วนตัว
แจ้งตรวจสอบกระทู้
 แจ้งลบ
ส่งหาเพื่อน ส่งหาเพื่อน

       ว่างๆ คันๆ ก็เลยจับเอาเครื่อง 4.0L มาใส่กล่อง ECU made by JUC กันลองดูครับ
ได้เครื่อง 4.0L ราคามิตรภาพมาจากคุณโต้ง.....ขอเชิญติดตามชมและวิจารณ์ได้ครับ....



 แสดงความคิดเห็นย่อย แสดงความคิดเห็นย่อย

แจ้งเพื่อเก็บขึ้นกระทู้พิเศษ คลิ๊กที่นี่แจ้งเพื่อนำขึ้นกระทู้พิเศษ

คำตอบแบ่งหน้าละ 30 คำตอบ ขณะนี้คุณอยู่ที่หน้า 1 จาก >>> 1  2  3  4  5  

คำตอบที่ 1
       step-by-step แต่..แต่ละ step อาจจะนานหน่อยนะครับ





 แสดงความคิดเห็นย่อย แสดงความคิดเห็นย่อย

dit จาก dit 125.25.53.75 เสาร์, 6/6/2552 เวลา : 16:10   

edit แก้ไขคำตอบ   delete ลบคำตอบ 412465

คำตอบที่ 2
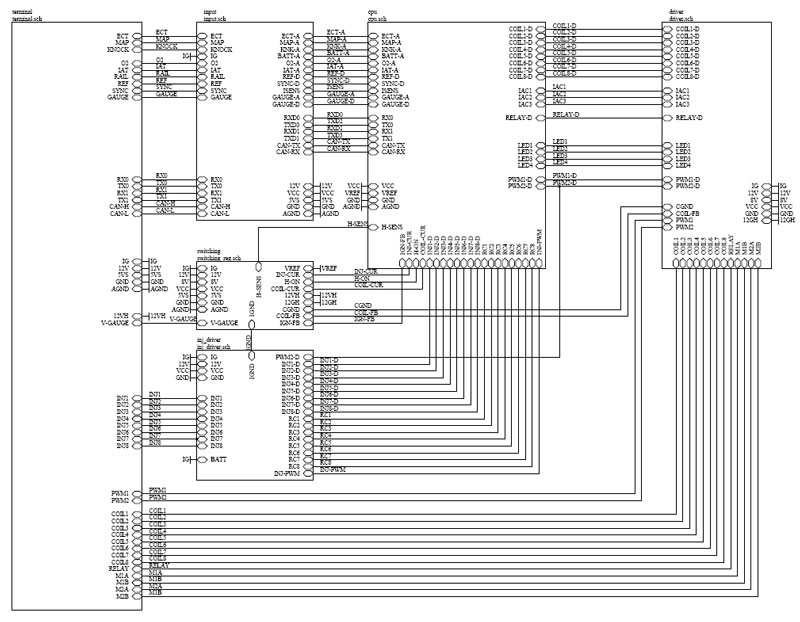
       step ที่1 ออกแบบ diagram ส่วนประกอบต่างของ ECU คร่าวๆ ก่อนพอให้เห็นภาพรวมครับ ...





 แสดงความคิดเห็นย่อย แสดงความคิดเห็นย่อย

dit จาก dit 125.25.53.75 เสาร์, 6/6/2552 เวลา : 16:13   

edit แก้ไขคำตอบ   delete ลบคำตอบ 412466

คำตอบที่ 3
       lamiia, duampat,
[url=http://www.mesyoo.com/]mesyoo[/url]
mesyoo

 แก้ไขเมื่อ : 8/1/2561 9:38:09



 แสดงความคิดเห็นย่อย แสดงความคิดเห็นย่อย

จาก บูม 118.173.232.254 เสาร์, 6/6/2552 เวลา : 16:58   แก้ไขข้อความ แก้ไขข้อความ   เปลี่ยนรูปใหม่ เปลี่ยนรูป   

edit แก้ไขคำตอบ   delete ลบคำตอบ 412468

คำตอบที่ 4
       ขอบคุณครับที่ติดตามชม
สเต็ปต่อไป ก็ออกแบบวงจรโดยแบ่งเป็น โมดูล หรือเป็นบล๊อกๆ ครับ ขำๆๆ step-by-step





 แสดงความคิดเห็นย่อย แสดงความคิดเห็นย่อย

dit จาก dit 125.25.53.75 เสาร์, 6/6/2552 เวลา : 17:18   

edit แก้ไขคำตอบ   delete ลบคำตอบ 412469

คำตอบที่ 5
       รอชมคร้าบบบบ



 แสดงความคิดเห็นย่อย แสดงความคิดเห็นย่อย

ข้อยเอง จาก ข้อยเอง 203.146.11.2 เสาร์, 6/6/2552 เวลา : 19:30   

edit แก้ไขคำตอบ   delete ลบคำตอบ 412473

คำตอบที่ 6
       com for more helpful information about The 4 Drum Spill Pallet For A Safer Production Line. The result of the stretch in the penis will help the duplication of the cell to occur. The heavy machines available in industries and various construction sectors have significantly reduced human efforts used in doing various tasks.Number of View :77In today’s highly costly times, being able to choose a reliable utility company is the name of the game. <br >(2)volume of fan air is not appropriate<br >Removal Methods: <br >(1) change the blade and turn down the volume of the air from air intake so as to solve the problem of thick powder&nbsp; <br >Compared with common Raymond mill, trapezium mill improves the product fineness, precision and productivity with its special technology; provides new type high fine milling equipment of high efficiency and energy saving to users.
Ilkay Gundogan Jersey http://www.worldsoccershop.us.com/FC-BORUSSIA-DORTMUND-ILKAY-GUNDOGAN-JERSEY/

 แก้ไขเมื่อ : 10/1/2561 9:06:34



 แสดงความคิดเห็นย่อย แสดงความคิดเห็นย่อย

จาก Tonsak ( ไม่ได้ login ) 112.143.38.155 เสาร์, 6/6/2552 เวลา : 19:40   แก้ไขข้อความ แก้ไขข้อความ   เปลี่ยนรูปใหม่ เปลี่ยนรูป   

edit แก้ไขคำตอบ   delete ลบคำตอบ 412475

คำตอบที่ 7
       The great point about UGG boots is that they let you the choice to have on them with a skirt, gown or with jeanstrousers and they still look quite fashionable. The Buckeyes have no quarterback competition this season, but several teams that hope to contend for a playoff spot do.Both the dissemination of the idea as well as maintenance of established ones should be taken good care of as health is a very essential aspect of life. Although societal pressure can become a positive motivation, it can sometimes begin to falter. In fact, nothing seems to light up a walker?s eyes more than the thought of buying a treadmill.
Giacomo Bonaventura Jersey http://www.theworldsoccershop.com/AC-MILAN-FC-GIACOMO-BONAVENTURA-JERSEY/

 แก้ไขเมื่อ : 10/1/2561 14:32:03



 แสดงความคิดเห็นย่อย แสดงความคิดเห็นย่อย

จาก กบ 124.120.99.162 เสาร์, 6/6/2552 เวลา : 21:12   แก้ไขข้อความ แก้ไขข้อความ   เปลี่ยนรูปใหม่ เปลี่ยนรูป   

edit แก้ไขคำตอบ   delete ลบคำตอบ 412492

คำตอบที่ 8
       ขอบคุณครับพี่ต้นสัก, คุณข้อยเอง
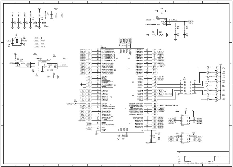
ต่อๆๆๆๆ สเต็ปต่อไปคือ ออกแบบรายละเอียดในแต่ละโมดูลต่างๆ....ในรูปนี้เป็นส่วนของ CPU เลือกใช้ CPU ที่มีความสามารถเท่ากับ 80286 สมัยก่อน(ใครเกิดทันมั่งเนี่ย ) ความเร็วเท่ากันคือ 16Mhz เหลือๆ สำหรับเอามาทำ ECU หน่วยความจำแบบสมัยใหม่แบบ Flash Memory ไม่ต้องใช้แผ่นไดรว์เอ 5 1/4 นิ้ว บู๊ท DOS เหมือน 80286 อิๆๆ





 แสดงความคิดเห็นย่อย แสดงความคิดเห็นย่อย

dit จาก dit 125.25.53.75 เสาร์, 6/6/2552 เวลา : 21:16   

edit แก้ไขคำตอบ   delete ลบคำตอบ 412495

คำตอบที่ 9
       อ้าวคุณกบมาตอนไหนเนี่ย...จะทำอย่างที่คุณกบว่ามาทู๊กๆๆๆ อย่างเลยครับ ฮ่าๆๆ



 แสดงความคิดเห็นย่อย แสดงความคิดเห็นย่อย

dit จาก dit 125.25.53.75 เสาร์, 6/6/2552 เวลา : 21:18   

edit แก้ไขคำตอบ   delete ลบคำตอบ 412497

คำตอบที่ 10
       มารอชมและเชียร์ผลงานครับ ต่อไปก็ไม่ต้องกลัว ECU พังกันอีกต่อไปแล้ว



 แสดงความคิดเห็นย่อย แสดงความคิดเห็นย่อย

B27 จาก B27 124.121.75.124 อาทิตย์, 7/6/2552 เวลา : 08:21   

edit แก้ไขคำตอบ   delete ลบคำตอบ 412531

คำตอบที่ 11
       สุดยอด ครับ



 แสดงความคิดเห็นย่อย แสดงความคิดเห็นย่อย

พิทบูลเขี้ยวตันพิทบูลเขี้ยวตัน จาก WudH...MKJ 58.11.15.162 อาทิตย์, 7/6/2552 เวลา : 08:50   

edit แก้ไขคำตอบ   delete ลบคำตอบ 412539

คำตอบที่ 12
       It keeps the employees safer by not exposing them to any chemicals, dangerous or not. Word of mouth can be a significant asset to your website.comCone crusher. Before many people were not overly conscious with what they were eating and the nutrients that the food provided. If you have a vision in mind or a creative idea that best represents your business, your signs company will realize that for you through striking business signs made with the appropriate colors, lighting, sizing, imagery, lettering and typography.
http://www.sportsmlbshop.com/Baltimore-Orioles-Ubaldo-Jimenez-Jersey-Sale/>

 แก้ไขเมื่อ : 10/1/2561 10:38:02



 แสดงความคิดเห็นย่อย แสดงความคิดเห็นย่อย

จาก นายโม JUC564 125.25.60.213 อาทิตย์, 7/6/2552 เวลา : 08:53   แก้ไขข้อความ แก้ไขข้อความ   เปลี่ยนรูปใหม่ เปลี่ยนรูป   

edit แก้ไขคำตอบ   delete ลบคำตอบ 412540

คำตอบที่ 13
       ติดตามชมครับ...Jeep จะเป็นอมตะ...แล้วครับคุณ dit



 แสดงความคิดเห็นย่อย แสดงความคิดเห็นย่อย

JUC744 จาก น้ำดำ 124.121.4.11 อาทิตย์, 7/6/2552 เวลา : 09:04   

edit แก้ไขคำตอบ   delete ลบคำตอบ 412542

คำตอบที่ 14
       ฝรั่งต้นตำหรับคงจะโกรธมากๆๆๆๆ คนไทยทำได้ไงว่ะ



 แสดงความคิดเห็นย่อย แสดงความคิดเห็นย่อย

phayain จาก พงศ์สวัสดิ์ juc 1948 125.24.2.44 อาทิตย์, 7/6/2552 เวลา : 09:23   

edit แก้ไขคำตอบ   delete ลบคำตอบ 412550

คำตอบที่ 15
       ทำของ 6สูบได้ งั้นก็ต้องเผื่อ 4สูบให้ด้วยครับ ของผมหัวฉีดสูบ4มันช๊อตเสีย ต่อพ่วงใช้กับสูบ3 อยู่



 แสดงความคิดเห็นย่อย แสดงความคิดเห็นย่อย

จาก xxj choo 115.67.99.81 อาทิตย์, 7/6/2552 เวลา : 22:07   แก้ไขข้อความ แก้ไขข้อความ   เปลี่ยนรูปใหม่ เปลี่ยนรูป   

edit แก้ไขคำตอบ   delete ลบคำตอบ 412776

คำตอบที่ 16
      



 แสดงความคิดเห็นย่อย แสดงความคิดเห็นย่อย

blizzard จาก blizzard 58.9.141.243 อาทิตย์, 7/6/2552 เวลา : 22:12   

edit แก้ไขคำตอบ   delete ลบคำตอบ 412777

คำตอบที่ 17
      



 แสดงความคิดเห็นย่อย แสดงความคิดเห็นย่อย

จาก ad 118.175.94.4 จันทร์, 8/6/2552 เวลา : 09:21   แก้ไขข้อความ แก้ไขข้อความ   เปลี่ยนรูปใหม่ เปลี่ยนรูป   

edit แก้ไขคำตอบ   delete ลบคำตอบ 412888

คำตอบที่ 18
       ร่วมส่งแรงใจเชียร์ครับ.....



 แสดงความคิดเห็นย่อย แสดงความคิดเห็นย่อย

จาก ศิริพล jungle runner 58.9.68.200 จันทร์, 8/6/2552 เวลา : 09:35   แก้ไขข้อความ แก้ไขข้อความ   เปลี่ยนรูปใหม่ เปลี่ยนรูป   

edit แก้ไขคำตอบ   delete ลบคำตอบ 412897

คำตอบที่ 19
       รอชมด้วยคนครับ



 แสดงความคิดเห็นย่อย แสดงความคิดเห็นย่อย

juc2167 จาก อาฉาด 58.9.81.172 จันทร์, 8/6/2552 เวลา : 09:50   

edit แก้ไขคำตอบ   delete ลบคำตอบ 412904

คำตอบที่ 20
       ว่าง แล้วเหรอ ท่าน DIT



 แสดงความคิดเห็นย่อย แสดงความคิดเห็นย่อย

karintra จาก กวาง 116.58.231.242 จันทร์, 8/6/2552 เวลา : 09:58   

edit แก้ไขคำตอบ   delete ลบคำตอบ 412910

คำตอบที่ 21
       มาอีกแล้ว Projectใหม่ นายDIT...



 แสดงความคิดเห็นย่อย แสดงความคิดเห็นย่อย

kaidow จาก KaidowZJ 116.58.231.242 จันทร์, 8/6/2552 เวลา : 16:43   

edit แก้ไขคำตอบ   delete ลบคำตอบ 413293

คำตอบที่ 22
       ยาวไปเลยท่านดิท



 แสดงความคิดเห็นย่อย แสดงความคิดเห็นย่อย

chaitawee จาก บ่าววี#2138/HS9WMP 118.173.162.158 จันทร์, 8/6/2552 เวลา : 16:52   

edit แก้ไขคำตอบ   delete ลบคำตอบ 413297

คำตอบที่ 23
       จัดไป อย่าให้เสียครับท่าน



 แสดงความคิดเห็นย่อย แสดงความคิดเห็นย่อย

จาก ความสุขของกะทิ 125.25.122.179 จันทร์, 8/6/2552 เวลา : 22:34   แก้ไขข้อความ แก้ไขข้อความ   เปลี่ยนรูปใหม่ เปลี่ยนรูป   

edit แก้ไขคำตอบ   delete ลบคำตอบ 413410

คำตอบที่ 24
       ขอขอบคุณที่ติดตามชมครับ.. แต่ไหงไม่มีคนแนะนำอะไรเลยอ่ะ อิๆๆ ซ๊ากคนละนิดคนละหน่อยก็ยังดีครับ จะจัดให้ตามสั่งเลย..

มาดูสเต็ปต่อไปครับ...หลังจาก ออกแบบวงจรทุกส่วน ทุกโมดูล และตรวจสอบละเอียดถี่ถ้วนดีแล้ว ก็ถึงคิวของการออกแบบลายวงจรบนแผ่น print circuit bord หรือว่าแผ่น pcb ครับ สาระสำคัญคือต้องจัดโซนนิ่ง ว่าส่วนไหนเป็นส่วน อะนาล๊อก ส่วนไหนเป็นสัญญาณ ดิจิตอล ส่วนไหนทำงานแล้วมีความร้อนที่ต้องระบายออก ส่วนไหนต้องทนต่อสัญญาณรบกวน EMI ซึ่งส่วนนี้สำคัญต่อเสถียรภาพการทำงานของ CPU มากๆ ไม่งั้นเจอผีหลอกเอาได้ง่ายๆ ครับ..





 แสดงความคิดเห็นย่อย แสดงความคิดเห็นย่อย

dit จาก dit 125.25.56.100 จันทร์, 8/6/2552 เวลา : 22:57   

edit แก้ไขคำตอบ   delete ลบคำตอบ 413421

คำตอบที่ 25
       ถ้าเสร็จออกมาแล้วมันจะใช้ปลั๊กเดิมได้หรือเปล่า ถ้าทำออกมาเพื่อใช้กับปลั๊กเดิมได้พี่อย่าลืมรุ่นที่เป็นกล่องดำปลั๊กเดี่ยวบ้างนะพี่



 แสดงความคิดเห็นย่อย แสดงความคิดเห็นย่อย

จาก jew1718 125.25.112.195 จันทร์, 8/6/2552 เวลา : 23:16   แก้ไขข้อความ แก้ไขข้อความ   เปลี่ยนรูปใหม่ เปลี่ยนรูป   

edit แก้ไขคำตอบ   delete ลบคำตอบ 413436

คำตอบที่ 26
       มาแล้วคำแนะนำ....ขอบคุณครับ...ทำปลั๊กมาเป็นกลางๆ จะให้เป็นรุ่นไหนต้องผ่านสายที่เป็นอะแด๊ปเตอร์ครับ



 แสดงความคิดเห็นย่อย แสดงความคิดเห็นย่อย

dit จาก dit 125.25.56.100 จันทร์, 8/6/2552 เวลา : 23:22   

edit แก้ไขคำตอบ   delete ลบคำตอบ 413443

คำตอบที่ 27
       อ้อ...แจ้งก่อนเดี๋ยวเข้าใจผิดกัน....งานนี้ทำเอามันๆสนุกๆ แก้คันเท่านั้นครับ....เรื่องขายนั้นสำหรับ Jeep ผมคิดว่าซื้อของเดิมๆ ต้นทุนน่าจะต่ำกว่าครับ...



 แสดงความคิดเห็นย่อย แสดงความคิดเห็นย่อย

dit จาก dit 125.25.56.100 จันทร์, 8/6/2552 เวลา : 23:30   

edit แก้ไขคำตอบ   delete ลบคำตอบ 413444

คำตอบที่ 28
      
ทำ design FMEA ด้วยนะ... ให้ผ่าน BLT หรือ Broad level reliability ด้วยก็สุดยอด ทำให้ใด้ spec moto ก็ แหล่ม เรย.....



 แสดงความคิดเห็นย่อย แสดงความคิดเห็นย่อย

loft60-84 จาก Loft60-84 58.10.204.133 จันทร์, 8/6/2552 เวลา : 23:32   

edit แก้ไขคำตอบ   delete ลบคำตอบ 413446

คำตอบที่ 29
       พี่ไหนๆก็ทำออกมาแล้วทำไมไม่ทำแบบเหมือนกล่องโมแบบของพี่ยุ่นเค้าบ้างหละพี่ (เผื่อจะแรงขึ้นมาอีกซัก 10-20 ม้าครับพี่ ไหนๆก็ทำเอามันไปเลยพี่)



 แสดงความคิดเห็นย่อย แสดงความคิดเห็นย่อย

จาก jew1718 125.25.112.195 จันทร์, 8/6/2552 เวลา : 23:35   แก้ไขข้อความ แก้ไขข้อความ   เปลี่ยนรูปใหม่ เปลี่ยนรูป   

edit แก้ไขคำตอบ   delete ลบคำตอบ 413450

คำตอบที่ 30
       เอาเลยพี่ Loft60-84 เอาทั้ง FMEA , SIG-SIGMA.... แต่...แต่ตอนนี้ขอกล่องให้มันขับได้ก่อนนะ อิๆๆ...

เรียนทท่าน jew1718 ECU ที่ตั้งใจจะทำนี้กะเอาให้เป็น Motec (แบบไทยๆ ) เลยครับ ถ้าจูนเป็นก็จูนกันเอาเองเลยครับ จะเอาไฟกี่องศาที่รอบเท่าไหร่ จ่ายน้ำมันเท่าไหร่...จ่ายแก๊สเท่าไหร่...อ๊ะ..อ๊ะ... กล่องนี้คุมหัวฉีดแก็สได้ด้วยนะครับ ทั้งกินทั้งทาในกล่องเดียวเลย....คอยดูกันไปนะครับ...ไม่ได้โม้..อิๆๆ



 แสดงความคิดเห็นย่อย แสดงความคิดเห็นย่อย

dit จาก dit 125.25.56.100 อังคาร, 9/6/2552 เวลา : 00:01   

edit แก้ไขคำตอบ   delete ลบคำตอบ 413464

      

ยังมีคำตอบมากกว่านี้นะครับ คลิ๊กเพื่อดูหน้าถัดไป


คำตอบแบ่งหน้าละ 30 คำตอบ ขณะนี้คุณอยู่ที่หน้า 1 จาก >>> 1  2  3  4  5  



website รองรับการใช้งานทุกระบบปฏิบัติการของ PC Tablet SmartPhone ทุกระบบสามารถโพสข้อความและรูปภาพได้โดยไม่ต้องย่อไฟล์
เพื่อความปลอดภัยในการใช้ website WeekendHobby.Com สมาชิก เท่านั้น จึงจะตั้งกระทู้ หรือ ตอบกระทู้ได้ครับ
Login Click ที่นี่
สมัครสมาชิก Click ที่นี่



Since 22, Feb 2001 hit counter View My Stats  Truehits.net      วันอาทิตย์,8 กุมภาพันธ์ 2569 (Online 2657 คน)