WeekendHobby.com
เครื่องมือในการใช้งาน website =>> สมัครสมาชิก | Login | Logout | เปลี่ยนไอคอนส่วนตัว | เกี่ยวกับเรา | ติดต่อโฆษณา         View stat by Truehits.net


ไฟในห้องเก๋ง (เพดาน) ไฟประตู ไม่ยอมดับ ต้องถอดฟิว ในห้องเครื่อง

จาก keke
58.181.143.183
จันทร์ที่ , 31/8/2552
เวลา : 15:23

อ่านแล้ว = 10565 ครั้ง
 เก็บเข้ากระทู้ส่วนตัว
แจ้งตรวจสอบกระทู้
 แจ้งลบ
ส่งหาเพื่อน ส่งหาเพื่อน

       ช่วยผมด้วย เมื่อวานนี้ ตอนเช้าจะไปทำงาน ไฟในห้องเก๋ง (เพดาน) ไฟประตู ไม่ยอมดับ ต้องถอดฟิว ในห้องเครื่อง ปกติจะดับเวลาเราติดเครื่อง หรือปิดประตูไว้สักพัก เลยต้องใช้วิธีถอดฟิว 20 แอมป์ สีเหลือง ในห้องเครื่อง ทีนี้ดับหมดทุกดวงสมใจ แต่เวลากลางคืนต้องใช้ไฟฉายส่องหาของ และหน้าคนนั่งข้าง ๆ ถึงจะเห็น นึกแล้วอนาจใจสำหรับ jeep 4.0L xj ท่านผู้ใดพอมีความรู้แนะนำหน่อยเถอะครับ ขับจีปจะได้ไม่อายเค้า...JUC


 แสดงความคิดเห็นย่อย แสดงความคิดเห็นย่อย

แจ้งเพื่อเก็บขึ้นกระทู้พิเศษ คลิ๊กที่นี่แจ้งเพื่อนำขึ้นกระทู้พิเศษ

คำตอบแบ่งหน้าละ 30 คำตอบ ขณะนี้คุณอยู่ที่หน้า 1 จาก >>> 1  

คำตอบที่ 1
       ใส่ฟิวกลับ.....แล้วลองหมุน ปุ่มเปิดไฟหน้า ตามเข็มนาฬิกา จนดังคลิกดูก่อนครับ......................



 แสดงความคิดเห็นย่อย แสดงความคิดเห็นย่อย

xj4.56 จาก ต้นมะลิ 125.27.48.42 จันทร์, 31/8/2552 เวลา : 15:37   

edit แก้ไขคำตอบ   delete ลบคำตอบ 436374

คำตอบที่ 2
       Link ของท่าน Tigerwood
http://www.thailandoffroad.com/jeep/board/Question_backup2009.asp?ID=J24921



 แสดงความคิดเห็นย่อย แสดงความคิดเห็นย่อย

surapong จาก พงษ์สะพานใหม่ 58.8.45.8 จันทร์, 31/8/2552 เวลา : 15:38   

edit แก้ไขคำตอบ   delete ลบคำตอบ 436375

คำตอบที่ 3
       เคยเป็นเหมือนกันครับ หาอยู่นานเลย ที่แท้สวิย์ที่ประตูมัน(แกนตรงกลางที่กดได้)ยุบเข้าไปด้ายในเสาประตุ เลยถอดออกมาแล้วเคาะให้มันสูงขึ้นมาเหมือนเดิมก็ใช้ได้
ลองดูครับ



 แสดงความคิดเห็นย่อย แสดงความคิดเห็นย่อย

อัมพวาอัมพวา จาก อัมพวา 203.153.187.34 จันทร์, 31/8/2552 เวลา : 16:05   

edit แก้ไขคำตอบ   delete ลบคำตอบ 436384

คำตอบที่ 4
       เคยเป็นครับ...สวิทช์ไฟหน้า อย่างท่านต้นมะลิ...ดูก่อนรื้อ (อาจมีมือดีหมุนเล่น)



 แสดงความคิดเห็นย่อย แสดงความคิดเห็นย่อย

เดชระกานอกเดชระกานอก จาก เดชระกานอก 115.67.72.10 จันทร์, 31/8/2552 เวลา : 20:51   

edit แก้ไขคำตอบ   delete ลบคำตอบ 436489

คำตอบที่ 5
       ลองแล้วครับ บิดปุ่มไฟ แล้วใส่ฟิว ก็ไม่หาย แต่ปุ่มข้างประตูนี้ลองกดไล่ทีละตัวก็ไม่ดับ ยังไม่อยากรื้อ ไม่ทราบว่านอกจากฟิวในห้องเครื่องแล้ว ระบบไฟในห้องเก๋งนี่ มีมีรีเลย์หรืออะไรอีกหรือเปล่าครับพี่ ๆ



 แสดงความคิดเห็นย่อย แสดงความคิดเห็นย่อย

bangrakbangrak จาก กีกี้(KeKe) 58.181.143.183 อังคาร, 1/9/2552 เวลา : 10:16   

edit แก้ไขคำตอบ   delete ลบคำตอบ 436614

คำตอบที่ 6
       หายไวๆนะ.........ครับบบบบบบบบ



 แสดงความคิดเห็นย่อย แสดงความคิดเห็นย่อย

somkiat จาก เสือโหย 202.149.25.225 อังคาร, 1/9/2552 เวลา : 15:58   

edit แก้ไขคำตอบ   delete ลบคำตอบ 436709

คำตอบที่ 7
       มาแชร์ประสพการณ์ครับ คือผมจะทำสวิทตัดไฟ(สายดิน) ในรถ แต่เผอิญทำสายไฟขาดทำให้ไฟเลี้ยวค้างไม่กระพริบ จึงทำการต่อสายไฟ ไฟเลี่ยวก็กระพริบตามปกติ แต่มาสั้งเกตุเห็นว่าไฟในห้องโดยสารไม่ติดอีก จึงเช็คฟิวส์ปรากฏว่าฟิวส์ขาดไปหนึ่งตัว เลยทำการเปลี่ยนฟิวส์ ปรากฏว่าไฟในห้องโดยสายติด แต่ไฟไม่ตับเมื่อปิดประตู เลยทำการเช็คสายไฟอีกครั้ง จึงพบว่าสายไฟขาดไปอี 1 เส้น เมือทำการตอสายไฟ ๆ ในห้องโดยสารก็ดับเป็นปกติ คุณKe Ke ลองเช็คสายไฟดูนะครับ อาจจะเป็นเพราะสายไฟขาดก็ได้



 แสดงความคิดเห็นย่อย แสดงความคิดเห็นย่อย

spnvtdang จาก DNA JeeP 125.25.107.87 อังคาร, 1/9/2552 เวลา : 22:10   

edit แก้ไขคำตอบ   delete ลบคำตอบ 436786

คำตอบที่ 8
       ไชโย ไฟในห้องเก๋งดับแล้ว ตอนเช้าเวลา ประมาณ 9.00 น. ดีใจมาก เกิดจากไปขยับตัวเซนเซอร์ไฟห้องเก๋งดวงที่ 5 ด้านท้าย ดีใจอยู่ได้กี่ชั่วโมงไม่กล้านับ ตอนเย็นไปรับลูกกลับบ้าน ถึงประมาณ 1 ทุ่ม เอาอีกคันออก ปรากฎว่าไฟรถจีปในห้องเก๋ง ติดอีกเลย นึกว่าผีหลอก ลองขยับ ๆ ปุ่มตรงตนขับ หายปกติด ประมาณ 2 ทุ่ม ไปจ่ายค่าไฟร้านสะดวกซื้อ ก่อนออกเหลือบดูไฟจีป ไม่ติด ขากลับมาปรากฎว่าผีหลอกอีก มันติดอีกแล้ว ตัดสินใจว่าอย่างนี้ไม่ได้การล่ะ ถอดฟิวมันซะเลย ไม่งั้นพรุง่นี้มีพ่วงแบตแน่ สรุป ยังไม่หายดีครับผม ยังต้องแก้ไขต่อไป...นอนดีกว่า



 แสดงความคิดเห็นย่อย แสดงความคิดเห็นย่อย

bangrakbangrak จาก keke 111.84.1.93 พุธ, 2/9/2552 เวลา : 21:28   

edit แก้ไขคำตอบ   delete ลบคำตอบ 437175

คำตอบที่ 9
       งงดีแท้



 แสดงความคิดเห็นย่อย แสดงความคิดเห็นย่อย

bangrakbangrak จาก nui 111.84.1.93 พุธ, 2/9/2552 เวลา : 21:30   

edit แก้ไขคำตอบ   delete ลบคำตอบ 437178

คำตอบที่ 10
       ชุดควบคุมไฟในเก๋งของ XJ 4.0 เหลี่ยม จะถูกควบคุมโดยชุดแผงอุณหภูมิครับ ถอดน็อตบนเพดาน ด้านหน้า ใกล็กระจกมองหลัง ออกตัวเดียว ขยับตัวคอนโซนไปด้านหลัง เพื่อถอดชุดคอนโซนและขยับปลั๊กสีขาวด้านหน้าเล็กน้อย จากนั้นทดสอบโดยการเข้าไปในรถปิดประตูแล้วบิดสวิทซ์กุญแจเตรียมสตาร์ท ไฟในเก๋งจะต้องดับ บิดกุญแจ Off เปิดประตูไฟในเก๋งต้องติดครับ จากนั้นปิดประตูไฟจะหน่วงเวลาประมาณ 25 วินาที จากนั้นไฟในเก๋งต้งดับ เป็นอันสมบูรณ์ครับ ถ้ายังใช้ไม่ได้โทรมาครับ 081-621025



 แสดงความคิดเห็นย่อย แสดงความคิดเห็นย่อย

ต้นJUC3123 จาก ต้นJUC3123 110.49.153.90 พุธ, 2/9/2552 เวลา : 21:42   

edit แก้ไขคำตอบ   delete ลบคำตอบ 437186

คำตอบที่ 11
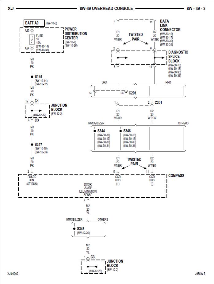
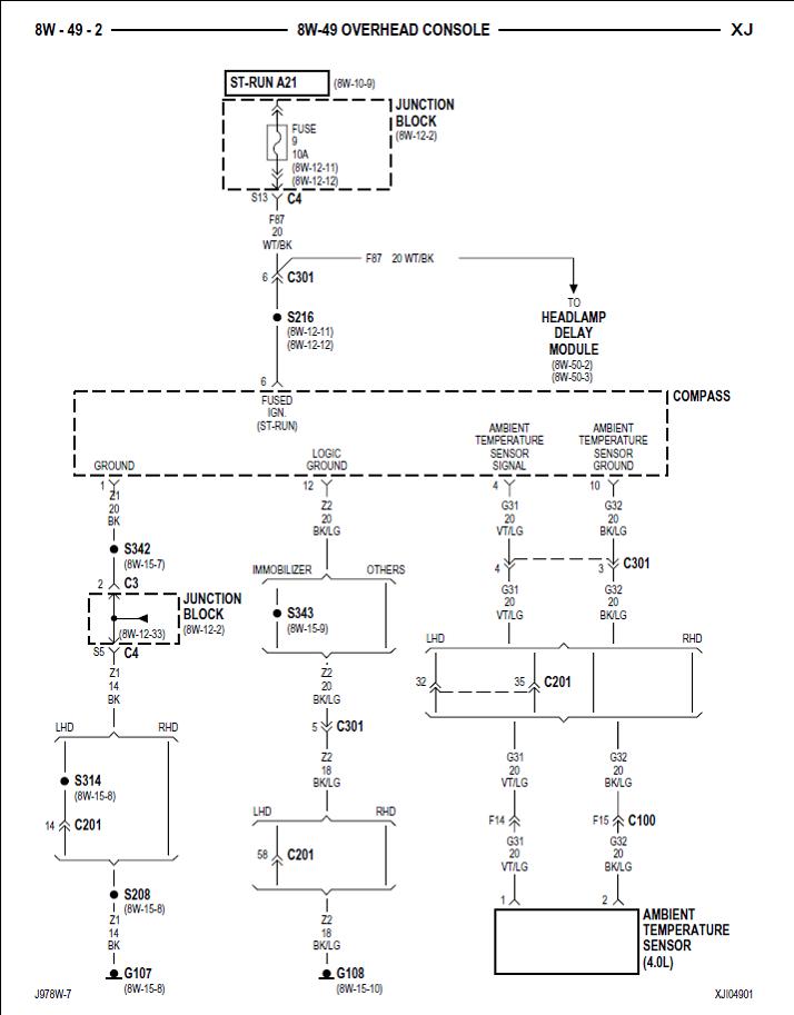
       วงจรตามนี้นะครับ XJ4.0 1997





 แสดงความคิดเห็นย่อย แสดงความคิดเห็นย่อย

ต้นJUC3123 จาก ต้นJUC3123 110.49.54.218 พุธ, 2/9/2552 เวลา : 22:08   

edit แก้ไขคำตอบ   delete ลบคำตอบ 437206

คำตอบที่ 12
       อีกรูปนึงครับ





 แสดงความคิดเห็นย่อย แสดงความคิดเห็นย่อย

ต้นJUC3123 จาก ต้นJUC3123 110.49.54.218 พุธ, 2/9/2552 เวลา : 22:09   

edit แก้ไขคำตอบ   delete ลบคำตอบ 437209

คำตอบที่ 13
       ถ้าเขียนวงจรง่ายๆก็ประมาณนี้น่ะครับ ตามที่ผมอธิบายครับ
สรุป
1.ปลั๊กสีขาวอาจจะหลวมหรือกราวน์ไม่แน่น
2. หน้าสัมผัสที่สวิทซ์ประตูเสียก็เป็นไปได้ครับ ลองใช้น้ำยาล้างคอนแทคฉีดดูก็ได้






 แสดงความคิดเห็นย่อย แสดงความคิดเห็นย่อย

ต้นJUC3123 จาก ต้นJUC3123 110.49.54.218 พุธ, 2/9/2552 เวลา : 22:17   

edit แก้ไขคำตอบ   delete ลบคำตอบ 437217

คำตอบที่ 14
       ขอบพระคุณอย่างสูง คุณต้นJUC3123 ผมจะลองถอดวันเสาร์นี้ ได้ผลอย่างไรจะโทรแจ้งครับ....



 แสดงความคิดเห็นย่อย แสดงความคิดเห็นย่อย

bangrakbangrak จาก กีกี้(KeKe) 58.181.143.183 ศุกร์, 4/9/2552 เวลา : 14:06   

edit แก้ไขคำตอบ   delete ลบคำตอบ 437709

คำตอบที่ 15
       ลองถอดและขยับดูแล้วครับ พร้อมทั้งถอดสวิตตรงประตูด้านคนขับ มาดู และลองขยับ ๆ ดู เวลาเราเปิดประดูมีเสียงดัง ตึง ๆ ๆ ๆ ๆ ก็ปกติ แต่ไฟในห้องเก๋ง ก็ติดเหมือนเดิม คงต้องรบกวนคุณต้นJUC3123 แล้วล่ะครับ เบอร์โทรที่ให้ไว้คิดว่าน่าจะผิด ......ถ้ายังใช้ไม่ได้โทรมาครับ 081-621025 ....... ผมดูจากกระทู้ PM การซ่อมแผงอุณหภูมิ XJ เหลี่ยม น่าจะเป็นเบอร์นี้ ขออนุญาตโทรเลยนะครับ 081-6281025




 แสดงความคิดเห็นย่อย แสดงความคิดเห็นย่อย

bangrakbangrak จาก กีกี้(KeKe) 58.181.143.183 จันทร์, 14/9/2552 เวลา : 10:34   

edit แก้ไขคำตอบ   delete ลบคำตอบ 439940

คำตอบที่ 16
       เดี๋ยวลองเอาแผงมาซ่อมดูก่อนนะครับ เพราะชุดนี้เป็นชุดควบคุม แล้วถ้ากลับไปใส่แล้วมีปัยหาค่อยแก้กันอีกทีครับ



 แสดงความคิดเห็นย่อย แสดงความคิดเห็นย่อย

ต้นJUC3123 จาก ต้นJUC3123 124.157.140.38 จันทร์, 14/9/2552 เวลา : 11:35   

edit แก้ไขคำตอบ   delete ลบคำตอบ 439962

คำตอบที่ 17
       ลองดูสวิย์ทที่ประตูดูอีกที ว่าม้นมีความยาวใกล้เคียงกันไม้ถ้ามีตัวใดตัวหนึ่งสั้นกว่า แสดงว่าสวิย์ทตัวนั้นมันรูดทำให้ต่อการทำงานตลอด ลองดูนะครับเผื่อใช่



 แสดงความคิดเห็นย่อย แสดงความคิดเห็นย่อย

อัมพวาอัมพวา จาก อัมพวา 203.153.187.34 จันทร์, 14/9/2552 เวลา : 16:13   

edit แก้ไขคำตอบ   delete ลบคำตอบ 440072

คำตอบที่ 18
       ถอดสวิทช์ตัดกราวด์ประตุูออกที่ล่ะตัว แล้วปิดประตูอีกสามบานให้หมด ลองถอดไล่ไปท่ีล่ะบาน ถอดออกจนหมด ถ้าติดอีก ถอดสกรูไขควงแฉกกาบข้างประตูด้านในออกให้หมด ไ่ม่ดับให้รู้ไปเลย อิอิ
ถ้าเป็นที่เกลียวปล่อย แสดงว่าเคยลื้อออกแล้วเกลียวปล่อยไปเจาะโดนสายไฟ ครับ ดึงปลั๊กไฟหลังแผงลำโพงออกด้วยครับ



 แสดงความคิดเห็นย่อย แสดงความคิดเห็นย่อย

ช่างดอยช่างดอย จาก ช่างดอย 202.149.25.234 พุธ, 16/9/2552 เวลา : 15:04   

edit แก้ไขคำตอบ   delete ลบคำตอบ 441041

คำตอบที่ 19
       เคยเป็นอย่างที่ว่าแล้วหายเท่าไรก็ไม่เจอ ในที่สุดก็พบ ที่แผงสายไฟที่อยู่บนหัวเรานั่นเอง มันช๊อคกันจนไหม้ เห็นว่าน่าจะตอนที่ไม่ทำหลังคามานั่นเอง ตอนนี้ต้องวายสายใหม่เรียบร้อยแล้ว หายขาด ยังเคยถ่ายรูปมากะว่าจะมาลงให้เพื่อนๆ ทราบให้ตรวจสภาพกันบ้าง หรือใครที่เคยทำหลังคามาก็เช็คกันบ้างก็ดีนะครับ



 แสดงความคิดเห็นย่อย แสดงความคิดเห็นย่อย

suchatrasuchatra จาก ดิว 61.19.210.250 พฤหัสบดี, 17/9/2552 เวลา : 17:24   

edit แก้ไขคำตอบ   delete ลบคำตอบ 441404

คำตอบที่ 20
       ยังไม่ต้องทำอะไรกับไฟเก๋ง หลังจากถอดฟิวมาสักพัก ลองไส่ดู ปรากฎว่ามันทำงานเหมือนเดิมแล้วครับท่าน สรุปแล้วผมว่ารถผมมันผีหลอกมั้ง แต่ก็ยังไม่รู้สาเหตุอยู่ดี ขอบคุณท่าน JUC3123 อย่างมาก ที่แนะนำแผงวงจรและจะซ่อมแผงอุณหภูมิให้ แต่คงต้องใช้ไปก่อนเพราะมันหายเอง ผมล่ะโคตรๆๆๆๆ งง มากๆๆๆๆ เลย............................ ขอบคุณทุกท่านที่แนะนำ



 แสดงความคิดเห็นย่อย แสดงความคิดเห็นย่อย

bangrakbangrak จาก กีกี้(KeKe) 58.8.95.92 เสาร์, 3/10/2552 เวลา : 13:22   

edit แก้ไขคำตอบ   delete ลบคำตอบ 445341

      

คำตอบแบ่งหน้าละ 30 คำตอบ ขณะนี้คุณอยู่ที่หน้า 1 จาก >>> 1  



website รองรับการใช้งานทุกระบบปฏิบัติการของ PC Tablet SmartPhone ทุกระบบสามารถโพสข้อความและรูปภาพได้โดยไม่ต้องย่อไฟล์
เพื่อความปลอดภัยในการใช้ website WeekendHobby.Com สมาชิก เท่านั้น จึงจะตั้งกระทู้ หรือ ตอบกระทู้ได้ครับ
Login Click ที่นี่
สมัครสมาชิก Click ที่นี่



Since 22, Feb 2001 hit counter View My Stats  Truehits.net      วันอาทิตย์,8 กุมภาพันธ์ 2569 (Online 2050 คน)