WeekendHobby.com
เครื่องมือในการใช้งาน website =>> สมัครสมาชิก | Login | Logout | เปลี่ยนไอคอนส่วนตัว | เกี่ยวกับเรา | ติดต่อโฆษณา         View stat by Truehits.net


" เพื่อนพร้อม" .............คุยกัน..บทที่#17..........
rotee
จาก โรตี
124.122.156.36
พุธที่ , 4/8/2553
เวลา : 17:09

อ่านแล้ว = 10418 ครั้ง
 เก็บเข้ากระทู้ส่วนตัว
แจ้งตรวจสอบกระทู้
 แจ้งลบ
ส่งหาเพื่อน ส่งหาเพื่อน

       จากบทที่แล้วมา http://www.thailandoffroad.com/jeep/board/Question.asp?ID=42567






 แสดงความคิดเห็นย่อย แสดงความคิดเห็นย่อย

แจ้งเพื่อเก็บขึ้นกระทู้พิเศษ คลิ๊กที่นี่แจ้งเพื่อนำขึ้นกระทู้พิเศษ

คำตอบแบ่งหน้าละ 30 คำตอบ ขณะนี้คุณอยู่ที่หน้า 3 จาก >>> 1  2  3  4  5  6  7  

คำตอบที่ 61
       ไวไว 411 เป็นอย่างไรบ้าง
เห็นโปรแกรมพี่ต้นแล้ว



 แสดงความคิดเห็นย่อย แสดงความคิดเห็นย่อย

golf2858 จาก กอล์ฟZJ 110.164.89.14 จันทร์, 9/8/2553 เวลา : 23:13   

edit แก้ไขคำตอบ   delete ลบคำตอบ 522739

คำตอบที่ 62
       รายงานผล 411 ครับ วิ่งดีครับ ปีดปาดดีเลย แต่ใส่ วาย ไป เพลาสั่นกลับมาอีกแล้ว





 แสดงความคิดเห็นย่อย แสดงความคิดเห็นย่อย

ไวไว จาก ไว ไว 124.121.184.151 จันทร์, 9/8/2553 เวลา : 23:38   

edit แก้ไขคำตอบ   delete ลบคำตอบ 522743

คำตอบที่ 63
       หวัดดีครับพี่ลอฟท์..โอยยย...ๆ ที่ปาดน่ะไม่ใช่เหงื่อนะครับ มันคือน้ำตาครับ รถใต่ขึ้นเนินไม่ไหวไม่ว่า แต่เสื้อผ้าเลอะโคลนนี่ท่าทางจะตกที่นั่งลำบากทั้งคนทั้งรถอ่ะ แต่ขอโทษระดับนี้กลัวที่ไหนซักสะอาดเรียบร้อยทีสาขา1 ก่อนกลับเข้าบ้านแล้ววววว
ม้าศึกเพื่อนพร้อมท่าทางจะเฟิร์มๆกันหมดทุกคันแล้ว
พี่ต้นมะลิเฟืองใหม่เฟี๊ยวฟ้าวว....ไวไว-กอล์ฟวายลิ้งค์กริ๊บๆ....

กอล์ฟ สูบ1สูบ6 ลาพักร้อนกลับมาหรือยัง?

พี่ปล้ำขาวอวบสูบ3สูบ4 ลาป่วย หายดีหรือยังพี่



 แสดงความคิดเห็นย่อย แสดงความคิดเห็นย่อย

jeep1911 จาก อุดมจด. 203.150.200.253 อังคาร, 10/8/2553 เวลา : 11:29   

edit แก้ไขคำตอบ   delete ลบคำตอบ 522855

คำตอบที่ 64
       พี่ดม กันโลเลอร์เจอแล้วพี่ เหมือนของ ติดกันชนที่พี่เอาออกไปนะครับ
เปลี่ยนยางเแท่นเกียร์ก่อน เด้อ ไวไว ขาดไม่มีชิ้นดีแล้ว



 แสดงความคิดเห็นย่อย แสดงความคิดเห็นย่อย

วัวแดง จาก วัวแดง 124.122.35.123 อังคาร, 10/8/2553 เวลา : 11:42   

edit แก้ไขคำตอบ   delete ลบคำตอบ 522859

คำตอบที่ 65
       +++พี่หนุ่ยมาเอง มีแฟร์ลีดที่เป็นอลูมิเนียมเหลือใช่บ้างป่าวครับ +++

+++พี่อุดม จด สูบ 3-4 กลับมาทำงานเป็นปกติแล้วครับ หมดไป 3 พันกว่า +++

+++วายลิง ox +++



 แสดงความคิดเห็นย่อย แสดงความคิดเห็นย่อย

plum จาก ป.ปล้ำ 125.26.156.55 อังคาร, 10/8/2553 เวลา : 11:58   

edit แก้ไขคำตอบ   delete ลบคำตอบ 522867

คำตอบที่ 66
       เปลี่ยนแล้วครับ พี่หนุ่ย เมื่อวาน ที่โอเล่ ดีขึ้นกว่าเก่าเยอะครับพี่ สภาพยางดูไม่ได้จริงๆครับ ถอดออกมายางกะเหล็กแยกออกไปคนละทาง เลยครับ



 แสดงความคิดเห็นย่อย แสดงความคิดเห็นย่อย

ไวไว จาก ไว ไว 124.120.20.204 อังคาร, 10/8/2553 เวลา : 12:11   

edit แก้ไขคำตอบ   delete ลบคำตอบ 522870

คำตอบที่ 67
       เปิดลงทะเบียนเลย มะ พี่ชา......งานนี้ สาขา 2 เป็นแม่งานเลย

ไม่ต้องดีกว่า อาหาร ขาด เดินไปปากซอย......เกิน เทให้หมาในซอยกิน.......นะนะนะนะ


วันนี้ จา โหลดไอ้ลิลง ซัก นิ้ว.....ชักสูงไปกันใหญ่..........

หาคนช่วยนะ.....ตอนนี้ ไม่ฉะบาย...........



 แสดงความคิดเห็นย่อย แสดงความคิดเห็นย่อย

xj4.56 จาก ต้นมะลิ 1.46.26.2 อังคาร, 10/8/2553 เวลา : 12:32   

edit แก้ไขคำตอบ   delete ลบคำตอบ 522874

คำตอบที่ 68
       มาแสดงความยินดี ...........น้าหมอกดำหาสาเหตุรถไม่ติด งานเข้าไฟรวนได้แล้ว....สายกราวน์หลุด





 แสดงความคิดเห็นย่อย แสดงความคิดเห็นย่อย

loft60-84 จาก Loft60-84 61.91.73.21 อังคาร, 10/8/2553 เวลา : 13:22   

edit แก้ไขคำตอบ   delete ลบคำตอบ 522885

คำตอบที่ 69
       ต้องรอให้น้าหมอดมาถ่ายทอดพลังค้นหามา 2 วันถึงจึงจะเจอ ต้นแหตุ....อิอิ ไปทำ แอร์มาก็ระวังมากๆๆๆ เด้อ

มองก็ไม่ค่อยเห็น คลำก็ทำยาก 5555





 แสดงความคิดเห็นย่อย แสดงความคิดเห็นย่อย

loft60-84 จาก Loft60-84 61.91.73.21 อังคาร, 10/8/2553 เวลา : 14:02   

edit แก้ไขคำตอบ   delete ลบคำตอบ 522904

คำตอบที่ 70
       แฉะๆๆๆ เหนื่อยๆๆๆ และ หิวๆๆๆ





 แสดงความคิดเห็นย่อย แสดงความคิดเห็นย่อย

loft60-84 จาก Loft60-84 61.91.73.21 อังคาร, 10/8/2553 เวลา : 16:17   

edit แก้ไขคำตอบ   delete ลบคำตอบ 522956

คำตอบที่ 71
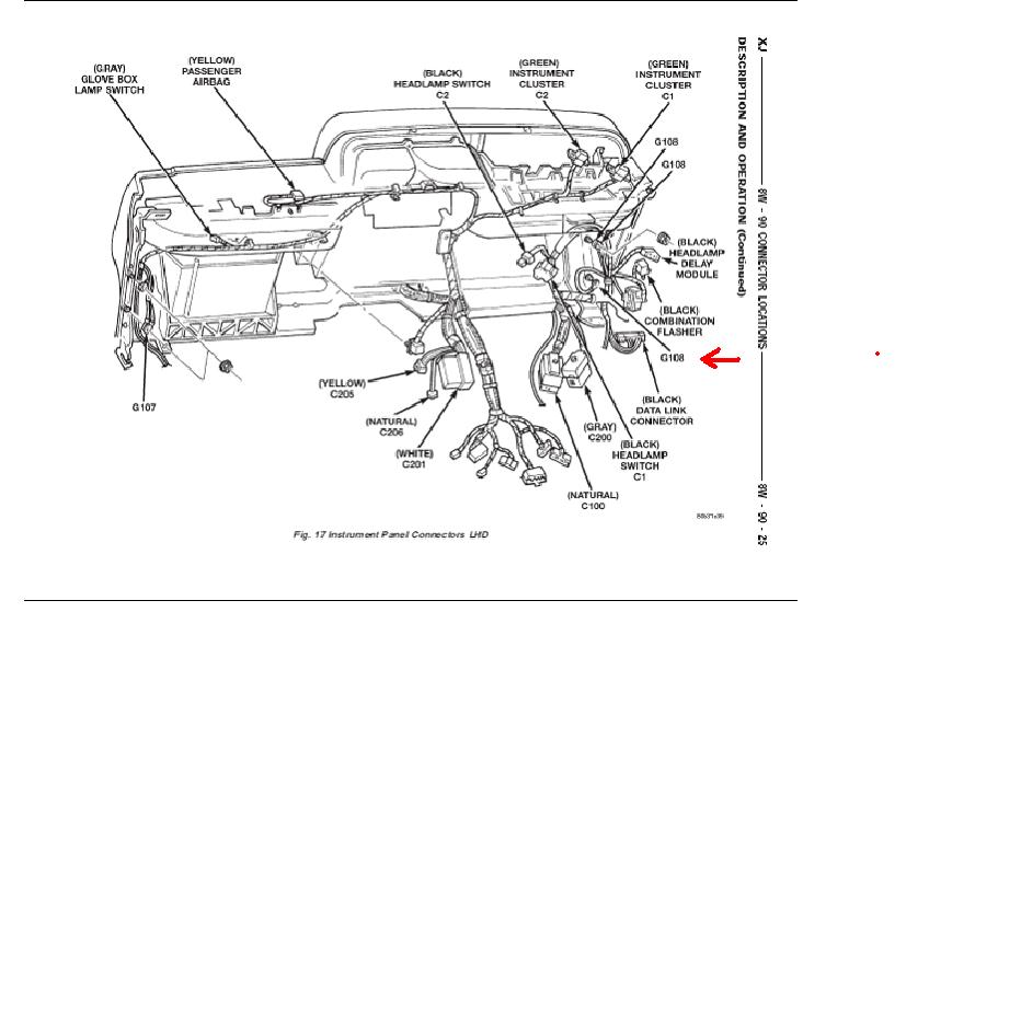
       จากอาการไฟรวนที่เกิดขึ้นหลังจากกลับมาจากบ่อดิน
1.HeadlampDelayModul ร้องคราง เป็นเฉพาะไฟหรี่
2.PowerOutLet ไม่มีไฟ
3.ไล่ฟ้าไม่ทำงาน
4.ที่ปัดน้ำฝนหลังไม่ทำงาน
5.รีโมทกดเปิดไม่ได้
6.ไฟ security ไม่ขึ้น
7.Acc โหมด เปิดเพลงแล้ว HeadlampDelayModul ร้อง
8.ไฟเลี่ยวไม่ติด แต่ที่หน้าปัดไม่สัญญาณแต่เร็วกว่าปกติ
จิงๆมีเยอะกว่านี้แต่ลิสไม่หมด

คุยกะพี่ล๊อฟแล้วก็ได้พี่สมคิด เข้ามาช่วยคิด
พอได้ข้อมูลจากพี่สมคิดก็ไปปรึกษาพี่ชา แกขออาการของจุดเกิดเหตทั้งหมด
พอแกได้ข้อมูลก็ไปไล่วายริ่งให้ 1 คืน

เช้าโทรมาบอกให้ไปดูกราว 7 กับ 8 ผมก็มุดดู ปรากฏว่าสายกราวแน่นดีทุกจุด เลยกวดเข้าไปอีก แล้วลอง

รอบแรกเหมือนเดิม ปวดหัวตุ๊บเลย แล้วมุดเข้าไปดูกราวอีกรอบ ตาเหลือไปมองเห็นน๊อตที่ยึดคอนโซลตัวล่างติดกับแผงประตู

มองดูดีๆมันเหมือนขยับ เลยลองลูบคลำ อ้าว..มันหลวมนี่นา เลยลองขันกวดเข้าไป แล้วลอง

คราวนี้เนียนเลยครับ ทุกอย่างกลับเข้าที่ เข้าร่องรอยของมันเปี๊ยบ

เนียนสุดๆ

ทั้งหมดทั้งมวลอาจเกิดจากการรื้อทำแอร์แล้วใส่น๊อตไม่แน่น หลังจากนั้นมันก็ค่อยๆถอน

กราวไฟที่มันลงที่คอลโซล แล้วมันควรจะลงต่อไปที่ตัวถัง ก็เลยไม่ถึง กราวเลยไม่ครบ

ก็ฝากไว้เป็นข้อมูลครับ บางทีเราดูกราว ก็ควรจะดูด้วยว่ากราวนั้นเดินทางถึงตัวถังหรือปล่าว

จบ....(แบบแฮปปี้เอนดิ้งครับ)

ขอบคุณพี่ล๊อฟ พี่สมคิด และพี่ชาครับ
มะตอนสายผมโทรไปจะบอกว่าได้แล้ว แต่พี่ชาตัดบทผมว่างานเข้า ก็เลยไม่ได้บอก
รีบเข้ามาดูกระทู้นะพี่นะ จะได้ไม่ต้องปวดหัว



 แสดงความคิดเห็นย่อย แสดงความคิดเห็นย่อย

mork จาก หมอกดำ 124.122.210.246 อังคาร, 10/8/2553 เวลา : 16:43   

edit แก้ไขคำตอบ   delete ลบคำตอบ 522967

คำตอบที่ 72
       ยินดีไม่มีปัญหา.................5555

น้าสมคิดให้ผมโทรหาเมื่อวานเย็น...ว่า GND จุดนี้แหละน่าจะไม่ต่อได้ดี....





 แสดงความคิดเห็นย่อย แสดงความคิดเห็นย่อย

loft60-84 จาก Loft60-84 61.91.73.21 อังคาร, 10/8/2553 เวลา : 16:55   

edit แก้ไขคำตอบ   delete ลบคำตอบ 522969

คำตอบที่ 73
       สูบที่ลาพักร้อนตอนนี้กลับมาทำงานตามปกติแล้วครับพี่อุดม



 แสดงความคิดเห็นย่อย แสดงความคิดเห็นย่อย

golf2858 จาก กอล์ฟZJ 110.164.89.14 อังคาร, 10/8/2553 เวลา : 18:48   

edit แก้ไขคำตอบ   delete ลบคำตอบ 522987

คำตอบที่ 74
       พี่น้ำดำเก้าฮี้จัดส่งไปแล้วนะครับ หมดกันแล้วใช่ป่าวครับเก้าฮี้ โล่งอกซะทีหนึ่ง



 แสดงความคิดเห็นย่อย แสดงความคิดเห็นย่อย

ไวไว จาก ไว ไว 110.168.35.49 อังคาร, 10/8/2553 เวลา : 20:03   

edit แก้ไขคำตอบ   delete ลบคำตอบ 522998

คำตอบที่ 75
       เอามาฝากไวไวhttp://www.weekendhobby.com/thai2market/Question.asp?ID=12134&group=offroad



 แสดงความคิดเห็นย่อย แสดงความคิดเห็นย่อย

golf2858 จาก กอล์ฟZJ 110.164.89.14 อังคาร, 10/8/2553 เวลา : 22:56   

edit แก้ไขคำตอบ   delete ลบคำตอบ 523058

คำตอบที่ 76
       คงโล่งอกได้ไม่พอเดือนหละจ้ะ... ลุงดมเพิ่งเปลี่ยนที่เดือยหมูหน้าไป 2 ตับเองงงงง...ยังมีอีกเป็นกล่องๆ ล่าสุดที่จานชาเอามาแย้มๆ แบบขนาดพิเศษบานเป็นกระด้งๆเชียวจ้าพี่น้องงงงงงง



 แสดงความคิดเห็นย่อย แสดงความคิดเห็นย่อย

jeep1911 จาก อุดมจด. 58.9.111.29 อังคาร, 10/8/2553 เวลา : 22:56   

edit แก้ไขคำตอบ   delete ลบคำตอบ 523060

คำตอบที่ 77
       เอาไปอีไวไว http://www.weekendhobby.com/thai2market/Question.asp?ID=12134&group=offroad



 แสดงความคิดเห็นย่อย แสดงความคิดเห็นย่อย

golf2858 จาก กอล์ฟZJ 110.164.89.14 อังคาร, 10/8/2553 เวลา : 22:59   

edit แก้ไขคำตอบ   delete ลบคำตอบ 523061

คำตอบที่ 78
       หนับหนุนกันดีจิง เพื่อนเรานิ
มะไหร่กะไปแล้วได้ใช้ มาเอาที่บ้านไปใช้ได้นะครับทุกสถานี
ให้ยืมๆ ติดใจค่อยว่ากัน

พี่ต้นพุธเลิกงานกี่โมงพี่ ได้กะเวลาไปให้พอดีหน่อย ฝากพี่จาหาน้ำหล่อลื่นคนงานมาซัก 1.5 ลิตรนะพี่ เป็นสวัสดิการค่าแรงงาน



 แสดงความคิดเห็นย่อย แสดงความคิดเห็นย่อย

mork จาก หมอกดำ 124.122.210.246 อังคาร, 10/8/2553 เวลา : 23:38   

edit แก้ไขคำตอบ   delete ลบคำตอบ 523080

คำตอบที่ 79
       แก้ไขๆ
" ฝากพี่ชาหาน้ำหล่อลื่นคนงานมาซัก 1.5 ลิตรนะพี่ เป็นสวัสดิการค่าแรงงาน "



 แสดงความคิดเห็นย่อย แสดงความคิดเห็นย่อย

mork จาก หมอกดำ 124.122.210.246 อังคาร, 10/8/2553 เวลา : 23:38   

edit แก้ไขคำตอบ   delete ลบคำตอบ 523081

คำตอบที่ 80
       ไม่แก้ไขอีกทีเหรอหมอก.."4.5L" 1.5L ไม่น่าจะมี
หมอกติดว.แดงมาเผื่อๆด้วยน่ะ
อย่าลืมบวกของพี่ต้นไปอีก 1 ชุดใหญ่ 4 ตลับ หากไม่พอบอกได้น่ะพี่อุดม..มีเพื่อนเป็นนายสนาม น่าจะมีทุก Part Number
ไม่ต้องลงหรอกทะเบียน ใครใคร่มาก้อมา ไม่บังคับ ไม่บีบคั้น ไม่กดดัน โตๆกันแล้วพี่ ไม่มาก้อไม่ว่าแต่อาจจะขาดความร่วมมือ อาหารการกินตอนท่านมาเต็มที่กันไปเล้ยยยยยยย..ย ก่อนกลับกล่องแดงน่าจะมีพอเหลือหลายใบ
พี่พลพอจะเคลียร์ท่าเรือใกล้ๆไว้ Standby ให้แล้วครับ..จุกเสม็ด หรือสะพานปลาพอไหวไหมพี่
รอกทดจัดไปได้เลยราคานี้ น้อยกว่าของใหม่สิบพัน อาจจะเก่าเก็บ(รึเปล่า) หากยังหาถาดไม่ได้ก้อมาติดต่อแถวเนินกระปอกก่อนเข้าสาขา 2(น้ำริน) รูปแบบคงไม่ต้องลงให้ดู แต่ลวดลายพอสั่งได้..มาเลือกกะตัวเองเลยดีกั่ววววววววววววว..ว
อาการของลุงดมก้อไปๆมาๆเหมือนกัน ดูๆลู่ทางไว้ให้แล้วเหมือนกันอยากรู้จะเฉลยทริปนี้ ไม่กดดันเลยจิงๆลุงดมว่าต้องมา
พี่ปล้ำ..กอล์ฟ แก้ล่าง เอ๊ย แก้บนพร้อมกันเสาร์นี้เลยป่ะ พยานเยอะ



 แสดงความคิดเห็นย่อย แสดงความคิดเห็นย่อย

Jedi จาก Jedi 222.123.240.35 พุธ, 11/8/2553 เวลา : 00:05   

edit แก้ไขคำตอบ   delete ลบคำตอบ 523085

คำตอบที่ 81
       http://www.weekendhobby.com/thai2market/Question.asp?ID=10335&group=jeep
ความคิดเห็นที่ 3
1.
ฟิวส์ ตัวใหญ่ ราคา ตัวละ 20 บาท
ฟิวส์ ตัวเล็ก 5 ตัว ราคา 10 บาท
ฟิวส์ ตัวจิ๋ว ราคา ตัวละ 1 บาท
2.
sensor ฐานแบตเตอร์รี่ ราคา 300 บาท / 1 ตัว


หมอก..รบกวนดังนี้..จ่ายไปก่อนน่ะพรุ่งนี้ให้รวม550.-
1.ฟิวส์ ตัวใหญ่ ราคา ตัวละ 20 บาท
1.1.20A...2ตัว
1.2.30A...3ตัว
1.3.40A...4ตัว
1.4.50A...1ตัว
2.ฟิวส์ ตัวเล็ก 5 ตัว ราคา 10 บาท
2.1.20A...2ตัว
2.2.25A...3ตัว
3.ฟิวส์ ตัวจิ๋ว ราคา ตัวละ 1 บาท
3.1.10A...10ตัว
3.2.15A...10ตัว
3.3.20A...10ตัว
3.4.25A...10ตัว
4.sensor ฐานแบตเตอร์รี่ ราคา 300 บาท ... 1 ตัว



 แสดงความคิดเห็นย่อย แสดงความคิดเห็นย่อย

Jedi จาก Jedi 182.232.91.25 พุธ, 11/8/2553 เวลา : 01:03   

edit แก้ไขคำตอบ   delete ลบคำตอบ 523092

คำตอบที่ 82
       +++น้องหมอกดำ ถ้าจะไปหาหนูเอฝากเก็บฟิวส์ตัวบักเอป(ใหญ่สุด) 20/30/40/50/60 แอมป์ มาด้วย 2 ชุด รวม 10 ตัวๆละ 20 บาท รวมเป็นเงินทั้งสิ้น 200 บาท ราคานี้รวมค่าส่งแล้ว(ให้หอมแก้มทีนึง) +++

+++สาขา 2 อย่าเพิ่งน้อยใจ ไม่ติดอารายคงได้เห็นหน้ากัน +++



 แสดงความคิดเห็นย่อย แสดงความคิดเห็นย่อย

plum จาก ป.ปล้ำ 180.183.56.57 พุธ, 11/8/2553 เวลา : 07:08   

edit แก้ไขคำตอบ   delete ลบคำตอบ 523113

คำตอบที่ 83
       โรตี อย่าลืมเก็บล้อแลงเลอร์ ไว้ให้พี่ด้วยเด้อ แล้วบัญชีโอนตังค์ยังไม่ได้ส่งให้พี่เลยเด้อ



 แสดงความคิดเห็นย่อย แสดงความคิดเห็นย่อย

แจ็คโคราชjuc803 จาก แจ็ค โคราช Juc803 124.121.123.115 พุธ, 11/8/2553 เวลา : 08:42   

edit แก้ไขคำตอบ   delete ลบคำตอบ 523132

คำตอบที่ 84
       หายไปสองวัน การสื่อสารไร้สายไม่เอื้ออำนวยเท่าที่ควร
พี่อุดม ตาขาบ 35 เห็นแว้บๆอยู่ แถวกำแพงสิบหมื่น จะให้หอบหิ้วไปเลยมั๊ย ผ่านทุกเย็นศุกร์ กะจันทร์เช้า

ฝากสาขา 2 หนึ่งปากท้องครับ เดินทางพรุ่งนี้ เช้าๆๆ

ปล.เมื่อคืน โดน ตาขาบ จูเนียร์ เข้ามาเล่นงานถึงในห้องนอน สงสัยจะเป็นเนื่อคู่กัน



 แสดงความคิดเห็นย่อย แสดงความคิดเห็นย่อย

gunman จาก GUNMAN 210.246.146.129 พุธ, 11/8/2553 เวลา : 10:35   

edit แก้ไขคำตอบ   delete ลบคำตอบ 523184

คำตอบที่ 85
       ถ้า 4 เส้น 8500 เอามาเล้ยยยยยย น้องปืน..จ่ายสดๆ
ไอ้ตัวเล้กมาก่อน เดี๋ยวตัวเขื่องจะตามมาละ



 แสดงความคิดเห็นย่อย แสดงความคิดเห็นย่อย

jeep1911 จาก อุดมจด. 203.150.200.253 พุธ, 11/8/2553 เวลา : 11:11   

edit แก้ไขคำตอบ   delete ลบคำตอบ 523197

คำตอบที่ 86
       +++พี่อุดม จด ......อ.นิรันดร์ jlk มียางกูดเยียร์แรงเลอร์ 35 ขอบ 15 สภาพสวยอยากแลกกับ 33 สนใจป่าวครับ+++

+++ตอนนี้มีโช๊คหลัง 22 นิ้ว กับ 29 นิ้ว เหลือใช้อย่างละคู่สนใจแจ้งด้วยจาได้เอาใส่รถไว้+++



 แสดงความคิดเห็นย่อย แสดงความคิดเห็นย่อย

plum จาก ป.ปล้ำ 125.26.138.12 พุธ, 11/8/2553 เวลา : 11:15   

edit แก้ไขคำตอบ   delete ลบคำตอบ 523198

คำตอบที่ 87
       ถ้าตามมา เอา 22 ติดหลังรถมาดูหน้าตาคู่นึงพี่ปล้ำ



 แสดงความคิดเห็นย่อย แสดงความคิดเห็นย่อย

mork จาก หมอกดำ 115.67.128.5 พุธ, 11/8/2553 เวลา : 11:28   

edit แก้ไขคำตอบ   delete ลบคำตอบ 523204

คำตอบที่ 88
       พี่อุดม กะกอล์ฟโทรมามีอะไรรึปล่าวครับ สายซ้อนตั้งกะเช้าเลยไม่ได้รับ



 แสดงความคิดเห็นย่อย แสดงความคิดเห็นย่อย

mork จาก หมอกดำ 115.67.128.5 พุธ, 11/8/2553 เวลา : 11:36   

edit แก้ไขคำตอบ   delete ลบคำตอบ 523210

คำตอบที่ 89
       +++เรื่องหน้าตา ไม่สวยหรอกแต่ใช้งานได้ปกติหาสีสเปย์พ้นซักหน่อยก็คงจาสวยขึ้น ถ้าน้องหมอกจาเอาไม่คิดตังค์ มีเรื่องต้องรบกวนอีกเยอะ +++



 แสดงความคิดเห็นย่อย แสดงความคิดเห็นย่อย

plum จาก ป.ปล้ำ 125.26.138.12 พุธ, 11/8/2553 เวลา : 11:50   

edit แก้ไขคำตอบ   delete ลบคำตอบ 523215

คำตอบที่ 90
       ตะขาบๆๆๆๆ 16 Silver only ครับพี่ปล้ำ ขอบคุณหลายๆเด้อ
จานหมอกจะถามเรื่องอู่ว่าเค้าทำงานวันที่12 แน่หรือป่าว? ถ้าทำยังพอมีช่องใส่ตั้งเฟือง 488 ในวันที่ 13 อ่ะ..

เพราะของหมอกแค่ใส่ตั้งเฟืองหน้า บ่าวปืนใส่ตั้งแค่หลังกับเซ็ทชุดยก...น่าจะพอมีสเปซให้หนูแดงต่อท้ายกับเขาบ้าง..



 แสดงความคิดเห็นย่อย แสดงความคิดเห็นย่อย

jeep1911 จาก อุดมจด. 203.150.200.253 พุธ, 11/8/2553 เวลา : 12:10   

edit แก้ไขคำตอบ   delete ลบคำตอบ 523218

      

ยังมีคำตอบมากกว่านี้นะครับ คลิ๊กเพื่อดูหน้าถัดไป


คำตอบแบ่งหน้าละ 30 คำตอบ ขณะนี้คุณอยู่ที่หน้า 3 จาก >>> 1  2  3  4  5  6  7  



website รองรับการใช้งานทุกระบบปฏิบัติการของ PC Tablet SmartPhone ทุกระบบสามารถโพสข้อความและรูปภาพได้โดยไม่ต้องย่อไฟล์
เพื่อความปลอดภัยในการใช้ website WeekendHobby.Com สมาชิก เท่านั้น จึงจะตั้งกระทู้ หรือ ตอบกระทู้ได้ครับ
Login Click ที่นี่
สมัครสมาชิก Click ที่นี่



Since 22, Feb 2001 hit counter View My Stats  Truehits.net      วันอาทิตย์,8 กุมภาพันธ์ 2569 (Online 2608 คน)