WeekendHobby.com
เครื่องมือในการใช้งาน website =>> สมัครสมาชิก | Login | Logout | เปลี่ยนไอคอนส่วนตัว | เกี่ยวกับเรา | ติดต่อโฆษณา         View stat by Truehits.net


บทที่45 "เพื่อนพร้อม" มิตรภาพไทย-ญี่ปุ่น-ร่มโพธิ์์ ย้อนรอยเทพดำสะออน
jeep1911
จาก อุดมจด.
58.97.125.35
พุธที่ , 12/12/2555
เวลา : 15:27

อ่านแล้ว = 16792 ครั้ง
 เก็บเข้ากระทู้ส่วนตัว
แจ้งตรวจสอบกระทู้
 แจ้งลบ
ส่งหาเพื่อน ส่งหาเพื่อน

       หลวมตัวทำกระทู้เค้าหมด ติดตามความเดิมบทที่ 44 ได้ที่ http://www.thailandoffroad.com/jeep/board/Question.asp?ID=46394






รายงานหัวหน้าชั้น เสาร์15 เข้าโป่งรอบใหญ่ 10.30น.เช้า ประมาณ 7 คัน จุดนัดพบที่โอเอซิส 9.09 น.ครับผ้ม
จาก : อุดมจด.(jeep1911) 12/12/2555 15:43:32 [58.97.125.35]
 แสดงความคิดเห็นย่อย แสดงความคิดเห็นย่อย

แจ้งเพื่อเก็บขึ้นกระทู้พิเศษ คลิ๊กที่นี่แจ้งเพื่อนำขึ้นกระทู้พิเศษ

คำตอบแบ่งหน้าละ 30 คำตอบ ขณะนี้คุณอยู่ที่หน้า 4 จาก >>> 1  2  3  4  5  6  7  

คำตอบที่ 91
       รักษาวินัย ใฝ่เรียนรู้ เพิ่มพูนปัญญา นำพาไทยสู่อาเซียน ...





อิสะลามากุน
จาก : anek(anek) 11/1/2556 20:39:16 [110.168.23.128]
 แสดงความคิดเห็นย่อย แสดงความคิดเห็นย่อย

juc 299_แสบ จาก แสบ@ม้านิล 125.25.105.76 ศุกร์, 11/1/2556 เวลา : 13:30   

edit แก้ไขคำตอบ   delete ลบคำตอบ 653649

คำตอบที่ 92
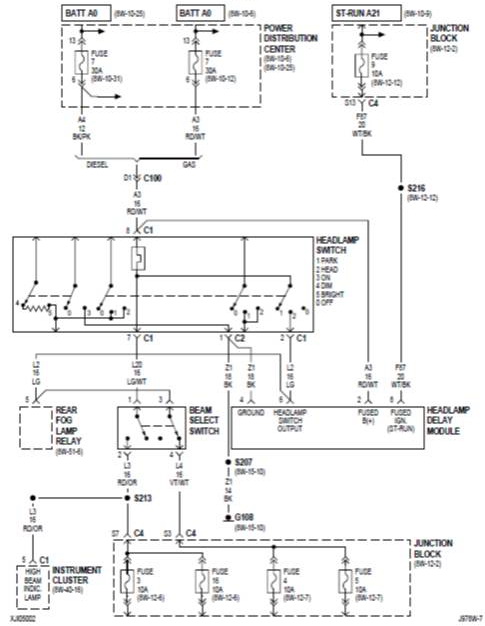
       ส่งการบ้าน .. ไฟต่ำ-สูง หน้ารถ
ส่วนประกอบ ...
- กล่องฟิวส์ห้องเครื่อง (POWER DISTRIBUTION CENTER) #7-30A
- สวิทช์ปิด-เปิด (HEADLAMP SWITCH)
- สวิทช์เลือกต่ำ-สูง (BEAM SELECT SWICH)
- กล่องฟิวส์ห้องโดยสาร (JUNCTION BOX)
- ไฟหน้ารถ (L-R HEAD LAMP)





แล้ว ไฟเสน่หา กะไฟราคะมันออกมาจากขั้วไหนครับจานชา
จาก : อุดมจด.(jeep1911) 12/1/2556 22:24:26 [58.9.48.164]
 แสดงความคิดเห็นย่อย แสดงความคิดเห็นย่อย

Jedi จาก Jedi 223.204.127.156 เสาร์, 12/1/2556 เวลา : 21:30   

edit แก้ไขคำตอบ   delete ลบคำตอบ 653772

คำตอบที่ 93
       ไฟต่ำ #4+#5 10A
ไฟสูง #3+#16 10A






 แสดงความคิดเห็นย่อย แสดงความคิดเห็นย่อย

Jedi จาก Jedi 223.204.127.156 เสาร์, 12/1/2556 เวลา : 21:33   

edit แก้ไขคำตอบ   delete ลบคำตอบ 653773

คำตอบที่ 94
       - กล่องฟิวส์ห้องโดยสาร (JUNCTION BOX)
ไฟต่ำ #4+#5 10A
ไฟสูง #3+#16 10A


+++ ตรวจสอบสายไฟจากขั้วไฟหน้าเดิมมายังชุดรีเลย์เพิ่มไฟหน้ารถด้วย +++





ขอบคุณคับ ว่างแล้วเดียวไล่อีกรอบ
จาก : rotee(rotee) 13/1/2556 11:23:11 [223.206.11.14]
เรียบร้อย ฟิวส์#4 ขาด หาตั้งนาน ขอบคุณคับพี่
จาก : rotee(rotee) 13/1/2556 18:56:39 [223.206.11.14]
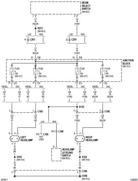
แสดงว่าไปเอาสัญญาณไฟต่ำ-สูงจากไฟหน้าข้างซ้าย (รึป่ะหว่า) ...
จาก : Jedi(Jedi) 14/1/2556 18:05:33 [223.204.7.182]
 แสดงความคิดเห็นย่อย แสดงความคิดเห็นย่อย

Jedi จาก Jedi 223.204.127.156 เสาร์, 12/1/2556 เวลา : 21:36   

edit แก้ไขคำตอบ   delete ลบคำตอบ 653774

คำตอบที่ 95
       ลุงโรจน์..สมป๋อย สบายดีมั้ยกร้าบบบ จะสองขวบแล้ว ...ผมอาลีฟ ก้อขวบครึ่งล่ะครับ ป๋านันไปเที่ยวเหนือเมื่อไร จะเยี่ยมหานะกร้าบบบบ





อุ้ย..โทษทีกร้าบบบพิมพ์ตก....ส้มป๋อย คนสวย อิอิอิ
จาก : juc 299_แสบ(juc 299_แสบ) 14/1/2556 8:03:57 [125.25.103.13]
สวัสดีค่ะ พี่อาลีฟ น้องส้มป่อยเพิ่งผ่าน 10 เดือนเอง มาเหนือเมื่อไหร่แวะมาได้ค่ะ
จาก : rotee(rotee) 14/1/2556 13:58:33 [223.206.11.14]
อ้าว..น้องส้มป๋อย เกิดปีไหน ไม่ใช่ปีเถาะหรือ
จาก : juc 299_แสบ(juc 299_แสบ) 14/1/2556 15:50:35 [125.25.127.24]
นึกออกแล้ว.น้องส้มป๋อย มะโรงต้นปีที่ผ่านมาเอง ทำไมเหมือนไม่ได้เจอกันนานมาก
จาก : juc 299_แสบ(juc 299_แสบ) 14/1/2556 16:02:01 [125.25.127.24]
 แสดงความคิดเห็นย่อย แสดงความคิดเห็นย่อย

juc 299_แสบ จาก แสบ@ม้านิล 125.25.103.13 จันทร์, 14/1/2556 เวลา : 07:58   

edit แก้ไขคำตอบ   delete ลบคำตอบ 653901

คำตอบที่ 96
       โอ้ ไปไหนกัน บ้านว่างจัง.....ตอนนี้ ใกล้ บรรลุโสดาบันและ...........



เค้าไปกดแป้นคีบอร์ดมือถือคุยกันหมดแล้ว...
จาก : plum(plum) 16/1/2556 19:41:16 [171.5.128.212]
 แสดงความคิดเห็นย่อย แสดงความคิดเห็นย่อย

xj4.56 จาก ต้นมะลิ 182.52.55.115 พุธ, 16/1/2556 เวลา : 19:18   

edit แก้ไขคำตอบ   delete ลบคำตอบ 654292

คำตอบที่ 97
       ผู้ใหญ่ ผู้โต ออกมากันพร้อมหน้า
เวลาจากนี้ไปอีกพอสมควร ขอถือโอกาสนัดหมายเลยล่ะกัน ...
ปลายเดือนหน้า เดือนแห่งความรัก มีวันหยุดพัก 3 วันติด ๆ
จะขอร่วมแรงร่วมใจทำบุญพร้อมหน้าพร้อมตากัน (ให้มากที่สุด) อีกสักครา

ท่านใดติดภารกิจใด ๆ หรือมีนัดใด ๆ ก้อขอให้เคลียร์กันแต่เนิ่น ๆ เวลายังมีพอ
3 Aniversary เริ่มเก่า ขอพร้อม ๆ สักที ก่อนจะมีเวอร์ชั่นใหม่ (หรือไม่)






เสื้อตัวนี้ ปลอม งะ
จาก : xj4.56(xj4.56) 16/1/2556 21:03:11 [182.52.55.115]
บุญอีหยัง
จาก : plum(plum) 16/1/2556 22:17:29 [171.5.128.212]
เพ็ญเดือนสามคับปาหลัด .. หาสถานที่แบบให้คนทางสกลฯมาได้ด้วยดิ !!!
จาก : Jedi(Jedi) 16/1/2556 22:46:28 [171.4.196.35]
โป้ง..จอด เข้าเป้าวันทำงานเร้ยยย..ใช้พักร้อนถึง 3
จาก : juc 299_แสบ(juc 299_แสบ) 17/1/2556 8:13:14 [125.24.84.174]
สรุปวันที่23,24,25 ก.พ.เลยนะพี่ชาจะได้เตรียมลูกและเมียให้พร้อม
จาก : golf2858(golf2858) 17/1/2556 10:07:07 [124.121.45.207]
Goooooooooooooo .. o
จาก : Jedi(Jedi) 17/1/2556 20:12:53 [171.5.37.46]
 แสดงความคิดเห็นย่อย แสดงความคิดเห็นย่อย

Jedi จาก Jedi 171.4.196.35 พุธ, 16/1/2556 เวลา : 20:43   

edit แก้ไขคำตอบ   delete ลบคำตอบ 654299

คำตอบที่ 98
       พร้อมแล้วที่จะลุย (ถูกลาก อิ ๆ ๆ)
ร้อยน๊อตทุกตัว ตามรู ของตัวถัง (กลัวกันชนหาย)





R เรเซอร์ของปลอมเลียนแบบ แท้ต้องสติกเกอร์ .. ขอบอก ______________ 5 +
จาก : Jedi(Jedi) 17/1/2556 22:03:15 [171.5.37.46]
 แสดงความคิดเห็นย่อย แสดงความคิดเห็นย่อย

anek จาก EcuOriginalJeep 110.168.21.59 พฤหัสบดี, 17/1/2556 เวลา : 20:58   

edit แก้ไขคำตอบ   delete ลบคำตอบ 654384

คำตอบที่ 99
       กลัวขาด ( เสริมด้วยแหวนรองน๊อตลูกปืนล้อ 2 ชั้น )





รุ่นพัฒนา (แล้ว) มาพร้อมคุณภาพ !!!
จาก : Jedi(Jedi) 17/1/2556 22:04:13 [171.5.37.46]
 แสดงความคิดเห็นย่อย แสดงความคิดเห็นย่อย

anek จาก EcuOriginalJeep 110.168.21.59 พฤหัสบดี, 17/1/2556 เวลา : 21:01   

edit แก้ไขคำตอบ   delete ลบคำตอบ 654385

คำตอบที่ 100
       หมอก..สอยมาหมดเลยนะ จัดมาด่วน ๆ สำหรับกลุ่มเพื่อนพร้อมของแท้ราคาถูกมีจำนวนจำกัด 55+





ขออภัย รูปนี้ลงผิดครับ กะว่าลงในบอร์ซื้อ ขาย ดึงมาผิด รูปล่าง จากเวป4W ฝากพี่ดม จด ลบด้วย โทษ ๆ
จาก : เอนก(anek) 18/1/2556 5:57:30 [110.168.21.59]
 แสดงความคิดเห็นย่อย แสดงความคิดเห็นย่อย

anek จาก EcuOriginalJeep 110.168.21.59 ศุกร์, 18/1/2556 เวลา : 05:43   

edit แก้ไขคำตอบ   delete ลบคำตอบ 654400

คำตอบที่ 101
       จะมาชุบชีวิต ชุดนี้สักหน่อย ตอนนี้มันตาย ด้าน ขาแข็งไปแล้ว





 แสดงความคิดเห็นย่อย แสดงความคิดเห็นย่อย

anek จาก EcuOriginalJeep 110.168.21.59 ศุกร์, 18/1/2556 เวลา : 05:48   

edit แก้ไขคำตอบ   delete ลบคำตอบ 654401

คำตอบที่ 102
       มีเวลาว่าง ๆ หมั่นถอดรื้อ ล้าง อัดจาระบี บ้างนะครับ
เดี๋ยวรถะเข้าทรงไม่รู้ด้วย...





 แสดงความคิดเห็นย่อย แสดงความคิดเห็นย่อย

anek จาก EcuOriginalJeep 110.168.21.59 ศุกร์, 18/1/2556 เวลา : 05:52   

edit แก้ไขคำตอบ   delete ลบคำตอบ 654402

คำตอบที่ 103
       แอบฟัง 2.5 เค้าคุยกัน ถ้าไปที่นี่ ยอมเสียพักร้อน 3 วัน





ที่ไหนครับพี่
จาก : gunman(gunman) 21/1/2556 8:41:05 [125.26.63.49]
เส้นทางนี้พี่ไกรสรจำได้ดี ที่หลังสัน
จาก : mork(mork) 21/1/2556 11:07:12 [124.122.17.117]
2.5 เค้าคุยกัน.ผาตัดอ่ะป่าว นี่อยากไป....แต่ในรูป หลังสันหรอ พี่จำไม่ได้
จาก : juc 299_แสบ(juc 299_แสบ) 21/1/2556 18:26:59 [101.108.83.115]
 แสดงความคิดเห็นย่อย แสดงความคิดเห็นย่อย

juc 299_แสบ จาก แสบ@ม้านิล 101.109.199.158 ศุกร์, 18/1/2556 เวลา : 13:38   

edit แก้ไขคำตอบ   delete ลบคำตอบ 654457

คำตอบที่ 104
       พี่ชา ปาด ขริบ รึยัง ขอดูแผล ดูหน้าตาหน่อยพี่



 แสดงความคิดเห็นย่อย แสดงความคิดเห็นย่อย

mork จาก หมอกดำ 124.122.17.117 จันทร์, 21/1/2556 เวลา : 11:07   

edit แก้ไขคำตอบ   delete ลบคำตอบ 654722

คำตอบที่ 105
       ดูจะเยอะไปนิด แต่ไปสามห้าสบาย ๆ





เอ้า ออกทรงนั้นหรอน่ะ ผมนนึกว่าปาดให้บางลง แต่ไม่ติดก็โอเคละ
จาก : mork(mork) 21/1/2556 20:08:12 [124.122.196.206]
 แสดงความคิดเห็นย่อย แสดงความคิดเห็นย่อย

Jedi จาก Jedi 171.4.184.57 จันทร์, 21/1/2556 เวลา : 18:51   

edit แก้ไขคำตอบ   delete ลบคำตอบ 654839

คำตอบที่ 106
       ปรับอาร์มล่างอีก 2 รอบ ตอนนี้พอแระ
ขอบคุณเจ้าสำนัก + ออริจินัล





หัวหน้าชั้นเสนอน้ำหนาว
จาก : plum(plum) 21/1/2556 19:57:31 [27.130.254.120]
อนุมัติ !!! .. เฟิร์มกับพี่เจี๊ยบแล้ว ...................
จาก : Jedi(Jedi) 21/1/2556 20:08:52 [171.4.184.57]
ตามพี่ปาหลัดจัดสรรมาให้ ..................... (สงสัย หน.ชั้นจะผิดหวัง) _________________________ 5 +
จาก : Jedi(Jedi) 21/1/2556 20:32:50 [171.4.184.57]
เห็นควรด่วนด้วย...
จาก : kraisornpua(kraisornpua) 21/1/2556 21:23:38 [124.122.16.216]
หัวขบวนออกโรงกันมาแบบนี้ สงสัยมีเช็คชื่อเด็ก ๆ __________________ อิ อิ อิ
จาก : Jedi(Jedi) 21/1/2556 22:10:19 [171.4.184.57]
สรุปไปไหนกันคร้าบบบ..
จาก : juc 299_แสบ(juc 299_แสบ) 22/1/2556 18:23:18 [101.108.80.175]
ผมรอสรุปทีเดียวเลยนะพี่ เอาเวาลาว่างให้ได้รอไว้ละกาน
จาก : mork(mork) 22/1/2556 20:04:52 [124.121.51.206]
โลกมันเอียงหรือเปล่า ผมว่าตัดแว่นใหม่ได้แล้วครับพี่ชา
จาก : santi@irpc(santi@irpc) 26/1/2556 0:12:57 [125.27.69.159]
หล่อจริงๆครับพี่ชา...
จาก : nuisporty(nuisporty) 3/2/2556 21:59:58 [115.67.70.77]
 แสดงความคิดเห็นย่อย แสดงความคิดเห็นย่อย

Jedi จาก Jedi 171.4.184.57 จันทร์, 21/1/2556 เวลา : 18:54   

edit แก้ไขคำตอบ   delete ลบคำตอบ 654844

คำตอบที่ 107
       สรรหาแต่ไม่ไร้สาระ...





eridium น่าจะสูงกว่านี้อีก !!!
จาก : Jedi(Jedi) 22/1/2556 17:14:14 [223.204.114.142]
 แสดงความคิดเห็นย่อย แสดงความคิดเห็นย่อย

anek จาก EcuOriginalJeep 124.121.67.8 อังคาร, 22/1/2556 เวลา : 08:52   

edit แก้ไขคำตอบ   delete ลบคำตอบ 654897

คำตอบที่ 108
       แรงปิ้ว ๆๆๆๆๆๆๆๆ.....ตามราคา





 แสดงความคิดเห็นย่อย แสดงความคิดเห็นย่อย

anek จาก EcuOriginalJeep 124.121.67.8 อังคาร, 22/1/2556 เวลา : 08:53   

edit แก้ไขคำตอบ   delete ลบคำตอบ 654898

คำตอบที่ 109
       สวัสดีครับ...พี่น้องชาวเพื่อนพร้อมทุกๆท่าน





หวัดดีคับพี่ ไม่ได้เจอกันนานมาก ยังลุยเหมือนเดิมเลย
จาก : rotee(rotee) 22/1/2556 12:11:17 [223.207.226.196]
ไปไหนมาพี่เจี๊ยบ
จาก : plum(plum) 22/1/2556 13:46:20 [101.51.199.153]
อั้ยยะ...2.5 ขึ้นขอน
จาก : xj4.56(xj4.56) 22/1/2556 15:26:31 [180.180.223.83]
รึไอ้ลิจะเป็นตำนาน ........................................................ นาน ๆ
จาก : Jedi(Jedi) 22/1/2556 17:10:26 [223.204.114.142]

จาก : kraisornpua(kraisornpua) 22/1/2556 18:46:05 [124.121.149.124]
สวัสดี อีกที่ครับ
จาก : kraisornpua(kraisornpua) 22/1/2556 18:48:11 [124.121.149.124]
สวัสดีคับพี่เจี๊ยบ รถหายดีรึยังคับ
จาก : mork(mork) 22/1/2556 20:17:13 [124.121.51.206]
ขุนแจ จ.เชียงราย.............หลังยังมีหอนพอรับได้..ต้องขอบคุณพี่อุดมจด...........คับ
จาก : jeab(xj) 23/1/2556 15:03:55 [1.1.148.125]
 แสดงความคิดเห็นย่อย แสดงความคิดเห็นย่อย

xj จาก เจี๊ยบ สกล 1.1.175.37 อังคาร, 22/1/2556 เวลา : 11:50   

edit แก้ไขคำตอบ   delete ลบคำตอบ 654907

คำตอบที่ 110
       โปรเจ็คนี้น่าจะผ่านม้ะพี่ชา ต่อแจมสาย outlet





ใคร ๆ ก้อใช้กัน .... อิ อิ อิ
จาก : Jedi(Jedi) 22/1/2556 20:38:32 [223.204.114.142]
จะรื้อแล้วค่อสาย แล้วฝังกะแผงไม้ที่ใส่ฟ้อนเลย ไม่เสียบช่อง out let
จาก : mork(mork) 22/1/2556 20:49:39 [124.121.51.206]
มีอันนึงพังแระ...
จาก : plum(plum) 23/1/2556 10:49:03 [101.51.203.6]
 แสดงความคิดเห็นย่อย แสดงความคิดเห็นย่อย

mork จาก หมอกดำ 124.121.51.206 อังคาร, 22/1/2556 เวลา : 20:10   

edit แก้ไขคำตอบ   delete ลบคำตอบ 654944

คำตอบที่ 111
       จากร้าน daiso 60 บาท





ที่สัมมะคันได้ O/P ตั้ง 1 Amp. ...... หวานไปป่ะ !!!
จาก : Jedi(Jedi) 22/1/2556 20:39:53 [223.204.114.142]
 แสดงความคิดเห็นย่อย แสดงความคิดเห็นย่อย

mork จาก หมอกดำ 124.121.51.206 อังคาร, 22/1/2556 เวลา : 20:15   

edit แก้ไขคำตอบ   delete ลบคำตอบ 654945

คำตอบที่ 112
       ไปผ่าตัดเสริมเต้ารอบสอง ก่อนที่บูชราคาแพงจะไปก่อนวัยอันควร.......ขอบคุณท่านเจ้าสำนักฯ ที่ทิ้งอู่ไว้ให้ อิอิอิ





 แสดงความคิดเห็นย่อย แสดงความคิดเห็นย่อย

jeep1911 จาก อุดมจด. 58.97.125.35 พุธ, 23/1/2556 เวลา : 20:58   

edit แก้ไขคำตอบ   delete ลบคำตอบ 655069

คำตอบที่ 113
       ผ่านแล้วครับ ตอนนี้เฟิร์มสุด โดยเฉพาะช่วงล่างงงงงงง





เหมือนขาดอะไรไปอย่างนา ....
จาก : Jedi(Jedi) 24/1/2556 0:37:11 [171.4.196.205]
ล้อคท่อเบรคป่าว? ท่ออ่อนยืมเขามาใส่ก่อนชั่วคราวครับ แหะๆ
จาก : อุดมจด.(jeep1911) 24/1/2556 1:30:54 [58.97.125.35]
 แสดงความคิดเห็นย่อย แสดงความคิดเห็นย่อย

jeep1911 จาก อุดมจด. 58.97.125.35 พุธ, 23/1/2556 เวลา : 21:02   

edit แก้ไขคำตอบ   delete ลบคำตอบ 655070

คำตอบที่ 114
       ยังสรุปไม่ได้รึครับ ว่าจะ Meeting ที่ไหน ทำเรื่องลาพักร้อนไว้แล้ว หวังว่าไม่ลาเก้อนะครับ





ถ้าไม่มีที่ไป จะพาไปเดินเล่นดูนกช่องเย็น
จาก : mork(mork) 23/1/2556 21:56:24 [124.121.195.83]
นิ้วนี้ถนัด ........................................ จิ้ม !!!
จาก : Jedi(Jedi) 24/1/2556 0:38:19 [171.4.196.205]
หัวหน้าชั้นฟันธงน้ำหนาว
จาก : plum(plum) 24/1/2556 18:48:00 [27.130.254.19]
 แสดงความคิดเห็นย่อย แสดงความคิดเห็นย่อย

juc 299_แสบ จาก แสบ@ม้านิล 101.108.86.23 พุธ, 23/1/2556 เวลา : 21:54   

edit แก้ไขคำตอบ   delete ลบคำตอบ 655076

คำตอบที่ 115
       ไปเจอมา....ชอบ จูบู๊บ ๆๆๆๆๆ
http://www.youtube.com/watch?feature=player_embedded&v=z2mbHBiccn0



งานนี้แก๊งค์ โอละพ่อ ไม่เกี่ยวข้องด้วย เล่นรถ กินหอยอย่างเดียววววว
จาก : jeep1911(jeep1911) 24/1/2556 13:17:07 [58.97.125.35]
 แสดงความคิดเห็นย่อย แสดงความคิดเห็นย่อย

jeep1911 จาก อุดมจด. 58.97.125.35 พฤหัสบดี, 24/1/2556 เวลา : 11:44   

edit แก้ไขคำตอบ   delete ลบคำตอบ 655102

คำตอบที่ 116
       ฝากคุณอา (R) ทำ Support ให้ด้วย อยากได้แบบนี้ ของมีเขาเล็ก ๆ ด้วย
หนูยังไม่ฟื้นสลบจากน้ำ 54 มาปีกว่าแล้ว เลยฝากไว้ด่อนนะ





 แสดงความคิดเห็นย่อย แสดงความคิดเห็นย่อย

anek จาก EcuOriginalJeep 124.122.214.130 พฤหัสบดี, 24/1/2556 เวลา : 20:24   

edit แก้ไขคำตอบ   delete ลบคำตอบ 655125

คำตอบที่ 117
       พี่ อุดมจด. เฟิมมาก ๆ ว่าแต่ ได้ยึดพื้นแล้วส่งมอบคืนหรือยาง เกี๋ยว น้องใหม่เขาจะใช้พื้นที่บ้างนะ



ยึดมาแล้ว ทำอะไรไม่เป็น จะเอามาปล่อยต่อพี่เหนกอยู่นี่ เอาป่ะพี่?
จาก : อุดมจด.(jeep1911) 25/1/2556 11:21:09 [58.97.125.35]
 แสดงความคิดเห็นย่อย แสดงความคิดเห็นย่อย

anek จาก EcuOriginalJeep 124.122.214.130 ศุกร์, 25/1/2556 เวลา : 07:13   

edit แก้ไขคำตอบ   delete ลบคำตอบ 655143

คำตอบที่ 118
       ........พาคนแก่ไปยืดเส้นยืดสายดีก่า..........ณ g-kditF0, .....ไปเที่ยวกันไหม




อ่านว่า เขากระโจม
จาก : xj4.56(xj4.56) 25/1/2556 16:42:53 [125.27.147.33]
เดี๋ยวนี้ต้องใช้.....isyl]y[dyoc]h;i7....555
จาก : NRK(NiceGuy) 25/1/2556 17:58:07 [61.90.44.222]
คนแก่ชอบ ญนหรกนื มากกว่า
จาก : อุดมจด.(jeep1911) 25/1/2556 18:26:37 [58.97.125.35]
สงสัยต้องขอให้..บอสพอไปล่ะ
จาก : 3.0Liter(amarking) 26/1/2556 14:29:13 [58.97.125.35]
 แสดงความคิดเห็นย่อย แสดงความคิดเห็นย่อย

amarking จาก 3.0Liter 58.97.125.35 ศุกร์, 25/1/2556 เวลา : 13:52   

edit แก้ไขคำตอบ   delete ลบคำตอบ 655171

คำตอบที่ 119
       จาน ชา ครับ ได้ข่าว่ามีดร๊อปอาร์มเก็บไว้ไม่ได้ใช้หรือปล่าวครับ แบ่งให้น้องน้องไปใช้ละกันน๊ะครับ 088-4080045 โจครับ



081-7957652 .. ชา !!!
จาก : Jedi(Jedi) 25/1/2556 20:27:27 [223.204.199.98]
 แสดงความคิดเห็นย่อย แสดงความคิดเห็นย่อย

สิงหไกรภพ จาก สิงหไกรภพ 180.183.57.26 ศุกร์, 25/1/2556 เวลา : 17:21   

edit แก้ไขคำตอบ   delete ลบคำตอบ 655185

คำตอบที่ 120
       081-7957652, 083-0627542





จานชา ซื้อมาใหม่เหรอ พาดติกยังอยู่เลย ขายซะแล้ว น่าเสียดาย ตกลงใช้ง่ามหนังสติกแล้วดิ 555+
จาก : anek(anek) 26/1/2556 7:14:39 [124.121.62.89]
ถอดมาจากรถคันเดียว ทำไมมีหลายอันจัง....หรือว่าออกลูกออกหลาน อิอิอิ
จาก : อุดมจด.(jeep1911) 26/1/2556 9:49:57 [58.97.125.35]
หันหัวไปหาง่ามหนังสติกส์เผื่อจะไปกินนก ______ เจ็บมาเยอะเลยมีหลายอัน แต่คงไม่เท่าพี ....... ei ei ei
จาก : Jedi(Jedi) 26/1/2556 13:05:41 [49.48.52.17]
 แสดงความคิดเห็นย่อย แสดงความคิดเห็นย่อย

Jedi จาก Jedi 223.204.199.98 ศุกร์, 25/1/2556 เวลา : 20:31   

edit แก้ไขคำตอบ   delete ลบคำตอบ 655194

      

ยังมีคำตอบมากกว่านี้นะครับ คลิ๊กเพื่อดูหน้าถัดไป


คำตอบแบ่งหน้าละ 30 คำตอบ ขณะนี้คุณอยู่ที่หน้า 4 จาก >>> 1  2  3  4  5  6  7  



website รองรับการใช้งานทุกระบบปฏิบัติการของ PC Tablet SmartPhone ทุกระบบสามารถโพสข้อความและรูปภาพได้โดยไม่ต้องย่อไฟล์
เพื่อความปลอดภัยในการใช้ website WeekendHobby.Com สมาชิก เท่านั้น จึงจะตั้งกระทู้ หรือ ตอบกระทู้ได้ครับ
Login Click ที่นี่
สมัครสมาชิก Click ที่นี่



Since 22, Feb 2001 hit counter View My Stats  Truehits.net      วันอาทิตย์,8 กุมภาพันธ์ 2569 (Online 2222 คน)