WeekendHobby.com
เครื่องมือในการใช้งาน website =>> สมัครสมาชิก | Login | Logout | เปลี่ยนไอคอนส่วนตัว | เกี่ยวกับเรา | ติดต่อโฆษณา         View stat by Truehits.net


บทที่45 "เพื่อนพร้อม" มิตรภาพไทย-ญี่ปุ่น-ร่มโพธิ์์ ย้อนรอยเทพดำสะออน
jeep1911
จาก อุดมจด.
58.97.125.35
พุธที่ , 12/12/2555
เวลา : 15:27

อ่านแล้ว = 16786 ครั้ง
 เก็บเข้ากระทู้ส่วนตัว
แจ้งตรวจสอบกระทู้
 แจ้งลบ
ส่งหาเพื่อน ส่งหาเพื่อน

       หลวมตัวทำกระทู้เค้าหมด ติดตามความเดิมบทที่ 44 ได้ที่ http://www.thailandoffroad.com/jeep/board/Question.asp?ID=46394






รายงานหัวหน้าชั้น เสาร์15 เข้าโป่งรอบใหญ่ 10.30น.เช้า ประมาณ 7 คัน จุดนัดพบที่โอเอซิส 9.09 น.ครับผ้ม
จาก : อุดมจด.(jeep1911) 12/12/2555 15:43:32 [58.97.125.35]
 แสดงความคิดเห็นย่อย แสดงความคิดเห็นย่อย

แจ้งเพื่อเก็บขึ้นกระทู้พิเศษ คลิ๊กที่นี่แจ้งเพื่อนำขึ้นกระทู้พิเศษ

คำตอบแบ่งหน้าละ 30 คำตอบ ขณะนี้คุณอยู่ที่หน้า 7 จาก >>> 1  2  3  4  5  6  7  

คำตอบที่ 181
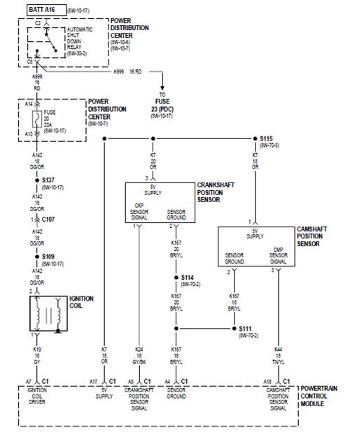
       ตำแหน่ง Fuse และ Relay ใน PDC. (ห้องเครื่องยนต์)





F 23 ค้าบบ
จาก : mork(mork) 11/2/2556 13:59:23 [124.122.60.13]
 แสดงความคิดเห็นย่อย แสดงความคิดเห็นย่อย

Jedi จาก Jedi 125.27.32.164 จันทร์, 11/2/2556 เวลา : 13:50   

edit แก้ไขคำตอบ   delete ลบคำตอบ 656197

คำตอบที่ 182
       ASD Relay + F 20 (20 A) ไปกล่อง PCM. (Powertrain Control Modul)





 แสดงความคิดเห็นย่อย แสดงความคิดเห็นย่อย

Jedi จาก Jedi 125.27.32.164 จันทร์, 11/2/2556 เวลา : 14:33   

edit แก้ไขคำตอบ   delete ลบคำตอบ 656200

คำตอบที่ 183
       ASD Relay + F 20 (20 A) ไปคอล์ยจุดระเบิด (Ignition Coil)





 แสดงความคิดเห็นย่อย แสดงความคิดเห็นย่อย

Jedi จาก Jedi 125.27.32.164 จันทร์, 11/2/2556 เวลา : 14:35   

edit แก้ไขคำตอบ   delete ลบคำตอบ 656201

คำตอบที่ 184
       ASD Relay + F 20 (20 A) ไปหัวฉีด นมชพ. (Fuel Injector)





 แสดงความคิดเห็นย่อย แสดงความคิดเห็นย่อย

Jedi จาก Jedi 125.27.32.164 จันทร์, 11/2/2556 เวลา : 14:37   

edit แก้ไขคำตอบ   delete ลบคำตอบ 656202

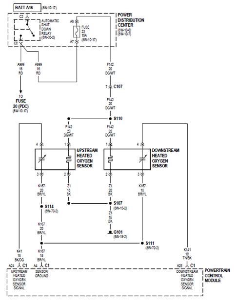
คำตอบที่ 185
       ASD Relay + F 23 (15 A) ไปอ๊อกซิเจนเซนเซอร์บน - ล่าง ( Upstream Heated Oxygen Sensor - Downstream Heated Oxygen Sensor)





 แสดงความคิดเห็นย่อย แสดงความคิดเห็นย่อย

Jedi จาก Jedi 125.27.32.164 จันทร์, 11/2/2556 เวลา : 14:42   

edit แก้ไขคำตอบ   delete ลบคำตอบ 656203

คำตอบที่ 186
       จารย์ชาครับ..ผมขออนุญาติออกไปดื่มน้ำปัส..ปัสสาวะ อ่ะคร้าบบบ
ฮัลโหล...เพื่อนพร้อม เดือนหน้าปิดเทอมพวกเราจะเที่ยวไหนกันดี





เพชรบุรีไหม.......
จาก : xj4.56(xj4.56) 11/2/2556 20:14:24 [182.52.54.87]
 แสดงความคิดเห็นย่อย แสดงความคิดเห็นย่อย

juc 299_แสบ จาก แสบ@ม้านิล 101.109.185.163 จันทร์, 11/2/2556 เวลา : 16:12   

edit แก้ไขคำตอบ   delete ลบคำตอบ 656212

คำตอบที่ 187
       ขออภัยพี่ชา พี่ต้น พี่ปล้ำ และพี่น้องเพื่อนพร้อมทุกๆท่าน ทริปน้ำหนาวที่จะถึงนี้...คงไม่ได้ไปร่วมด้วย เนื่องด้วย "มิน" ติดสอบ 22- 1 มี.ค. อ่ะครับ...เสียดายๆๆ

ของเค้า "ชัวร์" จริงๆๆ นะ ซิบอกให้...





ไปแบบโสดๆ ป่ะ นดาก้อติดสอบเหมือนกัน น้องเค้าว่าจะไม่ไป..อิอิอิ
จาก : juc 299_แสบ(juc 299_แสบ) 11/2/2556 18:00:40 [101.109.185.163]
จริงดิ ผมกำลังกล่อมอยู่ พอดีตรงกะวันวางบิลเรื่องนี้ เขาไม่ยอมแน่ นอกจากเปลี่ยนกฎที่ตั้งมาเอง
จาก : xj4.56(xj4.56) 11/2/2556 20:16:43 [182.52.54.87]
 แสดงความคิดเห็นย่อย แสดงความคิดเห็นย่อย

JUC744 จาก น้ำดำ 115.87.19.168 จันทร์, 11/2/2556 เวลา : 17:29   

edit แก้ไขคำตอบ   delete ลบคำตอบ 656215

คำตอบที่ 188
       ลองของใหม่เบิกห้าง R





เก็บดี ๆ น่ะตัวเนี๊ยะ .. ระวังมือดี !!! 5 +
จาก : Jedi(Jedi) 11/2/2556 20:55:04 [49.48.57.61]
 แสดงความคิดเห็นย่อย แสดงความคิดเห็นย่อย

anek จาก EcuOriginalJeep 110.168.34.220 จันทร์, 11/2/2556 เวลา : 20:03   

edit แก้ไขคำตอบ   delete ลบคำตอบ 656226

คำตอบที่ 189
       เช็ค 0 ที่คานรถก่อน ว่ามันเอียงไหม





 แสดงความคิดเห็นย่อย แสดงความคิดเห็นย่อย

anek จาก EcuOriginalJeep 110.168.34.220 จันทร์, 11/2/2556 เวลา : 20:05   

edit แก้ไขคำตอบ   delete ลบคำตอบ 656227

คำตอบที่ 190
       เช็คองศาของคานตามแนวยาวของรถ
ลงตัวที่ ศูนย์ (เป็นไปได้งัยเนี่ย)





 แสดงความคิดเห็นย่อย แสดงความคิดเห็นย่อย

anek จาก EcuOriginalJeep 110.168.34.220 จันทร์, 11/2/2556 เวลา : 20:08   

edit แก้ไขคำตอบ   delete ลบคำตอบ 656228

คำตอบที่ 191
       ขยายให้ชัด ๆ





 แสดงความคิดเห็นย่อย แสดงความคิดเห็นย่อย

anek จาก EcuOriginalJeep 110.168.34.220 จันทร์, 11/2/2556 เวลา : 20:09   

edit แก้ไขคำตอบ   delete ลบคำตอบ 656229

คำตอบที่ 192
       มุม Caster ที่ออกมาประมาณ +7 องศา





 แสดงความคิดเห็นย่อย แสดงความคิดเห็นย่อย

anek จาก EcuOriginalJeep 110.168.34.220 จันทร์, 11/2/2556 เวลา : 20:19   

edit แก้ไขคำตอบ   delete ลบคำตอบ 656231

คำตอบที่ 193
       ขยายให้ชัด ๆ ละกัน
ตอนนี้รถผม ขับกินซ้าย เวลาเจอถนนเอียงซ้าย บางทีขับกินขวา เจอถถนเอียงขวา
หากเจอถนน เรียบ ๆ ไม่เอียงมาก ขับได้แบบแค่ประคองพวงมาลัยเท่านั้นเอง
เลยเอาข้อมูลมาเล่ากันไป เผื่อใคร คันอยากปรับ ดูบ้าง แต่ ๆ .....ว่า.....ง่าย ๆ คือยาก อิ ๆ





 แสดงความคิดเห็นย่อย แสดงความคิดเห็นย่อย

anek จาก EcuOriginalJeep 110.168.34.220 จันทร์, 11/2/2556 เวลา : 20:26   

edit แก้ไขคำตอบ   delete ลบคำตอบ 656232

คำตอบที่ 194
       พี่เอนกช่วยวิเคราะห์ให้หน่อย ทำมาหลายอย่าง ไม่หาย
ZJ ยกประมาณ 3-4 นิ้ว มีอาการสั่นไม่แรง ประมาณว่า"คราง" ที่ความเร็ว 80-100 Km/hr
1. ถอดเพลาหน้าวิ่งก็ คราง
2. Drop Gear 1" 2' คราง
3. Drop Gear 1" 4' ก็ยังคราง
4. เปลี่ยนยางแท่นเกียร์ใหม่ก็ คราง
5. เปลียนกากะบาทแล้ว ยังคราง
ไม่รู้จะแก้ตรงไหนแล้ว






สปายเพลาที่เข้ากะสปายทรานเฟอร์มันคลอนหรืออปล่าวครับ ลองยัดจาระบีเยอะๆดูยังครับ
จาก : mork(mork) 11/2/2556 21:32:09 [171.97.216.224]
 แสดงความคิดเห็นย่อย แสดงความคิดเห็นย่อย

santi@irpc จาก Santi@Irpc 125.27.71.119 จันทร์, 11/2/2556 เวลา : 21:01   

edit แก้ไขคำตอบ   delete ลบคำตอบ 656235

คำตอบที่ 195
       เอาใหม่ ใหญ่ไปหน่อย





 แสดงความคิดเห็นย่อย แสดงความคิดเห็นย่อย

santi@irpc จาก Santi@Irpc 125.27.71.119 จันทร์, 11/2/2556 เวลา : 21:03   

edit แก้ไขคำตอบ   delete ลบคำตอบ 656236

คำตอบที่ 196
       1





 แสดงความคิดเห็นย่อย แสดงความคิดเห็นย่อย

santi@irpc จาก Santi@Irpc 125.27.71.119 จันทร์, 11/2/2556 เวลา : 21:05   

edit แก้ไขคำตอบ   delete ลบคำตอบ 656237

คำตอบที่ 197
       2





 แสดงความคิดเห็นย่อย แสดงความคิดเห็นย่อย

santi@irpc จาก Santi@Irpc 125.27.71.119 จันทร์, 11/2/2556 เวลา : 21:06   

edit แก้ไขคำตอบ   delete ลบคำตอบ 656238

คำตอบที่ 198
       3





มุมเพลามุมนี้งัดขึ้นมากไปหน่อยป่ะครับ
จาก : mork(mork) 11/2/2556 21:33:04 [171.97.216.224]
ดูเหมือนงัด ..
จาก : Jedi(Jedi) 11/2/2556 21:34:46 [49.48.57.61]
ผมก็ว่างัดนะ แต่แก้อย่างไรครับ ด้านหลังไม่มีตัวปรับได้เลย
จาก : santi@irpc(santi@irpc) 12/2/2556 10:33:08 [125.27.73.0]
แก้ที่เอาตัวดรอปเกียร์ออกนี่แหล่ะครับ
จาก : mork(mork) 12/2/2556 10:55:34 [124.121.129.215]
 แสดงความคิดเห็นย่อย แสดงความคิดเห็นย่อย

santi@irpc จาก Santi@Irpc 125.27.71.119 จันทร์, 11/2/2556 เวลา : 21:07   

edit แก้ไขคำตอบ   delete ลบคำตอบ 656239

คำตอบที่ 199
       drop gear





มากไป .. ลองเริ่มนับใหม่ แต่ยังถอดเพลาหน้าออกก่อน
จาก : Jedi(Jedi) 11/2/2556 21:37:31 [49.48.57.61]
หรือว่าไอ้ที่ว่าครางมันคือเสียงเฟืองหอน ขึ้นชื่อซะด้วย
จาก : mork(mork) 11/2/2556 21:58:45 [171.97.216.224]
เจ้าสิงโต..งอแงรึครับ ตามพระอาจารย์กำหนด มาเป่าครับ 5555
จาก : juc 299_แสบ(juc 299_แสบ) 11/2/2556 22:22:23 [101.109.185.163]
คุณหนดคงไม่ทราบหรอกครับพี่แสบ ตอนนั้นพี่หนดแกใส่ยาง MUD มันดังกลบหมด เปลี่ยนยางใหม่เป็นเรื่องเลย
จาก : santi@irpc(santi@irpc) 12/2/2556 7:56:17 [125.27.73.0]
สันติ ลองเอาดร็อบเกียร์ออกดูก่อน ทำให้มุมเพลาหลังไม่งัดมากครับ
จาก : anek(anek) 12/2/2556 16:39:20 [124.122.207.190]
 แสดงความคิดเห็นย่อย แสดงความคิดเห็นย่อย

santi@irpc จาก Santi@Irpc 125.27.71.119 จันทร์, 11/2/2556 เวลา : 21:10   

edit แก้ไขคำตอบ   delete ลบคำตอบ 656240

คำตอบที่ 200
       ค่อยๆ แก้ไปครับ..สันติ แต่ถ้าไม่ไหว ว่างๆก้อมาหาพี่เอนก แน่นอนครับ
เล่าสู่กันฟัง เพื่อนผม หลังจากปลดตัวเองจากพระอาจารย์ มาดำรงตำแหน่งพระสวามี(ที่ดีด้วย)
เออ..นันมีเรื่องปรึกษาว่ะ ว่าไง ว่าจะขายรถ อ้าว..ทำมาย เมียอยากที่ดินแถวจันทบุรีว่ะ เหรอ ก้อดีนี่หว่า เงินไม่พอ เค้าให้ขายรถว่าไม่ค่อยได้ใช้ ล่ะที่ดินเท่าไรว่ะ
10 ล้านว่ะ (หลังจากนั้น กินเหล้าอยู่บ้านผม 2 คืน ) ม่ายรู้ว่าเสียใจที่ต้องขายรถ หรือต้องเสียตังค์ซื้อที่ดิน





ของผมก็กะจะลงขายเหมือนกัน ตั้งไว้เจ็ดแสนสาม เพราะเป็นเกียร์ธรรมดา
จาก : อุดมจด.(jeep1911) 12/2/2556 12:42:11 [58.97.125.35]
พี่นันรับผิดชอบเลย...................เต็มแล้ว
จาก : 3.0Liter(amarking) 12/2/2556 13:19:59 [58.97.125.35]
ตอบแบบไม่อาย..ทำไม่เป็นอ่ะ อิอิอิ
จาก : juc 299_แสบ(juc 299_แสบ) 12/2/2556 13:39:09 [125.24.95.108]
จริง ๆ ถ้ารู้จักอายซะหน่อย ก็ จะเปิดให้...เอาไว้ประจานก่อนยะ ....
จาก : xj4.56(xj4.56) 12/2/2556 18:26:54 [182.52.55.130]
ปลั๊กอุณหภูมิน้ำไม่เฟิร์ม .. เปลี่ยนใหม่แระ รอกระทู้เด๋วลงรูปให้ดู ei ei ei
จาก : Jedi(Jedi) 12/2/2556 19:03:12 [223.204.243.202]
แย่จังโดนเต็มๆ..อิอิ เค้าไม่มีรูปสวยๆ เปิดให้ต่างหากล่ะ..พี่ชาย
จาก : juc 299_แสบ(juc 299_แสบ) 12/2/2556 20:13:13 [125.25.115.124]
ทู้เต็ม ๆ ๆ ๆ ........
จาก : mork(mork) 12/2/2556 21:42:01 [124.122.41.187]
อายยยยล่ะครับ...พี่ หมอกรับผิดชอบแทนพี่หน่อยจิ
จาก : juc 299_แสบ(juc 299_แสบ) 13/2/2556 9:49:20 [125.24.89.126]
จัดหน่อยพี่หมอก......ตอนรับมาฆบูชา.............อิอิ
จาก : 3.0Liter(amarking) 13/2/2556 11:56:10 [58.97.125.35]
 แสดงความคิดเห็นย่อย แสดงความคิดเห็นย่อย

juc 299_แสบ จาก แสบ@ม้านิล 125.24.95.108 อังคาร, 12/2/2556 เวลา : 10:01   

edit แก้ไขคำตอบ   delete ลบคำตอบ 656261

คำตอบที่ 201
       ตามคำแนะนำครับผม
1. เอากลับสภาพเดิม ดร็อปเกียร์เอาออก
2. กากะบาทตรวจสอบแล้วปกติ
3. อัดจารบีเข้าไปที่สปายจนเต็ม
เดี๋ยวพรุ่งนี้ค่อยลองแล้วจะมาบอกครับ พอดีมืดเสียก่อน



 แสดงความคิดเห็นย่อย แสดงความคิดเห็นย่อย

santi@irpc จาก Santi@Irpc 125.27.92.219 อังคาร, 12/2/2556 เวลา : 20:55   

edit แก้ไขคำตอบ   delete ลบคำตอบ 656295

      

คำตอบแบ่งหน้าละ 30 คำตอบ ขณะนี้คุณอยู่ที่หน้า 7 จาก >>> 1  2  3  4  5  6  7  



website รองรับการใช้งานทุกระบบปฏิบัติการของ PC Tablet SmartPhone ทุกระบบสามารถโพสข้อความและรูปภาพได้โดยไม่ต้องย่อไฟล์
เพื่อความปลอดภัยในการใช้ website WeekendHobby.Com สมาชิก เท่านั้น จึงจะตั้งกระทู้ หรือ ตอบกระทู้ได้ครับ
Login Click ที่นี่
สมัครสมาชิก Click ที่นี่



Since 22, Feb 2001 hit counter View My Stats  Truehits.net      วันอาทิตย์,8 กุมภาพันธ์ 2569 (Online 2308 คน)