WeekendHobby.com
เครื่องมือในการใช้งาน website =>> สมัครสมาชิก | Login | Logout | เปลี่ยนไอคอนส่วนตัว | เกี่ยวกับเรา | ติดต่อโฆษณา         View stat by Truehits.net


ก่อนเดินทางไกล PM อะไรกันบ้าง...............oIIIIIIIo....ภาค 7
ต้นjuc3123
จาก ต้น_JUC3123
110.168.197.23
พฤหัสบดีที่ , 20/12/2555
เวลา : 11:24

อ่านแล้ว = 26241 ครั้ง
 เก็บเข้ากระทู้ส่วนตัว
แจ้งตรวจสอบกระทู้
 แจ้งลบ
ส่งหาเพื่อน ส่งหาเพื่อน

       อยากให้กระทู้นี้เป็นของทุกคนคับ เพื่อแชร์หรือแบ่งปันข้อมูลสำหรับสมาชิกทุกๆท่าน ในการทำ PM หรือการซ่อม Jeep ไม่ว่าใครจะเคยมีประสพการณ์ อะไรต่างๆ ในการทำ PM ให้รถของตัวเองหรือเพื่อนที่เคยทำ PM และเรามีข้อมูลช่วยมาแชร์ๆกัน เพราะว่าปัจจุบันเราจะพบว่าใน JUC ตอนนี้มีทั้งมือใหม่เพิ่งใช้ Jeep และพี่ๆเพื่อนๆที่ใช้กันอยู่แล้วและมีประสพการณ์ เรามาแชร์กันในนี้จะดีกว่าจะได้เปิดกระทู้เดียวและหาข้อมูลได้เยอะๆ จะได้ท่องเทียวโดยใช้ Jeep กันอย่างมีความสุข
ขอบคุณครับ หรือมีอะไรให้ผมช่วยเหลือ โทร.081-6281025 ยินดีครับ

อันนี้เป็นลิงค์ของ ภาค 3 ครับ
http://www.thailandoffroad.com/jeep/board/Question.asp?ID=42525
อันนี้เป็นลิงค์ของ ภาค 4 ครับ
http://www.thailandoffroad.com/jeep/board/Question.asp?ID=43410
สำหรับลิงค์ของภาคที่ 5
http://www.thailandoffroad.com/jeep/board/question.asp?page=1&id=45189
สำหรับลิงค์ของ ภาค 6 ครับ
http://www.thailandoffroad.com/jeep/board/question.asp?page=5&ID=45904






 แสดงความคิดเห็นย่อย แสดงความคิดเห็นย่อย

แจ้งเพื่อเก็บขึ้นกระทู้พิเศษ คลิ๊กที่นี่แจ้งเพื่อนำขึ้นกระทู้พิเศษ

คำตอบแบ่งหน้าละ 30 คำตอบ ขณะนี้คุณอยู่ที่หน้า 2 จาก >>> 1  2  3  4  5  6  

คำตอบที่ 31
       เสาร์ อาทิตนี้ ไม่อยู่ กทม.นะคับ ไปสระบุรีคับ มิตติ้งกับกลุ่มสระบุรีซักกะหน่อย





 แสดงความคิดเห็นย่อย แสดงความคิดเห็นย่อย

ต้นjuc3123 จาก ต้น_JUC3123 101.109.196.205 ศุกร์, 18/1/2556 เวลา : 22:35   

edit แก้ไขคำตอบ   delete ลบคำตอบ 654481

คำตอบที่ 32
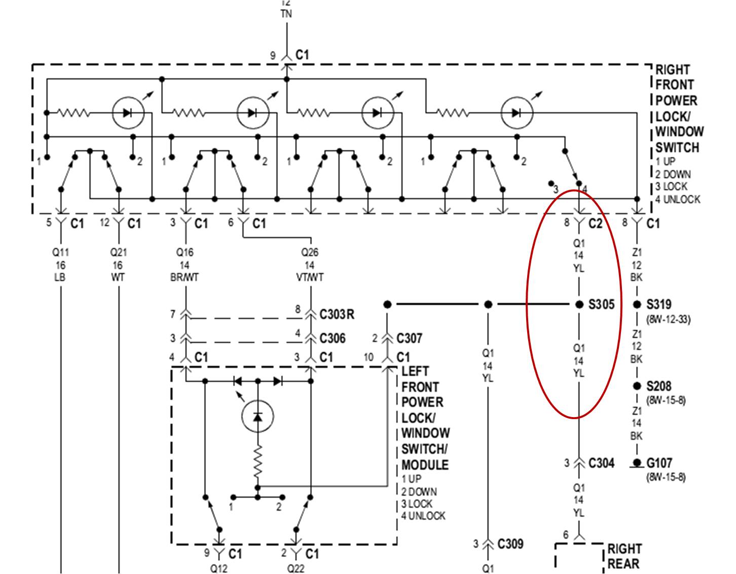
       อาการโฉมมลกระจกไฟฟ้าไม่ทำงาน ทั้งสามบาน ยกเว้นบานคนขับ ที่ควบคุมได้ทุกบาน
ลองมาตรวจเช็คกัน โดยการเช็คจากสวิท





 แสดงความคิดเห็นย่อย แสดงความคิดเห็นย่อย

ต้นjuc3123 จาก ต้น_JUC3123 101.109.187.208 อังคาร, 22/1/2556 เวลา : 17:06   

edit แก้ไขคำตอบ   delete ลบคำตอบ 654925

คำตอบที่ 33
       ใช้มิเตอร์วัด โอห์มหรือความต่อเนื่องในวงจรของสวิทก่อนเลยคับ ตามรูป
ตัวอย่างเช่น
1&5 คือ จุดที่ตำแหน่ง 1 และ 5 ถึงกัน ประมาณนั้นคับ ถ้าได้ตามไดอะแกรม ถือว่าสวิทไม่เสีย





 แสดงความคิดเห็นย่อย แสดงความคิดเห็นย่อย

ต้นjuc3123 จาก ต้น_JUC3123 101.109.187.208 อังคาร, 22/1/2556 เวลา : 17:11   

edit แก้ไขคำตอบ   delete ลบคำตอบ 654926

คำตอบที่ 34
       จากนั้นตรวจสอบ พบว่าสายสีเหลืองไม่มีไฟมาจาก เมนสวิทซ์ เลยต้องเปิด ไดอะแกรมต่อ





 แสดงความคิดเห็นย่อย แสดงความคิดเห็นย่อย

ต้นjuc3123 จาก ต้น_JUC3123 101.109.187.208 อังคาร, 22/1/2556 เวลา : 17:13   

edit แก้ไขคำตอบ   delete ลบคำตอบ 654927

คำตอบที่ 35
       สายสีเหลืองจริงต้องมีไฟ เมื่อ ออนสวิทกุญแจ แต่สวิทกระจกไฟฟ้าไม่มีไฟเลี้ยง ดูจากไฟสีเขียวที่ สวิทซ์ไม่ติดคับ





รูปใหญ่ไปหน่อย เดี๋ยวเข้าไปแก้ให้คับ
จาก : ต้นjuc3123(ต้นjuc3123) 22/1/2556 17:21:24 [101.109.187.208]
 แสดงความคิดเห็นย่อย แสดงความคิดเห็นย่อย

ต้นjuc3123 จาก ต้น_JUC3123 101.109.187.208 อังคาร, 22/1/2556 เวลา : 17:19   

edit แก้ไขคำตอบ   delete ลบคำตอบ 654928

คำตอบที่ 36
       ตัวการน่าจะเป็นที่ตัวนี้ ต้องรื้อออกมาวัดค่าการทำงานดูซะแล้ว





 แสดงความคิดเห็นย่อย แสดงความคิดเห็นย่อย

ต้นjuc3123 จาก ต้น_JUC3123 101.109.187.208 อังคาร, 22/1/2556 เวลา : 17:23   

edit แก้ไขคำตอบ   delete ลบคำตอบ 654929

คำตอบที่ 37
       ก็ต้องรื้อออกมาเพื่อมาวัดค่าตามไดอะแกรม ตามวงจร แต่เมื่อวัดแล้วก็คือสวิทซ์เสียตรงส่วนที่ลง ไดอะแกรมจริงๆ คือวงจรขาดไป 1 จุด คับ





 แสดงความคิดเห็นย่อย แสดงความคิดเห็นย่อย

ต้นjuc3123 จาก ต้น_JUC3123 101.109.187.208 อังคาร, 22/1/2556 เวลา : 17:25   

edit แก้ไขคำตอบ   delete ลบคำตอบ 654931

คำตอบที่ 38
       บายพาสจุดนี้ใหม่ จากนั้นประกอบสวิทซ์ทดสอบ ใช้งานได้เหมือนเดิมแล้วคับ





 แสดงความคิดเห็นย่อย แสดงความคิดเห็นย่อย

ต้นjuc3123 จาก ต้น_JUC3123 101.109.187.208 อังคาร, 22/1/2556 เวลา : 17:27   

edit แก้ไขคำตอบ   delete ลบคำตอบ 654932

คำตอบที่ 39
       สวัสดีครับ พี่ต้น สบายดีนะครับ ช่วงนี้เที่ยวบ่อย บายใจจัง

เรื่องกระจก ของผมก็เป็นครับพี่ แต่ผิดกับโฉมมลตรงที่ ของผมกระจก

ด้านคนขับด้านเดียว ไม่ทำงาน

อยากย้ายบ้านไปอยู่เมืองหลวงจริงๆ ไว้มีโอกาสเมื่อไร จะไปให้ถึงบ้านเลยยยยย




หวัดดีคับ ลองเช็คชุดสวิทดูคับ ตามไดอะแกรมนะ ถ้ามี อาจจะมี C ช๊อตอยู่ ZJ เป็นกันเยอะคับ
จาก : ต้นjuc3123(ต้นjuc3123) 23/1/2556 21:58:55 [101.109.200.208]
ขอบคุณมากครับพี่ต้น
จาก : เอ้ครับ(เอ้ครับ) 25/1/2556 10:23:13 [113.53.32.220]
 แสดงความคิดเห็นย่อย แสดงความคิดเห็นย่อย

เอ้ครับ จาก เอ้ครับ 113.53.15.138 พุธ, 23/1/2556 เวลา : 10:39   

edit แก้ไขคำตอบ   delete ลบคำตอบ 654996

คำตอบที่ 40
       อันเนื่องมาจากสมาชิกบอก น้ำปัดน้ำฝนหลังไม่ฉีด เพราะท่อหัก
มาดูกันกับวิธีเปลี่ยนคับ





 แสดงความคิดเห็นย่อย แสดงความคิดเห็นย่อย

ต้นjuc3123 จาก ต้น_JUC3123 125.24.83.53 ศุกร์, 25/1/2556 เวลา : 08:26   

edit แก้ไขคำตอบ   delete ลบคำตอบ 655149

คำตอบที่ 41
       ใช้ประแจค่อยๆงัด ใบปัดน้ำฝนออกก่อน ค่อยๆโดยการใช้มือ สองข้างประคอง เพราะแกนเค้ามีเฟือง อยู่เดี๋ยวมันจะออกมาเอง ไม่มีอะไรเสียหายคับ





 แสดงความคิดเห็นย่อย แสดงความคิดเห็นย่อย

ต้นjuc3123 จาก ต้น_JUC3123 125.24.83.53 ศุกร์, 25/1/2556 เวลา : 08:28   

edit แก้ไขคำตอบ   delete ลบคำตอบ 655150

คำตอบที่ 42
       พอใบปัดน้ำฝนออกมาแล้วก็ใช้ประแจเบอร์ 22 ขันย๊อตล๊อคแกนออกมาคับ ค่อยๆไม่ยาก





 แสดงความคิดเห็นย่อย แสดงความคิดเห็นย่อย

ต้นjuc3123 จาก ต้น_JUC3123 125.24.83.53 ศุกร์, 25/1/2556 เวลา : 08:29   

edit แก้ไขคำตอบ   delete ลบคำตอบ 655151

คำตอบที่ 43
       ดึงท่อของเก่าออกมา พร้อมกับรื้อฝาหลังด้านในของ ฝาท้ายโดยขัน น๊อต แล้วค่อยง้างหรือดึงฝาด้านในออก เพื่อที่จะต้องดันท่อส่งน้ำ เข้ากับอะไหล่ตัวใหม่เข้าด้วยกัน





 แสดงความคิดเห็นย่อย แสดงความคิดเห็นย่อย

ต้นjuc3123 จาก ต้น_JUC3123 125.24.83.53 ศุกร์, 25/1/2556 เวลา : 08:32   

edit แก้ไขคำตอบ   delete ลบคำตอบ 655152

คำตอบที่ 44
       ใส่ตัวใหม่ประกอบน๊อตเบอร์ 22 และใส่ใบปัดน้ำฝนเข้าไป ปรับตั้งระดับให้ได้ตามต้องการคับ เป็นอันเสร็จ รูปที่ใส่ตอนเสร็จแล้ว ไม่ได้ถ่ายคับ





 แสดงความคิดเห็นย่อย แสดงความคิดเห็นย่อย

ต้นjuc3123 จาก ต้น_JUC3123 125.24.83.53 ศุกร์, 25/1/2556 เวลา : 08:34   

edit แก้ไขคำตอบ   delete ลบคำตอบ 655153

คำตอบที่ 45
       ช่วงนี้มีโปรโมชั่น บ้าน Jeep จรัญฯ37 เปิดให้บริการ จ-ศ เพิ่มขึ้น มีโปรโมชั่นสำหรับ คอคนรัก Jeep เปลี่ยนถ่ายน้ำมันเครื่อง กรองเครื่อง 999 บาท เท่านั้น ตั้งแต่วันนี้ถึงสิ้นเดือน กุมภาพันธ์(เดือนแห่งความรัก) สนใจโทร.เข้ามาก่อนได้คับ 081-6281025 หรือเพื่อนๆ ผ่านไปมา จรัญสนิทวงศ์ 37 ปากซอยเป็น c,8F8i แวะเข้ามา ตรวจเช็ครถ คันโปรดได้คับ ย้ำโทรเข้ามาก่อนนิดนึงจะดีมากคับ ขอบคุณคับ





สุดยอดเลยครับจะไปใช้บริการเด้อ
จาก : sgt.ต้น(sgt.ต้น) 26/1/2556 11:23:10 [49.48.155.99]
นี่ถ้าผมอยู่กรุงเทพ จะไปทุกวันเลย (ไปกินเบียร์กับเจ้าของบ้าน)5555555
จาก : เอ้ครับ(เอ้ครับ) 27/1/2556 10:41:35 [113.53.62.180]
ยินดีครับทุกท่านทุกสถานี เข้า กทม.ก็ Landline ได้ครับ
จาก : ต้นjuc3123(ต้นjuc3123) 28/1/2556 9:07:24 [101.109.193.111]
สวัสดี ครับน้าต้น เดี๋ยวว่างๆจะเอารถเข้าไปเช็คนะครับ
จาก : boonraksa(boonraksa) 25/3/2556 12:38:09 [58.8.163.86]
 แสดงความคิดเห็นย่อย แสดงความคิดเห็นย่อย

ต้นjuc3123 จาก ต้น_JUC3123 125.24.83.53 ศุกร์, 25/1/2556 เวลา : 08:40   

edit แก้ไขคำตอบ   delete ลบคำตอบ 655154

คำตอบที่ 46
       ดีจังกระทู้นี้.....เป็นอู่แล้วยังไม่หวงวิชา...สุดยอด



ขอบคุณคับ เพิ่งจะเปิดบริการจิงจัง หลังจากโดนบริษัทเลิกจ้างคับ มีอะไรเข้ามาแชร์กันนะคับ
จาก : ต้นjuc3123(ต้นjuc3123) 25/1/2556 13:59:26 [101.109.196.205]
 แสดงความคิดเห็นย่อย แสดงความคิดเห็นย่อย

santi@irpc จาก Santi@Irpc 58.97.79.195 ศุกร์, 25/1/2556 เวลา : 13:49   

edit แก้ไขคำตอบ   delete ลบคำตอบ 655169

คำตอบที่ 47
       สวัสดีน้องต้น.....
กระทู้นี้มีประโยชน์ดีมากเลย...........



สวัสดีครับพี่เป้าขอบคุณมากครับ พี่ดูแลสุขภาพด้วยนะครับ คิดถึงเสมอครับ
จาก : ต้นjuc3123(ต้นjuc3123) 28/1/2556 9:03:20 [101.109.193.111]
 แสดงความคิดเห็นย่อย แสดงความคิดเห็นย่อย

เป้าwj จาก เป้าwj 125.25.112.6 เสาร์, 26/1/2556 เวลา : 06:26   

edit แก้ไขคำตอบ   delete ลบคำตอบ 655211

คำตอบที่ 48
       สวัสดีน้าต้น..จากอช.รามคำแหง68 เติบโตขยายกิจการ
เป็นศูนย์บริการจรัญ37 ยินดีด้วยครับขอเจริญยิ่งๆขึ้นไป

หลังจากผ่าตัดกล่องมาใกล้ครบหกพันชั่วโมงสงสัยจะต้อง
ให้หมอต้นตรวจอาการอีกแล้วล่ะครับ



ขอบคุณครับน้าหนุ่ย ยินดีครับเดี๋ยวต้อนรับด้วยป๋องเขียว รอ ยำมะม่วงจากน้าละกัน
จาก : ต้นjuc3123(ต้นjuc3123) 28/1/2556 9:04:31 [101.109.193.111]
 แสดงความคิดเห็นย่อย แสดงความคิดเห็นย่อย

ลายพราง จาก ลายพราง 223.206.59.25 เสาร์, 26/1/2556 เวลา : 09:42   

edit แก้ไขคำตอบ   delete ลบคำตอบ 655225

คำตอบที่ 49
       กลับจากตจว.จะไปหานะครับฝากดูเฟืองตัวล็อคเปิด-ปิดประตูหน้าซ้ายด้วยตอนนี้รูดเรียบร้อยแล้ว ส่วนเรื่องรีทโมทรถผมโคตรกินแบต 2 วันต่อก้อน ตอนนี้เลิกใช้รีโมทแล้วใช้กุญแจไขอย่างเดียว ต้องใช้ปลัดขิกชี้ปลดซีเคียวรีตี้ทุกครั้งจนเบื่อ เลยแก้ไขโดย(ตามภาพ)ใช้งานได้ดีมาก เดี๋ยวไปหาจะแกะแพดานแล้วจะฝังเลยปลดซีเคียวตลอดกาลสำหรับโฉมมลกล่องเบอร์ 278 55555





กล่องเบอร์เดียวกัน แต่ของผมไม่มีปลัดขิก มีรีโมตอันเดียวด้วย ยังกลัวๆอยู่ว่าวันใหนจะเจ๊ง
จาก : cartoon(cartoon) 26/1/2556 19:39:43 [202.122.130.32]
ควรทำปลัดขิกหรือตัวปลดเพิ่มครับ ดีที่สุดและปลอดภัยครับ
จาก : ต้นjuc3123(ต้นjuc3123) 28/1/2556 9:06:08 [101.109.193.111]
น้า X นายแน่มาก เข้า กทม.นัดมาได้เลย ตอนนี้มีโปรเจคมันส์กำลังทำ R&D อยู่ครับ
จาก : ต้นjuc3123(ต้นjuc3123) 28/1/2556 9:08:38 [101.109.193.111]
 แสดงความคิดเห็นย่อย แสดงความคิดเห็นย่อย

triple_x จาก triple_x 223.204.13.132 เสาร์, 26/1/2556 เวลา : 18:08   

edit แก้ไขคำตอบ   delete ลบคำตอบ 655250

คำตอบที่ 50
       กลับมาเเล้วต้น ขอแสดงความยินดีกับอู่บ้าน Jeepจรัล37 ขอให้กิจการรุ่งเรือง รํ่ารวยๆ



ขอบคุณคับพี่ tony ยังไงมาทางฝั่งธนฯ แวะเข้ามาเยี่ยมบ้างนะคับ
จาก : ต้นjuc3123(ต้นjuc3123) 29/1/2556 22:36:54 [101.109.200.114]
 แสดงความคิดเห็นย่อย แสดงความคิดเห็นย่อย

zero จาก TONY 124.122.252.178 จันทร์, 28/1/2556 เวลา : 14:16   

edit แก้ไขคำตอบ   delete ลบคำตอบ 655348

คำตอบที่ 51
       ขอให้กิจการรุ่งเรืองครับ



ขอบคุณน้าหมูผอมคับ รถสตาร์ทติดยัง
จาก : ต้นjuc3123(ต้นjuc3123) 29/1/2556 22:34:47 [101.109.200.114]
ติดแล้วครับ...กล่องกลับบ้านเก่า
จาก : หมูผอม(หมูผอม) 31/1/2556 12:48:48 [118.174.44.1]
 แสดงความคิดเห็นย่อย แสดงความคิดเห็นย่อย

หมูผอม จาก หมูผอม 118.174.44.1 อังคาร, 29/1/2556 เวลา : 10:45   

edit แก้ไขคำตอบ   delete ลบคำตอบ 655396

คำตอบที่ 52
       ยินดีด้วยครับ...ขอให้กิจการรุ่งเรือง มั่งคง เป็นที่ชื่นชมของลูกค้า ...





ขอบคุณมากคับ ภาพนี้ได้ใจจริงๆ กด like
จาก : ต้นjuc3123(ต้นjuc3123) 29/1/2556 22:35:35 [101.109.200.114]
ผบ. จัดให้ครับ..มือใหม่ ยังไม่นิ่ง
จาก : juc 299_แสบ(juc 299_แสบ) 30/1/2556 10:51:41 [101.109.193.216]
 แสดงความคิดเห็นย่อย แสดงความคิดเห็นย่อย

juc 299_แสบ จาก แสบ@ม้านิล 101.109.198.225 อังคาร, 29/1/2556 เวลา : 15:34   

edit แก้ไขคำตอบ   delete ลบคำตอบ 655413

คำตอบที่ 53
       ระบบหล่อเย็น คุณดูแลเค้าครั้งสุดท้ายเมื่อไหร่???
เป็นคำถามที่หลายคนตอบไม่ได้ หรือจำไม่ได้ และไม่ได้จดไว้
บางทีการใช้รถทุกวันไปทำงานไม่เกิดปัญหาใดๆทั้งสิ้น แต่เมื่อออกทริปหรือเดินทางเท่านั้นแหล่ะ
น้ำหายในระบบหล่อเย็นบ้าง วาวล์น้ำตายไม่เปิดบ้าง ปั๊มน้ำรั่วหรือลูกปืนแตกบ้าง น้ำเดือดดันที่ฝาหม้อน้ำบ้าง หม้อน้ำรั่วบ้าง พัดลมไฟฟ้าไม่ทำงานบ้าง เหล่านี้จะพบเจอตอนเดินทางหรือออกทริกันเป็นประจำ ถ้าแก้ไขได้ก็รอดไป หรือถึงจะแก้ไขได้โดยช่างทั่วไปก็เสียเวลาในการเดินทางและไม่มั่นใจในการท่องเที่ยวในที่ๆจะไปว่าจะเกิดอะไรขึ้นอีก วันนี้จะมาแนะนำให้ดูแลตรงส่วนนี้กันบ้าง เพราะถ้าระบบหล่อเย็นมีปัญหางานเข้าแน่ๆคับ





 แสดงความคิดเห็นย่อย แสดงความคิดเห็นย่อย

ต้นjuc3123 จาก ต้น_JUC3123 125.25.99.102 พฤหัสบดี, 31/1/2556 เวลา : 08:09   

edit แก้ไขคำตอบ   delete ลบคำตอบ 655526

คำตอบที่ 54
       มาเริ่มที่การถอดพัดลมไฟฟ้าออก ถอดหม้อน้ำออกเพื่อเช็ค ระหว่างหม้อน้ำกับแผงแอร์นั้น ใบไม้แมลงที่ตายมากมาย บางทีทำให้ไปบังลมในการระบายความร้อนของหม้อน้ำ เราก็ทำความสะอาดบริเวณนี้ซะให้เรียบร้อย





 แสดงความคิดเห็นย่อย แสดงความคิดเห็นย่อย

ต้นjuc3123 จาก ต้น_JUC3123 125.25.99.102 พฤหัสบดี, 31/1/2556 เวลา : 08:13   

edit แก้ไขคำตอบ   delete ลบคำตอบ 655527

คำตอบที่ 55
       วาวล์น้ำ...
สุขภาพของวาวล์น้ำก็สำคัญนะคับ เคยเปิดดูเมื่อไหร่ แนะนำถ้าจำไม่ได้รีเซ็ตใหม่เลยคับ ถอดมาดูและ PM จะเปลี่ยนวาวล์น้ำหรือไม่เปลี่ยนแต่ถอดออกมาดูทำความสะอาด เอาไปต้มดูว่าน้ำร้อนแล้ววาวล์เปิดมั้ย ถ้าใช้งานได้ดีก็ประกอบกลับ เสื้อวาวล์น้ำก็สำคัญบางคันเป็นตามดรั่ว ก็หามาเปลี่ยนใหม่คับ





 แสดงความคิดเห็นย่อย แสดงความคิดเห็นย่อย

ต้นjuc3123 จาก ต้น_JUC3123 125.25.99.102 พฤหัสบดี, 31/1/2556 เวลา : 08:18   

edit แก้ไขคำตอบ   delete ลบคำตอบ 655528

คำตอบที่ 56
       ปั๊มน้ำ...
การเสียหายของปั๊มน้ำ ปั๊มน้ำรั่ว จะเกิดจากระบบหล่อเย็นที่น้ำเป็นสนิมแดงๆเท่านั้นที่พบบ่อยๆ แต่บางทีก็มีบ้างที่น้ำเขียวๆก็ยังเจอเพราะ หมดอายุของปั๊มน้ำ การรั่วต้องสังเกตน้ำจะหยดอยู่กลางรถ อย่าชะล่าใจเมื่อน้ำหายจากหม้อน้ำหรือกระป๋องน้ำสำรอง...





 แสดงความคิดเห็นย่อย แสดงความคิดเห็นย่อย

ต้นjuc3123 จาก ต้น_JUC3123 125.25.99.102 พฤหัสบดี, 31/1/2556 เวลา : 08:21   

edit แก้ไขคำตอบ   delete ลบคำตอบ 655529

คำตอบที่ 57
       ร่องรอยการรั่วของปั๊มน้ำคับ





 แสดงความคิดเห็นย่อย แสดงความคิดเห็นย่อย

ต้นjuc3123 จาก ต้น_JUC3123 125.25.99.102 พฤหัสบดี, 31/1/2556 เวลา : 08:26   

edit แก้ไขคำตอบ   delete ลบคำตอบ 655530

คำตอบที่ 58
       จัดการเปลี่ยนใหม่ประกอบกับ เช็คระบบพัดลมไฟฟ้า ปลั๊ก และความหนือของพัดลมฟรีปั๊ม...





 แสดงความคิดเห็นย่อย แสดงความคิดเห็นย่อย

ต้นjuc3123 จาก ต้น_JUC3123 125.25.99.102 พฤหัสบดี, 31/1/2556 เวลา : 08:29   

edit แก้ไขคำตอบ   delete ลบคำตอบ 655531

คำตอบที่ 59
       หม้อน้ำ...
ถ้ารั่วก็ซ่อมบางจุดซ่อมได้บางจุดซ่อมไม่ได้ หรือใครจะไปทำใหม่เป็น สองช่อง สามช่องก็แล้วแต่
หรือเปลี่ยนใหม่มือหนึ่ง หรือมือสองหัวตัดก็ตรวจเช็คก่อนใส่เป็นทางเลือก จะเป็นแบบทองแดงหรืออลูมิเนียมก็เลือกได้ทั้งนั้น แต่ถ้าไม่ทำมีปัญหาแน่ เพราะถ้าการเข้าออกของน้ำในหม้อน้ำไม่ดีพอ ก็จะทำให้ความร้อนขึ้นอย่างรวดเร็วและลงช้าในขณะรถวิ่งด้วยความเร็วสูง...
ถ้าดูแลกันได้ขนาดนี้ ก็ไม่มีปัญหามากวนใจแล้วละคับ...ขอตัวไปทำรถต่อก่อนนะคับ





น้าต้นครับยังมีเบอร์ของเจ้าป้อมที่ติดฟิลม์รถหรือเปล่าครับ ฟิลม์เริ่มจางอีกแล้วครับเพราะหลายปีแล้ว
จาก : แคมป์ ฅนจากป่า(แคมป์ ฅนจากป่า) 5/2/2556 15:12:22 [203.150.32.38]
ขอบคุณครับ
จาก : แคมป์ ฅนจากป่า(แคมป์ ฅนจากป่า) 5/2/2556 15:12:53 [203.150.32.38]
เบอร์ป้อมนะคับ 083-7109960 คับน้า
จาก : ต้นjuc3123(ต้นjuc3123) 5/2/2556 22:55:12 [110.77.204.220]
ขอบคุณมากครับน้าต้น คิดถึงเสมอครับฝากบอกน้องหยุงหยิงด้วยคร๊าบ
จาก : แคมป์ ฅนจากป่า(แคมป์ ฅนจากป่า) 6/2/2556 20:35:45 [115.67.226.90]
คร๊าบ น้าแคมป์
จาก : ต้นjuc3123(ต้นjuc3123) 12/2/2556 22:01:12 [110.77.205.79]
 แสดงความคิดเห็นย่อย แสดงความคิดเห็นย่อย

ต้นjuc3123 จาก ต้น_JUC3123 125.25.99.102 พฤหัสบดี, 31/1/2556 เวลา : 08:33   

edit แก้ไขคำตอบ   delete ลบคำตอบ 655532

คำตอบที่ 60
       สวัสดีปีใหม่ย้อนหลังครับ คุณต้น ร่ำรวยเงินทอง สุขภาพแข็งแรงนะครับ
ถ้าเข้า กทม ไป จะหาโอกาศแวะไปใช้บริการนะครับ
ขอบคุณครับ



ขอบคุณและยินดีคับ พี่โฉม
จาก : ต้นjuc3123(ต้นjuc3123) 4/2/2556 20:49:57 [110.77.193.91]
 แสดงความคิดเห็นย่อย แสดงความคิดเห็นย่อย

chome47 จาก chome47 182.53.219.83 จันทร์, 4/2/2556 เวลา : 15:28   

edit แก้ไขคำตอบ   delete ลบคำตอบ 655761

      

ยังมีคำตอบมากกว่านี้นะครับ คลิ๊กเพื่อดูหน้าถัดไป


คำตอบแบ่งหน้าละ 30 คำตอบ ขณะนี้คุณอยู่ที่หน้า 2 จาก >>> 1  2  3  4  5  6  



website รองรับการใช้งานทุกระบบปฏิบัติการของ PC Tablet SmartPhone ทุกระบบสามารถโพสข้อความและรูปภาพได้โดยไม่ต้องย่อไฟล์
เพื่อความปลอดภัยในการใช้ website WeekendHobby.Com สมาชิก เท่านั้น จึงจะตั้งกระทู้ หรือ ตอบกระทู้ได้ครับ
Login Click ที่นี่
สมัครสมาชิก Click ที่นี่



Since 22, Feb 2001 hit counter View My Stats  Truehits.net      วันอาทิตย์,8 กุมภาพันธ์ 2569 (Online 2223 คน)