จาก หมูผอม 125.26.24.54
ศุกร์ที่ , 16/4/2553
เวลา : 11:03
อ่านแล้ว = 22918 ครั้ง
เก็บเข้ากระทู้ส่วนตัว
แจ้งลบ
ส่งหาเพื่อน
|
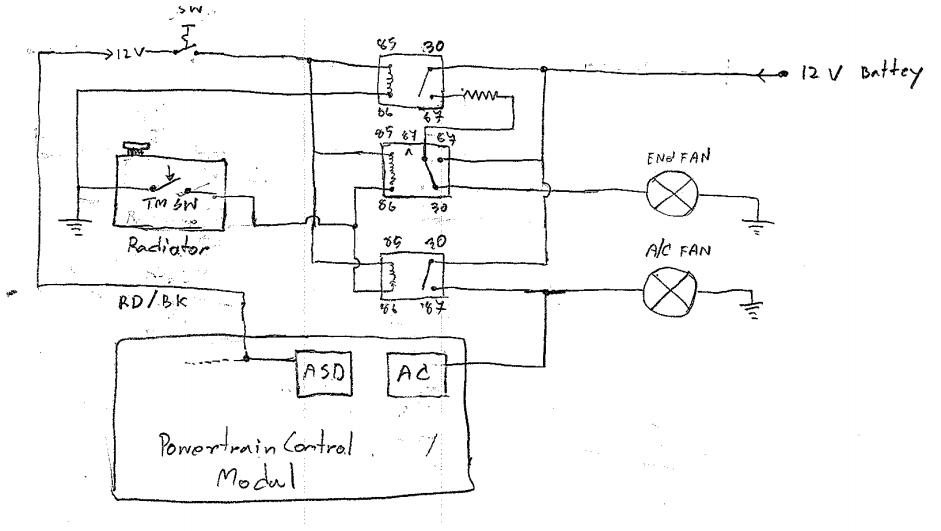
สวัสดีครับทุกท่าน....เห็นพี่ๆ ทำการต้อนรับอากาศร้อนโดยการติดตั้งพัดลมไฟฟ้า........
ผมเลยจัดการ ตามรอยDIY ดับร้อนด้วยพัดไฟฟ้าซะ.............เย็นสบายดับร้อนไปเลย : >
งานนี้ขอบคุณพี่ B27 ให้คำปรึกษา การทำงานของระบบ ขอบคุณน้าชู พี่น้ำดำ แนะนำเรื่อง Resistance >>>>> น้าบอย พอพล เรื่องการใส่ Thermo switch ...........และ JUC ให้เราได้ทำในวันนี้
http://www.thailandoffroad.com/jeep/board/Question.asp?ID=41854

|