คำตอบที่ 35
พรุ่งนี้ว่าจะเปลี่ยนยางแท่นเครื่องข้างขวา
- ขึ้นแม่แรงกันตรงไหนครับ
- ถอด คอมแอร์ + ไดชาร์จ หรือเปล่า
|
คำตอบที่ 37
มีคำถามครับ York หลัง 8.25 กับ Dana ของสี่ลิตรมันเหมือนกันไหมครับ
งานเข้าครับกากบาทล๊อคตัว camp กับ york มันสึกเป็นหลุมครับ
ถ้าเจียร์แล้ว ไม่ไหว สงสัยต้องเปลี่ยนคานเป็นDana 35 ดีกว่าหาโย้คง่ายกว่าเยอะ 555 จาก : อุดมจด.(jeep1911) 29/12/2554 17:34:46 [203.150.200.254] |
กลัวไม่มีเงินเที่ยวเอากากบาทของเก่าเอามารวมกันกับเจียร์ตัวประกับแบบพี่ว่าเรียบร้อยโรงงเรียน NRK ^_^ จาก : NRK(niceguy) 29/12/2554 20:02:50 [58.9.193.197] |
เรื่องคานเริ่มเอียงไปหาDanaแล้วครับตอนเแรกคิดว่าเฟืองอย่างเดียว มันยากหลายอย่าง จาก : NRK(niceguy) 29/12/2554 20:06:05 [58.9.193.197] |
เสียแค่เล็กกว่า....มีอะไรอีกไหมครับ???? จาก : NRK(niceguy) 29/12/2554 20:07:01 [58.9.193.197] |
แสดงความคิดเห็นย่อย
| |
|
|
|
 แก้ไขคำตอบ  ลบคำตอบ 606031
|
|
คำตอบที่ 44
จานพี่ชา คอมพ์แอร์น็อคครับ พี่เคยถอดระบบแอร์ล้างอยู่กระทู้ไหนครับ(รบกวนต้องล้างถึงขั้นไหนครับ)
|
|
|
|
 แก้ไขคำตอบ  ลบคำตอบ 607787
|
|
คำตอบที่ 56
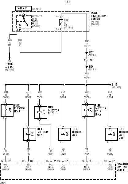
วงจร AUTOMATIC SHUTDOWN RELAY น่าจะปกติ เพราะวิ่งแกซหัวฉีดได้

|
|
|
|
 แก้ไขคำตอบ  ลบคำตอบ 609089
|
|
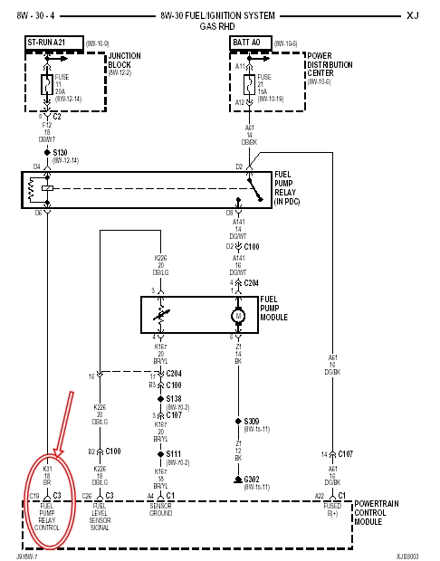
คำตอบที่ 60
เคยเจอเคชของ ดร.SAK คับ
สตาร์ทน้ำมันไม่ได้
สตาร์ทแก๊สได้ วิ่งได้พอเครื่องร้อน จึงจะกลับมาใช้น้ำมันได้
รีเลย์ full pump เสียคือ เมื่อรีเลย์ร้อนแล้ว คอนแทคจึงทำงานปกติคับ
ไม่ทราบว่า DR.Sak หายป่วยจากอาการนี้หรือยัง
|
|
|
|
 แก้ไขคำตอบ  ลบคำตอบ 609350
|
|
คำตอบแบ่งหน้าละ 30 คำตอบ ขณะนี้คุณอยู่ที่หน้า 2 จาก >>>
1 2 3 4 5 6 7
|
website รองรับการใช้งานทุกระบบปฏิบัติการของ PC Tablet SmartPhone ทุกระบบสามารถโพสข้อความและรูปภาพได้โดยไม่ต้องย่อไฟล์ เพื่อความปลอดภัยในการใช้ website WeekendHobby.Com สมาชิก เท่านั้น จึงจะตั้งกระทู้ หรือ ตอบกระทู้ได้ครับ
Login Click ที่นี่
สมัครสมาชิก Click ที่นี่
|
|
|
|
Since 22, Feb 2001
View My Stats
Truehits.net
วันอาทิตย์,8 กุมภาพันธ์ 2569
(Online 2380 คน)
|
|