WeekendHobby.com
เครื่องมือในการใช้งาน website =>> สมัครสมาชิก | Login | Logout | เปลี่ยนไอคอนส่วนตัว | เกี่ยวกับเรา | ติดต่อโฆษณา         View stat by Truehits.net


บทที่ 39 เพื่อนพร้อม...เที่ยวกันไปเรื่อยๆๆ..(น้ำดำ พาเพลิน)
JUC744
จาก น้ำดำ
110.168.40.218
พุธที่ , 9/5/2555
เวลา : 19:50

อ่านแล้ว = 22408 ครั้ง
 เก็บเข้ากระทู้ส่วนตัว
แจ้งตรวจสอบกระทู้
 แจ้งลบ
ส่งหาเพื่อน ส่งหาเพื่อน

       ถาคที่แล้ว
http://www.thailandoffroad.com/jeep/board/Question.asp?ID=45698








กวางเหลียวหลัง ใช่เปล่าเนี่ย
จาก : จ้าวเงาะ(จ้าวเงาะ) 10/5/2555 6:49:40 [101.108.98.248]
มาก่อนเพื่อนเลยนะพี่เปา
จาก : gunman(gunman) 10/5/2555 8:12:26 [125.26.50.48]
กล้องน้านี่มันคมสุดใจจริงๆ.......เห็นแล้วเกิดแรงบันดาลใจ อิอิ
จาก : thow_joe(thow_joe) 11/5/2555 1:00:24 [27.130.59.94]
แก้ไขภาคที่แล้วครับ http://www.thailandoffroad.com/jeep/board/Question.asp?ID=45805
จาก : mork(mork) 11/5/2555 1:25:05 [110.168.52.254]
สวัสดีครับน้าน้ำดำ น้าหมอก น้าตุ๋ย ฝีมือน้าคมกริบเหมือนเดิม
จาก : หมูป่าหระรี(หมูป่า1522) 17/5/2555 7:11:35 [203.155.164.147]
ภาพสวย คมชัด ดีจัง
จาก : โต้ง_juc383(โต้ง_juc383) 20/5/2555 14:59:54 [110.169.183.210]
 แสดงความคิดเห็นย่อย แสดงความคิดเห็นย่อย

แจ้งเพื่อเก็บขึ้นกระทู้พิเศษ คลิ๊กที่นี่แจ้งเพื่อนำขึ้นกระทู้พิเศษ

คำตอบแบ่งหน้าละ 30 คำตอบ ขณะนี้คุณอยู่ที่หน้า 4 จาก >>> 1  2  3  4  5  6  7  

คำตอบที่ 91
       เปรียบเทียบ .. เผื่อจะไปด้วยกันได้





Relay ตัวเล็ก A - B ใช้กับ Power Door Lock & Unlock Relay
จาก : Jedi(Jedi) 20/5/2555 14:53:15 [49.49.78.125]
 แสดงความคิดเห็นย่อย แสดงความคิดเห็นย่อย

Jedi จาก Jedi 49.49.78.125 อาทิตย์, 20/5/2555 เวลา : 14:49   

edit แก้ไขคำตอบ   delete ลบคำตอบ 625074

คำตอบที่ 92
      





Relay ตัวเล็ก C - F ใช้กับ LCD IIlumination Relay - Dimming Relay - Headlamp Relay - Horn Relay
จาก : Jedi(Jedi) 20/5/2555 14:56:26 [49.49.78.125]
 แสดงความคิดเห็นย่อย แสดงความคิดเห็นย่อย

Jedi จาก Jedi 49.49.78.125 อาทิตย์, 20/5/2555 เวลา : 14:50   

edit แก้ไขคำตอบ   delete ลบคำตอบ 625075

คำตอบที่ 93
      





Relay ตัวใหญ่ G - J ใช้กับ Power Antenna Relay - Heated Rear Window Relay - Turn Signal Relay
จาก : Jedi(Jedi) 20/5/2555 15:01:04 [49.49.78.125]
Relay ตัวใหญ่ K ไม่มีข้อมูล หากต้องการรู้ว่าต่อยังไงก้อเข้าไปดูหน้าที่อยู่ในวงเล็บ เช่น 8W-52-2
จาก : Jedi(Jedi) 20/5/2555 15:03:29 [49.49.78.125]
 แสดงความคิดเห็นย่อย แสดงความคิดเห็นย่อย

Jedi จาก Jedi 49.49.78.125 อาทิตย์, 20/5/2555 เวลา : 14:50   

edit แก้ไขคำตอบ   delete ลบคำตอบ 625076

คำตอบที่ 94
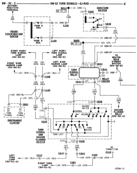
       ตัวอย่างหน้า 8W-52-2 จะเจอแบบนี้ ...





ดูต่อหน้� 8W-52-3 และ 8W-52-4 จะได้ระบบ Turn Signal-XJ-RHD ทั้งหมด !!!
จ�ก : Jedi(Jedi) 20/5/2555 15:09:54 [49.49.78.125]
สรุปว่า Power Distribution ไม่เกี่ยวอาการไฟ เจน เบรคมือ เช็คเอนจิน
จาก : plum(plum) 20/5/2555 15:29:30 [171.4.30.37]
ไม่ขึ้น แล้วก็สตาร์ทเงียบ เหมือนไม่มีไฟ
จาก : plum(plum) 20/5/2555 15:30:30 [171.4.30.37]
Power Distribution อยู่ในห้องเครื่อง .. Relay Center อยู่ใต้คอนโซลดังรูปคำตอบที่ 90 & 91 ฮับ
จาก : Jedi(Jedi) 20/5/2555 15:39:25 [49.49.78.125]
งั้นเอาใหม่สรุปว่า Relay Center ยังไม่ตรงกับปัญหาที่เกิด
จาก : plum(plum) 20/5/2555 16:18:50 [171.4.30.37]
 แสดงความคิดเห็นย่อย แสดงความคิดเห็นย่อย

Jedi จาก Jedi 49.49.78.125 อาทิตย์, 20/5/2555 เวลา : 15:06   

edit แก้ไขคำตอบ   delete ลบคำตอบ 625077

คำตอบที่ 95
       หรือต้องหามาใช้กัน มีเหลี่ยมหลายคันลองปรึกษากันดู
http://www.ebay.com/itm/1996-JEEP-CHEROKEE-Shop-Service-Repair-Manual-CD-Engine-Drivetrain-Electrical-/130595476464

น้องมล 1997 รอดตัวมีโหลดในเวป





5 ปีที่แล้วยกเล่ม 2000 มาเกือบ $100 แถมใช้ได้ไม่หมด เข้าใจผิดเห็นรถซื้อมาปี 2000 ..
จาก : Jedi(Jedi) 20/5/2555 15:29:56 [49.49.78.125]
 แสดงความคิดเห็นย่อย แสดงความคิดเห็นย่อย

Jedi จาก Jedi 49.49.78.125 อาทิตย์, 20/5/2555 เวลา : 15:26   

edit แก้ไขคำตอบ   delete ลบคำตอบ 625079

คำตอบที่ 96
       อิเล็กนี่งงเลยพี่ ไม่มีความรู้กะเค้าเลย แต่ว่าวอลโว่เคยมีัอีการคล้ายๆยังงั้น บิดแล้วเงียบ บิดสตาร์ทก็ไม่หืออืออะไร ก็ล้างสวิตย์ตูดกุญแจเอาอ้ะครับ ยัดเยียดคอนแทคคลีนเนอร์ลงไปในรู หรือว่างก็รื้อมาล้างสวตย์อ้ะครับพี่



 แสดงความคิดเห็นย่อย แสดงความคิดเห็นย่อย

mork จาก หมอกดำ 124.121.150.227 อาทิตย์, 20/5/2555 เวลา : 18:15   

edit แก้ไขคำตอบ   delete ลบคำตอบ 625109

คำตอบที่ 97
       งั้นตามไป .. 8D Ignition System เข้าหา Ignition Switch ...
ฉีด Contact Cleaner เข้ารูลูกกุญแจไม่น่ามีผลมากนัก เพราะ ชุดลูกกุญแจกับชุด Contactor แยกกัน





ใช้คอนแทคคลีนเนอร์นะครับพี่...ห้ามใช้โซแนคเด็ดขาด..นะครับ
จาก : น้ำดำ(JUC744) 21/5/2555 8:52:50 [110.168.2.103]
 แสดงความคิดเห็นย่อย แสดงความคิดเห็นย่อย

Jedi จาก Jedi 49.49.78.125 อาทิตย์, 20/5/2555 เวลา : 19:39   

edit แก้ไขคำตอบ   delete ลบคำตอบ 625113

คำตอบที่ 98
       ลองดูไปเรื่อย ๆ เผื่อใช่





ว่าจะรื้อแล้วแต่ไม่มีเครื่องมือ ต้องจัดซื้อ
จาก : plum(plum) 20/5/2555 20:15:30 [223.206.126.81]
เอาไปรื้อ...บ้านกร่างมั๊ยพี่ปล้ำ...555
จาก : น้ำดำ(JUC744) 21/5/2555 8:54:18 [110.168.2.103]
 แสดงความคิดเห็นย่อย แสดงความคิดเห็นย่อย

Jedi จาก Jedi 49.49.78.125 อาทิตย์, 20/5/2555 เวลา : 19:42   

edit แก้ไขคำตอบ   delete ลบคำตอบ 625114

คำตอบที่ 99
       เห็นพี่ดมเล่นเครื่องซักผ้าเช็ดมือ
ผมก็กำลังกับเครื่องต้มน้ำ ชงกาแฟ Boiler 1200 ตัน มันไม่ยอมต้มน้ำ ...จะไหวไหมว่า
ไม่มีเวลาทำรถ.....อะไรก็ไม่ได้ทำ....จอดจนแบตพังไป 2ลูก....แร้ว
แต่จา...เทียว...งะ





ไม่ได้เจอกันนานแระ ไปนอนป่า...กับผมมั้ย
จาก : plum(plum) 20/5/2555 21:58:16 [223.206.126.81]
จาเที่ยวก็ต้องทำรถดิพี่
จาก : mork(mork) 20/5/2555 22:04:39 [124.121.150.227]
อม(แล้ว)ร่อนด้วย ... ฮา
จาก : Jedi(Jedi) 20/5/2555 22:05:36 [49.49.78.125]
อ๊ะ อ๊ะ pwm สวิทชิ่งโหมด เพาเวอร์ทรัพย์จางแม่นบ่ ส่งมานี่เลยเด๋วเอาไปทิ้งให้
จาก : อุดมจด. (Jeep1911) 21/5/2555 0:03:29 [58.9.105.64]
C บวม PM น่าจะหาย
จาก : gunman(gunman) 21/5/2555 8:10:10 [125.26.55.114]
 แสดงความคิดเห็นย่อย แสดงความคิดเห็นย่อย

p.i.96 จาก พี่พล 27.130.111.135 อาทิตย์, 20/5/2555 เวลา : 20:57   

edit แก้ไขคำตอบ   delete ลบคำตอบ 625141

คำตอบที่ 100
       อันนี้มา ยืน...ยัน ดีจิง... ไม่แน้น ส่องไกล ตกหล่น....ทนทาน
ตกน้ำไม่ไหล(อยู่ก้นพ้น) ตกไฟไม่รอด





คนอยู่กับเรือมา...ยัน
จาก : plum(plum) 20/5/2555 21:57:01 [223.206.126.81]
มีสีเทาด้วยดิ สวยอ้ะ
จาก : mork(mork) 20/5/2555 22:03:28 [124.121.150.227]
พี่พลลองถ่าน 2200 ลิลแอมป์ดี ใช้ได้เลยพี่
จาก : mork(mork) 20/5/2555 22:04:00 [124.121.150.227]
พี่หมอกหงอน เผื่อด้วยอันนึงนะเอาจริง สั่งยังละ
จาก : gunman(gunman) 21/5/2555 8:10:55 [125.26.55.114]
 แสดงความคิดเห็นย่อย แสดงความคิดเห็นย่อย

p.i.96 จาก พี่พล 27.130.111.135 อาทิตย์, 20/5/2555 เวลา : 21:47   

edit แก้ไขคำตอบ   delete ลบคำตอบ 625144

คำตอบที่ 101
       ไม่ได้ซ่อมรถ.....เลย พาของเล่นใหม่......ไปเดินยิงนก..บ้านกร่าง....ขอบอกโดนเต็ม ๆ ๆ

รูปชุดนี้ ไม่แต่งสี ไม่ Crop ครับ Nikon AIS 400 F5.6





อย่างแจ่มเลยอะ คมชัด สีสด
จ�ก : น้ำต�ลขม(น้ำต�ลขม) 20/5/2555 22:25:48 [180.180.70.135]
สวยจิ๊ง...เสียดาย
จาก : plum(plum) 20/5/2555 22:45:20 [223.206.126.81]
วิวิดป่าวนี่
จาก : mork(mork) 21/5/2555 0:08:19 [124.121.150.227]
ไม่ต้องเสียดายพี่ปล้ำ นกขยับเค้าไม่ทันเราแน่นอน
จาก : mork(mork) 21/5/2555 0:09:33 [124.121.150.227]
Vivid + Green
จาก : xj4.56(xj4.56) 21/5/2555 6:48:33 [124.121.184.203]
เต็มๆ ชัดๆ คมๆ ...แจ่มอ่ะท่านพี่...ของเล่นใหม่นี้...มันแจ่มจริงๆๆ
จาก : น้ำดำ(JUC744) 21/5/2555 8:03:32 [110.168.2.103]
 แสดงความคิดเห็นย่อย แสดงความคิดเห็นย่อย

xj4.56 จาก ต้นมะลิ 124.121.14.160 อาทิตย์, 20/5/2555 เวลา : 22:22   

edit แก้ไขคำตอบ   delete ลบคำตอบ 625152

คำตอบที่ 102
       ทดสอบ nd10 stop กลางแดดเปรี้ยงๆวันนี้





มีเพื่อนเล่นและ
จาก : xj4.56(xj4.56) 20/5/2555 22:25:46 [124.121.14.160]
คนละแนวเลย ทะเล กะนกในป่า
จาก : น้ำตาลขม(น้ำตาลขม) 20/5/2555 22:26:33 [180.180.70.135]
ของเล่นราคาแพงแฮะ
จาก : xj4.56(xj4.56) 20/5/2555 22:31:31 [124.121.14.160]
400 ais น่าจะแพงกว่าน้าาาา
จาก : น้ำตาลขม(น้ำตาลขม) 20/5/2555 22:43:55 [180.180.70.135]
ชอบจังน้องหนู...ได้อารมย์อ่ะ...ชอบๆๆๆ
จาก : น้ำดำ(JUC744) 21/5/2555 8:06:39 [110.168.2.103]
 แสดงความคิดเห็นย่อย แสดงความคิดเห็นย่อย

น้ำตาลขม จาก น้ำตาลขม 180.180.70.135 อาทิตย์, 20/5/2555 เวลา : 22:24   

edit แก้ไขคำตอบ   delete ลบคำตอบ 625154

คำตอบที่ 103
       เดินยิงครับ.....ไม่มี Blind........................





 แสดงความคิดเห็นย่อย แสดงความคิดเห็นย่อย

xj4.56 จาก ต้นมะลิ 124.121.14.160 อาทิตย์, 20/5/2555 เวลา : 22:25   

edit แก้ไขคำตอบ   delete ลบคำตอบ 625155

คำตอบที่ 104
       ของเล่น ใหม่ ถูกใจจัง........แต่วันนี้ไปเจอรุ่น ปู่ Nikon AI 600 F4 สยบเลย





เอามาล่อเหมือนจะตั้งแก๊งค์ไปบ้านกร่าง + โป่งลึก งั้นแหละ !!!
จาก : Jedi(Jedi) 20/5/2555 22:30:11 [49.49.78.125]
จะรอนะนะนะนะนะ
จาก : xj4.56(xj4.56) 20/5/2555 23:05:12 [124.121.14.160]
 แสดงความคิดเห็นย่อย แสดงความคิดเห็นย่อย

xj4.56 จาก ต้นมะลิ 124.121.14.160 อาทิตย์, 20/5/2555 เวลา : 22:27   

edit แก้ไขคำตอบ   delete ลบคำตอบ 625156

คำตอบที่ 105
       นกก็เยอะ.......ฝนก็จะตก......เอาไงวะเนี่ย.....





ย้อนแสงมีม่วงเหมือนกันพี่
จาก : mork(mork) 21/5/2555 0:07:27 [124.121.150.227]
 แสดงความคิดเห็นย่อย แสดงความคิดเห็นย่อย

xj4.56 จาก ต้นมะลิ 124.121.14.160 อาทิตย์, 20/5/2555 เวลา : 22:29   

edit แก้ไขคำตอบ   delete ลบคำตอบ 625158

คำตอบที่ 106
       เน้นครับ ทริปนี้ ไม่มีครอป.........อิอิอิ

สนป่าวพี่ปล้ำ......





หุ หุ 300+1.4 จะสู้ไหวป่าวเนี้ยะ
จาก : plum(plum) 20/5/2555 22:48:27 [223.206.126.81]
l[kpruj
จาก : mork(mork) 21/5/2555 0:10:42 [124.121.150.227]
สบายพี่
จาก : mork(mork) 21/5/2555 0:10:53 [124.121.150.227]
น่าจะได้ดีกว่านี้พี่...พอเจอนกแล้วสั่นไปหมด กลัวไม่ได้ถ่าย บินหนี
จาก : xj4.56(xj4.56) 21/5/2555 6:50:09 [124.121.184.203]
ของเล่นใหม่เค้าแรงอ่ะ..พี่ปล้ำ...เอาอีกๆๆๆ...ท่านพี่ชอบๆๆๆๆๆ
จาก : น้ำดำ(JUC744) 21/5/2555 8:18:29 [110.168.2.103]
 แสดงความคิดเห็นย่อย แสดงความคิดเห็นย่อย

xj4.56 จาก ต้นมะลิ 124.121.14.160 อาทิตย์, 20/5/2555 เวลา : 22:30   

edit แก้ไขคำตอบ   delete ลบคำตอบ 625160

คำตอบที่ 107
       ขอเบิ้ล พระเอกอีกซักรูป..........พี่ชา ใกล้ ๆ โป่งลึก เดี๋ยวไปนอนรอก่อนเลย 2 วัน....





ระยะกี่เมตรวานบอก
จาก : plum(plum) 20/5/2555 22:57:21 [223.206.126.81]
ประมาณ 10 เมตร แต่อยู่ในที่ซุ้ม มืดมาก ได้เจอคอแดงด้วยพี่ ไม่ชัด ที่เดียวกัน เดิน ๆ ก็เจอ
จาก : xj4.56(xj4.56) 20/5/2555 23:01:28 [124.121.14.160]
กว่าหน่อย ๆ
จาก : xj4.56(xj4.56) 20/5/2555 23:05:52 [124.121.14.160]
ชอบนกยี่ห้อนี่จัง สวย
จาก : น้ำตาลขม(น้ำตาลขม) 20/5/2555 23:14:59 [180.180.70.135]
อู๊ยยยยย....ชอบๆๆๆๆๆ
จาก : น้ำดำ(JUC744) 21/5/2555 8:20:25 [110.168.2.103]
 แสดงความคิดเห็นย่อย แสดงความคิดเห็นย่อย

xj4.56 จาก ต้นมะลิ 124.121.14.160 อาทิตย์, 20/5/2555 เวลา : 22:33   

edit แก้ไขคำตอบ   delete ลบคำตอบ 625161

คำตอบที่ 108
       ว่าจะไม่ถ่ายรูปแนวนี้แล้วเชียว.....อดไม่ได้........ขอโทษครับ อยู่ในช่วงทดสอบ เลนส์.....







ชัดเจน แต่ไม่โปร่งใส .. ไงหว่� !!!
จ�ก : Jedi(Jedi) 20/5/2555 22:44:35 [49.49.78.125]
มีหล�ยรูป แต่ออกอ�ก�ศไม่ได้พี่
จ�ก : xj4.56(xj4.56) 20/5/2555 22:54:33 [124.121.14.160]
เหอะ...
จ�ก : plum(plum) 20/5/2555 22:58:38 [223.206.126.81]
เสื้อดีๆ ก็ไม่ใส่
จาก : plum(plum) 20/5/2555 22:59:17 [223.206.126.81]
สายตายังดีเหมือนเดิมนะ...พี่ต้น55555
จาก : น้ำดำ(JUC744) 21/5/2555 8:22:25 [110.168.2.103]
นกกะละพลัดขน อิอิ
จาก : ไวไว(ไวไว) 21/5/2555 11:07:00 [124.120.58.70]
ผมว่าภาพเนี๊ยะ มันไม่ได้ เซ็นเตอร์ป่ะ
จาก : mork(mork) 22/5/2555 0:02:50 [110.169.146.47]
 แสดงความคิดเห็นย่อย แสดงความคิดเห็นย่อย

xj4.56 จาก ต้นมะลิ 124.121.14.160 อาทิตย์, 20/5/2555 เวลา : 22:41   

edit แก้ไขคำตอบ   delete ลบคำตอบ 625164

คำตอบที่ 109
       ได้มาสองรูปกะเวลาสองชม.ตอนเที่ยงๆ ทำเอาตัวอันเดอร์ไปสองสตอปด้วย





ถ่ายยังไง สอบบ้างเด้อ...แจ่ม
จาก : plum(plum) 20/5/2555 22:49:44 [223.206.126.81]
ต้องมาสอนที่ภูเก็ตนะพี่
จาก : น้ำตาลขม(น้ำตาลขม) 20/5/2555 22:51:40 [180.180.70.135]
ก่อนอื่น เอาหน้าเลนส์ไปลนไฟให้ทึบ ๆ แสงก่อนพี่ แล้วค่อย เอามาถ่าย Long Exp.
จาก : xj4.56(xj4.56) 20/5/2555 22:53:21 [124.121.14.160]
ใช่ปะ น่้อง ขม
จาก : xj4.56(xj4.56) 20/5/2555 22:53:37 [124.121.14.160]
พี่ต้นนี่รู้จริง อะไรจริง
จาก : น้ำตาลขม(น้ำตาลขม) 20/5/2555 23:01:53 [180.180.70.135]
น้องขม...เล่นได้โดนใจ...เจงๆๆๆๆ
จาก : น้ำดำ(JUC744) 21/5/2555 8:24:31 [110.168.2.103]
 แสดงความคิดเห็นย่อย แสดงความคิดเห็นย่อย

น้ำตาลขม จาก น้ำตาลขม 180.180.70.135 อาทิตย์, 20/5/2555 เวลา : 22:48   

edit แก้ไขคำตอบ   delete ลบคำตอบ 625165

คำตอบที่ 110
       ง่วงแล้ว........นอนดีกั่ว....จุ๊บ ๆ





เฝ้�ต้นนี้ก็เพลินแล้ว...เจอกันแน่บ้�นกร่�ง
จ�ก : plum(plum) 20/5/2555 23:08:21 [223.206.126.81]
กำลังสุกเลยพี่
จ�ก : xj4.56(xj4.56) 20/5/2555 23:11:38 [124.121.14.160]
จะไปแย่งนกกิน
จาก : plum(plum) 20/5/2555 23:13:48 [223.206.126.81]
แจ้งกำหนดการมาเลยยยย...พี่ปล้ำ...ของไปแย่งด้วยคน...5555
จาก : น้ำดำ(JUC744) 21/5/2555 8:26:07 [110.168.2.103]
สนใจไกด์ ป่าว.....คิดไม่แพง
จาก : xj4.56(xj4.56) 21/5/2555 12:35:08 [125.27.148.177]
 แสดงความคิดเห็นย่อย แสดงความคิดเห็นย่อย

xj4.56 จาก ต้นมะลิ 124.121.14.160 อาทิตย์, 20/5/2555 เวลา : 22:59   

edit แก้ไขคำตอบ   delete ลบคำตอบ 625167



คำตอบที่ 111
       เลนส์ ตัวนี้พอไปวัด ได้ไหมพี่...แต่อยากได้ AI 600 F4 ที่พี่คนนึงเขามาเดินถ่าย....อย่างสว่างเลยพี่.....จีบไว้และ เบื่อให้โทรบอก





ไปวัดใช้เลนส์เหรอ นึกว่าพกไม้บรรทัด-ตลับเมตร ... ฮาาาาาาาาาาาาาา
จาก : Jedi(Jedi) 21/5/2555 7:29:49 [49.49.78.125]
หรือ ใช้
โยนเข้าไป...เลยยท่านพี่....5555...ได้ภาพอย่างงี้...ต้องเข้าป่าสถานเดียววววว
จาก : น้ำดำ(JUC744) 21/5/2555 8:28:27 [110.168.2.103]
 แสดงความคิดเห็นย่อย แสดงความคิดเห็นย่อย

xj4.56 จาก ต้นมะลิ 124.121.14.160 อาทิตย์, 20/5/2555 เวลา : 23:04   

edit แก้ไขคำตอบ   delete ลบคำตอบ 625168

คำตอบที่ 112
       เวลาน้อยไปหน่อย.....ลืมเติมน้ำมันรถไปอีก....เลยไม่ได้ขึ้นไปพะเนินทุ่ง....





 แสดงความคิดเห็นย่อย แสดงความคิดเห็นย่อย

xj4.56 จาก ต้นมะลิ 124.121.14.160 อาทิตย์, 20/5/2555 เวลา : 23:07   

edit แก้ไขคำตอบ   delete ลบคำตอบ 625169

คำตอบที่ 113
       ดูเล่น ๆ ไปพลาง ๆ ก่อนครับ แล้วเจอกันที่ บ้านกร่าง......

หมอกอยากได้ Blind วะ.....





เพลินเลยนะพี่
จ�ก : น้ำต�ลขม(น้ำต�ลขม) 20/5/2555 23:12:28 [180.180.70.135]
อิอิอิ มีคนอิฉ�อยู่ 2 คน อิอิอิ
จ�ก : xj4.56(xj4.56) 20/5/2555 23:27:34 [124.121.14.160]
ผู้ใดจัดหาบังไพร ฝากด้วย 1 จำนวน
จาก : plum(plum) 21/5/2555 6:57:07 [171.4.227.50]
 แสดงความคิดเห็นย่อย แสดงความคิดเห็นย่อย

xj4.56 จาก ต้นมะลิ 124.121.14.160 อาทิตย์, 20/5/2555 เวลา : 23:10   

edit แก้ไขคำตอบ   delete ลบคำตอบ 625170

คำตอบที่ 114
       +++ไปงานบวช เจอแต่แบบนี้+++





เสียงดีอีกต่างหาก
จาก : plum(plum) 20/5/2555 23:15:22 [223.206.126.81]
สงสัยร้องดัง ..
จาก : Jedi(Jedi) 21/5/2555 7:30:25 [49.49.78.125]
เสียงหวานด้วยยยย...พี่ชา555
จาก : น้ำดำ(JUC744) 21/5/2555 8:31:52 [110.168.2.103]
ไวๆๆจิง ครับ พี่ป.ปล้ำฮาๆๆๆๆๆๆๆๆๆๆๆๆๆๆๆๆๆๆๆๆๆๆๆๆๆๆๆๆๆๆๆๆๆๆๆๆๆๆๆๆๆๆๆๆๆๆๆๆๆๆๆๆๆๆๆๆๆๆๆๆๆๆ
จาก : อ้ายหนุ่มหมื่นคลิป(นายนกแก้ว) 21/5/2555 10:23:41 [110.164.182.138]
 แสดงความคิดเห็นย่อย แสดงความคิดเห็นย่อย

plum จาก ป.ปล้ำ 223.206.126.81 อาทิตย์, 20/5/2555 เวลา : 23:12   

edit แก้ไขคำตอบ   delete ลบคำตอบ 625171

คำตอบที่ 115
       ต้นนี้ต้นเดียว ได้ทั้งวันพี่ มี เขียวคราม ติ๊ดสุรต่าน เข้าด้วย ถ่ายไม่ไดก้พี่....





ไปแน่ coming soon
จาก : plum(plum) 20/5/2555 23:19:03 [223.206.126.81]
อยากไปมั่ง อยากถ่ายนก
จาก : น้ำตาลขม(น้ำตาลขม) 20/5/2555 23:21:13 [180.180.70.135]
ไม่มีทากด้วยนะ....น้องขม555555
จาก : น้ำดำ(JUC744) 21/5/2555 8:33:21 [110.168.2.103]
 แสดงความคิดเห็นย่อย แสดงความคิดเห็นย่อย

xj4.56 จาก ต้นมะลิ 124.121.14.160 อาทิตย์, 20/5/2555 เวลา : 23:16   

edit แก้ไขคำตอบ   delete ลบคำตอบ 625172

คำตอบที่ 116
       เสียดายไปเจอตัวนี้ เกือบมืด.......อยู่ใกล้ ๆ กับ อกสีเงิน..





บรื้อๆๆๆๆๆๆๆๆ
จาก : น้ำดำ(JUC744) 21/5/2555 8:34:49 [110.168.2.103]
 แสดงความคิดเห็นย่อย แสดงความคิดเห็นย่อย

xj4.56 จาก ต้นมะลิ 124.121.14.160 อาทิตย์, 20/5/2555 เวลา : 23:21   

edit แก้ไขคำตอบ   delete ลบคำตอบ 625173

คำตอบที่ 117
       อาทิตย์ หน้าจาไปนั่งเฝ้า......อีก





บรื้อๆๆๆๆๆๆๆๆ
จาก : น้ำดำ(JUC744) 21/5/2555 8:35:26 [110.168.2.103]
 แสดงความคิดเห็นย่อย แสดงความคิดเห็นย่อย

xj4.56 จาก ต้นมะลิ 124.121.14.160 อาทิตย์, 20/5/2555 เวลา : 23:29   

edit แก้ไขคำตอบ   delete ลบคำตอบ 625174

คำตอบที่ 118
       เอาเจ้าตัวนี้มาฝาก......เคาะต้นไม้ดังมาก......

http://youtu.be/46APrqmnE8Q

มีสามคลิป รออีก ห้านาที ดูได้ อิอิอิ





เล่นตัวจัง มีให้รอด้วย ไปนอนดีกว่า เบื่อรอแระ
จ�ก : น้ำต�ลขม(น้ำต�ลขม) 20/5/2555 23:35:21 [180.180.70.135]
อยากได้บอดี้ใหม่อะ
จาก : plum(plum) 20/5/2555 23:55:51 [223.206.126.81]
มีตังแล้วจัดเลยพี่
จาก : mork(mork) 21/5/2555 0:27:05 [124.121.150.227]
http://youtu.be/cjLmVKYqAqE
จาก : xj4.56(xj4.56) 21/5/2555 6:42:25 [124.121.184.203]
 แสดงความคิดเห็นย่อย แสดงความคิดเห็นย่อย

xj4.56 จาก ต้นมะลิ 124.121.14.160 อาทิตย์, 20/5/2555 เวลา : 23:32   

edit แก้ไขคำตอบ   delete ลบคำตอบ 625175

คำตอบที่ 119
       คิิดแยกยอดใ้และพ่ปล้ำ ดำเนินการได้เลย เพื่อเครียยอดไว้ใช้สอยกันต่อไป หุหุ
ยอดพี่ปล้ำ 220.71 us x 32 = 7063 B.
ยอดหมอก 16.03 us x 32 = 513 + ค่าสงของจากสุพรรณ 67 บาท = 580 B.



รับแซบ ป.ปืน ขอหมายเลขด้วย
จาก : plum(plum) 21/5/2555 10:19:05 [182.52.109.242]
หมอกจัด d7000 เลยดีมั้ย
จาก : plum(plum) 21/5/2555 10:23:01 [182.52.109.242]
แอบเชียร์ จัดเลยพี่ปาหลัด
จาก : น้ำตาลขม(น้ำตาลขม) 21/5/2555 12:02:56 [180.180.75.43]
http://www.taklong.com/marketplace/show-marketplace.php?No=673382. นำเสนอด้วย
จาก : น้ำตาลขม(น้ำตาลขม) 21/5/2555 12:26:07 [180.180.75.43]
http://www.taklong.com/marketplace/show-marketplace.php?No=673869. เจออีกตัวถูกกว่า
จาก : น้ำตาลขม(น้ำตาลขม) 21/5/2555 12:56:25 [180.180.75.43]
แล้วแต่พี่เลยครับ สเปคเยี่ยม แต่จับไม่เข้ามือผม อันนี้ก็แล้วแต่พี่และ ส่วนผมรอ 400
จาก : mork(mork) 21/5/2555 13:23:58 [110.168.57.74]
มีคนบอกเหมือนกันให้รอตัวใหม่ แต่รหัสสี่ตัว
จาก : plum(plum) 21/5/2555 14:20:33 [182.52.109.242]
สี่ตัว ไม่เชื่อเรื่อง handding อ้ะพี่ ผมขอ iso เท่า 7000 แต่จับแบบ 300s พอและ
จาก : mork(mork) 22/5/2555 0:01:21 [110.169.146.47]
 แสดงความคิดเห็นย่อย แสดงความคิดเห็นย่อย

mork จาก หมอกดำ 124.121.150.227 จันทร์, 21/5/2555 เวลา : 10:04   

edit แก้ไขคำตอบ   delete ลบคำตอบ 625207

คำตอบที่ 120
       นกตัวนี้เห็นสวยดี......เอามาฝากไวไว ละกัน....คุยบอกมาบ่อยเกือบทุกทิตย์เลย






อาทิตย์ที่ 2-3-4 นัดน้องเค้าไว้ให้หน่อยพี่ ไปดูนกกัน อิอิ จาร์ชา เปิด ลงทะเบียนเร็วๆ
จาก : ไวไว(ไวไว) 21/5/2555 12:55:28 [124.120.58.70]
ดูแล้วน่าจะมากับพ่อ
จาก : plum(plum) 21/5/2555 14:22:26 [182.52.109.242]
 แสดงความคิดเห็นย่อย แสดงความคิดเห็นย่อย

xj4.56 จาก ต้นมะลิ 125.27.148.177 จันทร์, 21/5/2555 เวลา : 12:33   

edit แก้ไขคำตอบ   delete ลบคำตอบ 625226

      

ยังมีคำตอบมากกว่านี้นะครับ คลิ๊กเพื่อดูหน้าถัดไป


คำตอบแบ่งหน้าละ 30 คำตอบ ขณะนี้คุณอยู่ที่หน้า 4 จาก >>> 1  2  3  4  5  6  7  



website รองรับการใช้งานทุกระบบปฏิบัติการของ PC Tablet SmartPhone ทุกระบบสามารถโพสข้อความและรูปภาพได้โดยไม่ต้องย่อไฟล์
เพื่อความปลอดภัยในการใช้ website WeekendHobby.Com สมาชิก เท่านั้น จึงจะตั้งกระทู้ หรือ ตอบกระทู้ได้ครับ
Login Click ที่นี่
สมัครสมาชิก Click ที่นี่

Since 22, Feb 2001 hit counter View My Stats  Truehits.net      วันอาทิตย์,8 กุมภาพันธ์ 2569 (Online 2322 คน)