WeekendHobby.com
เครื่องมือในการใช้งาน website =>> สมัครสมาชิก | Login | Logout | เปลี่ยนไอคอนส่วนตัว | เกี่ยวกับเรา | ติดต่อโฆษณา         View stat by Truehits.net


บทที่ 43 "เพื่อนพร้อม" แกงรวมหม้อเดียวกัน ...
Jedi
จาก Jedi
223.204.122.59
พุธที่ , 29/8/2555
เวลา : 15:45

อ่านแล้ว = 15777 ครั้ง
 เก็บเข้ากระทู้ส่วนตัว
แจ้งตรวจสอบกระทู้
 แจ้งลบ
ส่งหาเพื่อน ส่งหาเพื่อน

       จากบทที่แล้ว

http://www.thailandoffroad.com/jeep/board/Question.asp?ID=46085

ถึงเวลาคั่วหอย + ผัดนกลงหม้อเดียวกัน ___________ ei ei ei






 แสดงความคิดเห็นย่อย แสดงความคิดเห็นย่อย

แจ้งเพื่อเก็บขึ้นกระทู้พิเศษ คลิ๊กที่นี่แจ้งเพื่อนำขึ้นกระทู้พิเศษ

คำตอบแบ่งหน้าละ 30 คำตอบ ขณะนี้คุณอยู่ที่หน้า 3 จาก >>> 1  2  3  4  5  6  7  

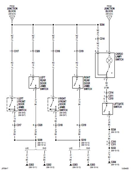
คำตอบที่ 61
       หมอก .. LIFTGATE SW.





 แสดงความคิดเห็นย่อย แสดงความคิดเห็นย่อย

Jedi จาก Jedi 49.49.82.221 พุธ, 26/9/2555 เวลา : 13:30   

edit แก้ไขคำตอบ   delete ลบคำตอบ 642391

คำตอบที่ 62
       อยู่ตรงนี้ .. LIFTGATE JAMB SW.





ตัวสีดำ ..
จาก : Jedi(Jedi) 26/9/2555 13:34:16 [49.49.82.221]
 แสดงความคิดเห็นย่อย แสดงความคิดเห็นย่อย

Jedi จาก Jedi 49.49.82.221 พุธ, 26/9/2555 เวลา : 13:32   

edit แก้ไขคำตอบ   delete ลบคำตอบ 642392

คำตอบที่ 63
       ลักษณะ ..





 แสดงความคิดเห็นย่อย แสดงความคิดเห็นย่อย

Jedi จาก Jedi 49.49.82.221 พุธ, 26/9/2555 เวลา : 13:33   

edit แก้ไขคำตอบ   delete ลบคำตอบ 642394

คำตอบที่ 64
       ถึง .. พี่-น้อง "เพื่อนพร้อม"
ด้วยเสาร์นี้หมอใหญ่นัดผ่าตัดเสริมอก ตั้งแต่สองโมงเช้าเป็นต้นไป จึงขอกำลังใจจากพี่-น้องที่ว่างจากงานหว่าน - ไถ เข้ามาดูใจกันหน่อย ในช่วงเย็นคงเข้าไปพักฟื้นที่สาขา 1 สักพักก่อนแยกย้ายกลับบ้าน
จะดูใจ ..................



เหล้า - ยา ปลาปิ้ง เพี๊ยบบบบบบบบบบบบบบบบบ .. บ






คิดดีแล้วเหรอพี่......พลาด กลับมาใหม่ไม่ได้นา.....อิอิอิอิ
จาก : xj4.56(xj4.56) 26/9/2555 18:27:45 [182.52.115.170]
เสริมอึ๋มคับพี่....
จาก : จ้าวเงาะ(จ้าวเงาะ) 26/9/2555 18:31:14 [115.67.7.75]
ชีวิตไม่นิ่ง หากมีสิ่งใหม่ ชีวิตไม่ใส หากสิ่งใหม่ไม่จบ
จาก : เอนก(anek) 26/9/2555 19:39:43 [124.121.12.197]
มีพี่เหนกเตียงข้าง ..กลัวที่ไหน _______________ 5+
จาก : Jedi(Jedi) 26/9/2555 20:38:21 [223.206.63.138]
 แสดงความคิดเห็นย่อย แสดงความคิดเห็นย่อย

Jedi จาก Jedi 223.206.63.138 พุธ, 26/9/2555 เวลา : 17:25   

edit แก้ไขคำตอบ   delete ลบคำตอบ 642430

คำตอบที่ 65
       ฝากให้ลุงดม
ป.ล.และพี่น้องเพื่อนพร้อม





ที่ลุงดมแปลงไหนอ่ะ จะไปบอกเฮีย !!!
จาก : Jedi(Jedi) 26/9/2555 20:41:07 [223.206.63.138]
ทริป..ช่วยเตี่ยเก็บล็องก็อง..
จาก : จ้าวเงาะ(จ้าวเงาะ) 26/9/2555 23:24:15 [115.67.167.247]
 แสดงความคิดเห็นย่อย แสดงความคิดเห็นย่อย

จ้าวเงาะ จาก จ้าวเงาะ 115.67.7.75 พุธ, 26/9/2555 เวลา : 18:29   

edit แก้ไขคำตอบ   delete ลบคำตอบ 642433

คำตอบที่ 66
       http://www.weekendhobby.com/camp/webboard/Question.asp?ID=8995
ทริปวันปิยะ..เพื่อนพร้อมจะไปชิม..



ชิมปิยะเหรอจ้าวเงาะ .. มันจะเหลือรึนั่น ___________ เงียบไปนานผิดปกติ
จาก : Jedi(Jedi) 26/9/2555 21:04:40 [223.206.63.138]
ลุงเก๊า..ยืมทอสับ..ไปอ้ะ
จาก : จ้าวเงาะ(จ้าวเงาะ) 26/9/2555 23:19:58 [115.67.167.247]
 แสดงความคิดเห็นย่อย แสดงความคิดเห็นย่อย

จ้าวเงาะ จาก จ้าวเงาะ 115.67.167.247 พุธ, 26/9/2555 เวลา : 20:45   

edit แก้ไขคำตอบ   delete ลบคำตอบ 642442

คำตอบที่ 67
       เตรียมพร้อม...แต่ไม่พร้อมเตรียม...ขาดแต่เวลา..จบ



ขอแค่เวลา .. นอกนั้นเด๋วหาไว้รอฮับ
จาก : Jedi(Jedi) 27/9/2555 19:35:47 [49.49.140.254]
 แสดงความคิดเห็นย่อย แสดงความคิดเห็นย่อย

anek จาก EcuOriginalJeep 124.121.190.20 พฤหัสบดี, 27/9/2555 เวลา : 18:11   

edit แก้ไขคำตอบ   delete ลบคำตอบ 642549

คำตอบที่ 68
       เรียน.ลุงต้น(นก)-ลุงชา(หอย)ครับ. หลานปิดเทอมแล้ว จัดทริปพาเที่ยวหน่อยคร้าบ



คาน Zj รับน้ำ 54 ตอนนี้สนิมเยอะซะแล้ว รอชั่งโลสถานเดียว..เสียดายจัง
จาก : เอนก(anek) 28/9/2555 9:11:03 [124.121.190.20]
โดนบ่นหูชาเลย..555
จาก : juc 299_แสบ(juc 299_แสบ) 28/9/2555 16:59:24 [125.24.84.213]
 แสดงความคิดเห็นย่อย แสดงความคิดเห็นย่อย

juc 299_แสบ จาก แสบ@ม้านิล 125.25.110.10 พฤหัสบดี, 27/9/2555 เวลา : 19:24   

edit แก้ไขคำตอบ   delete ลบคำตอบ 642558

คำตอบที่ 69
       เตรียมตัวพบหมอใหญ่ และต้องพักฟื้นอีกกี่วัน เตรียมตัวกันไว้แต่เนิ่น ๆ เด๋วจาบอก
ช่วงพอมีเวลาก้อจับยัดห่วง .. จะได้หายห่วง





เผื่อซักหลอดดิพี่
จาก : ไวไว(ไวไว) 28/9/2555 13:06:52 [58.11.239.17]
เผื่อคนไกลๆ ซักชุดนะ
จาก : rotee(rotee) 29/9/2555 12:35:53 [223.204.19.250]
 แสดงความคิดเห็นย่อย แสดงความคิดเห็นย่อย

Jedi จาก Jedi 49.49.140.254 พฤหัสบดี, 27/9/2555 เวลา : 19:48   

edit แก้ไขคำตอบ   delete ลบคำตอบ 642560

คำตอบที่ 70
       ยาวตัด สั้นต่อ ไม่พอขอ(ซื้อ)





 แสดงความคิดเห็นย่อย แสดงความคิดเห็นย่อย

Jedi จาก Jedi 49.49.140.254 พฤหัสบดี, 27/9/2555 เวลา : 19:51   

edit แก้ไขคำตอบ   delete ลบคำตอบ 642561

คำตอบที่ 71
       กำลังหาทางไปบ่อดิน.....มืดเกิ้นนนนนน





เพชรบุรีมะพี่.....ทางดี สว่าง......มีหลุมดักน้ำให้เล่น
จาก : xj4.56(xj4.56) 29/9/2555 18:56:17 [182.52.114.139]
นอกจากมืดแล้วยังมีน้ำ แถมติดดดดโคลน.....ยุงเข้ามาชมเข้ามาเป็นเพื่อนเป็นล้านน
จาก : อุดมจด.(jeep1911) 30/9/2555 12:42:53 [58.97.125.35]
ไฟหน้าแจ่มดีจังครับพี่
จาก : chome47(chome47) 30/9/2555 17:58:05 [182.53.153.177]
LED แถวบนเค้าจัดให้ครับ
จาก : อุดมจด.(jeep1911) 1/10/2555 10:50:09 [58.97.125.35]
 แสดงความคิดเห็นย่อย แสดงความคิดเห็นย่อย

jeep1911 จาก อุดมจด. 58.97.125.35 เสาร์, 29/9/2555 เวลา : 16:23   

edit แก้ไขคำตอบ   delete ลบคำตอบ 642709

คำตอบที่ 72
       เก้าอี้ประจำเดือน.ตุลา....ออกมาแล้ว...



 แสดงความคิดเห็นย่อย แสดงความคิดเห็นย่อย

ดมร่มโพธิ์ จาก ดมร่มโพธ์ 124.121.68.182 เสาร์, 29/9/2555 เวลา : 19:32   

edit แก้ไขคำตอบ   delete ลบคำตอบ 642718

คำตอบที่ 73
       ตามหลัก...สักขีพยาน





 แสดงความคิดเห็นย่อย แสดงความคิดเห็นย่อย

ดมร่มโพธิ์ จาก ดมร่มโพธ์ 124.121.68.182 เสาร์, 29/9/2555 เวลา : 19:34   

edit แก้ไขคำตอบ   delete ลบคำตอบ 642719

คำตอบที่ 74
       สองคนสู้นานหน่อย





 แสดงความคิดเห็นย่อย แสดงความคิดเห็นย่อย

ดมร่มโพธิ์ จาก ดมร่มโพธ์ 124.121.68.182 เสาร์, 29/9/2555 เวลา : 19:37   

edit แก้ไขคำตอบ   delete ลบคำตอบ 642720

คำตอบที่ 75
       ผู้โชคดี.....ประจำเดือนตุลา....






ฮั้วกันป่าว.
จาก : จ้าวเงาะ(จ้าวเงาะ) 29/9/2555 22:49:56 [125.27.66.109]
ไม่เห็นรู้เรื่องเลย....จะลงซักกะ หน่อย
จาก : xj4.56(xj4.56) 29/9/2555 23:29:53 [182.52.114.139]
ยินดีเป็นพยานในชั้นศาล..เห็นว่าจะไปคบหาเลนส์ส่องนก!!!
จาก : Jedi(Jedi) 30/9/2555 12:54:57 [110.49.243.19]
เมื่อคืน..ขากลับหล่นหลุมกางถนน...แมกซ์แตก..กระจังอีโฟกส์หล่นหาย..เซ็งเลยย...กว่าจะได้นอนตี 2
จาก : น้ำดำ(JUC744) 30/9/2555 13:07:55 [124.122.35.95]
ไปโดนแถวไหนพี่ คนขับปลอดภัยโอแย้ว
จาก : ไวไว(ไวไว) 30/9/2555 19:41:07 [115.87.58.222]
ตกหนน ไม่หนัก กว่าจะได้นอน เคลียร์นานกว่า
จาก : xj4.56(xj4.56) 30/9/2555 19:51:09 [182.52.115.120]
นอนตี 2 ทำบ่น ช่วยเปลี่ยนยางเสร็จ ขากลับเมาหรือโง่ มาเรื่อยๆ ข้างหน้าไปสุพรรณ เฮ้ยยยยย...กลับรถ
จาก : juc 299_แสบ(juc 299_แสบ) 30/9/2555 21:24:09 [180.180.16.186]
ยังไม่พอเจอฝนตกหนัก ที่ปัดน้ำฝนไม่ทำงาน จอดรถข้างทางรอฝนซา ถึงบ้านตี 3...555
จาก : juc 299_แสบ(juc 299_แสบ) 30/9/2555 21:32:29 [180.180.16.186]
มุขเดียวกะผม
จาก : ไวไว(ไวไว) 1/10/2555 12:34:21 [180.180.62.160]
 แสดงความคิดเห็นย่อย แสดงความคิดเห็นย่อย

ดมร่มโพธิ์ จาก ดมร่มโพธ์ 124.121.68.182 เสาร์, 29/9/2555 เวลา : 19:41   

edit แก้ไขคำตอบ   delete ลบคำตอบ 642721

คำตอบที่ 76
       ระหว่างรอเด็ดหูครับจานชา http://musicstation.kapook.com/view48169.html



ฮา....555
จาก : NICEGUY(NICEGUY) 30/9/2555 19:26:00 [58.9.195.60]
พยายามมองหา จานชาอยู่
จาก : xj4.56(xj4.56) 30/9/2555 19:54:45 [182.52.115.120]
ทร.ก็ทำอะไรน่ารักๆเป็นน่ะ จานชาแกไปทำเสียง ฮุๆ อยู่ข้างล้อเครื่องบินครับ
จาก : อุดมจด.(jeep1911) 1/10/2555 10:49:19 [58.97.125.35]
 แสดงความคิดเห็นย่อย แสดงความคิดเห็นย่อย

jeep1911 จาก อุดมจด. 58.97.125.35 อาทิตย์, 30/9/2555 เวลา : 17:46   

edit แก้ไขคำตอบ   delete ลบคำตอบ 642758

คำตอบที่ 77
       ส่งการบ้านพี่ชา หน้าตามันเป็นอย่างนี้ ติดกะกลอนเลย





 แสดงความคิดเห็นย่อย แสดงความคิดเห็นย่อย

mork จาก หมอกดำ 115.87.2.197 อาทิตย์, 30/9/2555 เวลา : 19:33   

edit แก้ไขคำตอบ   delete ลบคำตอบ 642773

คำตอบที่ 78
       รื้อฝาหลังเสร็จ รถจมเลย





ไปแก้คันที่ไหนเนี่ย
จาก : ไวไว(ไวไว) 30/9/2555 19:40:22 [115.87.58.222]
เฮ้ย แอน หนีไปแล้ว.....โน่น.....คันเหรือ
จาก : xj4.56(xj4.56) 30/9/2555 19:55:55 [182.52.115.120]
น้าให้พาเข้าสวนป่าสัก ไหลลงข้างทางซะงั้น
จาก : mork(mork) 1/10/2555 1:09:13 [124.122.211.216]
 แสดงความคิดเห็นย่อย แสดงความคิดเห็นย่อย

mork จาก หมอกดำ 115.87.2.197 อาทิตย์, 30/9/2555 เวลา : 19:34   

edit แก้ไขคำตอบ   delete ลบคำตอบ 642774

คำตอบที่ 79
       เหมือนแพแตก





รถสวยๆทุกคันเลยครับ
จาก : nuad(nuad) 1/10/2555 5:58:24 [58.11.57.116]
สวัสดีครับจ้าวเงาะ และเพื่อนพร้อมทุกท่าน
จาก : papa.jeab(papa.jeab) 1/10/2555 7:04:33 [183.89.72.39]
สวัสดีครับป๋า ว่างไปชิมโป่งมายังมีความอร่อยหวานมันเช่นเดิมครับ..
จาก : จ้าวเงาะ(จ้าวเงาะ) 1/10/2555 12:42:12 [115.67.68.252]
 แสดงความคิดเห็นย่อย แสดงความคิดเห็นย่อย

จ้าวเงาะ จาก จ้าวเงาะ 101.109.104.30 อาทิตย์, 30/9/2555 เวลา : 23:11   

edit แก้ไขคำตอบ   delete ลบคำตอบ 642789

คำตอบที่ 80
       ไม่มีคนสั่งการ...ขับไม่มัน...เหงาปาก...





แอบหนี .. ยังมีเหน็บ !!!
จาก : Jedi(Jedi) 2/10/2555 8:55:03 [180.180.13.96]
 แสดงความคิดเห็นย่อย แสดงความคิดเห็นย่อย

จ้าวเงาะ จาก จ้าวเงาะ 115.67.68.252 จันทร์, 1/10/2555 เวลา : 12:46   

edit แก้ไขคำตอบ   delete ลบคำตอบ 642860

คำตอบที่ 81
       แอบหนีแฟนเที่ยว ขอให้ยกมือขึ้น





 แสดงความคิดเห็นย่อย แสดงความคิดเห็นย่อย

gunman จาก GUNMAN 125.26.85.202 จันทร์, 1/10/2555 เวลา : 16:20   

edit แก้ไขคำตอบ   delete ลบคำตอบ 642875

คำตอบที่ 82
       เนินรับแขก ลงไปแระ เนว์อยู่หลัง จะบอกกันยังไง





 แสดงความคิดเห็นย่อย แสดงความคิดเห็นย่อย

gunman จาก GUNMAN 125.26.85.202 จันทร์, 1/10/2555 เวลา : 16:22   

edit แก้ไขคำตอบ   delete ลบคำตอบ 642876

คำตอบที่ 83
       หลอก LN ไปปู้ยี่ ปู้ยำ





 แสดงความคิดเห็นย่อย แสดงความคิดเห็นย่อย

gunman จาก GUNMAN 125.26.85.202 จันทร์, 1/10/2555 เวลา : 16:23   

edit แก้ไขคำตอบ   delete ลบคำตอบ 642877

คำตอบที่ 84
       ลงมาทางนี้ อาหนวด





 แสดงความคิดเห็นย่อย แสดงความคิดเห็นย่อย

gunman จาก GUNMAN 125.26.85.202 จันทร์, 1/10/2555 เวลา : 16:24   

edit แก้ไขคำตอบ   delete ลบคำตอบ 642878

คำตอบที่ 85
       มาดู "ท้องฟ้า" ให้หน่อย ยังอยู่ดีป่าว ปลดขารั้งออกแระ





 แสดงความคิดเห็นย่อย แสดงความคิดเห็นย่อย

gunman จาก GUNMAN 125.26.85.202 จันทร์, 1/10/2555 เวลา : 16:25   

edit แก้ไขคำตอบ   delete ลบคำตอบ 642879

คำตอบที่ 86
       ดีนะที่ ด.ยาว เฮ้ย เดือยยาว ติดอยู่นิดเดียว





ถนัดนัก .. ขาหลังเนี๊ยะ !!!
จาก : Jedi(Jedi) 2/10/2555 17:21:27 [223.205.28.36]
 แสดงความคิดเห็นย่อย แสดงความคิดเห็นย่อย

gunman จาก GUNMAN 125.26.85.202 จันทร์, 1/10/2555 เวลา : 16:26   

edit แก้ไขคำตอบ   delete ลบคำตอบ 642880

คำตอบที่ 87
       เนินสลับ





 แสดงความคิดเห็นย่อย แสดงความคิดเห็นย่อย

gunman จาก GUNMAN 125.26.85.202 จันทร์, 1/10/2555 เวลา : 16:27   

edit แก้ไขคำตอบ   delete ลบคำตอบ 642881

คำตอบที่ 88
       ส่งมาขนาดหนัก





 แสดงความคิดเห็นย่อย แสดงความคิดเห็นย่อย

gunman จาก GUNMAN 125.26.85.202 จันทร์, 1/10/2555 เวลา : 16:27   

edit แก้ไขคำตอบ   delete ลบคำตอบ 642882

คำตอบที่ 89
       รอฝนแป๊บ ก่อนขึ้นรากไม้





 แสดงความคิดเห็นย่อย แสดงความคิดเห็นย่อย

gunman จาก GUNMAN 125.26.85.202 จันทร์, 1/10/2555 เวลา : 16:28   

edit แก้ไขคำตอบ   delete ลบคำตอบ 642883

คำตอบที่ 90
       รากไม้ อาหนวดมาเฉยเลย





 แสดงความคิดเห็นย่อย แสดงความคิดเห็นย่อย

gunman จาก GUNMAN 125.26.85.202 จันทร์, 1/10/2555 เวลา : 16:29   

edit แก้ไขคำตอบ   delete ลบคำตอบ 642884

      

ยังมีคำตอบมากกว่านี้นะครับ คลิ๊กเพื่อดูหน้าถัดไป


คำตอบแบ่งหน้าละ 30 คำตอบ ขณะนี้คุณอยู่ที่หน้า 3 จาก >>> 1  2  3  4  5  6  7  



website รองรับการใช้งานทุกระบบปฏิบัติการของ PC Tablet SmartPhone ทุกระบบสามารถโพสข้อความและรูปภาพได้โดยไม่ต้องย่อไฟล์
เพื่อความปลอดภัยในการใช้ website WeekendHobby.Com สมาชิก เท่านั้น จึงจะตั้งกระทู้ หรือ ตอบกระทู้ได้ครับ
Login Click ที่นี่
สมัครสมาชิก Click ที่นี่



Since 22, Feb 2001 hit counter View My Stats  Truehits.net      วันอาทิตย์,8 กุมภาพันธ์ 2569 (Online 2352 คน)