WeekendHobby.com
เครื่องมือในการใช้งาน website =>> สมัครสมาชิก | Login | Logout | เปลี่ยนไอคอนส่วนตัว | เกี่ยวกับเรา | ติดต่อโฆษณา         View stat by Truehits.net


Cv Yoke SYE Conversion NP242 Jeep Xj 1994-1998
anek
จาก Ecu_Original_Jeep
124.121.65.43
อังคารที่ , 4/8/2552
เวลา : 21:40

อ่านแล้ว = 36276 ครั้ง
 เก็บเข้ากระทู้ส่วนตัว
แจ้งตรวจสอบกระทู้
 แจ้งลบ
ส่งหาเพื่อน ส่งหาเพื่อน

       หลังจากที่ได้ลองทำเล่นครั้งแรก รู้สึกว่า ยังดีไม่เป็นที่ พอใจผมสักเท่าไร
เลย ลองแบบนี้บ้าง รายละเอียด จะต่อย ๆ นำมาลงให้ชมกัน ครับ
อันนี้ Version 1.0
http://www.thailandoffroad.com/jeep/board/Question.asp?ID=J35212







 แสดงความคิดเห็นย่อย แสดงความคิดเห็นย่อย

แจ้งเพื่อเก็บขึ้นกระทู้พิเศษ คลิ๊กที่นี่แจ้งเพื่อนำขึ้นกระทู้พิเศษ

คำตอบแบ่งหน้าละ 30 คำตอบ ขณะนี้คุณอยู่ที่หน้า 6 จาก >>> 1  2  3  4  5  6  7  

คำตอบที่ 151
       อันนี้ของต่างประเทศ เป็นเกียร์ 4x4 รุ่น Np 242 j ซึ่งครงกับบ้านเราพอดี





 แสดงความคิดเห็นย่อย แสดงความคิดเห็นย่อย

anek จาก Ecu Original Jeep 124.122.214.30 อาทิตย์, 20/6/2553 เวลา : 08:36   

edit แก้ไขคำตอบ   delete ลบคำตอบ 508546

คำตอบที่ 152
       สำหรับ Yoke ท้ายเกียร์ 4x4 ตอนนี้ออกแบบเสร็จแล้ว
รอให้โรงกลึงจัดการกลึงพร้อมทำ ขึ้นรูป ให้เสร็จสมบูรณ์ก่อน
จะนำมาทดสอบ หากไม่มีข้อผิดพลาด จะได้ชุบแข็ง เป็น Yoke
ที่ใช้งานจริงต่อไป เมื่อเทียบกับของต่างประเทศ ราคาถูกกว่าเยอะ
อีกทั้งยังได้รูปแบบ ตามที่เราต้องการอีกด้วย การออกแบบลักษณะ นี้
สามารถใช้ได้กับเกียร์ xj4.0 xj2.5 เหลี่ยม+มล แต่ก็ยังเผื่อไว้สำหรับ
Zj อีกด้วย เรียกว่า เอาให้ครบกันไปเลย ในคราวเดียวกัน ไม่เสียเวลาออกแบบ
อ้อ...ลืมไปว่า ชุดนี้ไม่มีการเชื่อมต่อแต่อย่างใด กลึงขึ้นรูป อย่างเดียว
ใช้เหล็กท่อนเดียวในการกลึง ซึ่งชุดนี้ต้องการแบบ Havy Duty Yoke



 แก้ไขเมื่อ : 22/6/2553 14:04:59



 แสดงความคิดเห็นย่อย แสดงความคิดเห็นย่อย

anek จาก Ecu Original Jeep 124.121.234.81 อังคาร, 22/6/2553 เวลา : 13:51   

edit แก้ไขคำตอบ   delete ลบคำตอบ 509334

คำตอบที่ 153
       โอ้โห้.....เก่งจังครับน้า ผมแค่คิดจะถอดก็ท้อแล้ว



 แสดงความคิดเห็นย่อย แสดงความคิดเห็นย่อย

w_hm จาก อิ่ม 61.19.86.242 พุธ, 23/6/2553 เวลา : 13:06   

edit แก้ไขคำตอบ   delete ลบคำตอบ 509634

คำตอบที่ 154
       น่าสน แฮะ...น่าจะสวมเข้า เฟืองหน้า WJ ได้ด้วย...

...ขอ อนุญาติออกความเห็นต่างหน่อย ครับพี่ เรื่องการชุบ..ปรกติแล้ว การชุบแข็ง เอาไว้เพื่อให้ทนการเสียดสีของโลหะ แต่ ยอก ไม่ได้ไปเสียดสีกับอะไร มันต้องการแค่ความเหนียวอย่างเดียว อะครับ เกรงว่าการชุบ จะไปเพิ่มความแข็งของโลหะ มันจะยิ่งเปราะ ยิ่งแตกง่าย ....ผมว่า เลือกเหล็ก Machinary steel เกรดดีๆ ... ไม่ต้องชุบก็ได้ครับ พี่ ....อย่างเช่น AISI 4140/4340 ....



 แสดงความคิดเห็นย่อย แสดงความคิดเห็นย่อย

chat.chu จาก คน(โรง)เหล็ก 58.136.10.148 พุธ, 23/6/2553 เวลา : 16:09   

edit แก้ไขคำตอบ   delete ลบคำตอบ 509692

คำตอบที่ 155
       -แหม.. ท่านอิ่ม มันทำไม่อยาก หรอกครับ ลองทำแล้วมันสนุก ดี
ได้แนวคิดไปเลื่อย ๆ เพื่อนก็ส่งกำลังใจ หลังไมล์ พอสมควร
ต้องอย่างโน้น อย่างนี้ อะไรประมาณ นั้น สุดท้าย ก็เลยแก้ กันไปเลื่อย ๆ

-ขอบคุณครับ ท่านคน(โรง)เหล็ก เรื่องนี้ผมก็คิดอยู่เหมือนกัน
แต่ ช่างที่รับงานกลึงให้ผม เขาแนะนำแบบนี้เหมือนกัน
ว่าเอาเหล้กเกรด ดี ๆ ส่วนการชุบ จะชุบเฉพาะ จุดที่ สวมเข้ากับซิลเท่านั้น
พอดีเลย ได้ความรู้เพิ่ม เติม ด้วย ว่าง มีโอกาส หลังไมล์ ได้ ไหมครับ ขอบคุณล่วงหน้า



 แสดงความคิดเห็นย่อย แสดงความคิดเห็นย่อย

anek จาก Ecu Original Jeep 124.121.61.49 พุธ, 23/6/2553 เวลา : 16:18   

edit แก้ไขคำตอบ   delete ลบคำตอบ 509695

คำตอบที่ 156
       พี่เอนก...ลองทำชุดนี้ดูพี่...รับรองเพลายาวอีกเยอะ....ลดความชีนด้วย....
เผื่อเป็นแนวทางให้ได้ใช้ของดี ๆ .....ถ่ายจากรถผมเองครับ...





 แสดงความคิดเห็นย่อย แสดงความคิดเห็นย่อย

xj4.56 จาก ต้นมะลิ 111.84.30.69 ศุกร์, 25/6/2553 เวลา : 16:16   

edit แก้ไขคำตอบ   delete ลบคำตอบ 510256

คำตอบที่ 157
       " จะชุบเฉพาะ จุดที่ สวมเข้ากับซิลเท่านั้น" ....

ออ ใช่ๆ พี่ ผมลืมจุดนี้ไป ...ว่าต้องมีซีลมาสัมผัสด้วย ถ้าอย่างนั้น ไม่ต้องชุบทั้งตัวครับ... คือชุบเฉพาะจุด ... ในสมัยก่อน +++ โรงชุบจะเรียกว่า รูดผิว ... คล้ายๆว่า เอาไฟมาเผาเฉพาะบริเวณที่ต้องการให้แข็งเท่านั้น ... อีกแบบที่ น่าจะดี โรงชุบที่ทันสมัยจะมี.. เขาจะเรียกว่า ชุบแบบ Carburizing คือการเพิ่ม คาร์บอนเข้าไปเฉพาะที่ผิวชุบเท่านั้น ส่งผลให้แข็ง เฉพาะที่ผิวสัมผัสจะเลือกให้แข็ง กี่ HRC ก็ได้... เฟืองเครื่องจกรทั้งหมดจะเป็นแบบนี้ ...แต่ปัญหาคือ วัสดุทำชิ้นงานต้องรองรับการทำ Carburizing ได้ร้านขายเหล็กส่วนใหญ่ทราบ

....หน้าไมล์/หลังไมล์ ด้วยความยินดีครับ...



 แสดงความคิดเห็นย่อย แสดงความคิดเห็นย่อย

chat.chu จาก คน(โรง)เหล็ก 58.136.10.143 เสาร์, 26/6/2553 เวลา : 13:33   

edit แก้ไขคำตอบ   delete ลบคำตอบ 510401

คำตอบที่ 158
       ขอบคุณครับ ท่านต้นมะลิ
สำหรับ 2.5 เกียร์ 4x4 จะเป็นรุ่น NP231 J
ซึ่งมืองนอกเขาใฃ้ชุดนี้กัน เหมือนกับ แรงเรอร์ บ้านเรา
ส่วนของเกียรื 4x4 XJ ZJ บ้านเรา เป็นรุ่น NP242 J
ซึ่งทั้งสองรุ่นน่าจะแตกต่างที่ เฟืองรับเพลา ส่วน สปาย ที่ 27 Spline
ทั้งสองรุ่นเท่ากัน ตามตัวอย่างของท่านต้นมะลิ เป็นชุด คิด จาก เมืองนอก
Yoke เป็นแบบ CV Yoke 32 Spline ตอนทำ ต้องผ่าเกียร์ เปลี่ยแกนเพลาใหม่
เอา ชุดคิดใส่แทนของเดิม เสียดาย ตอนที่ทำของ 2.5 ไม่ได้วัดขนาด เพลาเกียร์ เอาไว้
ราคาประมาณ 10500 + ไม่รวม ค่าขนส่ง และเพลา 8 ทิศ เบ๊ดเสร็จ ผมว่าน่าจะ 20000 กลาง ๆ
ซึ่งราคา สูง พอสมควร ผมเลยอยากลองเล่นเอง บ้าง





 แสดงความคิดเห็นย่อย แสดงความคิดเห็นย่อย

anek จาก EcuOriginalJeep 124.122.33.79 อาทิตย์, 27/6/2553 เวลา : 00:23   

edit แก้ไขคำตอบ   delete ลบคำตอบ 510436

คำตอบที่ 159
       แบบนี้เลย ที่ผม เอามาเป็นตัวอย่าง





 แสดงความคิดเห็นย่อย แสดงความคิดเห็นย่อย

anek จาก EcuOriginalJeep 124.122.33.79 อาทิตย์, 27/6/2553 เวลา : 00:26   

edit แก้ไขคำตอบ   delete ลบคำตอบ 510437

คำตอบที่ 160
       แบบนี้ NP242 ตรง กับที่บ้านเราใช้
ราคาอยู่ที่ 470 USD หรือประมาณ 16,450 บาท ไม่รวมค่าจัดส่ง





 แสดงความคิดเห็นย่อย แสดงความคิดเห็นย่อย

anek จาก Ecu Original Jeep 124.122.22.30 อาทิตย์, 27/6/2553 เวลา : 09:44   

edit แก้ไขคำตอบ   delete ลบคำตอบ 510444

คำตอบที่ 161
       สรุปได้ว่า แกนเพลาเกียร์ 231 กับ 242 แตกต่างกัน ไม่มามารถใช้ร่วมกันได้
สังเกตู รูปแกนเพลา ของคำตอบที่ 158 กับ 160 ดู ว่า ร่องเฟือง และจุดรับลูกปืน
ไม่เหมือนกันเลย



 แสดงความคิดเห็นย่อย แสดงความคิดเห็นย่อย

anek จาก EcuOriginalJeep 124.122.22.30 อาทิตย์, 27/6/2553 เวลา : 09:48   

edit แก้ไขคำตอบ   delete ลบคำตอบ 510445

คำตอบที่ 162
       ขอถามประดับความรู้ หน่อยครับ...ว่า ยอก ของ 4 ทิศเอามาใช้ กับ 8 ทิศได้มั๊ยครับ



 แสดงความคิดเห็นย่อย แสดงความคิดเห็นย่อย

chat.chu จาก คน(โรง)เหล็ก 58.136.10.178 จันทร์, 28/6/2553 เวลา : 11:51   

edit แก้ไขคำตอบ   delete ลบคำตอบ 510636

คำตอบที่ 163
       คำตอบที่ 162
ตอบได้เลยว่า ใช้ร่วมกันไม่ได้ เพราะเขาออกแบบ มาเพื่อใช้งานแตกต่างกัน
สรุปว่า การ กลึง Yoke แกนเพลา มีปัญหาตรงจุด รับ ลูกปืนกากะบาด






 แสดงความคิดเห็นย่อย แสดงความคิดเห็นย่อย

anek จาก EcuOriginalJeep 124.121.107.211 ศุกร์, 2/7/2553 เวลา : 10:11   

edit แก้ไขคำตอบ   delete ลบคำตอบ 511734

คำตอบที่ 164
       รูปแบบที่คิดไว้ เลย ซะลอไว้ก่อน คงต้องหันมา เล่นแบบนี้ ดีกว่า แต่ว่า ราคา น่าจะสูง
แต่ คงไม่มากเท่าไร แต่ผลที่ได้รับ น่าจบ แบบเนียน ๆ





 แสดงความคิดเห็นย่อย แสดงความคิดเห็นย่อย

anek จาก EcuOriginalJeep 124.121.107.211 ศุกร์, 2/7/2553 เวลา : 10:13   

edit แก้ไขคำตอบ   delete ลบคำตอบ 511735

คำตอบที่ 165
       เยี่ยมเลยครับ ยิ่งอ่านยิ่งมีความรู้ รบกวนนอกเรื่องอีกนิดครับ คือถ้ารถที่ไม่ใช่ 4x4 แล้วแปลงเป็น 4x4 คือการเพิ่มชุดเพลาหน้า และทรานเฟอร์แคช เข้าไปใช่ไหมครับ และถ้าใช่จะจำกัดในเรื่องของชุดทรานเฟอร์แคชหรือเปล่าครับ



 แสดงความคิดเห็นย่อย แสดงความคิดเห็นย่อย

w_hm จาก อิ่ม 61.19.86.242 ศุกร์, 2/7/2553 เวลา : 11:37   

edit แก้ไขคำตอบ   delete ลบคำตอบ 511772

คำตอบที่ 166
       โห...คุณอิ่ม จะเล่นแปลงเลยเหรอ .... ผมว่ามันไม่น่าจะจำกัดแค่นั้น ... เพราะเพลาหน้าที่ใส่มาเพิ่ม มันจะต้องไปรับกับปีกนก อะไรอีกหลายอย่าง...



 แสดงความคิดเห็นย่อย แสดงความคิดเห็นย่อย

chat.chu จาก คน(โรง)เหล็ก 58.136.10.128 ศุกร์, 2/7/2553 เวลา : 16:05   

edit แก้ไขคำตอบ   delete ลบคำตอบ 511851

คำตอบที่ 167
       ย่องเข้ามาดูพี่เอนก....
สรุปเอาแบบของเดิมล้างสไปลน์ทิ้งแล้วสไลด์ใหม่ หรือสร้างมาใหม่ทั้งยวงดี? เผื่อจะไป 4+4 บ้างน่ะครับ



 แสดงความคิดเห็นย่อย แสดงความคิดเห็นย่อย

jeep1911 จาก อุดม จด. 203.150.200.253 ศุกร์, 2/7/2553 เวลา : 17:33   

edit แก้ไขคำตอบ   delete ลบคำตอบ 511870

คำตอบที่ 168
       สุดยอดเลยครับพี่เอนก รอชมแปดทิศหลังของ ZJ



 แสดงความคิดเห็นย่อย แสดงความคิดเห็นย่อย

golf2858 จาก กอล์ฟZJ 183.89.233.201 เสาร์, 3/7/2553 เวลา : 01:27   

edit แก้ไขคำตอบ   delete ลบคำตอบ 511949

คำตอบที่ 169
       ชัดเจนเปลี่ยนพี่.......ผมทำมา หกปีกว่าและนิ่งสนิท......เลยลองเอามาเผื่อพี่จาลองดู

ติดตามครับ ติดตาม ๆ ๆ



 แสดงความคิดเห็นย่อย แสดงความคิดเห็นย่อย

xj4.56 จาก ต้นมะลิ 111.84.138.124 เสาร์, 3/7/2553 เวลา : 08:26   

edit แก้ไขคำตอบ   delete ลบคำตอบ 511979

คำตอบที่ 170
       อ่ะนะ น้าคน(โรง)เหล็กครับ คือว่าผมมีรถกระบะเก่า ๆ อยู่ 1 คันครับ เพิ่งเปลี่ยนเครื่องเป็น SR20DE เกียร์ AT ครับ กะว่าจะวางคานแข็งหน้า และหาชุดทรานเฟอร์มาใส่ครับ ทีนี้ผมส่งใสว่า ทรานเฟอร์ที่หามา มันสามารถแปลงใส่ได้เลยหรือไม่ครับ??????



 แสดงความคิดเห็นย่อย แสดงความคิดเห็นย่อย

w_hm จาก อิ่ม 117.47.187.35 เสาร์, 3/7/2553 เวลา : 14:18   

edit แก้ไขคำตอบ   delete ลบคำตอบ 512014

คำตอบที่ 171
       ลองเอา Yoke หน้า เกียร์ 2.5 (231j) มาสร้างสปายใหม่จากเดิม 26 สปาย มาเป็น 27 สปาย
ความยาวเท่าเดิม อ้นนี้เหมาะ สำหรับ ผู้ที่ชอบเล่น หนัก ๆ หรือ ท่านอุดม จด. สนใจเป็น 4+4
หากสนใจ 4+4 จริง ๆ งั้น ผม ของ เพิ่ม อีก 2 ได้ ปะ 4+4+2 = 10 ทิศไปเลยดีปะ 55555+
ท่าน กอล์ฟZJ ผมยังไม่ มีโอกาสได้ลองทำเลย แต่หลักการ คงไม่หนีกันมากนัก
จากประสบการณ์จริง ผมเคยเห็นหลายท่านใช้ 8 ทิศ ของ LN บางท่านก็จบ ที่จบ คือ เกียร์ 4x4 จบเป็นเศษเหล็กไปเลย อิ ๆ เอาข้อมูลมาฝากกันไป..





 แสดงความคิดเห็นย่อย แสดงความคิดเห็นย่อย

anek จาก EcuOriginalJeep 124.121.67.248 อาทิตย์, 4/7/2553 เวลา : 19:12   

edit แก้ไขคำตอบ   delete ลบคำตอบ 512079

คำตอบที่ 172
       ลองประกอบดูแล้ว เข้าท่า ดี จัง ความแข็งแรง เท่าของเดิม






 แสดงความคิดเห็นย่อย แสดงความคิดเห็นย่อย

จาก EcuOriginalJeep 124.121.67.248 อาทิตย์, 4/7/2553 เวลา : 19:16   

edit แก้ไขคำตอบ   delete ลบคำตอบ 512080

คำตอบที่ 173
       นี่คือสภาพของเกียร์ 4x4 ที่ใช้ เพลา 8 ทิศ ของ LN
ตัวเกียร์ แยกส่วน เสียหายสนิท





 แสดงความคิดเห็นย่อย แสดงความคิดเห็นย่อย

anek จาก EcuOriginalJeep 124.121.108.104 จันทร์, 5/7/2553 เวลา : 21:43   

edit แก้ไขคำตอบ   delete ลบคำตอบ 512522

คำตอบที่ 174
       มาดูภายในกันบ้าง หลังจากที่เพลา สั่น จนทำให้ลูกปืนภายในเสียหาย
ส่งผลให้ เสื้อเกียร์ ร้าว น้ำมันไหลออก จนทำให้แกนเพลาเกียร์ เสียดสีกันจนได้รับ
ความเสียหาย จนไม่สามารถ กู้คืนได้เลย





 แสดงความคิดเห็นย่อย แสดงความคิดเห็นย่อย

anek จาก EcuOriginalJeep 124.121.108.104 จันทร์, 5/7/2553 เวลา : 21:46   

edit แก้ไขคำตอบ   delete ลบคำตอบ 512524

คำตอบที่ 175
       มาดูหน้าตา ของ แกนเพลาเกียร์ 4x4 รุ่น NP 242 j (4.0L) กับ NP 231 j (2.5L)
ไม่สามารถใข้แทนกันได้ เลย ขนาดของเพลา และ ร่องสปาย แตกต่างกันมาก





 แสดงความคิดเห็นย่อย แสดงความคิดเห็นย่อย

anek จาก EcuOriginalJeep 124.121.108.104 จันทร์, 5/7/2553 เวลา : 21:50   

edit แก้ไขคำตอบ   delete ลบคำตอบ 512526

คำตอบที่ 176
       ความยาวก็ไม่เท่ากัน





 แสดงความคิดเห็นย่อย แสดงความคิดเห็นย่อย

anek จาก EcuOriginalJeep 124.121.108.104 จันทร์, 5/7/2553 เวลา : 21:51   

edit แก้ไขคำตอบ   delete ลบคำตอบ 512528

คำตอบที่ 177
       มาดูชัด ๆ อีกที นะครับ





 แสดงความคิดเห็นย่อย แสดงความคิดเห็นย่อย

anek จาก EcuOriginalJeep 124.121.108.104 จันทร์, 5/7/2553 เวลา : 21:53   

edit แก้ไขคำตอบ   delete ลบคำตอบ 512529

คำตอบที่ 178
       ขอ อนุญาติออกความเห็นเพิ่มเติมพี่เอนก นะครับ...เห็น casing แตกแล้วน่ากลัวมาก สาเหตุส่วนนึง...น่าจะเกิดจาก Shaft Unbalance ด้วยนะพี่... ถึงแม้จะเป็น 8 ทิศของอะไรก็แล้วแต่... ถ้า Unbalancing Force มีค่าสูง มันก็จะมีเหวี่ยงมาก จนสามารถสร้างความเสียหายได้มาก.... แรงพวกนี้ จะมีค่ามากตามรอบที่หมุน และน้ำหนักของตัวมันเอง.... ของ LN ซึ่ง 8 ทิศน่าจะใหญ่กว่า/หนักกว่า ถ้ามี Unbalancing Force มันก็ยิ่งส่งผลกระทบมาก ... แต่ถ้าเพลา Balance ดีๆ....ก็ไม่น่ามีผลทำให้เสียหาย

..... ดังนั้น การถ่วงเพลาเป็นสิ่งจำเป็นมากๆ ครับ



 แสดงความคิดเห็นย่อย แสดงความคิดเห็นย่อย

chat.chu จาก คน(โรง)เหล็ก 58.136.10.158 อังคาร, 6/7/2553 เวลา : 09:48   

edit แก้ไขคำตอบ   delete ลบคำตอบ 512626

คำตอบที่ 179
       ใช่เลย ตามคำตอบที่ 178
ตานี้มาสรุปกันดีฟ่าว่า รุ่นไหนใช้เกียร์ 4x4 แบบไหน
NP231 j = XJ 2.5L , YJ 4.0L
NP242 j = XJ 4.0L, ZJ 4.0L, WJ1999



 แสดงความคิดเห็นย่อย แสดงความคิดเห็นย่อย

anek จาก Ecu Original Jeep 115.87.13.72 อังคาร, 6/7/2553 เวลา : 11:11   

edit แก้ไขคำตอบ   delete ลบคำตอบ 512652

คำตอบที่ 180
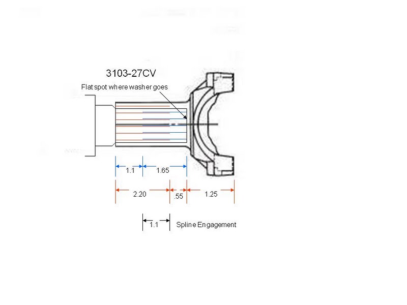
       ชุด Yoke แบบนี้ น่าจะจบ อย่างสมบูรณ์





 แสดงความคิดเห็นย่อย แสดงความคิดเห็นย่อย

anek จาก Ecu Original Jeep 124.121.43.10 พุธ, 7/7/2553 เวลา : 21:21   

edit แก้ไขคำตอบ   delete ลบคำตอบ 513314

      

ยังมีคำตอบมากกว่านี้นะครับ คลิ๊กเพื่อดูหน้าถัดไป


คำตอบแบ่งหน้าละ 30 คำตอบ ขณะนี้คุณอยู่ที่หน้า 6 จาก >>> 1  2  3  4  5  6  7  



website รองรับการใช้งานทุกระบบปฏิบัติการของ PC Tablet SmartPhone ทุกระบบสามารถโพสข้อความและรูปภาพได้โดยไม่ต้องย่อไฟล์
เพื่อความปลอดภัยในการใช้ website WeekendHobby.Com สมาชิก เท่านั้น จึงจะตั้งกระทู้ หรือ ตอบกระทู้ได้ครับ
Login Click ที่นี่
สมัครสมาชิก Click ที่นี่



Since 22, Feb 2001 hit counter View My Stats  Truehits.net      วันอาทิตย์,8 กุมภาพันธ์ 2569 (Online 2449 คน)