WeekendHobby.com
เครื่องมือในการใช้งาน website =>> สมัครสมาชิก | Login | Logout | เปลี่ยนไอคอนส่วนตัว | เกี่ยวกับเรา | ติดต่อโฆษณา         View stat by Truehits.net


อยากได้เกียร์ 4x4 ฟอร์ดเรนเจอร์ WL-T ที่พังแล้ว
Provia
จาก ผักหวาน
IP:103.15.144.26

จันทร์ที่ , 20/4/2558
เวลา : 16:45

อ่านแล้ว = ครั้ง
 เก็บเข้ากระทู้ส่วนตัว
แจ้งตรวจสอบกระทู้
 แจ้งลบ
ส่งหาเพื่อน ส่งหาเพื่อน

       ราวขาด เกียร์แตก บิ่น รูด ล้ม เสื้อแตก ฯลฯ จะนำมาทดลองยำไส้เกียร์ เพื่อ แก้ปัญหาเรื่องเกียร์เปราะ พังง่าย


 แสดงความคิดเห็นย่อย แสดงความคิดเห็นย่อย

แจ้งเพื่อเก็บขึ้นกระทู้พิเศษ คลิ๊กที่นี่แจ้งเพื่อนำขึ้นกระทู้พิเศษ

คำตอบแบ่งหน้าละ 30 คำตอบ ขณะนี้คุณอยู่ที่หน้า 1 จาก >>> 1  

คำตอบที่ 1
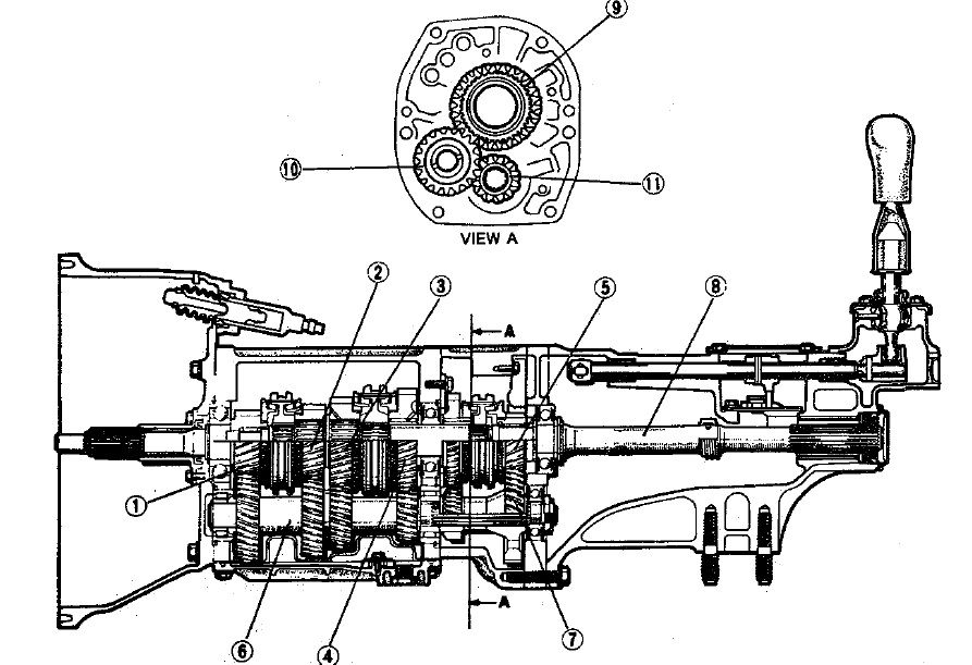
       เกียร์ 4x4 ฟอร์ดเรนเจอร์ WL-T (R15MX-D)





 แสดงความคิดเห็นย่อย แสดงความคิดเห็นย่อย

Provia จาก ผักหวาน จันทร์, 20/4/2558 เวลา : 18:19  IP :   

edit แก้ไขคำตอบ   delete ลบคำตอบ 75133

คำตอบที่ 2
       เกียร์เซียงกงที่จะนำมายำ





 แสดงความคิดเห็นย่อย แสดงความคิดเห็นย่อย

Provia จาก ผักหวาน จันทร์, 20/4/2558 เวลา : 18:20  IP :   

edit แก้ไขคำตอบ   delete ลบคำตอบ 75134

คำตอบที่ 3
       ถ้าสำเร็จพวกเราก็จะได้ใช้เกียร์ที่แข็งแรงมากกว่าเดิม ไม่ต้องพะวงว่าเกียร์จะพังตอนไหน แถมได้อัตราทดเกียร์ 5 ที่ขับสนุกกว่าเดิม
อัตราทดเกียร์ 5 เดิม 0.83 ( 27/53x1.625)
อัตราทดเกียร์ 5 ของใหม่ 0.80 เท่ากับ BT-50
ส่วนอัตราทดเกียร์ 5 ที่พวกเราเปลี่ยนใส่กันตอนยุคน้ำมันแพง 0.738 (25/55x1.625) ผมว่ามันเหมาะกับรถ 4x2 ไม่เหมาะกับรถ4x4 ผมเองก็เคยใส่ แต่ตอนนี้เปลี่ยนกลับมาใช้ของเดิมแล้ว



âÍéâË ¾Õè¼Ñ¡ËÇÒ¹ ¢ÑºÍÂèÒ§ä§ à¡ÕÂÃì¶Ö§¡Ñºáµ¡¡ÃШÒÂä´é¹èФÃѺ
¨Ò¡ : ¹¾´Å(manisamut) 21/4/2558 8:56:03 [58.137.19.65]
¼ÁÇèÒ µéͧâ·É¤¹¢Ñº¤ÃѺ äÁèãªèà¡ÕÂÃìà»ÃÒÐ 5555
¨Ò¡ : ¹¾´Å(manisamut) 21/4/2558 8:58:04 [58.137.19.65]
ผมขับรถก้าวร้าวครับ รถกำลังจะแซงกัน ผมจี้ตูดคันข้างหน้าแล้วปาดหน้าคันข้างหลัง
จาก : ผักหวาน(Provia) 22/4/2558 7:55:24 [103.15.144.26]
 แสดงความคิดเห็นย่อย แสดงความคิดเห็นย่อย

Provia จาก ผักหวาน 103.15.144.26 จันทร์, 20/4/2558 เวลา : 18:37  IP : 103.15.144.26   

edit แก้ไขคำตอบ   delete ลบคำตอบ 75137

คำตอบที่ 4
       อัตราทดเกียร์ 5 ของ vigo 4x4 3.0 ที่ว่าแรงๆ ก็ยังใช้ 0.83





 แสดงความคิดเห็นย่อย แสดงความคิดเห็นย่อย

Provia จาก ผักหวาน จันทร์, 20/4/2558 เวลา : 18:55  IP :   

edit แก้ไขคำตอบ   delete ลบคำตอบ 75139

คำตอบที่ 5
       อัตราทดเกียร์ 5 ISUZU Vcross 4x4 เจ้าพ่อแห่งความประหยัดก็ยังใช้แค่ 0.79





 แสดงความคิดเห็นย่อย แสดงความคิดเห็นย่อย

Provia จาก ผักหวาน จันทร์, 20/4/2558 เวลา : 18:57  IP :   

edit แก้ไขคำตอบ   delete ลบคำตอบ 75140

คำตอบที่ 6
       อัตราทดเกียร์ 5 ISUZU 4x2 3.0 เจ้าพ่อแห่งความประหยัดก็ยังใช้แค่ 0.79 ส่วน 4x2 2.5 ใช้ 0.74







 แสดงความคิดเห็นย่อย แสดงความคิดเห็นย่อย

Provia จาก ผักหวาน จันทร์, 20/4/2558 เวลา : 19:28  IP :   

edit แก้ไขคำตอบ   delete ลบคำตอบ 75141

คำตอบที่ 7
       อัตราทดเกียร์ 5 Vigo 4x2 3.0 ใช้ 0.83 4x2 2.5 ใช้ 0.78





 แสดงความคิดเห็นย่อย แสดงความคิดเห็นย่อย

Provia จาก ผักหวาน จันทร์, 20/4/2558 เวลา : 19:30  IP :   

edit แก้ไขคำตอบ   delete ลบคำตอบ 75142

คำตอบที่ 8
       น้าท่านใดมีซากเกียร์ R15MX-D อยากจะขาย หรือบริจาค ลงเบอร์โทรไว้เลยครับ



 แสดงความคิดเห็นย่อย แสดงความคิดเห็นย่อย

Provia จาก ผักหวาน 103.15.144.26 จันทร์, 20/4/2558 เวลา : 19:44  IP : 103.15.144.26   

edit แก้ไขคำตอบ   delete ลบคำตอบ 75144

คำตอบที่ 9
       ยิ่งความเร็วสูงๆแรงเสียดทานลม แรงปะทะลม ยิ่งแข็งมากขึ้น เป็นเรื่องปกติของระบบเกียร์ธรรมดา(manual transmission) จังหวะที่เปลี่ยนเกียร์ รอบเครื่องจะตก(เพราะต้องผ่านเกียร์ว่าง ส่วนเกียร์ A/T ไม่ต้องผ่านเกียร์ว่าง จังหวะเปลี่ยนเกียร์รอบเครื่องจึงไม่ตก) แรงม้าจะตกตามมาด้วย ถ้าอัตรทดเกียร์ห่างกันมาก จังหวะเปลี่ยนเกียร์รอบเครื่องตกมาก แรงม้าก็หายไปมาก กว่าแรงม้าจะขึ้นมาอีกก็ต้องขยี้คันเร่งกันมากกว่าเดิม

สมมุติให้แรงม้าสูงสุด 500 แรงม้า ที่ 6000 rpm
รถคันแรกเปลี่ยนเกียร์ที่ 6250 rpm รอบเครื่องตกลงไป 250 rpm แรงม้าตกลงไปเหลือ 450 แรงม้า
รถคันที่สอง เปลี่ยนเกียร์ที่ 6250 rpm รอบเครื่องตกลงไป 500rpm แรงม้าตกลงไปเหลือ 400 แรงม้า
คงเดาไม่ยากว่ารถคันไหนจะเข้าเส้นก่อน

 แก้ไขเมื่อ : 21/4/2558 8:42:23



 แสดงความคิดเห็นย่อย แสดงความคิดเห็นย่อย

Provia จาก ผักหวาน 103.15.144.26 อังคาร, 21/4/2558 เวลา : 08:39  IP : 103.15.144.26   

edit แก้ไขคำตอบ   delete ลบคำตอบ 75145

คำตอบที่ 10
       ผมชอบการขับรถแบบคนอเมริกัน รถทุกคันที่ติดไฟแดงอยู่ด้านหน้า พอไฟเขียวเขาจะรีบออกตัวอย่างรวดเร็วเหมือนพวกรถซิ่งรีบเร่งความเร็วให้ถึงที่กฎหมายกำหนด รวมถึงรถที่ออกจากซอยหรือทางร่วม รถทุกคันจะรีบเร่งความเร็วให้เท่ากับรถที่วิ่งอยู่บนถนนเพื่อไม่ให้กีดขวางการจราจร ถือเป็นกฎ กติกา มารยาท ของบ้านเค้าเลย

บ้านเรา ผมติดไฟแดงอยู่คันที่ 5 ไฟเขียว 25 วินาที ผมไปไม่ทันต้องติดไฟแดงอีกรอบ
ครั้งนึงผมขับรถไฟเจอไฟแดง เลนขวาเป็นรถคอกเพลาลอยบรรทุกของประมาณ 3 ตัน จอดต่อกันสองคัน เลนซ้ายเป็น Dmax สี่ประตูรถเปล่า ผมเลือกต่อท้าย Dmax เพราะคิดว่า รถหนักสองคันต้องออกตัวช้า พอไฟเขียว รถคอกสองคันออกตัวเหมือนรถเปล่า ส่วน Dmax ข้างหน้าผมออกตัวเหมือนรถหนัก 10 ตัน รถคอกไปเกียร์ 5 แล้ว รถเปล่ายังไม่ขื้นเกียร์ 3 เลย



555 ตามนั้นจริงๆ
จาก : khanti(khanti) 23/4/2558 7:53:49 [223.204.121.182]
ใช่ๆๆ ผมก็แทงหวยผิดบ่อยๆเหมือนกัน 555
จาก : นพดล(manisamut) 24/4/2558 14:25:39 [58.137.19.65]
 แสดงความคิดเห็นย่อย แสดงความคิดเห็นย่อย

Provia จาก ผักหวาน 103.15.144.26 พุธ, 22/4/2558 เวลา : 08:25  IP : 103.15.144.26   

edit แก้ไขคำตอบ   delete ลบคำตอบ 75146

คำตอบที่ 11
       นั้นไง สาเหตที่เกียร์แตกครับ 555



ถึงจะยำไส้เกียร์ 300 ม้ามาใส่ไงครับ 555
จาก : ผักหวาน(Provia) 23/4/2558 8:08:21 [103.15.144.26]
 แสดงความคิดเห็นย่อย แสดงความคิดเห็นย่อย

manisamut จาก นพดล 58.137.19.65 พุธ, 22/4/2558 เวลา : 13:04  IP : 58.137.19.65   

edit แก้ไขคำตอบ   delete ลบคำตอบ 75148

คำตอบที่ 12
       ถ้าโครงการทดลองยำไส้เกียร์สำเร็จ จะเป็นการอุดรอยรั่ว ลบจุดบอด แก้ปมด้อยให้กับรถฟอร์ดของพวกเรา(ไม่อยากซ่อมทุกสองแสนกิโลเมตร)
ผมขออนุญาติยังไม่เปิดเผย รุ่นหรือรหัสเกียร์เซียงกงที่จะนำมายำ จนกว่าการทดลองจะสิ้นสุด เพราะว่าเกรงจะมีคนไปหามาทดลองใส่แล้วไม่ได้ผล จะมาตั้งกระทู้รุมด่าผม อีกอย่างนึงป้องกันการกักตุนขึ้นราคาของเซียงกง แต่ผมจะให้สิทธิ์คนที่ขายหรือบริจาคซากเกียร์ให้ผมได้รับรู้ก่อนเปิดเผยต่อสาธารณะชนพร้อมคืนซากเกียร์ให้(กรณีบริจาค)

ใครมีข้อสงสัยโทรมาคุยกันได้ครับ 081-5781306



 แสดงความคิดเห็นย่อย แสดงความคิดเห็นย่อย

Provia จาก ผักหวาน 103.15.144.26 พฤหัสบดี, 23/4/2558 เวลา : 08:26  IP : 103.15.144.26   

edit แก้ไขคำตอบ   delete ลบคำตอบ 75149

      

คำตอบแบ่งหน้าละ 30 คำตอบ ขณะนี้คุณอยู่ที่หน้า 1 จาก >>> 1  



website รองรับการใช้งานทุกระบบปฏิบัติการของ PC Tablet SmartPhone ทุกระบบสามารถโพสข้อความและรูปภาพได้โดยไม่ต้องย่อไฟล์
เพื่อความปลอดภัยในการใช้ website WeekendHobby.Com สมาชิก เท่านั้น จึงจะตั้งกระทู้ หรือ ตอบกระทู้ได้ครับ
Login Click ที่นี่
สมัครสมาชิก Click ที่นี่



Since 22, Feb 2001 hit counter View My Stats  Truehits.net      วันอาทิตย์,7 ธันวาคม 2568 (Online 2818 คน)