WeekendHobby.com
เครื่องมือในการใช้งาน website =>> สมัครสมาชิก | Login | Logout | เปลี่ยนไอคอนส่วนตัว | เกี่ยวกับเรา | ติดต่อโฆษณา         View stat by Truehits.net


ขออนุญาติตั่งกระทู้ถามตอบปัญหารถยนต์ ISUZU โดยช่างชำนาญงานโดตตรงครับ
nai_icezaa
จาก icezaa
IP:180.210.216.131

จันทร์ที่ , 16/4/2555
เวลา : 20:25

อ่านแล้ว = ครั้ง
 เก็บเข้ากระทู้ส่วนตัว
แจ้งตรวจสอบกระทู้
 แจ้งลบ
ส่งหาเพื่อน ส่งหาเพื่อน

      

 แก้ไขเมื่อ : 3/8/2556 0:53:26



น่าจะทิ้งเบอร์ไว้ให้โทรปรึกษาได้นะครับจะเป็นการรบกวนเวลาไหมคับ
จาก : cjjaidee(cjjaidee) 27/4/2555 19:37:56 [49.49.72.87]
หวัดดีครับรถผมก้อมีปัญหา 8 เดือนแล้วยังขี่ไม่ได้เลย ดีแม็ก 3000 Ddi ปี 2007 ช่วยด้วยครับ
จาก : f.auto(f.auto) 17/10/2555 10:21:35 [122.154.131.66]
มีเรื่องถามระบบไฟ กระจกไฟฟ้า-ไฟหน้าปัด-ไฟหรี isuzu ปี99ครับ kobjri@gamil.com
จาก : kobjri(kobjri) 24/3/2556 19:44:04 [124.121.56.69]
ช่วยทีครับ_ดาร์ก้อนพาวเวอร์ เปลี่ยนปั้มธรรมดาใช้ความเร็ว 120 แล้ววัดรอบ/แอร์ไม่ทำงาน
จาก : fundeeja(fundeeja) 13/5/2556 20:14:16 [101.51.216.175]
ของผมมังกรไฟโชว์ตัวดักน้ำ+แบตขึ้นพร้อมกันทำให้ไฟไม่ชาจจะแก้ไขยังไงไล่น้ำจากตัวดักแล้วไม่หายคับ
จาก : golffy1980(golffy1980) 24/5/2556 5:15:21 [101.108.213.244]
isuzu 3.0 turbo autoเปลี่ยนปั๊มสายต้องเปลี่ยนเกียร์ไหมครับ แล้วถ้าไม่เปลี่ยนจะมีปัญหาปะครับขอบคุณคับ
จาก : beambabu(beambabu) 26/9/2556 0:41:40 [171.101.96.123]
รถผมอีชูชู เครื่อง3000 di มีอาการไฟ ABS โชว์ แตรดังตลอดเวลาสตาร์ทเครื่องบางทีก็เปิดสวิตกุญแจก็ดัง
จาก : acr(acr) 22/2/2557 23:41:46 [124.121.50.64]
เราใช้อีซูซุ ดีแมค 2500 7ปีครับ ปัญหาคือ วิ่งอยุ่ พอเบาเครื่อง ดับ เป็นมา3วันแล้วครับ รบกวนหน่อยว่าน่าจะเป็นทึ
จาก : เพ็ญจันทร์(เพ็ญจันทร์) 4/3/2557 19:20:04 [110.168.12.188]
รบกวนด้วยค่ะ อยากทราบว่า เวลาดับเครื่องรถใหม่ๆแล้ว จะมีเสียงดังติ้ง ติ้ง แถวๆ ข้างล่างใต้ห้องเครื่อง
จาก : Tuksun(Tuksun) 28/8/2559 0:15:23 [1.46.103.46]
ขอญาติครับน้าๆท่านใดพอมีวงจรเกียร์โฟร์ all new d max บ้างครับ
จาก : pan0987654(pan0987654) 26/8/2560 0:26:55 [182.232.66.45]
ขอญาติครับน้าๆท่านใดพอมีวงจรไฟเกียร์ 4wd ของ all new d max 2013 บ้างครับ ขอบคุณล่วงหน้าครับ
จาก : pan0987654(pan0987654) 26/8/2560 18:59:15 [182.232.70.26]
 แสดงความคิดเห็นย่อย แสดงความคิดเห็นย่อย

แจ้งเพื่อเก็บขึ้นกระทู้พิเศษ คลิ๊กที่นี่แจ้งเพื่อนำขึ้นกระทู้พิเศษ

คำตอบแบ่งหน้าละ 30 คำตอบ ขณะนี้คุณอยู่ที่หน้า 2 จาก >>> 1  2  3  4  5  6  7  

คำตอบที่ 31
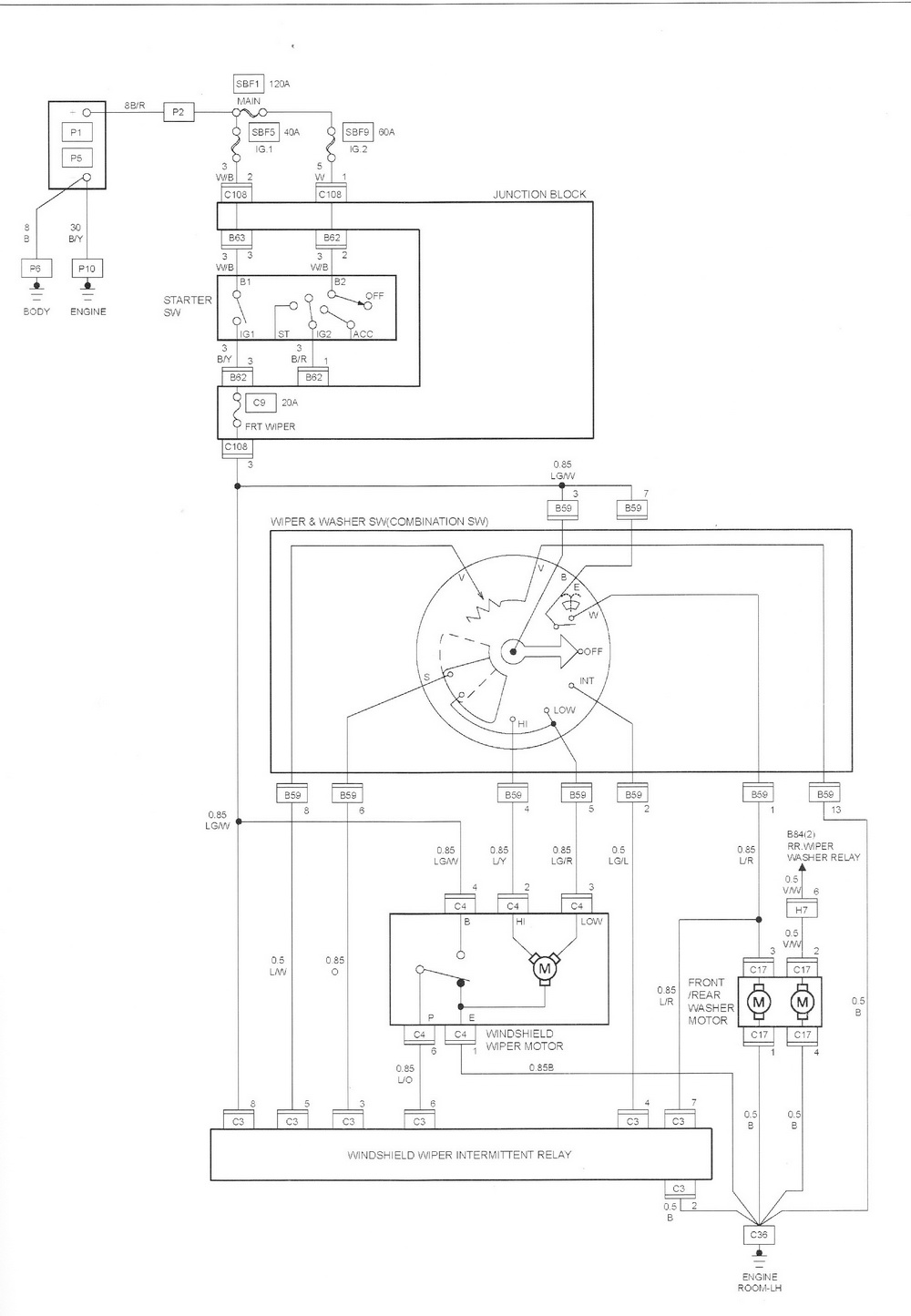
       อีสุtfr สวิทปัดน้ำฝนตัวหน่วงเวลามันเสีย ฉีดน้ำล้างกระจกได้ ช่อมได้ไหมหรือต้องเปลียนใหม่ มันเสียที่ตัวไหนได้บ้าง ปกติผมจะใช้ในลักษณะกดตัวหว่งพร้อมกับปิดเลย



 แสดงความคิดเห็นย่อย แสดงความคิดเห็นย่อย

ch007 จาก ch007 125.27.96.98 เสาร์, 5/5/2555 เวลา : 07:40  IP : 125.27.96.98   

edit แก้ไขคำตอบ   delete ลบคำตอบ 6231

คำตอบที่ 32
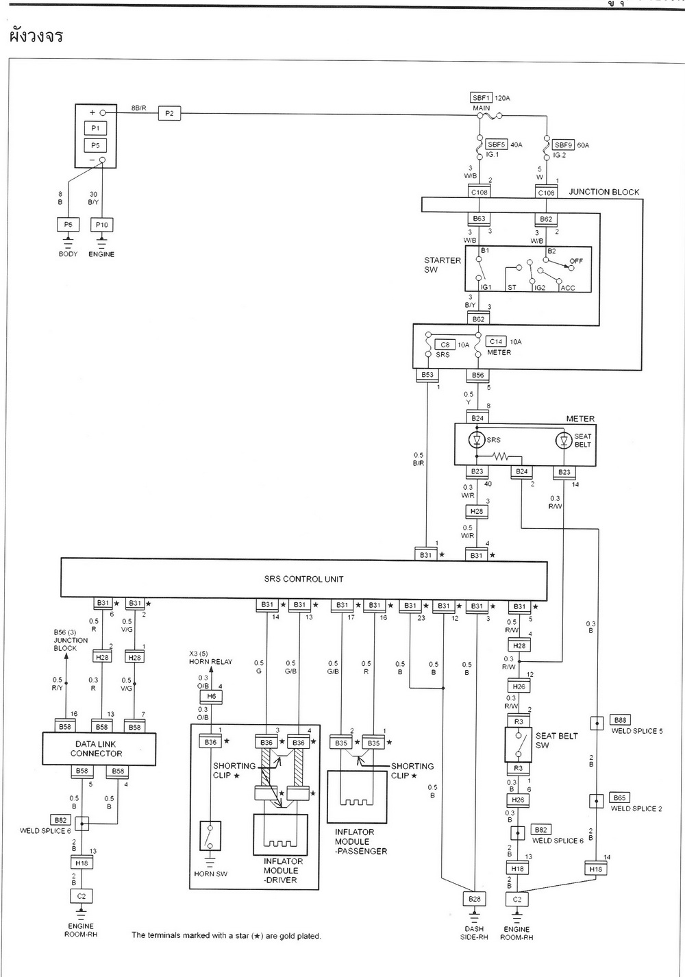
       ขอคำชี้แนะด้วยครับผม รถ Dmax 3000 di ปี 2002 คือว่าไฟ air bag โชว์ แก้ไขอย่างไร เฟืองท้าย เฟืองหน้า เติมสารเคลือบเพื่อเพิ่มความหล่อลื่นได้เปล่าครับ และ หลอดไฟสูง เป็นหลอดอะไรครับ
ขอขอบคุณมากครับ





 แสดงความคิดเห็นย่อย แสดงความคิดเห็นย่อย

nange จาก ม้ากระจ้อน 1.1.149.215 จันทร์, 7/5/2555 เวลา : 21:44  IP : 1.1.149.215   

edit แก้ไขคำตอบ   delete ลบคำตอบ 6255

คำตอบที่ 33
       ตอบ พี่ ch007 ลองตรวจสอบฟิวส์น้ำฉีดกระจกดูก่อนครับ และฟิวส์ปัดน้ำฝน ถ้าไม่ขาดกล่องน่าจะเสีย ส่วนเรื่องซ่อมไม่ทราบครับ แต่ของใหม่เบิกศูนย์ประมาณ 1700 เอากล่องเดิมไปเทียบเวลาซื้อด้วยครับ เพราะกล่องมี 2 รุ่น รุ่น 7 ขั้ว กับ 8 ขั้ว





ลองเช็คดู ขอบคุณ
จาก : ch007(ch007) 8/5/2555 17:27:36 [125.25.247.142]
 แสดงความคิดเห็นย่อย แสดงความคิดเห็นย่อย

nai_icezaa จาก icezaa 180.210.216.131 จันทร์, 7/5/2555 เวลา : 21:57  IP : 180.210.216.131   

edit แก้ไขคำตอบ   delete ลบคำตอบ 6256

คำตอบที่ 34
       พี่ ม้ากระจ้อน ไฟแอแบ็คโชว์อันนี้บอกยากครับ ต้องเอาเทคทูตรวจอยางเดียว แต่พอตรวจสอบเบื้องตนได้ครับ ดูฟิวส์ก่อนเลยครับ และลองตรวจสอบคอพวงมาลัย กดแตรดูว่าดังไหมถ้าแตรไม่ดังอาจเป็นที่สายแพขาด ตัวนี้ไม่แพง ส่วนไฟสูงของพี่เป็นหลอด H3 ครับ เปลี่ยนไม่ยาก แต่ถ้าไม่ชำนาญ แนะนำหาช่างดีกว่าเดียวเขี้ยวล็อคจะหัก ส่วนสานหล่อลื่นเติมได้ครับแต่ไม่จำเป็น





 แสดงความคิดเห็นย่อย แสดงความคิดเห็นย่อย

nai_icezaa จาก icezaa 180.210.216.131 จันทร์, 7/5/2555 เวลา : 22:06  IP : 180.210.216.131   

edit แก้ไขคำตอบ   delete ลบคำตอบ 6258

คำตอบที่ 35
       เจอช่างจริงของ isuzu เข้าแล้วไง
ตอบใด้



จัดไปครับพี่สิง
จาก : nai_icezaa(nai_icezaa) 8/5/2555 22:10:04 [180.210.216.131]
 แสดงความคิดเห็นย่อย แสดงความคิดเห็นย่อย

bensing จาก ิben 203.130.132.85 อังคาร, 8/5/2555 เวลา : 08:08  IP : 203.130.132.85   

edit แก้ไขคำตอบ   delete ลบคำตอบ 6262

คำตอบที่ 36
       คุณicezaa เกียร์เดิมมังกรเปลี่ยนเฟืองเกียร์ 5 แมกซ์ขอบ17 เกียร์จะทนไหวหรือเปล่าครับ



พุดยากครับ ถ้าเครื่องไม่ได้ทำมาแรงเกินไปพอรับได้ครับ แต่ผมว่าอยู่ไม่นาน
จาก : nai_icezaa(nai_icezaa) 8/5/2555 22:09:38 [180.210.216.131]
ถ้ามีงบ เอาไปเทินแล้วเอาเกียร์คอมมอนเรล ใส่ครัชใหญ่ได้อีก
จาก : Wut(Wut.048) 9/5/2555 18:49:21 [58.136.21.99]
 แสดงความคิดเห็นย่อย แสดงความคิดเห็นย่อย

narin san จาก แป๊ะsan 182.52.171.239 อังคาร, 8/5/2555 เวลา : 11:07  IP : 182.52.171.239   

edit แก้ไขคำตอบ   delete ลบคำตอบ 6263

คำตอบที่ 37
       ไฟ air bag ไม่โชว์แล้ว เป็นที่ฟิวส์ครับ ขอบคุณคุณ icezaa มากๆเลยครับ



ยินดีด้วยครับ
จาก : nai_icezaa(nai_icezaa) 8/5/2555 22:08:24 [180.210.216.131]
 แสดงความคิดเห็นย่อย แสดงความคิดเห็นย่อย

nange จาก ม้ากระจ้อน 1.1.154.86 อังคาร, 8/5/2555 เวลา : 11:13  IP : 1.1.154.86   

edit แก้ไขคำตอบ   delete ลบคำตอบ 6264

คำตอบที่ 38
       ขอรบกวนอีกครับ dmax 3000 di เครื่องสะดุดในรอบต่ำ เกียร์ 1 เกียร์ 2 จะมีอาการสะดุดตอนออกตัวครับ

ขอบคุณมากครับ



อาการนี้เคยเจอคือ กล่อง edu เริ่มเสีย และปั๊มเชื้อเพลิงแกนปั๊มเริ่มสึกอันนี้เปลี่ยนปั๊มอยากเดียว
จาก : nai_icezaa(nai_icezaa) 8/5/2555 22:21:25 [180.210.216.131]
ลองหากล่อง edu มาลองใส่ดูก่อนครับ
จาก : nai_icezaa(nai_icezaa) 8/5/2555 22:23:18 [180.210.216.131]
 แสดงความคิดเห็นย่อย แสดงความคิดเห็นย่อย

nange จาก ม้ากระจ้อน 1.1.154.86 อังคาร, 8/5/2555 เวลา : 14:42  IP : 1.1.154.86   

edit แก้ไขคำตอบ   delete ลบคำตอบ 6266

คำตอบที่ 39
       ..ขอบคุณมากน้องไอย์และเพื่อนมากๆ..ที่ตรวจเช็คระบบไฟรถพี่จนพบสาเหตุ..แถมยังไม่ยอมรับค่าใช่จ่ายอีก..เดี่ยวเจอกันปั๊มดิบๆ....ขอบใจจริงๆ





ครับ ถ้าผมว่างจะไปออกทริปด้วย
จาก : nai_icezaa(nai_icezaa) 10/5/2555 22:18:57 [115.67.192.104]
ด้วยความยินดีมากเลยครับ..
จาก : tt02(qap) 11/5/2555 11:18:41 [61.90.119.106]
 แสดงความคิดเห็นย่อย แสดงความคิดเห็นย่อย

qap จาก tt02 61.90.119.149 พฤหัสบดี, 10/5/2555 เวลา : 09:26  IP : 61.90.119.149   

edit แก้ไขคำตอบ   delete ลบคำตอบ 6287

คำตอบที่ 40
       อาการปัญหาdemax รอบเครื่องได้ไม่เกิน2200รอบ และโชรูปเครื่องที่หน้าปัด รบกวนโทร0872702040ด้วยครับ

 แก้ไขเมื่อ : 11/5/2555 1:09:29



รบกวนโทรหาผมดีกว่าครับ ตอบช้าครับเน็ตใช้ไม่ได้หลายวัน
จาก : nai_icezaa(nai_icezaa) 15/5/2555 22:49:15 [180.210.216.131]
 แสดงความคิดเห็นย่อย แสดงความคิดเห็นย่อย

rbcom จาก อาร์ 182.52.221.243 ศุกร์, 11/5/2555 เวลา : 01:06  IP : 182.52.221.243   

edit แก้ไขคำตอบ   delete ลบคำตอบ 6296

คำตอบที่ 41
       อาการปัญหาdemax รอบเครื่องเหยียบได้ไม่เกิน2200รอบ และโชรูปเครื่องที่หน้าปัด รบกวนโทร 087-2702040 ด้วยครับ



 แสดงความคิดเห็นย่อย แสดงความคิดเห็นย่อย

rbcom จาก อาร์ 182.52.221.243 ศุกร์, 11/5/2555 เวลา : 01:12  IP : 182.52.221.243   

edit แก้ไขคำตอบ   delete ลบคำตอบ 6297

คำตอบที่ 42
       อยากเปลี่ยนถังน้ำมัน CAMEO ให้ใหญ่ขึ้นครับ
ทำอย่างไรได้บ้าง



อันนี้ไม่เคยทำจริงๆครับเลยไม่แน่ใจ แตถังเดิมมันก็จุเยอะอยู่นะครับ
จาก : nai_icezaa(nai_icezaa) 15/5/2555 22:50:03 [180.210.216.131]
สเปคว่า 50ลิตรแต่ใช้ไป 35ลิตรเข็มก็ตกกลัวหมดแล้วครับ
จาก : zaugustra(zaugustra) 15/5/2555 23:01:14 [223.206.98.131]
รุ่นนี้ถ้าน้ำมันหมดจนดับ ต้องทำอะไรบ้างครับ แย๊ก หรือ ไขสกรูตัวไหนไหมครับ ขอบคุณครับ
จาก : zaugustra(zaugustra) 15/5/2555 23:03:05 [223.206.98.131]
เติมน้ำมันลงไปปรกติ สตาดปรกติครับ พบหมดกลางทางมาสามครั้ง
จาก : sola(sola) 16/5/2555 9:12:42 [183.88.92.134]
ถังเล็ก เติมทีจ่ายไม่เยอะ 55555
จาก : Wut(Wut.048) 16/5/2555 10:09:57 [58.136.21.107]
ถ้าน้ำมันหมดเติมไปแล้วแย็กได้เลยครับ ถ้าจำไม่ผิดนะรุ่นนี้54 ลิตร ไฟโชว์จะเหลือประมาณ 15 ลิตร
จาก : nai_icezaa(nai_icezaa) 16/5/2555 13:29:25 [180.210.216.131]
 แสดงความคิดเห็นย่อย แสดงความคิดเห็นย่อย

zaugustra จาก zaugustra 58.64.17.2 ศุกร์, 11/5/2555 เวลา : 11:11  IP : 58.64.17.2   

edit แก้ไขคำตอบ   delete ลบคำตอบ 6299

คำตอบที่ 43
       สวัสดีครับช่างไอซ์ กล่อง EGR ของ DRAGON POWER 3.0 ที่จะเอามาแทนของ D-MAX เดิม ราคาเป็นอย่างไรบ้างครับ



กล่อง egr อะไรเอ๋ย จะอุดหรือป่าวหรือว่าทำอย่างอื่นครับ ช่วงนี้งานเยอะจำอะไรไม่ได้เลยมึนครับ
จาก : nai_icezaa(nai_icezaa) 16/5/2555 13:31:35 [180.210.216.131]
 แสดงความคิดเห็นย่อย แสดงความคิดเห็นย่อย

welkin จาก เบิ้ล โชคชัย 4 124.120.37.198 อังคาร, 15/5/2555 เวลา : 22:52  IP : 124.120.37.198   

edit แก้ไขคำตอบ   delete ลบคำตอบ 6352

คำตอบที่ 44
       ของคันนี้ครับที่ช่างไอซ์ดูไว้อะครับ





รถจอดในศูนย์ ISUZU หรือป่าวครับ กำแพงมันคุ้นๆ
จาก : nai_icezaa(nai_icezaa) 16/5/2555 13:32:46 [180.210.216.131]
จำได้แล้วครับ กล่องผมเช็คแล้วครับ 50000 ครับ ของใหม่แพงมาก เดียวจะหาตามเชียงกงให้นะครับ
จาก : nai_icezaa(nai_icezaa) 16/5/2555 13:35:09 [180.210.216.131]
จอดในโรงงานครับ
จาก : welkin(welkin) 17/5/2555 12:05:27 [58.10.6.176]
รบกวนด้วยครับ ชุดยก UNICORN รุ่นใหม่ สูงกี่นิ้วครับ ใส่ยาง 315/75/16 สวยดีครับ
จาก : blue monster(blue monster) 29/5/2555 8:56:32 [203.144.224.34]
ที่ใส่อยู่ 7 นิ้วครับ แต่ที่เห็นในหนังสือของ D-MAX ตัวใหม่ 9 นิ้ว ครับ
จาก : welkin(welkin) 5/6/2555 13:10:36 [58.10.6.226]
 แสดงความคิดเห็นย่อย แสดงความคิดเห็นย่อย

welkin จาก เบิ้ล โชคชัย 4 124.120.37.198 อังคาร, 15/5/2555 เวลา : 22:57  IP : 124.120.37.198   

edit แก้ไขคำตอบ   delete ลบคำตอบ 6353

คำตอบที่ 45
       รถดราก้อนไอ cab4 4wd ปี 2002 เวลาวิ่งเจอหลุม บ่อ รถสั่นสะเทือนจะมีเสียงดัง แกล๊ะ ตรงล้อหน้าข้างคนขับ และมีเสียงดัง ก๊อกแก๊ะ ๆ ตรงประตูหลังทั้ง 2 ข้าง ไม่รู้ว่าเกิดจากอะไร ขอความรู้ช่างช่วยแนะนำแก้ไขด้วยครับ

ขอบคุณมาก



เสียงดังที่ล้ออาจเกิดจากพวกลูกหมากหรือลูกยางปีกนกครับ
จาก : nai_icezaa(nai_icezaa) 22/5/2555 16:06:08 [180.210.216.131]
เสียงดังที่ประตูลองถอดฝาข้างประตูออกแล้วตรวจน็อตพวกรางยกกระจกครับ
จาก : nai_icezaa(nai_icezaa) 22/5/2555 16:06:51 [180.210.216.131]
 แสดงความคิดเห็นย่อย แสดงความคิดเห็นย่อย

sa_zoo จาก wirat 183.88.75.188 พฤหัสบดี, 17/5/2555 เวลา : 10:09  IP : 183.88.75.188   

edit แก้ไขคำตอบ   delete ลบคำตอบ 6368

คำตอบที่ 46
       ขออนุญาต รบกวนถาม EGR คืออะไร ทำไมต้องอุด หากไม่อุดมีผลอะไรหรือไม่ ทำไมโรงงานไม่อุดมาให้ ขอบคุณล่วงหน้า



ผมก็พอตอบได้ แค่ยาวจนขี้เกียจพิมพ์
จาก : plew_ch(plew_ch) 23/5/2555 14:25:03 [58.11.233.158]
ลองอ่านูกระทู้ปักหมุด "อุดEGR ดีหรือไม่ดี" ที่เวป D-Max club ครับ มีรายละเอียดเยอะครับ /ผมก็อุดมานาน
จาก : blue monster(blue monster) 29/5/2555 8:58:52 [203.144.224.34]
 แสดงความคิดเห็นย่อย แสดงความคิดเห็นย่อย

wattong จาก wattong 125.25.240.77 พุธ, 23/5/2555 เวลา : 13:39  IP : 125.25.240.77   

edit แก้ไขคำตอบ   delete ลบคำตอบ 6442

คำตอบที่ 47
       ระบบ EGR คือ ระบบที่ทำการนำไอเสียกลับมาเผาไหม้ใหม่อีกครั้งเพื่อเป็นการควบคุมอุณหภูมิภายในห้องเผาไหม้ ไม่ให้ร้อนเกินไป เนื่องจากถ้าความร้อนในห้องเผาใหม้สูงจะเกิดการเผาไหม้ที่สมบูรณ์ และการเผาไหม้ที่สมบูรณ์จำทำให้เกิดกาซ ไนโตเจน มากเกิด ซึ่งกาซตัวนี้ เป็นตัวทำให้เกิดฝนกรดครับ ดังนั้น EGR จึงทำหน้าที่เอาไอเสียเข้าสู่ห้องเผาไหม้ เพื่อให้การเผาไหม้ไม่สมบูรณ์เพื่อลดกาซพิษในขณะเดินเบาเท่านั้น หากเราเร่งเครื่องระบบจะทำการปิดวาล์ว แต่ที่เราทำการอุดกันเนื่องจาก ในไอเสียเพียงน้อยนิดนั้น จะมีเขม่าปนมาด้วยทำให้ไอดีเราสกปรก และเป็นยางเหนียวและท่อไอดีตัน การอุดไม่ได้เพิ่มแรงม้านะครับ แต่เป็นการทำให้เครื่องยนต์สะอาด



 แสดงความคิดเห็นย่อย แสดงความคิดเห็นย่อย

nai_icezaa จาก icezaa 1.20.0.141 พฤหัสบดี, 24/5/2555 เวลา : 21:11  IP : 1.20.0.141   

edit แก้ไขคำตอบ   delete ลบคำตอบ 6464

คำตอบที่ 48
       ขอรบกวนอีกครั้งนะครับ ดีแม็กซ์ 3000 DI ตอนนี้ผมได้เปลี่ยนปั๊มดีเซลเป็นของดราก้อนอายแล้ว รู้สึกว่าประหยัดขึ้นมาอีกพอประมาณ แรงขึ้น แซงได้ดังใจ ส่วนคำถามที่ต้องรบกวนอีกคือ วัดรอบเครื่องไม่ขึ้น และไฟรูปเครื่องโชว์ ช่วยแนะนำแนวทางแก้ไขด้วยครับ ขอบพระคุณล่วงหน้าครับ



วัดรอบต้องเอาสัญญาญ มาจาก กล่อง ECM หลังเครื่องครับ / ไฟรูปเรื่องโชว์ ผมถอดหลอดไฟที่หน้าปัดออกครับ
จาก : blue monster(blue monster) 29/5/2555 9:02:18 [203.144.224.34]
 แสดงความคิดเห็นย่อย แสดงความคิดเห็นย่อย

nange จาก ม้ากระจ้อน 1.1.158.124 ศุกร์, 25/5/2555 เวลา : 21:17  IP : 1.1.158.124   

edit แก้ไขคำตอบ   delete ลบคำตอบ 6473

คำตอบที่ 49
       วัดรอบเครื่องไม่ขึ้นน่าจะเกิดจาก CKP SENSOR ไม่มีสัญญาณนะครับ หรือไม่คือร้านปั๊มเอาออก ถ้าอาการนี้แนะนำให้หากล่องแปลงสัญญาณวัดรอบมาใส่ดีกว่าครับ จับสัญญาณจากปั๊มโดยตรง ง่ายกว่ามาก กล่องละไม่เกิน 1000 บาทครับ



 แสดงความคิดเห็นย่อย แสดงความคิดเห็นย่อย

nai_icezaa จาก icezaa 1.20.0.176 ศุกร์, 25/5/2555 เวลา : 21:41  IP : 1.20.0.176   

edit แก้ไขคำตอบ   delete ลบคำตอบ 6475

คำตอบที่ 50
       วงจรกล่อง ECM ตรงสัญญาณสวิตเกียร์ว่างครับ ลงให้พี่ที่โทรมาถามครับถ้าไม่เข้าใจโทรมาอีกครับ

 แก้ไขเมื่อ : 25/5/2555 22:09:01





 แสดงความคิดเห็นย่อย แสดงความคิดเห็นย่อย

nai_icezaa จาก icezaa 1.20.0.176 ศุกร์, 25/5/2555 เวลา : 22:07  IP : 1.20.0.176   

edit แก้ไขคำตอบ   delete ลบคำตอบ 6477

คำตอบที่ 51
       ลองต่อแล้วครับ pin 44 สีขาวคาดเขียว แล้วผมเอาpin43 สีแดงคาดเขียว ต่อเข้ากัน
พรุ่งนี้ทดสอบครับ ขอบคุณครับ
อีกอย่าง ผมเคยใช้เครื่องบล็อคนี้กับ ดราก้อนอาย 3.0 ตัวสุดท้านก่อนเป็นดีแม็ก วิ่งช้าๆ ในเมืองประหยัดมากได้อย่างน้อย 20-30 km/l
แต่รถคันนี้ ได้ 10-12 km/l เกิดจากอะไรบ้างครับที่ อัตราบริโภคมันต่างกันมากขนาดนี้ ตอนนี้ชักไม่ไหวเรื่องความอืดที่นึกว่าจะประหยัดเหมือนดราก้อนอาย แต่กินแบบรถควรจะวิ่งดี เลยจะติดแก๊ส ddf แล้ว เห็นเมื่อก่อน colorado ช่วงแรกๆ มี ddf ออกมาจากโรงงานเลยอยากลองศึกษา พอมีข้อมูลมั้ยครับ



ได้ผลยังงัยบอกด้วยนะครับ ส่วนเรื่องแก๊สไม่ค่อยมีความรู้ครับ
จาก : nai_icezaa(nai_icezaa) 27/5/2555 21:09:22 [1.20.0.132]
 แสดงความคิดเห็นย่อย แสดงความคิดเห็นย่อย

vtecturbo จาก vtecturbo 180.214.209.249 อาทิตย์, 27/5/2555 เวลา : 11:50  IP : 180.214.209.249   

edit แก้ไขคำตอบ   delete ลบคำตอบ 6487

คำตอบที่ 52
       วันนี้ คุณ บุ๊คโทรมาว่าจะให้เอารถมาทำอีกคันครับเดียวผมวาดแผนที่ให้นะครับ



รอแผนที่นะครับ
จาก : book 339(book 339) 28/5/2555 15:44:45 [49.48.177.2]
 แสดงความคิดเห็นย่อย แสดงความคิดเห็นย่อย

nai_icezaa จาก icezaa 1.20.0.132 อาทิตย์, 27/5/2555 เวลา : 21:15  IP : 1.20.0.132   

edit แก้ไขคำตอบ   delete ลบคำตอบ 6498

คำตอบที่ 53
       วันนี้ลองแล้วครับ ได้ 130km/h ลากแล้วไม่ค่อยไหลแล้ว อย่างนี้ต้องเช็คอะไรต่อครับ



ถ้าได้ถึง130ผมว่าน่าจะปรกติแล้วนะครับ แต่ถ้ามันไม่ค่อยไหลอาจขึ้นอยู่กับหลายสาเหตุ
จาก : nai_icezaa(nai_icezaa) 28/5/2555 18:54:20 [1.20.0.129]
130 อันนี้ดีกว่าเดิมหรือป่าวครับ
จาก : nai_icezaa(nai_icezaa) 28/5/2555 18:54:50 [1.20.0.129]
รายละเอียดเยอะโทรมาถามเลยง่ายดีครับ
จาก : nai_icezaa(nai_icezaa) 28/5/2555 18:55:59 [1.20.0.129]
 แสดงความคิดเห็นย่อย แสดงความคิดเห็นย่อย

vtecturbo จาก vtecturbo 180.214.211.63 จันทร์, 28/5/2555 เวลา : 08:39  IP : 180.214.211.63   

edit แก้ไขคำตอบ   delete ลบคำตอบ 6499

คำตอบที่ 54
       รอแผนที่นะครับน้า จะได้สอบถามทางรถสไลด์หรือรถยกดูครับ



 แสดงความคิดเห็นย่อย แสดงความคิดเห็นย่อย

book 339 จาก Book 339 49.48.177.2 จันทร์, 28/5/2555 เวลา : 19:10  IP : 49.48.177.2   

edit แก้ไขคำตอบ   delete ลบคำตอบ 6506

คำตอบที่ 55
       แผนที่บ้านครับ พอดีวาดไม่เก่ง เลยใช้กูเกิลครับ ถ้าไม่เข้าใจยังงัยโทรหาได้นะครับ http://file2.uploadfile.biz/i/MZEDMEIMMXXEIH
ตามลิงค์เลยครับ



 แสดงความคิดเห็นย่อย แสดงความคิดเห็นย่อย

nai_icezaa จาก icezaa 1.20.0.154 จันทร์, 28/5/2555 เวลา : 22:40  IP : 1.20.0.154   

edit แก้ไขคำตอบ   delete ลบคำตอบ 6509

คำตอบที่ 56
       ขอบคุณครับน้าเดี๋ยวจะโทรหารถยกดูก่อน ไม่รู้เค้าคิดเท่าไรฮ่าๆ น้าอยู่แถววัดสว่างอารมเลยใช่ไม๊ครับ



ครับ
จาก : nai_icezaa(nai_icezaa) 29/5/2555 16:53:46 [1.20.0.183]
 แสดงความคิดเห็นย่อย แสดงความคิดเห็นย่อย

book 339 จาก Book 339 223.204.172.217 อังคาร, 29/5/2555 เวลา : 08:59  IP : 223.204.172.217   

edit แก้ไขคำตอบ   delete ลบคำตอบ 6515

คำตอบที่ 57
       ขออนุญาต ทำเป็นรูปครับ เพราะเดี๋ยวผมคงต้องไปเสาร์นี้เหมือนกัน





ครับ แต่ผมขอวิธีทำรูปหน่อยสิครับ ทำไม่เป็น
จาก : nai_icezaa(nai_icezaa) 30/5/2555 20:21:16 [1.20.1.156]
อันนี้ผมกดปุ่ม Prt Sc แล้วเอาไป Paste ในโปรแกรม Paint ครับ
จาก : iamjate(iamjate) 14/6/2555 23:08:03 [58.136.232.91]
 แสดงความคิดเห็นย่อย แสดงความคิดเห็นย่อย

iamjate จาก kero 58.136.232.129 อังคาร, 29/5/2555 เวลา : 23:17  IP : 58.136.232.129   

edit แก้ไขคำตอบ   delete ลบคำตอบ 6519

คำตอบที่ 58
       วัดรอบยังไม่ขึ้นครับ ช่วยที ตอนแรกก็ขึ้นแต่ถอดขั้วแบตแล้วก็เงียบไปดื้อๆเลยครับ

ขอบคุณมากครับ

 แก้ไขเมื่อ : 31/5/2555 22:15:56



 แสดงความคิดเห็นย่อย แสดงความคิดเห็นย่อย

nange จาก ม้ากระจ้อน 1.1.147.63 พฤหัสบดี, 31/5/2555 เวลา : 21:39  IP : 1.1.147.63   

edit แก้ไขคำตอบ   delete ลบคำตอบ 6539

คำตอบที่ 59
       หากล่องแปลงสัญญาณมาใส่ดีกว่าครับ ให้ร้านที่ทำปั๊มหาให้น่าจะได้นะครับ



 แสดงความคิดเห็นย่อย แสดงความคิดเห็นย่อย

nai_icezaa จาก icezaa 1.20.1.128 เสาร์, 2/6/2555 เวลา : 23:22  IP : 1.20.1.128   

edit แก้ไขคำตอบ   delete ลบคำตอบ 6555

คำตอบที่ 60
       rodeo 3.0Tปลี่ยนปั๊มจากปั๊มไฟฟ้ามาเป็นปั๊มสายถอดกล่องข้างเครื่องออกส่วนกล่องบนเครื่องอยู่ที่เดิม
มีปัญหาว่าตอนนี้วัดรอบไม่ขึ้น คอมแอร์ไม่ทำงาน แต่ตอนออกจากร้านก็ทำงานปกติ มีวิธีตรวจสอบด้วยตัวเองเบื่องต้นไม่ครับแหะๆๆหรือว่าเข้าศูนย์เลยครับ



 แสดงความคิดเห็นย่อย แสดงความคิดเห็นย่อย

chet3.0t จาก chet3.0t 125.25.30.120 จันทร์, 4/6/2555 เวลา : 20:23  IP : 125.25.30.120   

edit แก้ไขคำตอบ   delete ลบคำตอบ 6567

      

ยังมีคำตอบมากกว่านี้นะครับ คลิ๊กเพื่อดูหน้าถัดไป


คำตอบแบ่งหน้าละ 30 คำตอบ ขณะนี้คุณอยู่ที่หน้า 2 จาก >>> 1  2  3  4  5  6  7  



website รองรับการใช้งานทุกระบบปฏิบัติการของ PC Tablet SmartPhone ทุกระบบสามารถโพสข้อความและรูปภาพได้โดยไม่ต้องย่อไฟล์
เพื่อความปลอดภัยในการใช้ website WeekendHobby.Com สมาชิก เท่านั้น จึงจะตั้งกระทู้ หรือ ตอบกระทู้ได้ครับ
Login Click ที่นี่
สมัครสมาชิก Click ที่นี่



Since 22, Feb 2001 hit counter View My Stats  Truehits.net      วันจันทร์,16 กุมภาพันธ์ 2569 (Online 3356 คน)