WeekendHobby.com
เครื่องมือในการใช้งาน website =>> สมัครสมาชิก | Login | Logout | เปลี่ยนไอคอนส่วนตัว | เกี่ยวกับเรา | ติดต่อโฆษณา         View stat by Truehits.net


ขออนุญาติตั่งกระทู้ถามตอบปัญหารถยนต์ ISUZU โดยช่างชำนาญงานโดตตรงครับ
nai_icezaa
จาก icezaa
IP:180.210.216.131

จันทร์ที่ , 16/4/2555
เวลา : 20:25

อ่านแล้ว = ครั้ง
 เก็บเข้ากระทู้ส่วนตัว
แจ้งตรวจสอบกระทู้
 แจ้งลบ
ส่งหาเพื่อน ส่งหาเพื่อน

      

 แก้ไขเมื่อ : 3/8/2556 0:53:26



น่าจะทิ้งเบอร์ไว้ให้โทรปรึกษาได้นะครับจะเป็นการรบกวนเวลาไหมคับ
จาก : cjjaidee(cjjaidee) 27/4/2555 19:37:56 [49.49.72.87]
หวัดดีครับรถผมก้อมีปัญหา 8 เดือนแล้วยังขี่ไม่ได้เลย ดีแม็ก 3000 Ddi ปี 2007 ช่วยด้วยครับ
จาก : f.auto(f.auto) 17/10/2555 10:21:35 [122.154.131.66]
มีเรื่องถามระบบไฟ กระจกไฟฟ้า-ไฟหน้าปัด-ไฟหรี isuzu ปี99ครับ kobjri@gamil.com
จาก : kobjri(kobjri) 24/3/2556 19:44:04 [124.121.56.69]
ช่วยทีครับ_ดาร์ก้อนพาวเวอร์ เปลี่ยนปั้มธรรมดาใช้ความเร็ว 120 แล้ววัดรอบ/แอร์ไม่ทำงาน
จาก : fundeeja(fundeeja) 13/5/2556 20:14:16 [101.51.216.175]
ของผมมังกรไฟโชว์ตัวดักน้ำ+แบตขึ้นพร้อมกันทำให้ไฟไม่ชาจจะแก้ไขยังไงไล่น้ำจากตัวดักแล้วไม่หายคับ
จาก : golffy1980(golffy1980) 24/5/2556 5:15:21 [101.108.213.244]
isuzu 3.0 turbo autoเปลี่ยนปั๊มสายต้องเปลี่ยนเกียร์ไหมครับ แล้วถ้าไม่เปลี่ยนจะมีปัญหาปะครับขอบคุณคับ
จาก : beambabu(beambabu) 26/9/2556 0:41:40 [171.101.96.123]
รถผมอีชูชู เครื่อง3000 di มีอาการไฟ ABS โชว์ แตรดังตลอดเวลาสตาร์ทเครื่องบางทีก็เปิดสวิตกุญแจก็ดัง
จาก : acr(acr) 22/2/2557 23:41:46 [124.121.50.64]
เราใช้อีซูซุ ดีแมค 2500 7ปีครับ ปัญหาคือ วิ่งอยุ่ พอเบาเครื่อง ดับ เป็นมา3วันแล้วครับ รบกวนหน่อยว่าน่าจะเป็นทึ
จาก : เพ็ญจันทร์(เพ็ญจันทร์) 4/3/2557 19:20:04 [110.168.12.188]
รบกวนด้วยค่ะ อยากทราบว่า เวลาดับเครื่องรถใหม่ๆแล้ว จะมีเสียงดังติ้ง ติ้ง แถวๆ ข้างล่างใต้ห้องเครื่อง
จาก : Tuksun(Tuksun) 28/8/2559 0:15:23 [1.46.103.46]
ขอญาติครับน้าๆท่านใดพอมีวงจรเกียร์โฟร์ all new d max บ้างครับ
จาก : pan0987654(pan0987654) 26/8/2560 0:26:55 [182.232.66.45]
ขอญาติครับน้าๆท่านใดพอมีวงจรไฟเกียร์ 4wd ของ all new d max 2013 บ้างครับ ขอบคุณล่วงหน้าครับ
จาก : pan0987654(pan0987654) 26/8/2560 18:59:15 [182.232.70.26]
 แสดงความคิดเห็นย่อย แสดงความคิดเห็นย่อย

แจ้งเพื่อเก็บขึ้นกระทู้พิเศษ คลิ๊กที่นี่แจ้งเพื่อนำขึ้นกระทู้พิเศษ

คำตอบแบ่งหน้าละ 30 คำตอบ ขณะนี้คุณอยู่ที่หน้า 3 จาก >>> 1  2  3  4  5  6  7  

คำตอบที่ 61
       มีไฟรูปเครื่องขึ้นไหมครับ เพราะว่าสัญญาณวัดรอบรุ้นนี้ใช้จับที่ CKP ส่งมาที่กล่องและแปลงสัญญาณมาที่เรือนไมอีกทีครับ ส่วนระบบแอร์ ใช้ ECM สั่งงานเหมือนกันครับ ตรวจสอบเบื้องต้นดูที่ฟิวส์ ecm 1 และ 2 ครับ ในกล่องฟิวส์หน้ารถก่อนครับ ว่าขาดหรือปล่าว



ตอนแรกที่ทำงานปกติไฟenginขึ้นครับแต่ตอนนี้ไม่ขึ้นแล้วครับ
จาก : chet3.0t(chet3.0t) 5/6/2555 7:14:56 [125.25.46.167]
ได้ความรู้ดีครับ...เผือปั๊มพังจะเปลี่ยนเป็นธรรมดาบ้างครับ...
จาก : อ้วนd-max(อ้วนd-max) 5/6/2555 9:40:08 [171.99.99.86]
 แสดงความคิดเห็นย่อย แสดงความคิดเห็นย่อย

nai_icezaa จาก icezaa 1.20.0.184 จันทร์, 4/6/2555 เวลา : 22:46  IP : 1.20.0.184   

edit แก้ไขคำตอบ   delete ลบคำตอบ 6571

คำตอบที่ 62
       คุณICEZAA เคยติดตั้งกล่อง Little Giant II กับD-Max เครื่อง3.0DI หรือยังครับ น่าจะได้สักกี่ % ครับ จะคุ้มไม๊ครับ (พอดีตอนนี้ได้ข้อมูลว่า เครื่อง DI ติดกล่องได้แล้ว) จะได้ไม่ต้องเปลี่ยนเป็นปั้มสายครับ
ขอบคุณครับ



เครื่อง di ไม่เคยลองเลยครับ ส่วนมากผมติด EDU Shop อยู่ครับ กับคอมมอลเรล
จาก : nai_icezaa(nai_icezaa) 5/6/2555 22:46:32 [1.20.0.181]
diเหมือนกันครับอยากรู้ข้อมูลเรื่องกล่องเหมือนกันเท่าที่ทราบมามี2-3ยี่ห้อแต่แพงพอๆกับของcomเลย
จาก : narin san(narin san) 20/6/2555 10:55:37 [182.52.173.80]
 แสดงความคิดเห็นย่อย แสดงความคิดเห็นย่อย

blue monster จาก Blue Monster 203.144.224.34 อังคาร, 5/6/2555 เวลา : 09:30  IP : 203.144.224.34   

edit แก้ไขคำตอบ   delete ลบคำตอบ 6575

คำตอบที่ 63
       สวัสคีครับ มีเรื่องรบกวน Dragon Eye Rodeo 2800 ปี 2000
อ่างน้ำมันเครื่องด้านหน้า
น้ำมันเริ่มซึมแยอะ(คืนละหลายหยด)
กะว่าจะถอดออกมาเปลียนปะเก็นทากาวใหม่
แต่ติดอยู่ที่ว่ากลัวติดคานหน้าถอดไม่ออก
เลยอยากถามว่าถ้าถอดมันติดคานหน้าหรืออะไรไหมครับ
หรือต้องทำไงรบกวนแนะนำหน่อยครับ
ขอบคุณครับ

 แก้ไขเมื่อ : 7/6/2555 21:40:51



 แสดงความคิดเห็นย่อย แสดงความคิดเห็นย่อย

win0128 จาก win0128 101.51.18.23 พฤหัสบดี, 7/6/2555 เวลา : 21:29  IP : 101.51.18.23   

edit แก้ไขคำตอบ   delete ลบคำตอบ 6601

คำตอบที่ 64
       ขออนุญาตลบกวน ช่างไอซ์ อีกครับ
ตรงด้านล่างห้องเกียร์มีน้ำมันเกียร์ซึมออกมาเป็นหยด ให้ช่างซ่อมเปลี่ยนซีล และ ปุ่มไฟถอย ก็ไม่หาย และเกียร์บางครั้งก็เข้ายาก ต้องตรวจสอบตรงไหนอีกครับ
ขอบคุณครับ



 แสดงความคิดเห็นย่อย แสดงความคิดเห็นย่อย

nange จาก ม้ากระจ้อน 1.1.158.31 พฤหัสบดี, 7/6/2555 เวลา : 22:50  IP : 1.1.158.31   

edit แก้ไขคำตอบ   delete ลบคำตอบ 6602

คำตอบที่ 65
       ตอบ win0128 ถอดอ่างน้ำมันเครื่องถ้าเป็น 4x4 รู้สึกว่าจะติดคานนะครับ ส่วนมากที่ทำต้องยกลงมาเลยครับ หรือมีใครทำแบบไม่ยกบ้างรบกวนบอกมั่งนะครับจะได้ทำมั่ง



 แสดงความคิดเห็นย่อย แสดงความคิดเห็นย่อย

nai_icezaa จาก icezaa 1.20.0.186 เสาร์, 9/6/2555 เวลา : 20:36  IP : 1.20.0.186   

edit แก้ไขคำตอบ   delete ลบคำตอบ 6625

คำตอบที่ 66
       ตอบ พี่ม้ากระจ้อน เกียร์ 4x4 ของรถรุ่นนี้เสื้อเกียร์ชอบรั่วครับ ต้องยกเกียร์ลงมาแล้วแยกอ่างเกียร์ทากาวใหม่ครับ กาวเดิมจากโรงงานบางมาก



 แสดงความคิดเห็นย่อย แสดงความคิดเห็นย่อย

nai_icezaa จาก icezaa 1.20.0.186 เสาร์, 9/6/2555 เวลา : 20:40  IP : 1.20.0.186   

edit แก้ไขคำตอบ   delete ลบคำตอบ 6626

คำตอบที่ 67
       ขอรบกวน ช่างไอซ์อีกครับ
เรื่องคลัชมีเสียงดัง คืออาการจะเกิดตอนเกียร์ว่าง ลักษณะเสียงค่ายเสียงของลูกปืนคลัช (ดังมาก) พอเหยียบคลัชเข้าไปแล้วเสียงก็จะหาย ช่างไอซ์ช่างบอกสาเหตุเพื่อทราบด้วยครับ
ขอบคุณมากครับ



เป็นที่แผ่นคลัตซ์ครับ สปิงในแผ่นมันเกิดการล้าตัวครับ
จาก : nai_icezaa(nai_icezaa) 12/6/2555 22:18:56 [1.20.1.179]
เปลี่ยนใหม่หรือซ่อมได้ครับ
จาก : nange(nange) 13/6/2555 23:15:43 [1.1.150.176]
 แสดงความคิดเห็นย่อย แสดงความคิดเห็นย่อย

nange จาก ม้ากระจ้อน 1.1.152.54 จันทร์, 11/6/2555 เวลา : 22:49  IP : 1.1.152.54   

edit แก้ไขคำตอบ   delete ลบคำตอบ 6649

คำตอบที่ 68
       รบกวนน้าไอซ์หน่อยครับ รถผม ดรากอน3.0 ปี2001 ประมาณว่า จอดทิ้งไว้1คืน ตื่นเช้ามาสตาร์ทรถ ไฟแบตโชว์ครับ อ่านค่าโวลท์ได้ประมาณ11-12ขับไปสักพัก รอบเครื่องเริ่มคงที่ 2000อัพไฟจะได้ประมาณ13นิดๆ เป็นอยู่3-4วัน พอวันสุดท้าย ไฟแบตโชว์ตลอด สาเหตุน่าจะมาจากอะไรครับ แบตเพิ่งเปลี่ยนเมื่อ6เดือนที่แล้วครับ ขอบคุณครับ



ตรวจแปลงถ่านก่อน หมดเหรอเปล่า ถ้าไม่หมด ตรวจไดโอดครับ ถ้าไม่ขาดไม่ซ็อท เปลี่ยนคัตเอ๊าครับ
จาก : nai_icezaa(nai_icezaa) 12/6/2555 22:21:39 [1.20.1.179]
 แสดงความคิดเห็นย่อย แสดงความคิดเห็นย่อย

orion2009 จาก หลงตลอด 115.67.160.26 จันทร์, 11/6/2555 เวลา : 23:44  IP : 115.67.160.26   

edit แก้ไขคำตอบ   delete ลบคำตอบ 6657

คำตอบที่ 69
       ถามเป็นความรู้หน่อยนะครับ และเผื่อคนอื่นด้วย
กรณีเสียงเครื่องดังเช้าห้องโดยสาร
โดยเฉพาะรถอายุมากๆพวกฉนวนกันเสียงฉีกขาดหมดสภาพแล้ว
เราสามารถเอาอะไรแทนใด้
ที่ศึกษามาก็เห็นพวกใยหินซึ่งทนความร้อนใด้สูง
พอจะเอามาบุผนังห้องเครื่องหรือบุตัวเครื่องแทนของเก่าใด้ไหมครับ



ใช้แผ่นฉนวนกันเสียงกันร้อนมีขายทั่วไปครับน้า ลองดู ผมก็จะทำใหม่เหมือนกัน ของเดิมๆเป็นผ้ามันไม่เวิค
จาก : book 339(book 339) 18/6/2555 11:48:08 [101.108.111.169]
 แสดงความคิดเห็นย่อย แสดงความคิดเห็นย่อย

bensing จาก ิben 203.130.132.85 จันทร์, 18/6/2555 เวลา : 10:05  IP : 203.130.132.85   

edit แก้ไขคำตอบ   delete ลบคำตอบ 6742

คำตอบที่ 70
       ขอคู่มือซ่อมเครื่องISUZU เครื่อง4JH1 ด้วยครับ ผู้ใดมีบ้างครับ



http://download951.mediafire.com/5lk9e702iaog/osd47gq5484xxdk/4JH1-TC.zip
จาก : sunti-m(sunti-m) 27/11/2557 11:29:41 [180.183.96.236]
 แสดงความคิดเห็นย่อย แสดงความคิดเห็นย่อย

nange จาก ม้ากระจ้อน 1.1.155.201 อังคาร, 19/6/2555 เวลา : 21:11  IP : 1.1.155.201   

edit แก้ไขคำตอบ   delete ลบคำตอบ 6760

คำตอบที่ 71
       รบกวนสอบถามครับ ผมใช้อีซูซุ ดีแมกซ์ cap4 รุุ่นปี 2005 วันนี้มีอาการสตาร์ทไม่ติด (เครื่องจะสั่นแต่ไม่ยอมติด) พยายามสตาร์ทหลายครั้ง โดยเหยีบคันเร่งไปด้วยขณะสตาร์ทเครื่องถึงติด อยากรบกวนสอบถามว่าปัญหาแบบนี้เกิดจากสาเหตุใด และจะแก้ปัญหายังไงครับ ขอบคุณมาก



ขอข้อมูลมากกว่านี้หน่อยครับ
จาก : nai_icezaa(nai_icezaa) 23/6/2555 21:19:34 [1.20.1.142]
 แสดงความคิดเห็นย่อย แสดงความคิดเห็นย่อย

nukthip จาก ซิกัมซา 223.204.68.88 พุธ, 20/6/2555 เวลา : 22:48  IP : 223.204.68.88   

edit แก้ไขคำตอบ   delete ลบคำตอบ 6783

คำตอบที่ 72
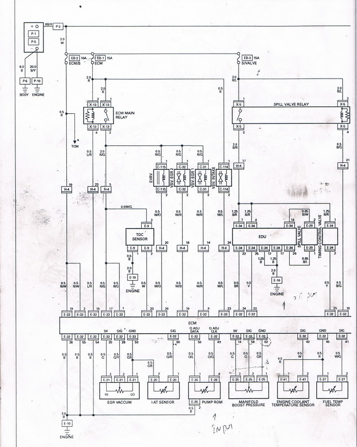
       ขอรบกวน คุณICEZAA มี วงจรสายไฟตรงกล่อง ECM ที่อยู่หลังเครื่อง 3.0 DI มีไหมครับ คืออยากรู้ว่าสายไหนเป็นสัญญาญอะไรบ้าง / ตอนนี้รถเครื่อง 3.0 DI ติดตั้งกล่อง Little Giant II กับเครื่อง DI ได้แล้วครับ ผมเห็นรูป สายจากกล่อง พ่วงกับสายตรง กล่อง ECM ครับ ขอบคุณครับ



คุณblue monsterครับกล่องราคาเท่าไหร่ครับใช้แล้วเป็นไหงบ้างสนใจอย่างแรงครับ
จาก : narin san(narin san) 24/6/2555 21:29:13 [125.27.140.175]
กล่องยังไม่ได้ติดครับ มีLittle Giant ยี่ห้อเดียว ที่ติดได้กับเครื่อง 3.0 DI ครับ ราคา4500 ทุกที่ครับ
จาก : blue monster(blue monster) 26/6/2555 11:34:10 [203.144.224.34]
 แสดงความคิดเห็นย่อย แสดงความคิดเห็นย่อย

blue monster จาก Blue Monster 203.144.224.34 พฤหัสบดี, 21/6/2555 เวลา : 09:04  IP : 203.144.224.34   

edit แก้ไขคำตอบ   delete ลบคำตอบ 6787

คำตอบที่ 73
       สอบถามช่าง ไอซ์หน่อยครับ
ผมพึ่งรับรถ isuzu all new รุ่น 4dr hilender z dvd ยังไม่ได้ทำการปรับแต่งอะไรเลย
ผมควรปรับแต่งอะไรบ้างครับ ร้านช่างไอซ์อยู่แถวไหนครับ รบกวนด้วยนะครับ



ถ้าจะแต่งอันนี้โทรคุยดีกว่าครับ 0846730728
จาก : nai_icezaa(nai_icezaa) 23/6/2555 21:18:00 [1.20.1.142]
 แสดงความคิดเห็นย่อย แสดงความคิดเห็นย่อย

tu1463 จาก tu 180.222.148.101 ศุกร์, 22/6/2555 เวลา : 10:56  IP : 180.222.148.101   

edit แก้ไขคำตอบ   delete ลบคำตอบ 6797

คำตอบที่ 74
       รบกวนคับพี่่ๆ หลอดไฟซีนอนของ dragon power ปี 2001 ตรา egereye(นกเยี่ยวอะคับ)ราคา 1800 บาท แพงไปไหมคับ เห็นในเน็ตมีราคา 800 ของยี้ห้ออะไรคับ วัยรุ่นใจร้อน



 แสดงความคิดเห็นย่อย แสดงความคิดเห็นย่อย

tatsanai จาก ปุ๋ยลูกประดู่ 171.98.10.133 เสาร์, 23/6/2555 เวลา : 11:36  IP : 171.98.10.133   

edit แก้ไขคำตอบ   delete ลบคำตอบ 6807

คำตอบที่ 75
       รบกวนคับพี่่ๆ หลอดไฟซีนอนของ dragon power ปี 2001 ตรา egereye(นกเยี่ยวอะคับ)ราคา 1800 บาท แพงไปไหมคับ เห็นในเน็ตมีราคา 800 ของยี้ห้ออะไรคับ วัยรุ่นใจร้อน



http://www.hippoautotech.com/product.detail_842118_th_4262886
จาก : nange(nange) 17/7/2555 10:14:32 [1.1.157.130]
 แสดงความคิดเห็นย่อย แสดงความคิดเห็นย่อย

tatsanai จาก ปุ๋ยลูกประดู่ 171.98.10.133 เสาร์, 23/6/2555 เวลา : 11:37  IP : 171.98.10.133   

edit แก้ไขคำตอบ   delete ลบคำตอบ 6808

คำตอบที่ 76
       วงจรไฟครับ





กลับหัวเฉยเลย
จาก : nai_icezaa(nai_icezaa) 23/6/2555 21:24:31 [1.20.1.142]
 แสดงความคิดเห็นย่อย แสดงความคิดเห็นย่อย

nai_icezaa จาก icezaa 1.20.1.142 เสาร์, 23/6/2555 เวลา : 21:23  IP : 1.20.1.142   

edit แก้ไขคำตอบ   delete ลบคำตอบ 6815

คำตอบที่ 77
      





ขอบคุณมากครับ นายช่างไอซ์
จาก : blue monster(blue monster) 26/6/2555 11:10:37 [203.144.224.34]
 แสดงความคิดเห็นย่อย แสดงความคิดเห็นย่อย

nai_icezaa จาก icezaa 1.20.1.142 เสาร์, 23/6/2555 เวลา : 21:27  IP : 1.20.1.142   

edit แก้ไขคำตอบ   delete ลบคำตอบ 6817

คำตอบที่ 78
      





ขอบคุณมากครับ นายช่างไอซ์
จาก : blue monster(blue monster) 26/6/2555 11:11:35 [203.144.224.34]
 แสดงความคิดเห็นย่อย แสดงความคิดเห็นย่อย

nai_icezaa จาก icezaa 1.20.1.142 เสาร์, 23/6/2555 เวลา : 21:38  IP : 1.20.1.142   

edit แก้ไขคำตอบ   delete ลบคำตอบ 6818

คำตอบที่ 79
       ขอบคุณคุณไอซ์ ที่แนะนำเรื่องมอเตอร์กระจก จะลองล้างมอเตอร์ดูครับ



 แสดงความคิดเห็นย่อย แสดงความคิดเห็นย่อย

eakaeveeakaeve จาก เอก คาเมก้า IZU 390 124.121.83.144 อาทิตย์, 24/6/2555 เวลา : 12:33  IP : 124.121.83.144   

edit แก้ไขคำตอบ   delete ลบคำตอบ 6821

คำตอบที่ 80
       สวัสดีคับพี่ ผมซื้อหลอดไฟซีนอน ของ EAGLEYE มาใช้แล้วคับ มันเป็นแสง 8000 K คับ แสงไม่เท่ากัน ข้างทีี่ไม่ได้เปลี่ยนแสงออกเหลืองมากกว่า แสงไม่เท่ากันคับขี้เหล่มาก ผมรบกวนถามพี่คับ ว่าหลอดของ สแตนเล ที่มากับรถมันเป็นแสงขนาดกี่ K อะคับ 8000K เท่ากันเปล่าผมไม่แน่ใจว่าเหลืองเพราะหลอดเก่าเปล่า เวลาเปลี่ยนต้องเปลี่ยนทั้งสองข้างเปล่าคับ ขอบคุณคับพี่



ลืมบอกไปครับแสงเดิมมันแค่6500Kเองครับ
จาก : nai_icezaa(nai_icezaa) 24/6/2555 20:43:04 [1.20.1.149]
 แสดงความคิดเห็นย่อย แสดงความคิดเห็นย่อย

tatsanai จาก ปุ๋ยลูกประดู่ 171.98.10.133 อาทิตย์, 24/6/2555 เวลา : 15:56  IP : 171.98.10.133   

edit แก้ไขคำตอบ   delete ลบคำตอบ 6822

คำตอบที่ 81
       ช่วงซ่อมรถถามพี่เยอะหน่อยนะคับ พี่คับกระจกไฟฟ้าข้างคนขับคับพี่มันไม่ขึ้นต้องเอามือพยุงคับเป็นมานานแล้วตอนนี้พยุงแทบจะไม่ขึ้นแล้วคับผมต้องเปลี่ยนอะไรบ้าง ราคาประมาณเท่าไรคับ และอีกอันคับพี่น้ำมันเกียร์มันรั่วคับพี่รองเปิดดูคับมันออกมาตรงคันเกียร์ 4WD ยางกันฝุ่่นมันเผยอออกมาผมรองไส่ใหม่พอขยับคันเกียร์มันก็เผยออีก ถามศูนย์มาต้องเปลี่ยนทั้งคันเกียร์ราคาประมาณ2000 มันจะหายไหมคับเฉพาะยางกันฝุ่นมีขายไหมและถอดเปลี่ยนที่คันเกียร์อย่างไงคับ ขอบคุณมากๆคับพี่และผมจะรบกวนอีกนะ



คันเกียร์มีอะไหล่เปลี่ยนครับ ส่วนกระจกลองถอดมอเตอร์มาล้างดูครับ
จาก : nai_icezaa(nai_icezaa) 24/6/2555 20:45:30 [1.20.1.149]
เปลี่ยนบูช คันเกียร์ และยางกันฝุ่นได้ครับ มีอะไหล่แท้ขาย / ไม่ต้องเปลี่ยนทั้งคันเกียร์
จาก : blue monster(blue monster) 26/6/2555 11:29:34 [203.144.224.34]
มอเตอร์กระจก ถ้าถอดออกมาทำควาสะอาด ฝุ่นจากแปรง จะใช้ได้อีกระยะหนึ่ง /ถ้าเปลี่ยนใหม่ ไม่ถึงพัน ครับ
จาก : blue monster(blue monster) 26/6/2555 11:31:18 [203.144.224.34]
 แสดงความคิดเห็นย่อย แสดงความคิดเห็นย่อย

tatsanai จาก ปุ๋ยลูกประดู่ 171.98.10.133 อาทิตย์, 24/6/2555 เวลา : 18:35  IP : 171.98.10.133   

edit แก้ไขคำตอบ   delete ลบคำตอบ 6823

คำตอบที่ 82
       ขอบคุณมากมายนะครับ กับการต้อนรับเจ้าเสือขาวเมื่อวันเสาร์ หลังจากเปลี่ยนโซลินอยด์ไป อาการเครื่องไม่ดับหายไปนะครับ โดยที่ยังไม่ได้ไปทำปั๊มด้วย






หายแล้วเหรอครับ
จาก : nai_icezaa(nai_icezaa) 25/6/2555 12:17:56 [1.20.0.130]
โซลินอยด์จะมีลูกยางเป็นตัวกั้นน้ำมันไว้ครับ ถ้าลูกยางตัวนี้ขาด น้ำมันเข้าตลอด จะดับเครื่องไม่ได้ครับ
จาก : blue monster(blue monster) 26/6/2555 11:24:53 [203.144.224.34]
 แสดงความคิดเห็นย่อย แสดงความคิดเห็นย่อย

March จาก ไอดิน 119.46.150.194 จันทร์, 25/6/2555 เวลา : 11:41  IP : 119.46.150.194   

edit แก้ไขคำตอบ   delete ลบคำตอบ 6834

คำตอบที่ 83
       รบกวนคับพี่ ผมถอดคันเกียร์มาดูแล้วคับ ผมถอดคันเกียร์แยกเป็น 2 ชิ้น แล้วเปลี่ยนยางกันฝุ่นไม่ได้ มันต้องถอดยังไงคับ ช่างบางคนบอกต้องตัดและเชื่อมต่อ จริงเปล่าคับ ส่วนกระจกไฟฟ้าผมเปลี่ยนยางขอบกระจกแล้วคับทำงานปกติแต่ช้ากว่าอีกข้างนิดนึง ขอบคุณมากๆคับพี่





ได้ผลงัยบอกด้วยครับ
จาก : nai_icezaa(nai_icezaa) 25/6/2555 21:46:05 [1.20.1.166]
รอดูด้วยคนครับเห็นแล้วงงจัง...แล้วลูกยางสีขาวคือบู้ชคันเกียร์รึเปล่า.ยังไม่เคยลองเปลี่ยนเองเลยครับ..
จาก : อ้วนd-max(อ้วนd-max) 26/6/2555 8:12:26 [171.99.99.176]
ยางกันฝุ่นตัวบนใช่ไหมครับ ถ้าใช่ใช้คัตเตอร์ตัดของเก่าออก ส่วนอันใหม่ทาจารบีนิด ๆ ยัดจากตรงด้ามคัน..
จาก : blue monster(blue monster) 26/6/2555 11:15:03 [203.144.224.34]
ยัดจากปลายคันเกียร์ ยัด กด ดัน พยามยามหน่อยครับ จะเข้าไปได้เอง ยางรูปมันเล็กครับ เข้ายากมาก
จาก : blue monster(blue monster) 26/6/2555 11:17:54 [203.144.224.34]
ช่างคนไหนบอก ต้องตัดเชื่อมคันเกียร์แสดงว่า ช่างไม่มีความรู้เลยครับ ไม่ได้พิจารณา ไม่มีเทคนิคเลยครับ
จาก : blue monster(blue monster) 26/6/2555 11:20:15 [203.144.224.34]
ขอบคุณมากๆคับพี่ ผมไปหาซื้อยางก่อนหาซื้อยางมากมีแต่ของ นิสสัน ผมอยู่สัตหีบสงสัยต้องไปหา กท.
จาก : tatsanai(tatsanai) 26/6/2555 13:37:44 [119.42.68.233]
ของผมบู๊ชหลวมคันเกียรฺโยกเยกใช้วีธีเปลี่ยนบู๊ชแล้วไปอัดเอาลูกกลมๆออกแล้วกลับด้านล่างไปไว้บนครับ
จาก : เต่าดอย(เต่าดอย) 6/8/2555 18:09:52 [223.205.163.149]
แล้วก้อเปลี่ยนยางกันฝุ่นไปพร้อมกันเลยเกียร์แน่นเลยเข้าเกียร์แม่นไม่มีโยกลองดูนะครับ
จาก : เต่าดอย(เต่าดอย) 6/8/2555 18:12:43 [223.205.163.149]
 แสดงความคิดเห็นย่อย แสดงความคิดเห็นย่อย

tatsanai จาก ปุ๋ยลูกประดู่ 171.98.10.133 จันทร์, 25/6/2555 เวลา : 21:18  IP : 171.98.10.133   

edit แก้ไขคำตอบ   delete ลบคำตอบ 6836

คำตอบที่ 84
       ดีคับพี่ๆ ผมจะซ่อมคันเกียร์ คงต้องเปลี่ยนน้ำมันเกียร์ด้วยเพราะไม่รู้มันรั่วออกไปเท่าไรแล้ว พี่คับน้ำมันเกียร์ธรรมดาใช้เกรด 10w-30 หรือ 40 ส่วนเกียร์สโลว์ใช้น้ำมันอะไรคับ บางท่านบอก 40 บางท่านบอก slx 90 ตัวที่ใช้กับลิมิเตดสลิปเป็นเกรด 90 ตัวเดียวกับน้ำมันเฟืองท้าย ช่วยไขความกระจ่างหน่อยคับ





เกียร์กับเกียทรานเฟอร์ใช้น้ำมันเบอร์เดียวกันครับ 10w30 หรือ40 ก็ได้ครับส่วนในศูนย์ใช้30
จาก : nai_icezaa(nai_icezaa) 26/6/2555 20:30:43 [1.20.0.132]
เฟืองท้ายใช้ LSD เบอร์140 นะครับ
จาก : nai_icezaa(nai_icezaa) 26/6/2555 20:34:39 [1.20.0.132]
 แสดงความคิดเห็นย่อย แสดงความคิดเห็นย่อย

tatsanai จาก ปุ๋ยลูกประดู่ 171.98.10.133 อังคาร, 26/6/2555 เวลา : 18:09  IP : 171.98.10.133   

edit แก้ไขคำตอบ   delete ลบคำตอบ 6839

คำตอบที่ 85
       ผมจะเปลี่ยนยางกันผุ่นคันเกียร์4x4ดรากอนอายเหมือนกัน แต่คันเกียร์หลักคงต้องเปลี่ยนทั้งอันตามที่โทรไปคุยกับช่างไอซ์ พรุ่งนี้จะลองไปที่ร้านอะไหล่ดู
แต่มีปัญหาที่คันเกียร์หลัก เช็ดราคาศูนย์อยู่ที่ประมาณ6000กว่า มาพร้อมยางตัวที่ติดพื้นรถ(Made in Japan) ถามร้านอะไหล่ ราคา3000กว่าบาท แต่ที่ร้านแนะนำให้ใช้คันเกียร์หลักของDmaxมาใส่แทนราคา 1200เอง ช่างไอซ์มีอะไรแนะนำหรือไหมครับจะใช้ด้วยกันได้หรือไม่



พี่คับ ยางกันฝุ่นคันเกียร์ 4x4 ซื้อได้ยังราคาเท่าไรคับ และคันเกียร์หลักของผมต้องเปลี่ยนทั้งอันไหม
จาก : tatsanai(tatsanai) 26/6/2555 21:25:18 [171.98.10.133]
ถ้ายังไม่หลวมก็น่าจะเปลี่ยนเฉพาะยางกันฝุ่น ของผมช่างที่เคยเช็คบอกหลวมมาก แต่มันก็ยังเข้าเกียร์ได้ดี
จาก : ชา(ชา) 26/6/2555 21:38:08 [124.122.78.13]
ยางกันฝุ่นใส่แบบพี่ blue บอกใช่ไหมคับ พี่หาซื้อที่ไหน เอาตัวอย่างไปเทียบหรือบอกรุ่นเขาเลย
จาก : tatsanai(tatsanai) 26/6/2555 21:46:29 [171.98.10.133]
จะไปซื้อพรุ่งนี้ครับ แล้วจะแจ้งความคืบหน้าอีกที วิธีใส่ถามช่างไอซ์แล้วเหมือนคุณBlueบอกเลยครับ
จาก : ชา(ชา) 26/6/2555 21:53:39 [124.122.78.13]
 แสดงความคิดเห็นย่อย แสดงความคิดเห็นย่อย

ชา จาก ชา 124.122.78.13 อังคาร, 26/6/2555 เวลา : 20:42  IP : 124.122.78.13   

edit แก้ไขคำตอบ   delete ลบคำตอบ 6849

คำตอบที่ 86
       รูปคันเกียร์เก่าที่ติดรถมาครับ ผ่านการใช้งานมา6แสนโลจากป้ายแดง ตรงที่เป็นหัวบอลสึกเป็นหัวหลี่ยมไปเลย ยางกันฝุ่นขาดหมด

 แก้ไขเมื่อ : 26/6/2555 21:09:09





 แสดงความคิดเห็นย่อย แสดงความคิดเห็นย่อย

ชา จาก ชา 124.122.78.13 อังคาร, 26/6/2555 เวลา : 21:06  IP : 124.122.78.13   

edit แก้ไขคำตอบ   delete ลบคำตอบ 6852

คำตอบที่ 87
       ซื้อมาแล้วครับคันเกียร์Dmax เดี่ยวรอมีเวลาใส่อีกที คนขายบอกเคยลองใส่ดรากอนอาย4x4ที่หน้าร้านเลย ตอนหลังนี่ซื้อใส่กันไปหลายคันแล้ว
เวลาใส่แล้วด้ามจะเอียงมุมไม่เหมือนเดิม ซื้อมา1200ถ้วน ของเดิมดรากอน6000กว่าไม่ไหวครับ ในรูปอันขวาของDmax






จาก : tatsanai(tatsanai) 29/6/2555 18:41:53 [171.98.10.133]
ซื้อศูนย์ใช่ไหมคับ เดี๋ยวพรุ้งนี้ไปซื้อเลยคับรถฟังเสียงเครื่องมา 2 วันแล้ว ขอบคุณคับ
จาก : tatsanai(tatsanai) 29/6/2555 18:43:10 [171.98.10.133]
ใส่แล้วมีปัญหาเรื่องเกียร์เข้ายากหรือป่าวครับ
จาก : lex2519(lex2519) 10/4/2556 5:29:35 [125.27.10.238]
 แสดงความคิดเห็นย่อย แสดงความคิดเห็นย่อย

ชา จาก ชา 115.87.99.150 พุธ, 27/6/2555 เวลา : 19:46  IP : 115.87.99.150   

edit แก้ไขคำตอบ   delete ลบคำตอบ 6864

คำตอบที่ 88
       เทียบความสึกหรอ





อันเก่าขายหรือป่าวครับขายเท่าไหรผมจะเอามาเป็นตัวอย่าง
จาก : lex2519(lex2519) 10/4/2556 5:59:02 [125.27.10.238]
 แสดงความคิดเห็นย่อย แสดงความคิดเห็นย่อย

ชา จาก ชา 115.87.99.150 พุธ, 27/6/2555 เวลา : 19:48  IP : 115.87.99.150   

edit แก้ไขคำตอบ   delete ลบคำตอบ 6865

คำตอบที่ 89
       ยางกันฝุ่นก็ซึ้อมาด้วยไหนๆก็ไปถึงร้านแล้ว ราคา60บาท(ของDmax) ส่วนยางกันฝุ่นคันเกียร์4x4ไม่มีแยกขายต้องซื้อคันเกียร์ทั้งอัน คงใช้อันเก่าเพราะยังฟิตอยู่

 แก้ไขเมื่อ : 27/6/2555 19:58:33





ยางกันฝุ่นเกียร์ โฟ เดียวผมจะลองถามเพื่อนในศูนย์ดูให้นะครับ
จาก : nai_icezaa(nai_icezaa) 27/6/2555 22:53:21 [1.20.0.191]
พี่ชา ซื้อศูนย์ใช่ไหมคับ พรุ้งนี้ไปซื้อคับ
จาก : tatsanai(tatsanai) 29/6/2555 18:44:29 [171.98.10.133]
ซื้อร้านอะไหล่อึซุแถวบางนาครับ ศูนย์น่าจะมีหรือสั่งได้ลองจดเบอร์อะไหล่ไปเช็คดูครับ
จาก : ชา(ชา) 30/6/2555 20:08:40 [110.49.233.107]
ขอบคุณคับพี่ เดียวผมจะไปหาซื้อคับ พอดีผมเจอกระทู้ใน D - MAX CLUB เดี๋ยวลงให้ดู
จาก : tatsanai(tatsanai) 30/6/2555 21:16:54 [171.98.10.133]
 แสดงความคิดเห็นย่อย แสดงความคิดเห็นย่อย

ชา จาก ชา 115.87.99.150 พุธ, 27/6/2555 เวลา : 19:55  IP : 115.87.99.150   

edit แก้ไขคำตอบ   delete ลบคำตอบ 6866

คำตอบที่ 90
       ขอสอบถามครับ ใช้D-Max 3.0 DI ออโต 4WD ปี2002 ได้ข่าวว่าเกียร์ออโต รุ่นนี้เปลาะพังง่าย แค่เอารถเราไปลากรถคันอื่นเกียร์ก็พังแล้ว จริงมั๊ยครับ ถ้าเกียร์ออโตพังจริงๆ จะเปลี่ยนเป็นเกียร์ธรรมดาของรุ่นไหนได้บ้างครับ แล้วพวกชุดสายไฟต้องทำไงบ้างครับ ถ้าเป็นเกียร์ธรรมดาแล้ว บางทีอาจแปลงเป็นปั๊มกลไกเทอร์โบเลยดีกว่า แล้วเฟืองท้ายต้องเปลี่ยนไหมครับ



 แสดงความคิดเห็นย่อย แสดงความคิดเห็นย่อย

e20uwq จาก ยอดชาย 1.20.1.165 เสาร์, 30/6/2555 เวลา : 18:50  IP : 1.20.1.165   

edit แก้ไขคำตอบ   delete ลบคำตอบ 6930

      

ยังมีคำตอบมากกว่านี้นะครับ คลิ๊กเพื่อดูหน้าถัดไป


คำตอบแบ่งหน้าละ 30 คำตอบ ขณะนี้คุณอยู่ที่หน้า 3 จาก >>> 1  2  3  4  5  6  7  



website รองรับการใช้งานทุกระบบปฏิบัติการของ PC Tablet SmartPhone ทุกระบบสามารถโพสข้อความและรูปภาพได้โดยไม่ต้องย่อไฟล์
เพื่อความปลอดภัยในการใช้ website WeekendHobby.Com สมาชิก เท่านั้น จึงจะตั้งกระทู้ หรือ ตอบกระทู้ได้ครับ
Login Click ที่นี่
สมัครสมาชิก Click ที่นี่



Since 22, Feb 2001 hit counter View My Stats  Truehits.net      วันอังคาร,9 ธันวาคม 2568 (Online 2436 คน)