WeekendHobby.com
เครื่องมือในการใช้งาน website =>> สมัครสมาชิก | Login | Logout | เปลี่ยนไอคอนส่วนตัว | เกี่ยวกับเรา | ติดต่อโฆษณา         View stat by Truehits.net


เรียนถามสมาชิกหรือผู้รู้เรื่องไดสตาร์ท
kru-o
จาก kru-o
IP:118.175.127.220

อังคารที่ , 7/7/2558
เวลา : 10:46

อ่านแล้ว = ครั้ง
 เก็บเข้ากระทู้ส่วนตัว
แจ้งตรวจสอบกระทู้
 แจ้งลบ
ส่งหาเพื่อน ส่งหาเพื่อน

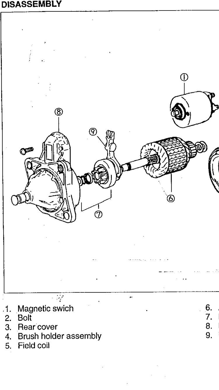
       ซื้อไดสตาร์ทมาจากสมาชิกช่างใส่แล้วบอกเฟืองไม่ถูกอยากเรียนถามสมาชิกว่าใช้เฟืองเท่าไร(กี่ฟัน)เป็นเกียออโต


 แสดงความคิดเห็นย่อย แสดงความคิดเห็นย่อย

แจ้งเพื่อเก็บขึ้นกระทู้พิเศษ คลิ๊กที่นี่แจ้งเพื่อนำขึ้นกระทู้พิเศษ

คำตอบแบ่งหน้าละ 30 คำตอบ ขณะนี้คุณอยู่ที่หน้า 1 จาก >>> 1  

คำตอบที่ 1
       ไม่ค่อยได้แวะมา โทรหาแหน่ครับ 0863740299



 แสดงความคิดเห็นย่อย แสดงความคิดเห็นย่อย

wannamat จาก siaperm 101.109.17.220 เสาร์, 11/7/2558 เวลา : 19:57  IP : 101.109.17.220   

edit แก้ไขคำตอบ   delete ลบคำตอบ 52782

คำตอบที่ 2
       ใครเคยซ่อมไดสตาร์ทรุ่นSPORTEAG ว่ามีกี่เฟืองครับ



 แสดงความคิดเห็นย่อย แสดงความคิดเห็นย่อย

kru-o จาก kru-o 118.175.127.220 พฤหัสบดี, 16/7/2558 เวลา : 10:36  IP : 118.175.127.220   

edit แก้ไขคำตอบ   delete ลบคำตอบ 52788

คำตอบที่ 3
       ดูจากรูปใน คู่มือแล้ว น่าจะ 8 ฟันครับ





 แสดงความคิดเห็นย่อย แสดงความคิดเห็นย่อย

ohmmemy จาก ohmmemy พฤหัสบดี, 16/7/2558 เวลา : 11:16  IP :   

edit แก้ไขคำตอบ   delete ลบคำตอบ 52789

      

คำตอบแบ่งหน้าละ 30 คำตอบ ขณะนี้คุณอยู่ที่หน้า 1 จาก >>> 1  



website รองรับการใช้งานทุกระบบปฏิบัติการของ PC Tablet SmartPhone ทุกระบบสามารถโพสข้อความและรูปภาพได้โดยไม่ต้องย่อไฟล์
เพื่อความปลอดภัยในการใช้ website WeekendHobby.Com สมาชิก เท่านั้น จึงจะตั้งกระทู้ หรือ ตอบกระทู้ได้ครับ
Login Click ที่นี่
สมัครสมาชิก Click ที่นี่



Since 22, Feb 2001 hit counter View My Stats  Truehits.net      วันอาทิตย์,7 ธันวาคม 2568 (Online 2847 คน)