WeekendHobby.com


มีเรื่องรบกวนถามพี่ๆใจดีอีกครั้งคับผม
pongx3
จาก ปองคุง
พุธที่ , 27/1/2553
เวลา : 02:12

อ่าน = 315
58.64.99.226
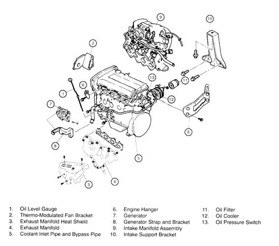
       1.สองตัวในวงแดงนี้ปลั๊กไดชาร์ตใช่ไหมคับ




เครื่องมือในการใช้งาน website =>> สมัครสมาชิก | Login | Logout | เปลี่ยนไอคอนส่วนตัว | เกี่ยวกับเรา | ติดต่อโฆษณา         View stat by Truehits.net


   
   

คำตอบที่ 1
       2.สามอันนี้อยู่ตรงไหนคับ





pongx3 จาก ปองคุง  58.64.99.226  พุธ, 27/1/2553 เวลา : 02:13   


คำตอบที่ 2
       3.ตัวนี้สองรูบนยึดกับอะไรคับแล้วอยู่ตรงส่วนนี้ถูกไหมคับ

 แก้ไขเมื่อ : 27/1/2553 2:16:06





pongx3 จาก ปองคุง  58.64.99.226  พุธ, 27/1/2553 เวลา : 02:14   


คำตอบที่ 3
       4.ตัวนี้ยึดน๊อตอยู่ตรงไหนอ่ะคับ





pongx3 จาก ปองคุง  58.64.99.226  พุธ, 27/1/2553 เวลา : 02:15   


คำตอบที่ 4
       ขอบคุณพี่ทุกคนที่ตอบให้คับ



pongx3 จาก ปองคุง  58.64.99.226  พุธ, 27/1/2553 เวลา : 02:16   


คำตอบที่ 5
       ปลั๊กไดชาร์จ ถ้าเสียบเข้ากับตัวไดชาร์จได้ก็ใช่แล้วครับ
ตัวอื่นๆนึกไม่ออกครับ ลองๆประกอบดูครับ ดูรูปร่างแล้วถ้าถูกทางก็ประกอบได้ครับ



phupha จาก ภูผา  61.91.73.21  พุธ, 27/1/2553 เวลา : 20:52   


คำตอบที่ 6
       ง่ายๆก็ดูจากในรถคันอื่นที่ติดอยู่ซิครับแล้วประกอบตาม



bchularak จาก เกียแปด  203.172.199.254  พฤหัสบดี, 28/1/2553 เวลา : 09:49   


คำตอบที่ 7
       อันนี้ลองดูครับ เผื่อมีประโยชน์






ctnut จาก kia บึงคำพร้อย  124.121.129.171  พฤหัสบดี, 28/1/2553 เวลา : 13:19   


      

Since 22, Feb 2001 hit counter View My Stats  Truehits.net      วัน<%=WeekdayName(Weekday(Date))%>,<%=formatdatetime(date(),1)%> (Online <%=Application("OnlineUsers")%> คน)
                                       

เพื่อลดภาระของ ฐานข้อมูล ซึ่งมีขนาดใหญ่มาก เพราะเวบเปิดมากว่า 10 ปี
จึงทำให้เวบช้าลงมาก ทีมงานจึงขออนุญาต แปลงข้อมูลจาก ฐานข้อมูลหลักเป็น SHTML File
เพื่อลดภาระการทำงานของ ฐานข้อมูลหลักครับ การแปลงฐานข้อมูลนี้ จะทำให้กระทู้นี้
ไม่สามารถตอบคำถามได้อีกต่อไปครับ แต่จะสามารถค้นหาชื่อกระทู้ และ Link ตรงมาที่หน้านี้ได้เหมือนเดิมครับ

ด้วยความนับถืออย่างสูง ทีมงาน Weekendhobby.com


Convert on : 23/8/2554 6:09:23

Error processing SSI file