WeekendHobby.com


ไฟหรี่ ไฟท้าย ไฟหน้าปัทม์
sudjarid
จาก Back
จันทร์ที่ , 7/6/2553
เวลา : 11:12

อ่าน = 1609
203.144.198.242
       อืม..เล่ากันก่อน

วันเสาร์ที่ผ่านมาช่วงเย็น เปิดไฟหรี่ไว้จอดรอซื้อข้าว จากนั้นก็ ปิด แล้วดับเครื่อง
หลังจากซื้อแล้วก็มาสตาร์ท แล้ว...เปิดไฟหรี่..อ้าวไฟหน้าปัดไม่ขึ้น ลงรถไปดู ไฟหรี่ไม่มา ไฟท้ายไม่ปรากฎ
เปิดไฟหน้า ..ออก แต่ไฟท้ายไม่มา ..ไฟเบรคมี

กลับบ้าน.ลองดูที่ฟิวส์ ไม่ขาดทุกตัว(แกะออกมาทุกตัว) ฟิวส์ที่ห้องเครื่องก็ไม่ขาด แต่ไอ้ตัว 80 A มันเก่า แต่ก็ยังไม่ขาด.....

เมื่อวานวันอาทิตย์เลยต้องรื้อ สวิทย์ตรงพวงมาลัย ก็ไม่เห็นสิ่งผิดปกติ

สันนิษฐาน อาจเกิดจากไฟแบตอ่อน เลยเอาไปชาร์ต เย็นนี้รู้ผล

มีคำถาม...
1.นอกจากฟิวส์ ที่อยู่ใกล้เท้าและในห้องเครื่องแล้ว ยังมีที่อื่นอีกไหม(พยายามหาในคู่มือเล่มยักษ์แล้ว ยังไม่เจอ)
2.ฟิวส์ 80 A จะหาซื้อได้ที่ไหน (ร้านหน้าปากซอย ไม่มี มีอะไหล่ทุกอย่างยกเว้น ......อืม)

thank you หลายๆ





เครื่องมือในการใช้งาน website =>> สมัครสมาชิก | Login | Logout | เปลี่ยนไอคอนส่วนตัว | เกี่ยวกับเรา | ติดต่อโฆษณา         View stat by Truehits.net


   
   

คำตอบที่ 1
       ฟิวส์ 80 A เส้นแถวบ้านคุณ back ก็มีร้านอะไหล่แยะก็น่าจะมีครับ หากหาไม่จริง ๆ ก็ร้านเจ๊หงษ์ปากน้ำเลยครับ มีทุกสิ่งที่ท่านต้องการ



mochi_oh จาก พด  124.120.247.15  จันทร์, 7/6/2553 เวลา : 11:25   


คำตอบที่ 2
       รถของผม เคยมีอาการ : ไฟหน้าปัทม์ และไฟท้าย ไม่ขึ้นพร้อมกัน...เช็คที่ฟิวส์บริเวณขาขวาที่นั่งคนขับ พอเราเสียบฟิวส์เข้า สตาร์ตเครื่อง ฟิวส์จะขาดตลอด....

ไปอู่ซ่อมไฟ : ช่างตรวจดูพบว่า ไฟช็อต เลยให้เค้าซ่อมให้

ค่าซ่อม : ไม่กี่ร้อยครับ



vi_sawah จาก KIA วังแดง  203.156.144.165  จันทร์, 7/6/2553 เวลา : 13:14   


คำตอบที่ 3
       ของผมเคยช๊อตบริเวณที่ใส่เครื่องเล่นเทปใส่ฟิวล์ไปเท่าไหร่ก็ขาด(ตรงบริเวณเท้าขวาฝั่งคนขับ)



trinop_n จาก ตอ  124.157.221.215  จันทร์, 7/6/2553 เวลา : 17:04   


คำตอบที่ 4
       ...แค่นี้ บีมีหยังดอก สำหรับท่าน Back ไล่ไปเดียวก็เจอ



phupha จาก ภูผา  183.89.12.112  จันทร์, 7/6/2553 เวลา : 19:30   


คำตอบที่ 5
       ลองแล้ว....มืดตืบเหมือนเดิม

ฟิวส์ ไม่เป็นไร...ปกติทั้ง ในห้องเครื่องและที่ ใกล้เท้าครับ (เปลี่ยนเกือบหมดแผง ใช้วิธีสลับด้วย ตอนแรกสงสัยตามความคิดเห็นของพี่เกียแดง) อ้อ...ฟิวส์ 80 แอมป์ หน้าปากซอยมีครับ ครั้งแรกชาวต่างชาติขายให้ มึนตึบ...


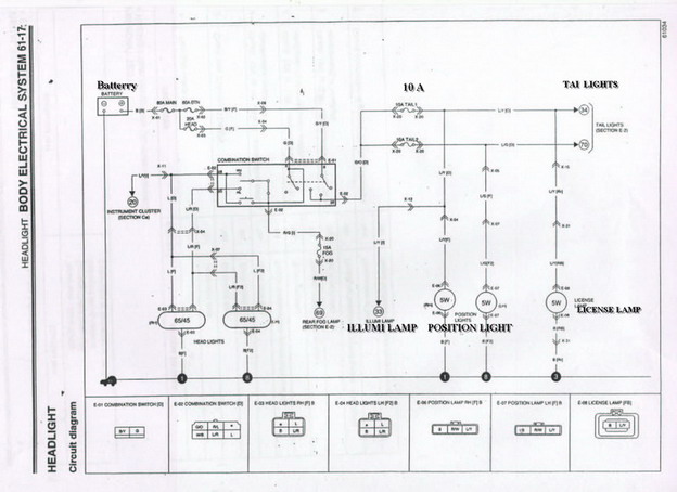
ดู จาก diagram ในคู่มือเล่มยักษ์ แบบเดาๆ

จากสวิทย์(combination switch) ไป ฟิวส์ แล้วเข้าไฟต่างๆเลย( ILLUMI LAMP, POSITION LIGHT, LICENSE LAMP, TAIL LIGHT) แล้วลงกราวด์ มันก็ยังบ่ ติดเลย เดี๋ยวพรุ่งนี้สแกนให้ ช่วยดูให้ด้วยครับ

สงสัย สวิทย์(combination switch ....แต่...ไฟเลี้ยวทำงานปกติ ไฟหน้าปกติ ทั้งสูงทั้งต่ำ ไม่โตด....

เป็นอี่หยังหนอ

ปล.พี่ภูผา เปลี่ยนหัวเรื่องยังไงครับ หน้าปัด ผมเขียนผิด เห็นพี่วังแดงเขียนแล้วพึ่งนึกออกเป็น หน้าปัทม์ ครับ



sudjarid จาก Back  111.84.254.223  จันทร์, 7/6/2553 เวลา : 22:27   


คำตอบที่ 6
       เช็คไฟมาเป็นจุดๆหรือยัง มันมาถึงไหน
..หัวข้อกระทู้ ผมแก้ให้แล้วเด้อ



phupha จาก ภูผา  183.89.238.72  อังคาร, 8/6/2553 เวลา : 04:43   


คำตอบที่ 7
       อืม...ยังเลยครับ

ต้องลอง....ต้องลอง





sudjarid จาก Back  203.144.198.242  อังคาร, 8/6/2553 เวลา : 12:08   


คำตอบที่ 8
       พี่ครับ ไฟลงกราวด์ วัดอย่างไรครับ ...ได้มิเตอร์มาแล้ว 350 บาท....
แต่ดันลืมไปว่ามีอีกเครื่องอยู่ที่กล่องของเล่นลูก มีผู้ใดต้องการก็บอกนะครับ 300..

มิเตอร์ ผมใช้งานเป็นได้แค่คร่าวๆครับ วัดโอมห์ วัดไฟ (วงจรง่ายๆแบบเห็นๆ แบบไม่เห็นสายไฟนี่มึนครับไล่ไม่เป็น)

ได้มิเตอร์มา ลองเช็คแบตดู เอะ......ต้องจ่ายตังค์เพิ่มเลย...สะพานไฟในไดชาร์ต พัง ไฟไม่ชาร์ต....จ่ายค่าทำใหม่แบบแปลงเอา 800 บาทถ้วน ก็ ok ครับ

ตอนนี้ไฟหลังติดแล้ว แต่ใช้วิชามารตัดต่อเอา .....ไฟหน้าปัทม์และไฟหรี่ยังมืดอยู่

ไฟลงกราวด์วัดอย่างไรครับ เดี๋ยวลืมคำถาม...



sudjarid จาก Back  203.144.198.242  ศุกร์, 11/6/2553 เวลา : 17:09   


คำตอบที่ 9
       ส่วนมากที่เคยพบลงไฟลงกราวด์ เครื่องเสียง วิ้นซ์ อุปกรณ์ที่ติดเพิ่ม สายไฟเปลื่อยไฟไหลลงตัวถังรถ ลองหาดู ครั้งสุดท้ายก่อนเกิดปัญหา ทำหยังไป



phupha จาก ภูผา  61.91.73.21  ศุกร์, 11/6/2553 เวลา : 18:52   


คำตอบที่ 10
       555......สำเร็จแล้ว....เพราะ ตูด.....ตูดจริงๆครับ

ตอนแรกก็คิดว่าไฟลงกราวด์...ไปศึกษาวิธีแล้ว....ไม่ใช่
ต่อมาไล่สาย....เกือบรื้อคอนโซล แล้ว...เกือบแล้ว...
นั่งพิจารณา ลองไล่สายตามมโนภาพ วัดไฟตามความรู้งูๆปลาๆ ตามประสาคนนั่งหลังห้องวิชาไฟฟ้าและเครื่องยนต์
จากนั้นใช้วิชาเดา...ซื้อสายไฟยาว 10 เมตร มา...กะว่าจะพ่วงไฟใหม่ตรงกล่องฟิวส์เลย
เลยรื้อแผงใต้ พวงมาลัยก่อน (คำภีร์ ไม่เคยห่าง ) เอะ..นั่นอะไร.....มีรีเลย์อยู่ 5 ตัวมันคือ อะไร เอามาลองดูสิ..

มาวัดไฟดู ...ไม่ใช่

จากนั้นลองพ่วงขั้ว + มาที่ สาย tail light ฟิวส์ 10 แอมป์ จี้สิ.....อา...อา....ติดแล้ว....ดีใจมาก ตะโกนลั่นเลย....

นึกถึง "เช็คไฟมาเป็นจุดๆหรือยัง มันมาถึงไหน "......"เช็คไฟมาเป็นจุดๆหรือยัง มันมาถึงไหน "...."เช็คไฟมาเป็นจุดๆหรือยัง มันมาถึงไหน ".......เออ....มันมาถึงไหนนะ....
ไล่สายต่อ...เขียว+ฟ้าเส้นใหญ่....ลองจิ้มที่ก่อนเข้าสวิทย์ซิ........อืม..อา...อา



sudjarid จาก Back  111.84.133.166  เสาร์, 12/6/2553 เวลา : 23:25   


คำตอบที่ 11
       เดี๋ยวมีภาพปลากรอบ ด้วยนะ เอะหรือตั้งกระทู้ใหม่ดี....

ต่อดีกว่า...หลังจากที่จิ้มที่ขั้วก่อนเข้าสวิทย์.......ติด...แสดงว่าสายไม่ขาด เอามิเตอร์วัด อืม...อืม อ๋อ..มันเป็นอย่างนี้นี่เอง

จากนั้นก็ ใช้มิเตอร์วัดที่ สวิทย์...(ครั้งแรกดูแค่ภายนอก...ปกติ)....หมุนไปเรื่อย วัดไปเรื่อย(การวัด วัดจากสายเส้นที่จ่าย 2 เส้นล่าง ต่อมายังขาต่างๆ)...ไอ้ขาที่มันใช้เสียบสาย tail light และอื่นๆ มันกลับไม่ปกติ ...

บิงโก.....
รื้อเลย....
นั่งพิจารณาอยู่นาน หาในคำภีร์ก็ไม่เจอ...


เอะ..นั่นอะไร.....สีแดงๆ ติดอยู่ที่แผงเส้นทองแดง(สะพานไฟต่างๆ) มันไปกั้นหน้าสัมผัสไม่ให้ ไฟมันไม่เดิน....

เอาคัดเตอร์ขูดออก...ใช้น้ำยาช้างน้อย (contact cleaning) พ่นด้วย รอแห้ง...
วัดไฟ....เย้...มาแล้ว..

ประกอบกลับ ...มาแล้ว....จากนั้นค่อยรื้อสายไฟด้านหลังที่ใช้วิชามั่วต่อไว้...ปกติแล้ว

ขอบคุณครับพี่ๆทั้งหลาย





sudjarid จาก Back  111.84.133.166  อาทิตย์, 13/6/2553 เวลา : 00:16   


คำตอบที่ 12
       ด้านหลัง ก่อนถอดออก





sudjarid จาก Back  111.84.133.166  อาทิตย์, 13/6/2553 เวลา : 00:18   


คำตอบที่ 13
       ขั้นตอนการถอด ง่ายครับ.....

อันดับแรก ...เตรียมความกล้าก่อน......(ผมไม่เคยครับ..)

แล้วก็ 1 2 3....





sudjarid จาก Back  111.84.133.166  อาทิตย์, 13/6/2553 เวลา : 00:21   


คำตอบที่ 14
       สรุป
จ่ายค่าคุณครูไป
1. 350..บาท .มิเตอร์ที่ไม่น่าลืม.. ปล.ผู้ใดต้องการ แจ้งเด้อ ส่งฟรี ค่าตัว 300 พอ ใหม่ ใช้วัดแบต 1 ครั้ง จริงๆ
2. 50 บาท ฟิวส์ 80 แอมป์(ที่ไม่ได้มาตรฐาน) ใช้วิ่งไปร้านได แล้ววิ่งกลับบ้าน ละลายเลย...ใช้ตัวเก่าไป...
3. 70 บาท ค่าสายไฟ แต่ก็ได้เก็บไว้ใช้อย่างอื่น
รวม 470 บาท+ค่าแป็บซี่อีกหลายขวด
ผลพลอยได้
1.ได...ปกติ จ่าย 800 บาท
2.ได้วิชาไฟฟ้าขั้นมัธยม 3 กลับคืนมาบ้าง
3.ได้มิตรภาพจาก พี่เพชร ที่ห้อง ฟอร์ด ช่วยแนะนำ
4.ได้ บริจากเลือดให้ยุงที่บ้าน อีกแล้ว.....

ขอบคุณพี่ๆทุกท่านครับ



sudjarid จาก Back  111.84.133.166  อาทิตย์, 13/6/2553 เวลา : 01:00   


คำตอบที่ 15
       พี่ครับมิเตอร์ใช้วัดอะไรได้บ้างครับผมสนใจจังเลยกะจะเอามาวัดแบตกล้องเพราะเอาออกไปถ่ายทีไรแบตหมดกลางงานทุกที หากไม่ใช้จะรับช่วงต่อเองครับ



trinop_n จาก น้องตอ  125.25.140.47  อาทิตย์, 13/6/2553 เวลา : 20:23   


คำตอบที่ 16
       ดีใจด้วยที่หายปกติ



padamm จาก padamm  112.142.147.200  อาทิตย์, 13/6/2553 เวลา : 21:33   


คำตอบที่ 17
       มิเตอร์ตามรูปครับ
ผมทราบแค่ 3 อย่าง
1.วัดโอมห์ ใช้วัดตวามต้านทานของอุปกรณ์ วัดวงจรครบ เท่าที่ทราบครับ (เอามะพร้าวมาขายสวนหรือเปล่าหนอ..)
2.วัดไฟแบต(DC) ตอนแรกก็ต้องทราบคร่าวๆก่อนว่าไฟของแบตมีขนาดเท่าไหร่ เช่น ไฟรถเรา 12 โวลต์ เราก็หมุนไอ้ตัวกลางไปที่ 50 เราก็อ่านค่าสเกลที่ 50 โวล์ต แล้วเอาไปจิ้มกับแบตให้ถูกขั้ว มันก็จะขึ้นมาที่ 12 + - ประมาณ 1 ขึ้นอยู่กับปริมาณไฟที่แบตครับ ถ้าเป็นถ่าน ก็ดูว่าถ่านจ่ายไฟสูงสุดเท่าไร เช่น 9 โวล์ต ก็หมุนไอ้ตัวกลางไปที่ 10 แล้วจิ้มให้ถูกขั้ว
3.วัดไฟบ้าน (AC) อันนี้ไม่เคยลองครับ

วิธีเช็คว่ามิเตอร์มันเสียไหม
-หมุนไอ้ตัวกลางมาที่ วัดโอมห์ (สีฟ้า)มาที่ x10 (แอบดูช่างวัดเขาหมุนมาที่นี่ทุกที ไม่รู้หมุนไปที่อื่นได้ไหม....อันนี้ไม่ทราบจริงๆ ต้องลองเล่นก่อน) แล้วใช้ แดงกับดำ สัมผัสกัน เข็มก็จะขึ้น แสดงว่ามันครบวงจร ถ้ามันไม่ขึ้น ลองถอดฝากล่องด้านหลังแล้วเปลี่ยน ฟิวส์ 0.5 แอมป์ 250 โวล์ต ก่อน เป็นฟิวส์หลอด เส้นด้านในจะเล็กมากๆ เดี๋ยวผมจะใส่ไปด้วย และใช้ระยะเวลานานๆไปมันไม่ขยับ ก็อาจเป็นที่ ถ่านด้านในมันอ่อนก็เปลี่ยนครับ

น้องตอ ขอที่อยู่หน่อยครับ
ปล.หากใกล้อมร ก็หาได้ครับ 150-200 แต่มันไม่ใช่แบบนี้ ผมเห็นช่างหลายคนเขามีแบบนี้ก็เลยซื้อแบบนี้ครับ น่าจะมีความอดทนสูง

คำตอบที่ 16
ดีใจด้วยที่หายปกติ


จาก padamm
ขอบคุณครับพี่

 แก้ไขเมื่อ : 14/6/2553 11:34:28

 แก้ไขเมื่อ : 14/6/2553 12:32:56





sudjarid จาก Back  203.144.198.242  จันทร์, 14/6/2553 เวลา : 11:04   


คำตอบที่ 18
       พี่ครับที่อยู่ผม
ตรีนพ งามรุ่งโรจน์ แผนก Bead/cutter บ.สยามมมิชลิน จำกัด
57 ม.6 ถ.หนองปลากระดี่ ต.หนองปลาหมอ
อ.หนองแค จ.สระบุรี 18140
ส่วนเรื่องเงิน ขอบัญชีมาเลยครับปรือส่งข้อความมาที่ตอก็ได้ครับ
0895676825 เดี๊ยวโอนไปให้ครับ



trinop_n จาก น้องตอ  125.25.140.47  จันทร์, 14/6/2553 เวลา : 16:55   


คำตอบที่ 19
       เดี๋ยวเย็นนี้ส่งให้ครับ
หมายเลขบัญชี


หมายเหตุ รับของก่อนนะครับค่อยโอน..

 แก้ไขเมื่อ : 31/8/2553 11:43:52



sudjarid จาก Back  203.144.198.242  พุธ, 16/6/2553 เวลา : 12:30   


คำตอบที่ 20
       ได้รับของ+โอนเงินให้ตอนประมาณ11โมงเช้าของวันนี้แล้วครับขอบคุณนะครับ



trinop_n จาก น้องตอ  125.25.142.111  จันทร์, 21/6/2553 เวลา : 17:09   


คำตอบที่ 21
       ขอบคุณครับน้องตอ

สำหรับเรื่องการที่ผมซ่อมเองมีเหตุผลเดียวคือ เวลา ครับ ทุกครั้งที่มีการรื้อหรือซ่อมจะทำตอนกลางคืนทั้งนั้น
โปรดอย่าเข้าใจผิดนะครับ จริงๆแล้วถ้ามีเวลา ผมคงวิ่งไปที่อู่พี่สัญญาแล้วครับ

สำหรับคู่มือและคำภีร์(คนละชุด) เป็นสิ่งที่ผมทำเองครับโดยใช้ห้องนี้แหละครับเป็นห้องเรียน และทุกๆท่านเป็นคุณครู




sudjarid จาก Back  111.84.234.106  พุธ, 23/6/2553 เวลา : 22:33   


คำตอบที่ 22
      



หัดเล่น จาก หัดเล่น  61.47.119.115  จันทร์, 13/12/2553 เวลา : 13:16   


คำตอบที่ 23
       นี่แหล่ะคือวิชา ความรู้จากการใช้รถเกีย ไม่นานครับเดี๋ยวเซียน



rachasri จาก rachasri  125.24.217.125  อังคาร, 14/12/2553 เวลา : 11:34   


คำตอบที่ 24
       สงสัย ถ้ามีอาการอย่างนี้ ต้องให้คุณพ่อน้อง Usto ซ่อมให้ ตามประสาคนบ้านใกล้



ได้เลยครับพี่ กม.13 เทพารักษ์.....ผมอยู่ที่รพ.เปาโล
จาก : Back(SUDJARID) 15/12/2553 13:17:50 [203.144.198.242]

charming จาก เฉิ่ม  203.169.63.1  อังคาร, 14/12/2553 เวลา : 17:11   


คำตอบที่ 25
       อื่ม..........โดนเล่น ตูด ซะแล้ว



Little Man จาก ชายเล็ก  58.10.217.245  พุธ, 15/12/2553 เวลา : 23:08   


      

Since 22, Feb 2001 hit counter View My Stats  Truehits.net      วัน<%=WeekdayName(Weekday(Date))%>,<%=formatdatetime(date(),1)%> (Online <%=Application("OnlineUsers")%> คน)
                                       

เพื่อลดภาระของ ฐานข้อมูล ซึ่งมีขนาดใหญ่มาก เพราะเวบเปิดมากว่า 10 ปี
จึงทำให้เวบช้าลงมาก ทีมงานจึงขออนุญาต แปลงข้อมูลจาก ฐานข้อมูลหลักเป็น SHTML File
เพื่อลดภาระการทำงานของ ฐานข้อมูลหลักครับ การแปลงฐานข้อมูลนี้ จะทำให้กระทู้นี้
ไม่สามารถตอบคำถามได้อีกต่อไปครับ แต่จะสามารถค้นหาชื่อกระทู้ และ Link ตรงมาที่หน้านี้ได้เหมือนเดิมครับ

ด้วยความนับถืออย่างสูง ทีมงาน Weekendhobby.com


Convert on : 23/8/2554 6:11:24

Error processing SSI file