WeekendHobby.com


AA2D Help Me Please ไฟ abs มันโชว์

จาก นายมะตูม
ศุกร์ที่ , 4/5/2550
เวลา : 14:17

อ่าน = 682
203.121.140.130
       ขอถามปรมาจารย์ ท่านใดเคยเจออาการ ไฟABS ติดโชว์ค้างบ้างครับ ที่น่าโมโหคือ บางครั้งมันก็ติด แต่ถ้าใช้รถต่อเนื่อง มาสตาร์ทอีกครั้งไฟจะหายไป ถ้าจอดทิ้งไว้ข้ามคืน เดี๋ยวติดกลับมาอีกแล้ว สิ่งที่ลงมือไปบ้างแล้วคือ

1.ตรวจเช็คฟิวส์ ABS พบว่าปกติ
2.ปลดสายที่ต่อกับปั๊ม ออกมาทำความสะอาดขั้วไฟฟ้าทั้งหมดด้วยสปเรย์ฟิลิปกระป๋องสีฟ้าแล้ว ทุกจุด ไฟก็ยังโชว์อยู่
3.มุดลงไปดูที่เพลาหลัง พบสายไฟ abs ยังอยู่ในสภาพปกติ ไม่มีรอยขาด แหว่งแต่อย่างใด

อยากสอบถามปรมารจารย์ ทั้งหลาย ข้าน้อยจะต้องทำอย่างไรต่อไป ระยะนี้ไม่ค่อยว่างไปหา อ.สัญญาเสียด้วย

ปล.อาการนี้พึ่งเป็นหลังจากกลับมาจากทริปสงกรานต์ ยังใช้งานได้ตามปกติอยู่ 2-3 วัน หลังจากจอดทิ้งไว้ 1 วัน อาการดังกล่าวจึงเริ่มเกิดขึ้น จนบัดนี้

เครื่องมือในการใช้งาน website =>> สมัครสมาชิก | Login | Logout | เปลี่ยนไอคอนส่วนตัว | เกี่ยวกับเรา | ติดต่อโฆษณา         View stat by Truehits.net


   
   

คำตอบที่ 1
       น้ำมันเบรค ครับลองตรวจสอบดู มันลดลงบ้างหรือเปล่า



จาก Kia ไท  203.151.46.130  ศุกร์, 4/5/2550 เวลา : 15:26   


คำตอบที่ 2
       ตรวจตามคำแนะนำ คำตอบที่ 1 ก่อนนะครับ...



WAR จาก WAR  203.146.169.60  ศุกร์, 4/5/2550 เวลา : 15:31   


คำตอบที่ 3
       ผมก็เคยเป็นครับ ตอนแรกก็นึกว่าต้องทำความสะอาดตัวเซนเซอร์ แต่พอดีให้แฟนหัดขับรถ แฟนเบรคหัวทิ่มจึ๊กๆ ไฟ abs ก็หายไปไม่โชว์อีกเลย นอกจากตอนสตาร์ทรถ



จาก kia เก๋  125.26.38.187  ศุกร์, 4/5/2550 เวลา : 21:35   


คำตอบที่ 4
       ถ้าน้ำมันเบรคอยู่ในระดับปกติ ลองดึงสายสวิกไฟออกดูครับ ของผมเคยเป็นทีวาวล์มันค้าง





สมหวัง จาก สมหวัง  124.121.71.138  เสาร์, 5/5/2550 เวลา : 07:59   


คำตอบที่ 5
       น้ำมันเบรคตรวจแล้วครับ ระดับปกติ ครับ

ปลั๊กทุกตัวที่เสียบแถว ตัวมอเตอร์abs และกระปุกน้ำมันเบรค ถอดออกมาแล้วทำความสะอาดด้วยสเปรย์ฟิลิปส์กระป๋องฟ้า แล้วครับ

อาการยังมีอยู่ครับ



จาก นายมะตูม  58.9.100.202  เสาร์, 5/5/2550 เวลา : 22:31   


คำตอบที่ 6
      
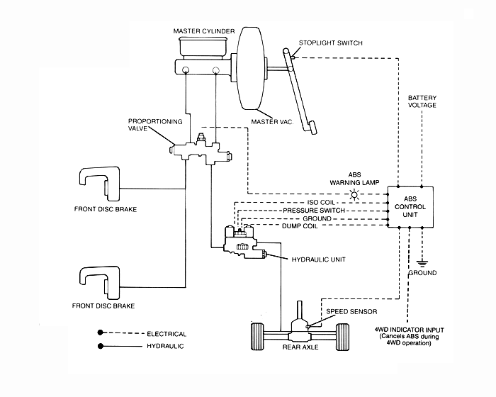
ถ้าล้างขั้ว plug ไม่หาย มีอยู่ 3 ตัว คือ (ดูรูปที่ คห.ที่ 4)
1. Valve ABS
2. กล่อง ABS ( ABS Control unit )
3. Speed sensor ABS ที่เฟืองท้าย

ที่เป็นไปได้มากที่สุด คือ 1 และ 3
วิธีการตรวจเช็ค แต่ละรายการมีอยู่ใน Workshop ถ้าไม่ใช่ช่างจะตรวจสอบลำบาก
แนะนำให้เข้าอู่ตรวจเช็ค ดีกว่า

การล้างขั้ว Plug/Connector แนะนำให้ใช้ Sonax ล้าง พวกคราบ จะสะอาดกว่า
Spray Phillip กระป๋องสีฟ้าเอาไว้ล้าง Air Flow Meter ครับ (ลองดูกระทู้เก่าๆ มีแนะนำไว้)




mr.kia man จาก Mr.KIA MAN  124.120.35.152  อาทิตย์, 6/5/2550 เวลา : 01:11   


คำตอบที่ 7
       หายไวๆนะน้ามะตูม



phupha จาก ภูผา  210.1.50.194  อาทิตย์, 6/5/2550 เวลา : 06:31   


คำตอบที่ 8
       ขอบคุณ ทุกท่านครับ ผมพยายามแก้ไขในเบี้องต้น ถ้าไม่หายจริงๆ ก็คงต้องพึ่งจอมยุทธ์สัญญาเสียแล้ว



จาก นายมะตูม  58.9.104.208  อาทิตย์, 6/5/2550 เวลา : 11:39   


คำตอบที่ 9
       ผมเคยเป็น ทำอย่างไรก็ไม่หาย
ไปอู่สัญญาวันนั้นถ่ายน้ำมันเบรค หลังจากนั้น.....
หายเป็นปลิดทิ้ง ไม่มากวนใจอีกเลยครับ...



bobo_ryu จาก overdrive  210.213.7.62  อังคาร, 8/5/2550 เวลา : 09:19   


คำตอบที่ 10
       ขอบคุณครับ เจอปัญหาเดียวกันเลย



จาก ต้น  202.69.141.150  พุธ, 27/2/2551 เวลา : 14:46   


      

Since 22, Feb 2001 hit counter View My Stats  Truehits.net      วัน<%=WeekdayName(Weekday(Date))%>,<%=formatdatetime(date(),1)%> (Online <%=Application("OnlineUsers")%> คน)
                                       

เพื่อลดภาระของ ฐานข้อมูล ซึ่งมีขนาดใหญ่มาก เพราะเวบเปิดมากว่า 10 ปี
จึงทำให้เวบช้าลงมาก ทีมงานจึงขออนุญาต แปลงข้อมูลจาก ฐานข้อมูลหลักเป็น SHTML File
เพื่อลดภาระการทำงานของ ฐานข้อมูลหลักครับ การแปลงฐานข้อมูลนี้ จะทำให้กระทู้นี้
ไม่สามารถตอบคำถามได้อีกต่อไปครับ แต่จะสามารถค้นหาชื่อกระทู้ และ Link ตรงมาที่หน้านี้ได้เหมือนเดิมครับ

ด้วยความนับถืออย่างสูง ทีมงาน Weekendhobby.com


Convert on : 23/8/2554 5:39:28

Error processing SSI file